Präzisions-Rotationstisch; DC-Motor; 360 ° Rotationswinkel; 500 N Belastbarkeit; 75 °/s maximale Winkelgeschwindigkeit; Inkrementeller Rotationsencoder, 20000 Impulse/U Auflösung, A/B-Quadratur, RS-422
PRS-200 Präzisions-Rotationstisch
Große Apertur, hohe Ablaufgenauigkeit
- Unbegrenzter Stellbereich
- Wiederholgenauigkeit bis 5 µrad
- Belastbarkeit bis 50 kg
- Option: Direkte Positionsmessung mit Winkelmesssystem
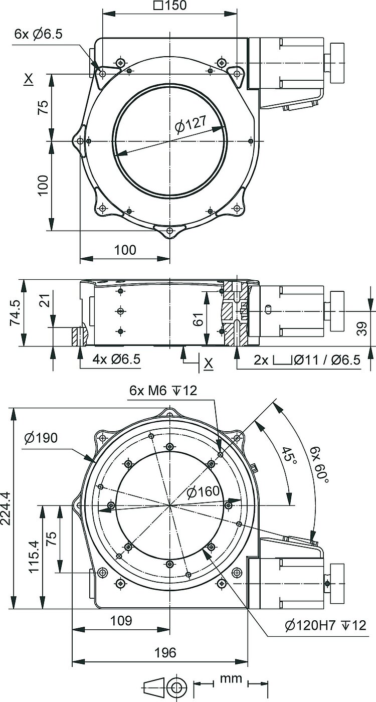
Rotationstisch der Referenzklasse
Schneckenantrieb mit hoher Untersetzung für präzise Positionierung. Hervorragende Ablaufebenheit und Rundlauf durch vorgespannte Kreuzrollenlager. Große Apertur mit 120 mm Ø. Zwei einstellbare Endschalter.
Ausführungen
- DC-Servomotor mit Rotationsencoder auf der Motorwelle
- Schrittmotor
- Option: Hochauflösendes optisches Winkelmesssystem zur direkten Positionsmessung
Option: Messung der Ablaufgenauigkeit und Positioniergenauigkeit
Individuelle Messprotokolle für Taumeln, axiales und radiales Auswandern sind auf Anfrage erhältlich. Bitte bei Bestellung angeben.
Einsatzgebiete
Medizinindustrie. Probeninspektion. Präzisions-Mikromontage. Messtechnik. Photonik.
Spezifikationen
Spezifikationen
| Bewegen | 6449911011 | 6449911111 | 6449921011 | 6449921111 | Toleranz |
|---|---|---|---|---|---|
| Aktive Achsen | θZ | θZ | θZ | θZ | |
| Rotationsbereich in θZ | 360 ° | 360 ° | 360 ° | 360 ° | |
| Maximale Winkelgeschwindigkeit in θZ, unbelastet | 75 °/s | 75 °/s | 35 °/s | 35 °/s | |
| Radiale Abweichung in X | ± 2,5 µm | ± 2,5 µm | ± 2,5 µm | ± 2,5 µm | typ. |
| Axiale Abweichung | ± 1 µm | ± 1 µm | ± 1 µm | ± 1 µm | typ. |
| Verkippung um X (Wobble) | ± 17,5 µrad | ± 17,5 µrad | ± 17,5 µrad | ± 17,5 µrad | typ. |
| Positionieren | 6449911011 | 6449911111 | 6449921011 | 6449921111 | Toleranz |
| Kleinste Schrittweite in θZ | 8,72 µrad | 0,5 µrad | 8,72 µrad | 0,5 µrad | typ. |
| Unidirektionale Wiederholgenauigkeit in θZ | ± 17,5 µrad | ± 2,5 µrad | ± 17,5 µrad | ± 2,5 µrad | typ. |
| Bidirektionale Wiederholgenauigkeit in θZ | 349 µrad | 17,4 µrad | 349 µrad | 17,4 µrad | typ. |
| Endschalter | Hall-Effekt, Öffner, 3,8 V bis 24 V, NPN | Hall-Effekt, Öffner, 3,8 V bis 24 V, NPN | Hall-Effekt, Öffner, 3,8 V bis 24 V, NPN | Hall-Effekt, Öffner, 3,8 V bis 24 V, NPN | |
| Integrierter Sensor | — | Inkrementelles Winkelmesssystem | — | Inkrementelles Winkelmesssystem | |
| Sensorsignal | — | Sin/Cos, 1 V Spitze-Spitze | — | Sin/Cos, 1 V Spitze-Spitze | |
| Sensorsignalperioden/U | — | 23600 | — | 23600 | |
| Motorencoder | Inkrementeller Rotationsencoder | Inkrementeller Rotationsencoder | — | — | |
| Sensorsignal Motorencoder | A/B-Quadratur, RS-422 | A/B-Quadratur, RS-422 | — | — | |
| Auflösung Motorencoder | 20000 Impulse/U | 20000 Impulse/U | — | — | |
| Antriebseigenschaften | 6449911011 | 6449911111 | 6449921011 | 6449921111 | Toleranz |
| Antriebstyp | DC-Motor | DC-Motor | 2-Phasen-Schrittmotor | 2-Phasen-Schrittmotor | |
| Nennspannung | 24 V | 24 V | 48 V | 48 V | |
| Nennstrom, effektiv | 4,35 A | 4,35 A | 1,2 A | 1,2 A | typ. |
| Motorauflösung | — | — | 200 Vollschritte/U | 200 Vollschritte/U | |
| Antriebsmoment in Uhrzeigerrichtung in θZ | 4 N·m | 4 N·m | 4 N·m | 4 N·m | max. |
| Antriebsmoment gegen die Uhrzeigerrichtung in θZ | 4 N·m | 4 N·m | 4 N·m | 4 N·m | max. |
| Drehmomentkonstante | 0,127 N·m/A | 0,127 N·m/A | — | — | typ. |
| Widerstand Phase-Phase | 1,5 Ω | 1,5 Ω | 1,8 Ω | 1,8 Ω | typ. |
| Induktivität Phase-Phase | 2,2 mH | 2,2 mH | 2,5 mH | 2,5 mH | |
| Mechanische Eigenschaften | 6449911011 | 6449911111 | 6449921011 | 6449921111 | Toleranz |
| Zulässige Druckkraft in X | 200 N | 200 N | 200 N | 200 N | max. |
| Zulässige Druckkraft in Y | 200 N | 200 N | 200 N | 200 N | max. |
| Zulässige Druckkraft in Z | 500 N | 500 N | 500 N | 500 N | max. |
| Zulässiges Moment in θX | 60 N·m | 60 N·m | 60 N·m | 60 N·m | max. |
| Zulässiges Moment in θY | 60 N·m | 60 N·m | 60 N·m | 60 N·m | max. |
| Zulässiges Moment in θZ | 4 N·m | 4 N·m | 4 N·m | 4 N·m | max. |
| Haltemoment in θZ, passiv | — | — | 1170 N·m | 1170 N·m | |
| Bewegte Masse in Z, unbelastet | 4300 g | 4700 g | 4300 g | 4700 g | |
| Schneckengetriebeuntersetzung | 180 : 1 | 180 : 1 | 180 : 1 | 180 : 1 | |
| Lagertyp | Kreuzrollenlager | Kreuzrollenlager | Kreuzrollenlager | Kreuzrollenlager | |
| Gesamtmasse | 8000 g | 8700 g | 8000 g | 8700 g | |
| Material | Aluminium, schwarz eloxiert; Edelstahl; Rotguss | Aluminium, schwarz eloxiert; Edelstahl; Rotguss | Aluminium, schwarz eloxiert; Edelstahl; Rotguss | Aluminium, schwarz eloxiert; Edelstahl; Rotguss | |
| Anschlüsse und Umgebung | 6449911011 | 6449911111 | 6449921011 | 6449921111 | Toleranz |
| Betriebstemperaturbereich | 5 bis 40 °C | 5 bis 40 °C | 5 bis 40 °C | 5 bis 40 °C | |
| Anschluss | D-Sub 7W2 (m) | D-Sub 7W2 (m) | D-Sub 15 (m) | D-Sub 15 (m) | |
| Sensoranschluss | — | — | — | HD D-Sub 26 (w) | |
| Anschluss Motorencoder | M23 12-polig (m) | M23 12-polig (m) | — | — | |
| Empfohlene Controller/Treiber | G-901 G-910 Modularer ACS-Controller C-863 mit C-863.AD12 Leistungstreiber C-884 mit C-863.AD12 Leistungstreiber C-885 mit C-863.20C885 mit C-863.AD12 Leistungstreiber | G-901 G-910 Modularer ACS-Controller C-863 mit C-863.AD12 Leistungstreiber C-884 mit C-863.AD12 Leistungstreiber C-885 mit C-863.20C885 mit C-863.AD12 Leistungstreiber | G-901 G-910 Modularer ACS-Controller C-663.12 C-885 mit C-663.12C885 | G-901 G-910 Modularer ACS-Controller C-663.12 C-885 mit C-663.12C885 |
Technische Daten werden bei PI bei 22 ±3 °C spezifiziert. Die angegebenen Werte gelten im unbelasteten Zustand, wenn nicht anders angegeben. Teilweise sind Eigenschaften voneinander abhängig. Die Angabe "typ." kennzeichnet einen statistischen Mittelwert für eine Eigenschaft; sie gibt keinen garantierten Wert für jedes ausgelieferte Produkt an. Bei der Ausgangsprüfung eines Produkts werden nicht alle, sondern nur ausgewählte Eigenschaften geprüft. Beachten Sie, dass sich einige Produkteigenschaften mit zunehmender Betriebsdauer verschlechtern können.
Downloads
Datenblatt
Dokumentation
Benutzerhandbuch PRS-200
Präzisions-Drehtisch
3-D-Modelle
PRS-200 3D Modell
Angebot / Bestellung
Fordern Sie ein unverbindliches Angebot über gewünschte Stückzahlen, Preise und Lieferzeiten an oder beschreiben Sie Ihre gewünschte Modifikation.
Präzisions-Rotationstisch; DC-Motor; 360 ° Rotationswinkel; 500 N Belastbarkeit; 75 °/s maximale Winkelgeschwindigkeit; Inkrementeller Rotationsencoder, 20000 Impulse/U Auflösung, A/B-Quadratur, RS-422; Inkrementelles Winkelmesssystem, Sin/Cos, 1 V Spitze-Spitze
Präzisions-Rotationstisch; 2-Phasen-Schrittmotor; 360 ° Rotationswinkel; 500 N Belastbarkeit; 35 °/s maximale Winkelgeschwindigkeit
Präzisions-Rotationstisch; 2-Phasen-Schrittmotor; 360 ° Rotationswinkel; 500 N Belastbarkeit; 35 °/s maximale Winkelgeschwindigkeit; Inkrementelles Winkelmesssystem, Sin/Cos, 1 V Spitze-Spitze
Angebot anfordern
Fragen Sie den Fachmann!
Erhalten Sie innerhalb kürzester Zeit per E-Mail oder Telefon eine Rückmeldung zu Ihren Fragen von einem PI Vertriebsingenieur.















