Präzisions-Rotationstisch; DC-Motor mit ActiveDrive; 360 ° Rotationswinkel; 100 N Belastbarkeit; 200 °/s maximale Winkelgeschwindigkeit; Inkrementeller Rotationsencoder, 20000 Impulse/U Sensorauflösung, A/B-Quadratur, RS-422; 35 mm Ø Apertur
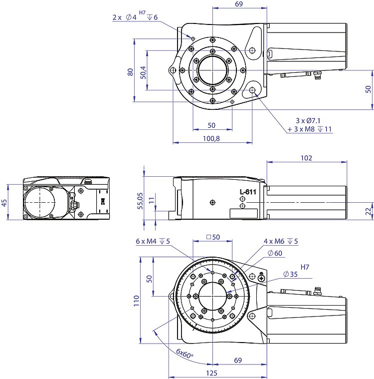
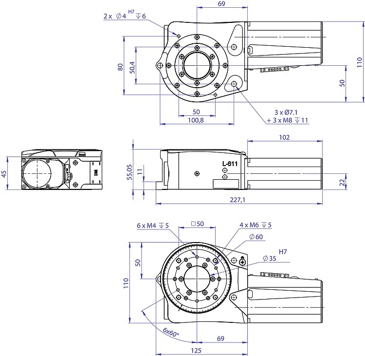
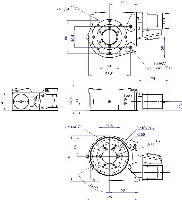
L-611 Präzisions-Rotationstisch
Hohe Ablaufgenauigkeit
- Unbegrenzter Stellbereich
- Sehr hohe Auflösung
- Höchstgeschwindigkeit 200°/s
- DC-, BLDC- und Schrittmotoren
- Richtungserkennender Referenzschalter
- Vakuumkompatible Artikel verfügbar
Rotationstisch der Referenzklasse
Hochpräzise Positionierung durch spielarm vorgespanntes Schneckengetriebe. Vorgespannte Drehlager für hohe Ablaufgenauigkeit. Freie Apertur mit Ø 35 mm. Unbegrenzter Stellbereich in beiden Drehrichtungen. Kontaktloser Referenzschalter. Kompakte Multiachs-Positioniersysteme mit L-511 Lineartischen und L-310 Hubtischen möglich. Vakuumkompatible Produktvarianten auf Anfrage.
Ausführungen
- Vibrationsarmer Schrittmotor
- DC-Motor mit ActiveDrive
- DC-Servomotor
- Bürstenloser DC-Motor
- Zusätzlich hochauflösendes optisches Winkelmesssystem, direkt messend
Option: Messung der Ablaufgenauigkeit und Positioniergenauigkeit
Individuelle Messprotokolle für Taumeln, axiales und radiales Auswandern sind auf Anfrage erhältlich. Bitte bei Bestellung angeben.
Einsatzgebiete
Medizinindustrie. Probeninspektion. Präzisions-Mikromontage. Messtechnik. Photonik. Vakuum.
Spezifikationen
Spezifikationen
| Bewegen | L-611.90AD | L-611.94AD | L-611.993232 | L-611.993261 | L-611.995232 | L-611.9ASD | L-611.90SD | Toleranz | 
|---|---|---|---|---|---|---|---|---|
| Aktive Achsen | θZ | θZ | θZ | θZ | θZ | θZ | θZ | |
| Rotationsbereich in θZ | 360 ° | 360 ° | 360 ° | 360 ° | 360 ° | 360 ° | 360 ° | |
| Maximale Winkelgeschwindigkeit in θZ, unbelastet | 200 °/s | 200 °/s | 200 °/s | 200 °/s | 200 °/s | 50 °/s | 50 °/s | |
| Radiale Abweichung E_XC | ± 2,5 µm | ± 2,5 µm | ± 2,5 µm | ± 2,5 µm | ± 2,5 µm | ± 2,5 µm | ± 2,5 µm | typ. | 
| Axiale Abweichung E_ZC | ± 1 µm | ± 1 µm | ± 1 µm | ± 1 µm | ± 1 µm | ± 1 µm | ± 1 µm | typ. | 
| Verkippung E_AC (Wobble) | ± 15 µrad | ± 15 µrad | ± 15 µrad | ± 15 µrad | ± 15 µrad | ± 15 µrad | ± 15 µrad | typ. | 
| Positionieren | L-611.90AD | L-611.94AD | L-611.993232 | L-611.993261 | L-611.995232 | L-611.9ASD | L-611.90SD | Toleranz | 
| Kleinste Schrittweite in θZ | 35 µrad | 17,45 µrad | 35 µrad | 3,5 µrad | 35 µrad | 0,87 µrad | 20 µrad | typ. | 
| Unidirektionale Wiederholgenauigkeit in θZ | ± 17,5 µrad | ± 8,725 µrad | ± 17,5 µrad | ± 1,75 µrad | ± 17,5 µrad | ± 0,435 µrad | ± 10 µrad | typ. | 
| Bidirektionale Wiederholgenauigkeit in θZ | 350 µrad | 34,9 µrad | 350 µrad | 7 µrad | 350 µrad | 7 µrad | 350 µrad | typ. | 
| Referenzschalter | Hall-Effekt, Öffner, 5 V, TTL | Hall-Effekt, Öffner, 5 V, TTL | Hall-Effekt, Öffner, 5 V, TTL | Hall-Effekt, Öffner, 5 V, NPN | Hall-Effekt, Öffner, 5 V, TTL | Hall-Effekt, Öffner, 5 V, NPN | Hall-Effekt, Öffner, 5 V, NPN | |
| Wiederholgenauigkeit des Referenzschalters, rotatorisch | 2 µrad | 2 µrad | 2 µrad | 2 µrad | 2 µrad | 2 µrad | 2 µrad | |
| Integrierter Sensor | Inkrementeller Rotationsencoder | Inkrementelles Winkelmesssystem | Inkrementeller Rotationsencoder | Inkrementelles Winkelmesssystem | Inkrementeller Rotationsencoder | Inkrementelles Winkelmesssystem | — | |
| Sensorsignal | A/B-Quadratur, RS-422 | A/B-Quadratur, RS-422 | A/B-Quadratur, RS-422 | Sin/Cos, 1 V Spitze-Spitze | A/B-Quadratur, RS-422 | Sin/Cos, 1 V Spitze-Spitze | — | |
| Sensorsignalperioden / U | — | 9000 | — | 9000 | — | 9000 | — | |
| Sensorauflösung | 20000 Impulse/U | — | 20000 Impulse/U | — | 20000 Impulse/U | — | — | |
| Antriebseigenschaften | L-611.90AD | L-611.94AD | L-611.993232 | L-611.993261 | L-611.995232 | L-611.9ASD | L-611.90SD | Toleranz | 
| Antriebstyp | DC-Motor mit ActiveDrive | DC-Motor mit ActiveDrive | DC-Motor | DC-Motor | Bürstenloser DC-Motor | 2-Phasen-Schrittmotor | 2-Phasen-Schrittmotor | |
| Betriebsspannung | 24 V | 24 V | 24 V | 24 V | 24 V | 24 V | 24 V | |
| Nennstrom, effektiv | — | — | 3,3 A | 3,3 A | 2,42 A | 1,2 A | 1,2 A | typ. | 
| Maximale Leistungsaufnahme | 40 W | 40 W | 90 W | 90 W | 85 W | 10 W | 10 W | |
| Motorauflösung | — | — | — | — | — | 200 Vollschritte/U | 200 Vollschritte/U | |
| Drehmomentkonstante | — | — | — | — | 0,031 N·m/A | — | — | typ. | 
| Widerstand Phase-Phase | — | — | 5,84 Ω | 5,84 Ω | 0,4 Ω | 3,3 Ω | 3,3 Ω | typ. | 
| Induktivität Phase-Phase | — | — | 0,56 mH | 0,56 mH | 0,32 mH | 2,8 mH | 2,8 mH | |
| Gegen-EMK Phase-Phase, rotatorisch | — | — | — | — | 3,3 V/kRPM | — | — | max. | 
| Polpaarzahl | — | — | — | — | 7 | — | — | |
| Mechanische Eigenschaften | L-611.90AD | L-611.94AD | L-611.993232 | L-611.993261 | L-611.995232 | L-611.9ASD | L-611.90SD | Toleranz | 
| Zulässige Druckkraft in X | 50 N | 50 N | 50 N | 50 N | 50 N | 50 N | 50 N | max. | 
| Zulässige Druckkraft in Y | 50 N | 50 N | 50 N | 50 N | 50 N | 50 N | 50 N | max. | 
| Zulässige Druckkraft in Z | 100 N | 100 N | 100 N | 100 N | 100 N | 100 N | 100 N | max. | 
| Zulässige Zugkraft in X | 50 N | 50 N | 50 N | 50 N | 50 N | 50 N | 50 N | max. | 
| Zulässige Zugkraft in Y | 50 N | 50 N | 50 N | 50 N | 50 N | 50 N | 50 N | max. | 
| Zulässige Zugkraft in Z | 100 N | 100 N | 100 N | 100 N | 100 N | 100 N | 100 N | max. | 
| Zulässiges Moment in θX | 40 N·m | 40 N·m | 40 N·m | 40 N·m | 40 N·m | 40 N·m | 40 N·m | max. | 
| Zulässiges Moment in θY | 40 N·m | 40 N·m | 40 N·m | 40 N·m | 40 N·m | 40 N·m | 40 N·m | max. | 
| Zulässiges Moment in θZ | 3 N·m | 3 N·m | 3 N·m | 3 N·m | 3 N·m | 3 N·m | 3 N·m | max. | 
| Trägheitsmoment in θZ, unbelastet | 770 kg·mm² | 770 kg·mm² | 770 kg·mm² | 770 kg·mm² | 770 kg·mm² | 770 kg·mm² | 770 kg·mm² | ±20 % | 
| Bewegte Masse in θZ, unbelastet | 1100 g | 1100 g | 1100 g | 1100 g | 1100 g | 1100 g | 1100 g | |
| Schneckengetriebeuntersetzung | 90 : 1 | 90 : 1 | 90 : 1 | 90 : 1 | 90 : 1 | 90 : 1 | 90 : 1 | |
| Lagertyp | Kugellager | Kugellager | Kugellager | Kugellager | Kugellager | Kugellager | Kugellager | |
| Gesamtmasse | 2600 g | 2600 g | 2600 g | 2600 g | 2600 g | 2600 g | 2600 g | |
| Material | Aluminium, eloxiert; Edelstahl; Rotguss | Aluminium, eloxiert; Edelstahl; Rotguss | Aluminium, eloxiert; Edelstahl; Rotguss | Aluminium, eloxiert; Edelstahl; Rotguss | Aluminium, eloxiert; Edelstahl; Rotguss | Aluminium, eloxiert; Edelstahl; Rotguss | Aluminium, eloxiert; Edelstahl; Rotguss | |
| Anschlüsse und Umgebung | L-611.90AD | L-611.94AD | L-611.993232 | L-611.993261 | L-611.995232 | L-611.9ASD | L-611.90SD | Toleranz | 
| Betriebstemperaturbereich | 5 bis 40 °C | 5 bis 40 °C | 5 bis 40 °C | 5 bis 40 °C | 5 bis 40 °C | 5 bis 40 °C | 5 bis 40 °C | |
| Anschluss | D-Sub 15 (m) | D-Sub 15 (m) | HD D-Sub 26 (m) | HD D-Sub 26 (m) | HD D-Sub 26 (m) | HD D-Sub 26 (m) | HD D-Sub 26 (m) | |
| Sensoranschluss | — | — | — | D-Sub 9 (m) | — | D-Sub 9 (m) | — | |
| Anschluss Versorgungsspannung | M8 4-polig (m) | M8 4-polig (m) | — | — | — | — | — | |
| Empfohlene Controller / Treiber | C-863.12 C-885 mit C-863.20C885 C-884 | C-863.12 C-885 mit C-863.20C885 C-884 | C-863.12 C-885 mit C-863.20C885 C-884 Modularer ACS-Controller | C-863.12 C-885 mit C-863.20C885 C-884 Modularer ACS-Controller | C-891.130300 C-885 mit C-891.11C885 Modularer ACS-Controller | C-663.12 C-885 mit C-663.12C885 Modularer ACS-Controller | C-663.12 C-885 mit C-663.12C885 Modularer ACS-Controller | 
Technische Daten werden bei PI bei 22 ±3 °C spezifiziert. Die angegebenen Werte gelten im unbelasteten Zustand, wenn nicht anders angegeben. Teilweise sind Eigenschaften voneinander abhängig. Die Angabe "typ." kennzeichnet einen statistischen Mittelwert für eine Eigenschaft; sie gibt keinen garantierten Wert für jedes ausgelieferte Produkt an. Bei der Ausgangsprüfung eines Produkts werden nicht alle, sondern nur ausgewählte Eigenschaften geprüft. Beachten Sie, dass sich einige Produkteigenschaften mit zunehmender Betriebsdauer verschlechtern können.
Downloads
Produktmitteilung
Product Change Notification Motor Driven Products
Datenblatt
Dokumentation
Benutzerhandbuch MP154
L-611 Präzisions-Rotationsversteller
3-D-Modelle
L-611 3D-Modell
Angebot / Bestellung
Fordern Sie ein unverbindliches Angebot über gewünschte Stückzahlen, Preise und Lieferzeiten an oder beschreiben Sie Ihre gewünschte Modifikation.
Präzisions-Rotationstisch; DC-Motor mit ActiveDrive; 360 ° Rotationswinkel; 100 N Belastbarkeit; 200 °/s maximale Winkelgeschwindigkeit; Inkrementelles Winkelmesssystem, A/B-Quadratur, RS-422; 35 mm Ø Apertur
Präzisions-Rotationstisch; DC-Motor; 360 ° Rotationswinkel; 100 N Belastbarkeit; 200 °/s maximale Winkelgeschwindigkeit; Inkrementeller Rotationsencoder, 20000 Impulse/U Sensorauflösung, A/B-Quadratur, RS-422; 35 mm Ø Apertur
Präzisions-Rotationstisch; DC-Motor; 360 ° Rotationswinkel; 100 N Belastbarkeit; 200 °/s maximale Winkelgeschwindigkeit; Inkrementelles Winkelmesssystem, Sin/Cos, 1 V Spitze-Spitze; 35 mm Ø Apertur
Präzisions-Rotationstisch; Bürstenloser DC-Motor; 360 ° Rotationswinkel; 100 N Belastbarkeit; 200 °/s maximale Winkelgeschwindigkeit; Inkrementeller Rotationsencoder, 20000 Impulse/U Sensorauflösung, A/B-Quadratur, RS-422; 35 mm Ø Apertur
Präzisions-Rotationstisch; 2-Phasen-Schrittmotor; 360 ° Rotationswinkel; 100 N Belastbarkeit; 50 °/s maximale Winkelgeschwindigkeit; Inkrementelles Winkelmesssystem, Sin/Cos, 1 V Spitze-Spitze; 35 mm Ø Apertur
Präzisions-Rotationstisch; 2-Phasen-Schrittmotor; 360 ° Rotationswinkel; 100 N Belastbarkeit; 50 °/s maximale Winkelgeschwindigkeit; 35 mm Ø Apertur
Angebot anfordern
Fragen Sie den Fachmann!
Erhalten Sie innerhalb kürzester Zeit per E-Mail oder Telefon eine Rückmeldung zu Ihren Fragen von einem PI Vertriebsingenieur.




























