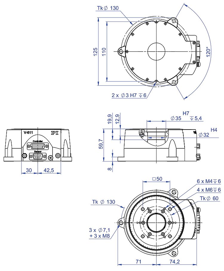
Rotationstisch, Ø 32 mm freie Apertur, eisenbehafteter 3-Phasen-Torquemotor, inkrementelles Winkelmesssystem mit sin/cos-Signalübertragung
V-611 Rotationstisch
Hohe Belastbarkeit und Lebensdauer für industrielle Anwendungen
- Rillenkugellager ermöglichen hohe Belastbarkeit und Lebensdauer
- Freie Apertur für Durchlichtanwendungen
- Hohe Geschwindigkeit und Beschleunigung
- Eisenbehafteter 3-Phasen-Torquemotor
Eisenbehafteter 3-Phasen-Torquemotor
Torquemotoren sind elektromagnetische Direktantriebe. Sie verzichten auf mechanische Bauteile im Antriebsstrang und übertragen die Antriebskraft direkt und reibungsfrei auf die Bewegungsplattform. Die Antriebe erreichen hohe Geschwindigkeiten und Beschleunigungen. Eisenbehaftete Motoren kommen zum Einsatz, wenn hohe Kräfte und Beschleunigungen erreicht werden sollen, der Bauraum jedoch begrenzt ist. Die Bauweise mit Eisenkernen maximiert die magnetischen Kräfte und sorgt für eine hohe thermische Stabilität des Antriebs.
Einsatzgebiete
Medizinindustrie. Probeninspektion. Präzisions-Mikromontage. Forschung. Biotechnologie. Halbleitertechnik. Messtechnik. Automatisierung.
Spezifikationen
Spezifikationen
| Bewegen | V-611.998061 | V-611.998073 | Toleranz |
|---|---|---|---|
| Aktive Achsen | θZ | θZ | |
| Rotationsbereich in θZ | 360 ° | 360 ° | |
| Maximale Winkelgeschwindigkeit in θZ, unbelastet | 288 min⁻¹ | 288 min⁻¹ | |
| Radiale Abweichung E_XC | ± 0,75 µm | ± 0,75 µm | typ. |
| Axiale Abweichung E_ZC | ± 0,5 µm | ± 0,5 µm | typ. |
| Verkippung E_AC (Wobble) | ± 10 µrad | ± 10 µrad | typ. |
| Positionieren | V-611.998061 | V-611.998073 | Toleranz |
| Kleinste Schrittweite in θZ | 1 µrad | 1 µrad | typ. |
| Unidirektionale Wiederholgenauigkeit in θZ | ± 1 µrad | ± 1 µrad | typ. |
| Bidirektionale Wiederholgenauigkeit in θZ | 3 µrad | 3 µrad | typ. |
| Referenzschalter | Hall-Effekt, Öffner, 5 V, NPN | — | |
| Integrierter Sensor | Inkrementelles Winkelmesssystem | Absolutes Winkelmesssystem | |
| Sensorsignal | Sin/Cos, 1 V Spitze-Spitze | BiSS-C | |
| Sensorsignalperioden / U | 15744 | — | |
| Sensorauflösung | — | 4294967296 Impulse/U | |
| Antriebseigenschaften | V-611.998061 | V-611.998073 | Toleranz |
| Antriebstyp | Eisenbehafteter 3-Phasen-Torquemotor | Eisenbehafteter 3-Phasen-Torquemotor | |
| Nennspannung | 48 V | 48 V | max. |
| Nennstrom, effektiv | 3,33 A | 3,33 A | typ. |
| Spitzenstrom, effektiv | — | — | typ. |
| Antriebsmoment in θZ | 1 N·m | 1 N·m | |
| Spitzenmoment in θZ | 1,9 N·m | 1,9 N·m | |
| Drehmomentkonstante | 0,297 N·m/A | 0,297 N·m/A | typ. |
| Widerstand Phase-Phase | 1,38 Ω | 1,38 Ω | typ. |
| Induktivität Phase-Phase | 2,58 mH | 2,58 mH | |
| Gegen-EMK Phase-Phase, rotatorisch | 18 V/kRPM | 18 V/kRPM | max. |
| Polpaarzahl | 10 | 10 | |
| Mechanische Eigenschaften | V-611.998061 | V-611.998073 | Toleranz |
| Zulässige Druckkraft in X | 50 N | 50 N | max. |
| Zulässige Druckkraft in Z | 100 N | 100 N | max. |
| Trägheitsmoment in θZ, unbelastet | 1400000 kg·mm² | 1400000 kg·mm² | ±20 % |
| Bewegte Masse in θZ, unbelastet | 1200 g | 1200 g | ±5 % |
| Lagertyp | Kugellager | Kugellager | |
| Gesamtmasse | 2300 g | 2300 g | ±5 % |
| Material | Aluminium, schwarz eloxiert | Aluminium, schwarz eloxiert | |
| Anschlüsse und Umgebung | V-611.998061 | V-611.998073 | Toleranz |
| Betriebstemperaturbereich | 5 bis 40 °C | 5 bis 40 °C | |
| Anschluss | HD D-Sub 26 (m) | HD D-Sub 26 (m) | |
| Sensoranschluss | D-Sub 9 (m) | D-Sub 9 (m) | |
| Empfohlene Controller / Treiber | C-891, C-885 mit C-891.11C885 Modularer ACS-Controller | C-891, C-885 mit C-891.11C885 Modularer ACS-Controller |
Technische Daten werden bei PI bei 22 ±3 °C spezifiziert. Die angegebenen Werte gelten im unbelasteten Zustand, wenn nicht anders angegeben. Teilweise sind Eigenschaften voneinander abhängig. Die Angabe "typ." kennzeichnet einen statistischen Mittelwert für eine Eigenschaft; sie gibt keinen garantierten Wert für jedes ausgelieferte Produkt an. Bei der Ausgangsprüfung eines Produkts werden nicht alle, sondern nur ausgewählte Eigenschaften geprüft. Beachten Sie, dass sich einige Produkteigenschaften mit zunehmender Betriebsdauer verschlechtern können.
Downloads
Datenblatt
Dokumentation
User Manual V611T0003
Rotation stages with torque motor
3-D-Modelle
3-D Modell V-611
Angebot / Bestellung
Fordern Sie ein unverbindliches Angebot über gewünschte Stückzahlen, Preise und Lieferzeiten an oder beschreiben Sie Ihre gewünschte Modifikation.
Rotationstisch, Ø 32 mm freie Apertur, eisenbehafteter 3-Phasen-Torquemotor, absolutes Winkelmesssystem mit BiSS-C-Signalübertragung
Angebot anfordern
Fragen Sie den Fachmann!
Erhalten Sie innerhalb kürzester Zeit per E-Mail oder Telefon eine Rückmeldung zu Ihren Fragen von einem PI Vertriebsingenieur.
Anwendungen

Genomsequenzierung
Ob Medizin, Forensik, Vererbung - für zahlreiche Fragen liefert das Genom den Schlüssel zu neuer Erkenntnis. Die als „sequencing-by-synthesis“ bekannte Methode zur Entschlüsselung des Genoms ist seit ihrer Entwicklung erheblich schneller und präziser geworden - entsprechend sind die Kosten gesunken. Dazu haben auch die Positioniertechniken in den eingesetzten Mikroskopsystemen beigetragen.

Videoendoskopie
Die moderne Medizintechnik strebt danach, Patienten durch Therapien möglichst wenig zu belasten. Endoskope, die minimal invasive Eingriffe ermöglichen, leisten dazu einen wichtigen Beitrag, beispielsweise bei der Laparoskopie. Gerade bei medizinischen Eingriffen steht die Forderung nach scharfen und detailreichen Bildinformationen an oberster Stelle, um bestmögliche Erfolgsaussichten zu erlangen.

Adaptive Blendenverstellung
In der Strahlentherapie werden einzelne Lamellenblenden so verstellt, dass das gesunde Gewebe bestmöglich vor der Strahlung geschützt wird.

Hohe Geschwindigkeiten für Bildstabilisierung und Microscanning
Schnelle Piezoscanner arbeiten mit den notwendigen Verstellgeschwindigkeiten um in der Bildstabilisierung und im Microscanning eingesetzt zu werden.

Refraktive Chirurgie
In der refraktiven Chirurgie sind präzise Positionierung und Bewegungskontrolle des Lasers entscheidend für gute Ergebnisse. Piezogetriebene Achsen und Kippspiegelsysteme bieten diese Präzision, sind dynamisch und schnell und helfen so zusätzlich, die Behandlungszeit zu verkürzen.

Pipettieren
Piezomotoren sind für das Pipettieren bei immer kleineren Geräteabmessungen und Probenabständen geeignet und können Pipetten auch vertikal bewegen.

Optische Kohärenztomographie
Piezoaktoren und -antriebe garantieren die für die optische Kohärenztomographie notwendige hohe Präzision und Positionsstabilität.

Magnetresonanztomografie
Piezoantriebe sind für die Magnetresonanztherapie geeignet, da sie sich von starken Magnetfeldern nicht in ihrer Funktion beeinträchtigen lassen.



















