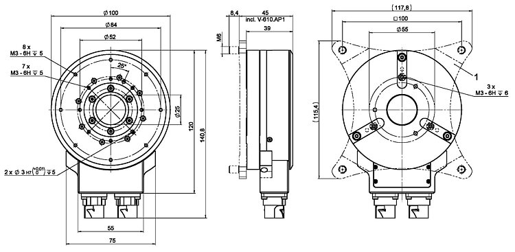
Kompakter PIMag® Rotationstisch, Ø 25 mm freie Apertur, eisenloser 3-Phasen-Torquemotor, inkrementelles Winkelmesssystem mit sin/cos-Signalübertragung
V-610 Kompakter PIMag® Rotationstisch
Flaches Design bei hohem Drehmoment für Lasten bis 2 kg
- Flache und kompakte Bauweise
- Freie Apertur für Durchlichtanwendungen
- Optionale Haltebremse
- Eigenentwickelter eisenloser PIMag® Torquemotor für hohes Antriebsmoment
PIMag® Torquemotor
Torquemotoren sind elektromagnetische Direktantriebe. Sie verzichten auf mechanische Bauteile im Antriebsstrang und übertragen die Antriebskraft direkt und reibungsfrei auf die Bewegungsplattform. Die Antriebe erreichen hohe Geschwindigkeiten und Beschleunigungen. Eisenlose Motoren eignen sich besonders für Positionieraufgaben mit höchsten Ansprüchen an Präzision, da es keine unerwünschten Wechselwirkungen mit den Permanentmagneten gibt. Dies ermöglicht einen gleichmäßigen Lauf auch bei niedrigsten Geschwindigkeiten, gleichzeitig treten keine Vibrationen bei hohen Geschwindigkeiten auf. Nichtlinearitäten im Regelverhalten werden vermieden und jede beliebige Position kann einfach geregelt werden. Die Antriebskraft ist frei einstellbar.
PIMag®
PI entwickelt elektromagnetische Motoren auch selbst, wenn Positioniersysteme Leistungsmerkmale erreichen sollen, die mit am Markt verfügbaren Antriebskomponenten nicht möglich sind, z. B. um eine hohe Kraftdichte oder kompakte Bauweise zu erzielen. Die eigenentwickelten Motoren sind mit dem Markennamen PIMag® gekennzeichnet.
Einsatzgebiete
Probeninspektion. Präzisions-Mikromontage. Forschung. Biotechnologie. Halbleitertechnik. Messtechnik. Automatisierung.
Spezifikationen
Spezifikationen
| Bewegen | V-610.998061 | V-610.998061B | Toleranz |
|---|---|---|---|
| Aktive Achsen | θZ | θZ | |
| Rotationsbereich in θZ | 360 ° | 360 ° | |
| Maximale Winkelgeschwindigkeit in θZ, unbelastet | 500 min⁻¹ | 500 min⁻¹ | |
| Positionieren | V-610.998061 | V-610.998061B | Toleranz |
| Kleinste Schrittweite in θZ | 2 µrad | 2 µrad | typ. |
| Unidirektionale Wiederholgenauigkeit in θZ | ± 2 µrad | ± 2 µrad | typ. |
| Bidirektionale Wiederholgenauigkeit in θZ | 176 µrad | 176 µrad | typ. |
| Referenzschalter | 1 / Umdrehung, Differenzialpuls über eine Sensorsignalperiode, 1 V Spitze-Spitze | 1 / Umdrehung, Differenzialpuls über eine Sensorsignalperiode, 1 V Spitze-Spitze | |
| Integrierter Sensor | Inkrementelles Winkelmesssystem | Inkrementelles Winkelmesssystem | |
| Sensorsignal | Sin/Cos, 1 V Spitze-Spitze | Sin/Cos, 1 V Spitze-Spitze | |
| Sensorsignalperioden / U | 1845 | 1845 | |
| Sensorauflösung, rotatorisch | 9 µrad | 9 µrad | |
| Antriebseigenschaften | V-610.998061 | V-610.998061B | Toleranz |
| Antriebstyp | Eisenloser 3-Phasen-Torquemotor | Eisenloser 3-Phasen-Torquemotor | |
| Nennspannung | 48 V | 48 V | max. |
| Nennstrom, effektiv | 2,05 A | 2,05 A | typ. |
| Spitzenstrom, effektiv | 5 A | 5 A | typ. |
| Antriebsmoment in Uhrzeigerrichtung in θZ | 0,49 N·m | 0,49 N·m | max. |
| Antriebsmoment gegen die Uhrzeigerrichtung in θZ | 0,49 N·m | 0,49 N·m | max. |
| Spitzenmoment in Uhrzeigerrichtung in θZ | 1,25 N·m | 1,25 N·m | max. |
| Spitzenmoment gegen die Uhrzeigerrichtung in θZ | 1,25 N·m | 1,25 N·m | max. |
| Drehmomentkonstante | 0,24 N·m/A | 0,24 N·m/A | typ. |
| Widerstand Phase-Phase | 3 Ω | 3 Ω | typ. |
| Induktivität Phase-Phase | 0,5 mH | 0,5 mH | |
| Gegen-EMK Phase-Phase, rotatorisch | 25,1 V/kRPM | 25,1 V/kRPM | max. |
| Polpaarzahl | 12 | 12 | |
| Mechanische Eigenschaften | V-610.998061 | V-610.998061B | Toleranz |
| Zulässige Druckkraft in Y | 6 N | 6 N | max. |
| Zulässige Druckkraft in Z | 20 N | 20 N | max. |
| Trägheitsmoment in θZ, unbelastet | 411,84 kg·mm² | 418,23 kg·mm² | ±20 % |
| Bewegte Masse in θZ, unbelastet | 380 g | 400 g | ±5 % |
| Lagertyp | Kreuzrollenlager | Kreuzrollenlager | |
| Gesamtmasse | 705 g | 965 g | ±5 % |
| Masse ohne Kabel | 630 g | 870 g | |
| Material | Aluminium, eloxiert | Aluminium, eloxiert | |
| Haltebremse | — | Elektromagnetische Sicherheitsbremse | |
| Anschlüsse und Umgebung | V-610.998061 | V-610.998061B | Toleranz |
| Betriebstemperaturbereich | 10 bis 50 °C | 10 bis 50 °C | |
| Anschluss | M15 | M15 | |
| Sensoranschluss | M15 | M15 | |
| Empfohlene Controller / Treiber | C-891, C-885 mit C-891.11C885 Modularer ACS-Controller | C-891, C-885 mit C-891.11C885 Modularer ACS-Controller |
Stellweg: ±5 Umdrehungen mit C-891 Controller / Controllermodul
Nennmoment/-strom und Spitzenmoment/-strom: Abhängig von Unterlage. Angabe beruht auf Montage auf einer Unterlage aus Aluminium, mit 600 mm × 300 mm × 12,7 mm (L × B × H).
C-891/C-885: Separates Anschlusskabel jeweils erforderlich für Motor- und Sensorverbindung
Technische Daten werden bei PI bei 22 ±3 °C spezifiziert. Die angegebenen Werte gelten im unbelasteten Zustand, wenn nicht anders angegeben. Teilweise sind Eigenschaften voneinander abhängig. Die Angabe "typ." kennzeichnet einen statistischen Mittelwert für eine Eigenschaft; sie gibt keinen garantierten Wert für jedes ausgelieferte Produkt an. Bei der Ausgangsprüfung eines Produkts werden nicht alle, sondern nur ausgewählte Eigenschaften geprüft. Beachten Sie, dass sich einige Produkteigenschaften mit zunehmender Betriebsdauer verschlechtern können.
Downloads
Datenblatt
Dokumentation
Benutzerhandbuch V610UM0001
V-610.998061 PIMAG® Rotationstisch
Benutzerhandbuch V610UM0002
V-610.998061B PIMAG® Rotationstisch
3-D-Modelle
V-610 3D-Modell
Angebot / Bestellung
Fordern Sie ein unverbindliches Angebot über gewünschte Stückzahlen, Preise und Lieferzeiten an oder beschreiben Sie Ihre gewünschte Modifikation.
Kompakter PIMag® Rotationstisch, Ø 25 mm freie Apertur, eisenloser 3-Phasen-Torquemotor, inkrementelles Winkelmesssystem mit sin/cos-Signalübertragung, Haltebremse
Angebot anfordern
Fragen Sie den Fachmann!
Erhalten Sie innerhalb kürzester Zeit per E-Mail oder Telefon eine Rückmeldung zu Ihren Fragen von einem PI Vertriebsingenieur.



















