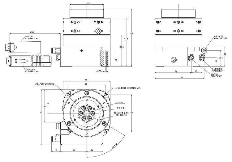
PIglide RM Rotationstisch, Luftlager, 50 mm Durchmesser Bewegungsplattform, 25 mm Länge des Lagersitzes, inkrementelles Winkelmesssystem mit sin/cos-Signalübertragung, 8192 Striche/Umdrehung, nutenloser bürstenloser 3-Phasen-Torquemotor
A-62x PIglide RM Rotationstisch mit Luftlager
Reibungsfrei, ideal für Indexierung, Positionierung, Scannen, Messtechnik
- Reinraumtauglich
- Durchmesser Bewegungsplattform von 50 mm bis 300 mm
- Belastbarkeit bis 4170 N
- Exzentrizität und Ebenheit < 200 nm
- Kann horizontal oder vertikal montiert werden
Produktübersicht
Die motorisierten Rotationstische der PIglide RM-Serie sind für Genauigkeit, Präzision, hohe Steifigkeit und hohen Bedienkomfort ausgelegt und können in beliebiger Orientierung befestigt werden.
Verschiedene Optionen können zu einer Lösung kombiniert werden, die ideal für Punkt-zu-Punkt-Indizierung oder Scannen mit konstanter Geschwindigkeit ist.
Die RM-Tische bieten eine überragende Leistung bei Ablaufgenauigkeit, Ebenheit und Taumeln. Da sie reibungs-, wartungs- und schmierungsfrei sind, eignen sie sich ideal für den Einsatz in Reinräumen.
3-Phasen-Torquemotor
- Bürstenlos
- Nutenlos
- Geringes Rastmoment
Absolutencoder (optional)
Absolutencoder liefern eindeutige Lageinformationen, die eine sofortige Feststellung der Position ermöglichen. Somit ist keine Referenzierung beim Einschalten erforderlich, Effizienz und Sicherheit im Betrieb können gesteigert werden.
Zubehör und Optionen
- Encoder
- Optionale Kippplattformen
- Kundenspezifische Montagelaschen
- Vakuumdurchführung
- Schleifringe
- PIglide Filter und Druckregler
- Ein- oder mehrachsige Motion Controller und Servoantriebe
- Grundplatten aus Granit und Systeme zur Vibrationsminderung
Einsatzgebiete
Optische Justage, Metrologie, Inspektionssysteme, Kalibrierung, Scannen.
Spezifikationen
Spezifikationen
| Bewegen | A-621.025A1 | A-621.025B1 | A-623.025A1 | A-623.025B1 | A-623.050A1 | A-623.050B1 | A-624.050A1 | A-624.050B1 | A-625.065A1 | A-625.065B1 | A-627.075A1 | A-627.075B1 | Toleranz |
|---|---|---|---|---|---|---|---|---|---|---|---|---|---|
| Aktive Achsen | θZ | θZ | θZ | θZ | θZ | θZ | θZ | θZ | θZ | θZ | θZ | θZ | |
| Rotationsbereich in θZ | 360 ° | 360 ° | 360 ° | 360 ° | 360 ° | 360 ° | 360 ° | 360 ° | 360 ° | 360 ° | 360 ° | 360 ° | |
| Maximale Winkelgeschwindigkeit in θZ, unbelastet | 2500 min⁻¹ | 2500 min⁻¹ | 1200 min⁻¹ | 1200 min⁻¹ | 1200 min⁻¹ | 1200 min⁻¹ | 600 min⁻¹ | 600 min⁻¹ | 500 min⁻¹ | 500 min⁻¹ | 500 min⁻¹ | 500 min⁻¹ | |
| Radiale Abweichung in X | ± 0,15 µm | ± 0,15 µm | ± 0,087 µm | ± 0,087 µm | ± 0,087 µm | ± 0,087 µm | ± 0,05 µm | ± 0,05 µm | ± 0,05 µm | ± 0,05 µm | ± 0,037 µm | ± 0,037 µm | max. |
| Axiale Abweichung | ± 0,05 µm | ± 0,05 µm | ± 0,037 µm | ± 0,037 µm | ± 0,037 µm | ± 0,037 µm | ± 0,025 µm | ± 0,025 µm | ± 0,025 µm | ± 0,025 µm | ± 0,02 µm | ± 0,02 µm | max. |
| Verkippung um X (Wobble) | ± 2,5 µrad | ± 2,5 µrad | ± 1,5 µrad | ± 1,5 µrad | ± 1,5 µrad | ± 1,5 µrad | ± 1 µrad | ± 1 µrad | ± 1 µrad | ± 1 µrad | ± 0,5 µrad | ± 0,5 µrad | max. |
| Positionieren | A-621.025A1 | A-621.025B1 | A-623.025A1 | A-623.025B1 | A-623.050A1 | A-623.050B1 | A-624.050A1 | A-624.050B1 | A-625.065A1 | A-625.065B1 | A-627.075A1 | A-627.075B1 | Toleranz |
| Positioniergenauigkeit in θZ, kalibriert | ± 8 µrad | ± 8 µrad | ± 8 µrad | ± 8 µrad | ± 8 µrad | ± 8 µrad | ± 8 µrad | ± 8 µrad | ± 8 µrad | ± 8 µrad | ± 8 µrad | ± 8 µrad | typ. |
| Bidirektionale Wiederholgenauigkeit in θZ | 8 µrad | 8 µrad | 8 µrad | 8 µrad | 8 µrad | 8 µrad | 8 µrad | 8 µrad | 8 µrad | 8 µrad | 8 µrad | 8 µrad | typ. |
| Referenzschalter | 1/Umdrehung, Differenzialpuls über eine Sensorsignalperiode, 1 V Spitze-Spitze | — | 1/Umdrehung, Differenzialpuls über eine Sensorsignalperiode, 1 V Spitze-Spitze | — | 1/Umdrehung, Differenzialpuls über eine Sensorsignalperiode, 1 V Spitze-Spitze | — | 1/Umdrehung, Differenzialpuls über eine Sensorsignalperiode, 1 V Spitze-Spitze | — | 1/Umdrehung, ein Impuls über einen Schritt des Encoders, synchronisiert auf Ausgangssignal | 1/Umdrehung, ein Impuls über einen Schritt des Encoders, synchronisiert auf Ausgangssignal | 1/Umdrehung, Differenzialpuls über eine Sensorsignalperiode, 1 V Spitze-Spitze | — | |
| Integrierter Sensor | Inkrementelles Winkelmesssystem | Absolutes Winkelmesssystem | Inkrementelles Winkelmesssystem | Absolutes Winkelmesssystem | Inkrementelles Winkelmesssystem | Absolutes Winkelmesssystem | Inkrementelles Winkelmesssystem | Absolutes Winkelmesssystem | Inkrementelles Winkelmesssystem | Absolutes Winkelmesssystem | Inkrementelles Winkelmesssystem | Absolutes Winkelmesssystem | |
| Sensorsignal | Sin/Cos, 1 V Spitze-Spitze | BiSS-C | Sin/Cos, 1 V Spitze-Spitze | BiSS-C | Sin/Cos, 1 V Spitze-Spitze | BiSS-C | Sin/Cos, 1 V Spitze-Spitze | BiSS-C | Sin/Cos, 1 V Spitze-Spitze | BiSS-C | Sin/Cos, 1 V Spitze-Spitze | BiSS-C | |
| Sensorsignalperioden/U | 8192 | — | 15744 | — | 15744 | — | 23600 | — | 31488 | — | 47200 | — | |
| Sensorauflösung | 0,047 µrad | 0,0015 µrad | 0,024 µrad | 0,0015 µrad | 0,016 µrad | 0,0015 µrad | 0,016 µrad | 0,0015 µrad | 0,012 µrad | 0,0015 µrad | 0,008 µrad | 0,0015 µrad | |
| Antriebseigenschaften | A-621.025A1 | A-621.025B1 | A-623.025A1 | A-623.025B1 | A-623.050A1 | A-623.050B1 | A-624.050A1 | A-624.050B1 | A-625.065A1 | A-625.065B1 | A-627.075A1 | A-627.075B1 | Toleranz |
| Antriebstyp | Eisenloser 3-Phasen-Torquemotor | Eisenloser 3-Phasen-Torquemotor | Eisenloser 3-Phasen-Torquemotor | Eisenloser 3-Phasen-Torquemotor | Eisenloser 3-Phasen-Torquemotor | Eisenloser 3-Phasen-Torquemotor | Eisenloser 3-Phasen-Torquemotor | Eisenloser 3-Phasen-Torquemotor | Eisenloser 3-Phasen-Torquemotor | Eisenloser 3-Phasen-Torquemotor | Eisenloser 3-Phasen-Torquemotor | Eisenloser 3-Phasen-Torquemotor | |
| Nennspannung | 48 V | 48 V | 48 V | 48 V | 48 V | 48 V | 48 V | 48 V | 48 V | 48 V | 48 V | 48 V | |
| Spitzenspannung | 80 V | 80 V | 80 V | 80 V | 80 V | 80 V | 80 V | 80 V | 80 V | 80 V | 80 V | 80 V | |
| Nennstrom | 3,3 A | 3,3 A | 3,1 A | 3,1 A | 3,1 A | 3,1 A | 2,3 A | 2,3 A | 2,3 A | 2,3 A | 4,5 A | 4,5 A | typ. |
| Spitzenstrom | 9,9 A | 9,9 A | 9,3 A | 9,3 A | 9,3 A | 9,3 A | 6,9 A | 6,9 A | 6,9 A | 6,9 A | 13,9 A | 13,9 A | typ. |
| Antriebsmoment in Uhrzeigerrichtung in θZ | 0,07 N·m | 0,07 N·m | 0,7 N·m | 0,7 N·m | 0,7 N·m | 0,7 N·m | 1,57 N·m | 1,57 N·m | 1,57 N·m | 1,57 N·m | 2,82 N·m | 2,82 N·m | max. |
| Antriebsmoment gegen die Uhrzeigerrichtung in θZ | 0,07 N·m | 0,07 N·m | 0,7 N·m | 0,7 N·m | 0,7 N·m | 0,7 N·m | 1,57 N·m | 1,57 N·m | 1,57 N·m | 1,57 N·m | 2,82 N·m | 2,82 N·m | max. |
| Spitzenmoment in Uhrzeigerrichtung in θZ | 0,21 N·m | 0,21 N·m | 2,1 N·m | 2,1 N·m | 2,1 N·m | 2,1 N·m | 4,71 N·m | 4,71 N·m | 4,71 N·m | 4,71 N·m | 8,46 N·m | 8,46 N·m | max. |
| Spitzenmoment gegen die Uhrzeigerrichtung in θZ | 0,21 N·m | 0,21 N·m | 2,1 N·m | 2,1 N·m | 2,1 N·m | 2,1 N·m | 4,71 N·m | 4,71 N·m | 4,71 N·m | 4,71 N·m | 8,46 N·m | 8,46 N·m | max. |
| Drehmomentkonstante | 0,03 N·m/A | 0,03 N·m/A | 0,26 N·m/A | 0,26 N·m/A | 0,26 N·m/A | 0,26 N·m/A | 0,59 N·m/A | 0,59 N·m/A | 0,59 N·m/A | 0,59 N·m/A | 0,61 N·m/A | 0,61 N·m/A | typ. |
| Widerstand Phase-Phase | 2,7 Ω | 2,7 Ω | 4,2 Ω | 4,2 Ω | 4,2 Ω | 4,2 Ω | 6,7 Ω | 6,7 Ω | 6,7 Ω | 6,7 Ω | 4,5 Ω | 4,5 Ω | typ. |
| Induktivität Phase-Phase | 0,1 mH | 0,1 mH | 0,4 mH | 0,4 mH | 0,4 mH | 0,4 mH | 0,9 mH | 0,9 mH | 0,9 mH | 0,9 mH | 0,6 mH | 0,6 mH | |
| Gegen-EMK Phase-Phase, rotatorisch | 4,1 V/kRPM | 4,1 V/kRPM | 31,8 V/kRPM | 31,8 V/kRPM | 31,8 V/kRPM | 31,8 V/kRPM | 71 V/kRPM | 71 V/kRPM | 71 V/kRPM | 71 V/kRPM | 74 V/kRPM | 74 V/kRPM | max. |
| Polpaarzahl | 6 | 6 | 14 | 14 | 14 | 14 | 24 | 24 | 24 | 24 | 32 | 32 | |
| Mechanische Eigenschaften | A-621.025A1 | A-621.025B1 | A-623.025A1 | A-623.025B1 | A-623.050A1 | A-623.050B1 | A-624.050A1 | A-624.050B1 | A-625.065A1 | A-625.065B1 | A-627.075A1 | A-627.075B1 | Toleranz |
| Steifigkeit in X | 8 N/µm | 8 N/µm | 18 N/µm | 18 N/µm | 35 N/µm | 35 N/µm | 64 N/µm | 64 N/µm | 110 N/µm | 110 N/µm | 204 N/µm | 204 N/µm | |
| Steifigkeit in Y | 8 N/µm | 8 N/µm | 18 N/µm | 18 N/µm | 35 N/µm | 35 N/µm | 64 N/µm | 64 N/µm | 110 N/µm | 110 N/µm | 204 N/µm | 204 N/µm | |
| Steifigkeit in Z | 26 N/µm | 26 N/µm | 96 N/µm | 96 N/µm | 96 N/µm | 96 N/µm | 210 N/µm | 210 N/µm | 385 N/µm | 385 N/µm | 788 N/µm | 788 N/µm | |
| Zulässige Druckkraft in X | 57 N | 57 N | 115 N | 115 N | 229 N | 229 N | 344 N | 344 N | 577 N | 577 N | 1203 N | 1203 N | max. |
| Zulässige Druckkraft in Y | 57 N | 57 N | 115 N | 115 N | 229 N | 229 N | 344 N | 344 N | 577 N | 577 N | 1203 N | 1203 N | max. |
| Zulässige Druckkraft in Z | 134 N | 134 N | 536 N | 536 N | 536 N | 536 N | 1206 N | 1206 N | 2144 N | 2144 N | 4244 N | 4244 N | max. |
| Zulässige Zugkraft in X | 57 N | 57 N | 115 N | 115 N | 229 N | 229 N | 344 N | 344 N | 577 N | 577 N | 1203 N | 1203 N | max. |
| Zulässige Zugkraft in Y | 57 N | 57 N | 115 N | 115 N | 229 N | 229 N | 344 N | 344 N | 577 N | 577 N | 1203 N | 1203 N | max. |
| Zulässige Zugkraft in Z | 134 N | 134 N | 536 N | 536 N | 536 N | 536 N | 1206 N | 1206 N | 2144 N | 2144 N | 4244 N | 4244 N | max. |
| Zulässiges Moment in θX | 0,57 N·m | 0,57 N·m | 1,7 N·m | 1,7 N·m | 4,52 N·m | 4,52 N·m | 22,6 N·m | 22,6 N·m | 39,6 N·m | 39,6 N·m | 141,3 N·m | 141,3 N·m | max. |
| Zulässiges Moment in θY | 0,57 N·m | 0,57 N·m | 1,7 N·m | 1,7 N·m | 4,52 N·m | 4,52 N·m | 22,6 N·m | 22,6 N·m | 39,6 N·m | 39,6 N·m | 141,3 N·m | 141,3 N·m | max. |
| Trägheitsmoment in θZ, unbelastet | 290 kg·mm² | 290 kg·mm² | 1530 kg·mm² | 1530 kg·mm² | 2450 kg·mm² | 2450 kg·mm² | 10450 kg·mm² | 10450 kg·mm² | 32240 kg·mm² | 32240 kg·mm² | 196020 kg·mm² | 196020 kg·mm² | ±20 % |
| Bewegte Masse in θZ, unbelastet | 400 g | 400 g | 1200 g | 1200 g | 1400 g | 1400 g | 3200 g | 3200 g | 6900 g | 6900 g | 21500 g | 21500 g | ±5 % |
| Lagertyp | Luftlager mit Luft-Vorspannung | Luftlager mit Luft-Vorspannung | Luftlager mit Luft-Vorspannung | Luftlager mit Luft-Vorspannung | Luftlager mit Luft-Vorspannung | Luftlager mit Luft-Vorspannung | Luftlager mit Luft-Vorspannung | Luftlager mit Luft-Vorspannung | Luftlager mit Luft-Vorspannung | Luftlager mit Luft-Vorspannung | Luftlager mit Luft-Vorspannung | Luftlager mit Luft-Vorspannung | |
| Länge des Lagersitzes | 25 mm | 25 mm | 25 mm | 25 mm | 50 mm | 50 mm | 50 mm | 50 mm | 65 mm | 65 mm | 75 mm | 75 mm | |
| Gesamtmasse | 1200 g | 1200 g | 3100 g | 3100 g | 4500 g | 4500 g | 8600 g | 8600 g | 14000 g | 14000 g | 50000 g | 50000 g | ±5 % |
| Material | Aluminium, Edelstahl | Aluminium, Edelstahl | Aluminium, Edelstahl | Aluminium, Edelstahl | Aluminium, Edelstahl | Aluminium, Edelstahl | Aluminium, Edelstahl | Aluminium, Edelstahl | Aluminium, Edelstahl | Aluminium, Edelstahl | Aluminium, Edelstahl | Aluminium, Edelstahl | |
| Durchmesser Bewegungsplattform | 50 mm | 50 mm | 100 mm | 100 mm | 100 mm | 100 mm | 150 mm | 150 mm | 200 mm | 200 mm | 300 mm | 300 mm | |
| Anschlüsse und Umgebung | A-621.025A1 | A-621.025B1 | A-623.025A1 | A-623.025B1 | A-623.050A1 | A-623.050B1 | A-624.050A1 | A-624.050B1 | A-625.065A1 | A-625.065B1 | A-627.075A1 | A-627.075B1 | Toleranz |
| Betriebstemperaturbereich | 15 bis 25 °C | 15 bis 25 °C | 15 bis 25 °C | 15 bis 25 °C | 15 bis 25 °C | 15 bis 25 °C | 15 bis 25 °C | 15 bis 25 °C | 15 bis 25 °C | 15 bis 25 °C | 15 bis 25 °C | 15 bis 25 °C | |
| Anschluss | D-Sub 9W4 (m) | D-Sub 9W4 (m) | D-Sub 9W4 (m) | D-Sub 9W4 (m) | D-Sub 9W4 (m) | D-Sub 9W4 (m) | D-Sub 9W4 (m) | D-Sub 9W4 (m) | D-Sub 9W4 (m) | D-Sub 9W4 (m) | D-Sub 9W4 (m) | D-Sub 9W4 (m) | |
| Sensoranschluss | D-Sub 15 (m) | D-Sub 15 (m) | D-Sub 15 (m) | D-Sub 15 (m) | D-Sub 15 (m) | D-Sub 15 (m) | D-Sub 15 (m) | D-Sub 15 (m) | D-Sub 15 (m) | D-Sub 15 (m) | D-Sub 15 (m) | D-Sub 15 (m) | |
| Betriebsdruck | 515 bis 585 kPa | 515 bis 585 kPa | 515 bis 585 kPa | 515 bis 585 kPa | 515 bis 585 kPa | 515 bis 585 kPa | 515 bis 585 kPa | 515 bis 585 kPa | 515 bis 585 kPa | 515 bis 585 kPa | 515 bis 585 kPa | 515 bis 585 kPa | |
| Luftdurchsatz | 56 L/min | 56 L/min | 56 L/min | 56 L/min | 56 L/min | 56 L/min | 56 L/min | 56 L/min | 56 L/min | 56 L/min | 56 L/min | 56 L/min | max. |
| Luftqualität | Rein (gefiltert bis zu 1,0 μm oder besser) - ISO 8573–1 Klasse 1 ǀ Ölfrei - ISO 8573–1 Klasse 1 ǀ Trocken (-15 °C Taupunkt) - ISO 8573–1 Klasse 3 | Rein (gefiltert bis zu 1,0 μm oder besser) - ISO 8573–1 Klasse 1 ǀ Ölfrei - ISO 8573–1 Klasse 1 ǀ Trocken (-15 °C Taupunkt) - ISO 8573–1 Klasse 3 | Rein (gefiltert bis zu 1,0 μm oder besser) - ISO 8573–1 Klasse 1 ǀ Ölfrei - ISO 8573–1 Klasse 1 ǀ Trocken (-15 °C Taupunkt) - ISO 8573–1 Klasse 3 | Rein (gefiltert bis zu 1,0 μm oder besser) - ISO 8573–1 Klasse 1 ǀ Ölfrei - ISO 8573–1 Klasse 1 ǀ Trocken (-15 °C Taupunkt) - ISO 8573–1 Klasse 3 | Rein (gefiltert bis zu 1,0 μm oder besser) - ISO 8573–1 Klasse 1 ǀ Ölfrei - ISO 8573–1 Klasse 1 ǀ Trocken (-15 °C Taupunkt) - ISO 8573–1 Klasse 3 | Rein (gefiltert bis zu 1,0 μm oder besser) - ISO 8573–1 Klasse 1 ǀ Ölfrei - ISO 8573–1 Klasse 1 ǀ Trocken (-15 °C Taupunkt) - ISO 8573–1 Klasse 3 | Rein (gefiltert bis zu 1,0 μm oder besser) - ISO 8573–1 Klasse 1 ǀ Ölfrei - ISO 8573–1 Klasse 1 ǀ Trocken (-15 °C Taupunkt) - ISO 8573–1 Klasse 3 | Rein (gefiltert bis zu 1,0 μm oder besser) - ISO 8573–1 Klasse 1 ǀ Ölfrei - ISO 8573–1 Klasse 1 ǀ Trocken (-15 °C Taupunkt) - ISO 8573–1 Klasse 3 | Rein (gefiltert bis zu 1,0 μm oder besser) - ISO 8573–1 Klasse 1 ǀ Ölfrei - ISO 8573–1 Klasse 1 ǀ Trocken (-15 °C Taupunkt) - ISO 8573–1 Klasse 3 | Rein (gefiltert bis zu 1,0 μm oder besser) - ISO 8573–1 Klasse 1 ǀ Ölfrei - ISO 8573–1 Klasse 1 ǀ Trocken (-15 °C Taupunkt) - ISO 8573–1 Klasse 3 | Rein (gefiltert bis zu 1,0 μm oder besser) - ISO 8573–1 Klasse 1 ǀ Ölfrei - ISO 8573–1 Klasse 1 ǀ Trocken (-15 °C Taupunkt) - ISO 8573–1 Klasse 3 | Rein (gefiltert bis zu 1,0 μm oder besser) - ISO 8573–1 Klasse 1 ǀ Ölfrei - ISO 8573–1 Klasse 1 ǀ Trocken (-15 °C Taupunkt) - ISO 8573–1 Klasse 3 | |
| Empfohlene Controller/Treiber | A-81x, A-82x | A-81x, A-82x | A-81x, A-82x | A-81x, A-82x | A-81x, A-82x | A-81x, A-82x | A-81x, A-82x | A-81x, A-82x | A-81x, A-82x | A-81x, A-82x | A-81x, A-82x | A-81x, A-82x |
Technische Daten werden bei PI bei 22 ±3 °C spezifiziert. Die angegebenen Werte gelten im unbelasteten Zustand, wenn nicht anders angegeben. Teilweise sind Eigenschaften voneinander abhängig. Die Angabe "typ." kennzeichnet einen statistischen Mittelwert für eine Eigenschaft; sie gibt keinen garantierten Wert für jedes ausgelieferte Produkt an. Bei der Ausgangsprüfung eines Produkts werden nicht alle, sondern nur ausgewählte Eigenschaften geprüft. Beachten Sie, dass sich einige Produkteigenschaften mit zunehmender Betriebsdauer verschlechtern können.
Downloads
Produktmitteilung
Product Change Notification A-xxx.*C1
Datenblatt
Dokumentation
Benutzerhandbuch A-62x
Benutzerhandbuch A-62x
3-D-Modelle
A-62x 3D-Modell
Whitepaper
Luftlager: Wann sie in Ihrer Bewegungsapplikation verwendet und wann sie vermieden werden sollten
Nicht alle Positioniertische sind gleich aufgebaut. Autor: Matt Reck, PI
Angebot / Bestellung
Fordern Sie ein unverbindliches Angebot über gewünschte Stückzahlen, Preise und Lieferzeiten an oder beschreiben Sie Ihre gewünschte Modifikation.
PIglide RM Rotationstisch, Luftlager, 50 mm Durchmesser Bewegungsplattform, 25 mm Länge des Lagersitzes, absolutes Winkelmesssystem mit BiSS-C-Signalübertragung, 0,0015 µrad Sensorauflösung, nutenloser bürstenloser 3-Phasen-Torquemotor
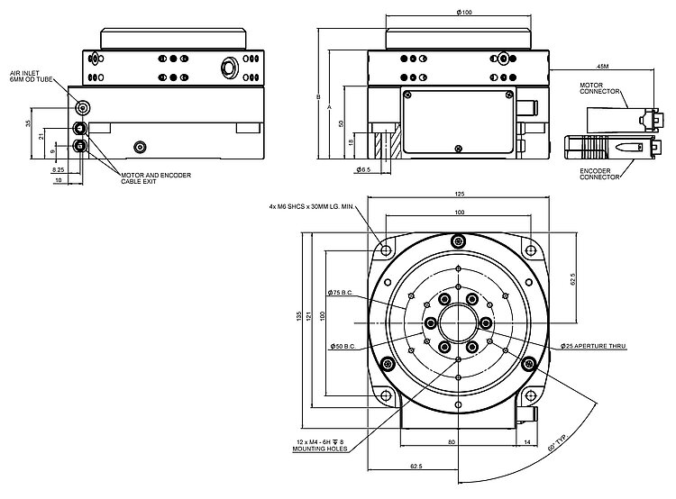
PIglide RM Rotationstisch, Luftlager, 100 mm Durchmesser Bewegungsplattform, 25 mm Länge des Lagersitzes, inkrementelles Winkelmesssystem mit sin/cos-Signalübertragung, 15744 Striche/Umdrehung, nutenloser bürstenloser 3-Phasen-Torquemotor
PIglide RM Rotationstisch, Luftlager, 100 mm Durchmesser Bewegungsplattform, 25 mm Länge des Lagersitzes, absolutes Winkelmesssystem mit BiSS-C-Signalübertragung, 0,0015 µrad Sensorauflösung, nutenloser bürstenloser 3-Phasen-Torquemotor
PIglide RM Rotationstisch, Luftlager, 100 mm Durchmesser Bewegungsplattform, 50 mm Länge des Lagersitzes, inkrementelles Winkelmesssystem mit sin/cos-Signalübertragung, 15744 Striche/Umdrehung, nutenloser bürstenloser 3-Phasen-Torquemotor
PIglide RM Rotationstisch, Luftlager, 100 mm Durchmesser Bewegungsplattform, 50 mm Länge des Lagersitzes, absolutes Winkelmesssystem mit BiSS-C-Signalübertragung, 0,0015 µrad Sensorauflösung, nutenloser bürstenloser 3-Phasen-Torquemotor
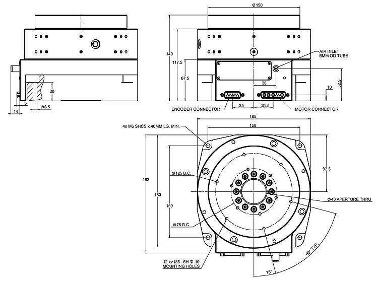
PIglide RM Rotationstisch, Luftlager, 150 mm Durchmesser Bewegungsplattform, 50 mm Länge des Lagersitzes, inkrementelles Winkelmesssystem mit sin/cos-Signalübertragung, 23600 Striche/Umdrehung, nutenloser bürstenloser 3-Phasen-Torquemotor
PIglide RM Rotationstisch, Luftlager, 150 mm Durchmesser Bewegungsplattform, 50 mm Länge des Lagersitzes, absolutes Winkelmesssystem mit BiSS-C-Signalübertragung, 0,0015 µrad Sensorauflösung, nutenloser bürstenloser 3-Phasen-Torquemotor
PIglide RM Rotationstisch, Luftlager, 200 mm Durchmesser Bewegungsplattform, 65 mm Länge des Lagersitzes, inkrementelles Winkelmesssystem mit sin/cos-Signalübertragung, 31488 Striche/Umdrehung, nutenloser bürstenloser 3-Phasen-Torquemotor
PIglide RM Rotationstisch, Luftlager, 200 mm Durchmesser Bewegungsplattform, 65 mm Länge des Lagersitzes, absolutes Winkelmesssystem mit BiSS-C-Signalübertragung, 0,0015 µrad Sensorauflösung, nutenloser bürstenloser 3-Phasen-Torquemotor
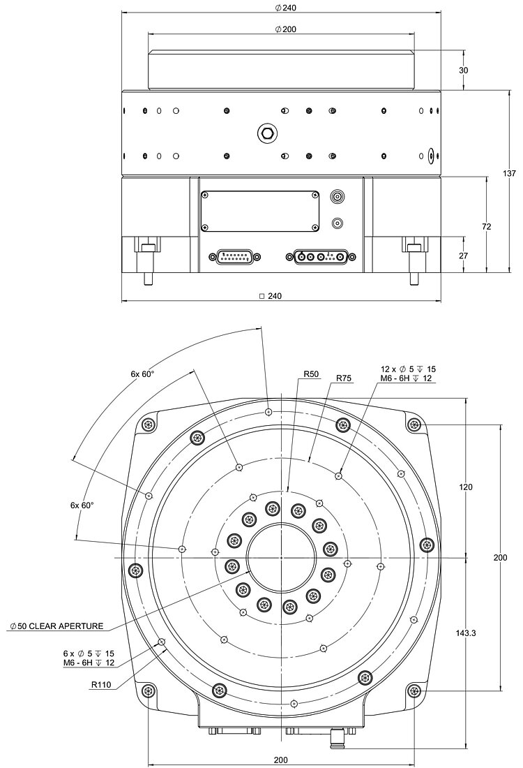
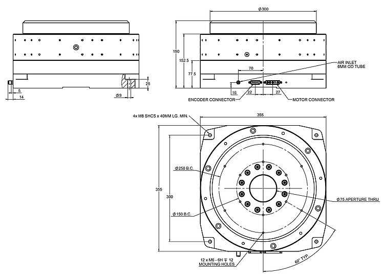
PIglide RM Rotationstisch, Luftlager, 300 mm Durchmesser Bewegungsplattform, 75 mm Länge des Lagersitzes, inkrementelles Winkelmesssystem mit sin/cos-Signalübertragung, 47200 Striche/Umdrehung, nutenloser bürstenloser 3-Phasen-Torquemotor
PIglide RM Rotationstisch, Luftlager, 300 mm Durchmesser Bewegungsplattform, 75 mm Länge des Lagersitzes, absolutes Winkelmesssystem mit BiSS-C-Signalübertragung, 0,0015 µrad Sensorauflösung, nutenloser bürstenloser 3-Phasen-Torquemotor
Angebot anfordern
Fragen Sie den Fachmann!
Erhalten Sie innerhalb kürzester Zeit per E-Mail oder Telefon eine Rückmeldung zu Ihren Fragen von einem PI Vertriebsingenieur.
Technologie

PIglide Luftlager-Technologie
Der Magnetantrieb kann eine luftgelagerte bewegte Plattform innerhalb weniger Nanometer linear oder weniger Bogensekunden rotatorisch positionieren.

Magnetische Direktantriebe
Magnetische Direktantriebe bieten vor allem hinsichtlich Verschleiß und Dynamik Vorteile gegenüber klassischen spindelbasierten Lösungen.


























