Hochauflösender Linearaktor mit DC- oder Schrittmotor; DC-Getriebemotor; 10 mm Stellweg; 70 N Vorschubkraft; 0,8 mm/s maximale Geschwindigkeit; Trapezgewindespindel; Inkrementeller Rotationsencoder, 2048 Impulse/U Sensorauflösung; Endschalter: Hall-Effekt; 0,5 m Kabellänge
M-230 Hochauflösender Linearaktor mit DC- oder Schrittmotor
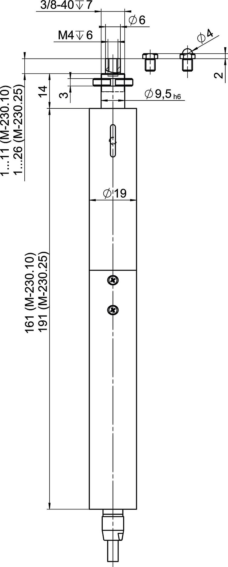
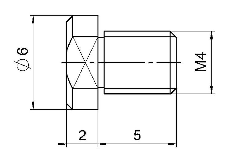
Nichtdrehendes Kopfstück, Endschalter
- Nichtdrehendes Kopfstück: Vermeidung der Übertragung von Rundlauffehlern auf den Kontaktpunkt
- Höchste Präzision: Minimale Inkrementalschritte von 50 nm, unidirektionale Wiederholgenauigkeit ±0,1 µm
- Richtungserkennender Referenzschalter: Zeitersparnis bei der Referenzierungsfahrt, Möglichkeit der anwendungsabhängigen Referenzierung zur Vermeidung von Kollisionen
- Einfach zu steuernde Varianten mit Schrittmotor
Übersicht
Stellwege von 10 mm und 25 mm, kleinste Schrittweite 0,05 µm, Geschwindigkeit bis 1,2 mm/s, MTBF >20000 h
Linearantrieb der Präzisionsklasse
Hochauflösender Linearaktor. Positionsgeregelte DC-Motoren mit Getriebe und hochauflösenden Rotationsencodern ermöglichen eine Schrittweite und Wiederholgenauigkeit von nur 100 nm. Leistungsstarke und vibrationsarme 2-Phasen-Schrittmotoren mit Getriebe ermöglichen präzise Positionierung auch ohne Positionsregelung.
Hochwertige Komponenten
Extrem reibungsarme und spielfreie Konstruktion. Nichtdrehendes Kopfstück für gleichförmige Bewegung vermeidet Taumelfehler, Drehmomente und Verschleiß am Kontaktpunkt. Inkl. Flach- und Kugelkopfstück zur Entkopplung von Kräften. Kontaktlose Endschalter schützen die Mechanik. Positionsgeregelte Varianten mit differentiellem Encodertreiber im Stecker für die sichere Signalübertragung über bis zu 10 m.
Einsatzgebiete
Präzisionsjustage, motorisierter Ersatz für Mikrometerschrauben.
Spezifikationen
Spezifikationen
| Bewegen | M-230.10 | M-230.25 | M-230.10S | M-230.25S | Toleranz |
|---|---|---|---|---|---|
| Aktive Achsen | X | X | X | X | |
| Stellweg in X | 10 mm | 25 mm | 10 mm | 25 mm | |
| Maximale Geschwindigkeit in X, unbelastet | 0,8 mm/s | 0,8 mm/s | 1,2 mm/s | 1,2 mm/s | |
| Positionieren | M-230.10 | M-230.25 | M-230.10S | M-230.25S | Toleranz |
| Kleinste Schrittweite in X | 0,05 µm | 0,05 µm | 0,1 µm | 0,1 µm | typ. |
| Unidirektionale Wiederholgenauigkeit in X | ± 0,1 µm | ± 0,1 µm | ± 0,1 µm | ± 0,1 µm | typ. |
| Umkehrspiel in X | 2 µm | 2 µm | 2 µm | 2 µm | typ. |
| Referenzschalter | Hall-Effekt | Hall-Effekt | Hall-Effekt | Hall-Effekt | |
| Wiederholgenauigkeit des Referenzschalters | 1 µm | 1 µm | 1 µm | 1 µm | |
| Endschalter | Hall-Effekt | Hall-Effekt | Hall-Effekt | Hall-Effekt | |
| Integrierter Sensor | Inkrementeller Rotationsencoder | Inkrementeller Rotationsencoder | — | — | |
| Sensorauflösung | 2048 Impulse/U | 2048 Impulse/U | — | — | |
| Antriebseigenschaften | M-230.10 | M-230.25 | M-230.10S | M-230.25S | Toleranz |
| Antriebstyp | DC-Getriebemotor | DC-Getriebemotor | 2-Phasen-Schrittmotor mit Getriebe | 2-Phasen-Schrittmotor mit Getriebe | |
| Nennspannung | 12 V | 12 V | — | — | |
| Nennstrom, effektiv | 0,28 A | 0,28 A | — | — | typ. |
| Spitzenstrom, effektiv | 0,83 A | 0,83 A | — | — | typ. |
| Spitzenstrom, Zeitbegrenzung | 3 s | 3 s | — | — | |
| Maximale Leistungsaufnahme | 10,01 W | 10,01 W | — | — | |
| Antriebskraft in X | 70 N | 70 N | 45 N | 45 N | typ. |
| Drehmomentkonstante | 0,0115 N·m/A | 0,0115 N·m/A | — | — | typ. |
| Widerstand Phase-Phase | 19,8 Ω | 19,8 Ω | — | — | typ. |
| Induktivität Phase-Phase | 0,42 mH | 0,42 mH | — | — | |
| Gegen-EMK, rotatorisch | 1,208 V/kRPM | 1,208 V/kRPM | — | — | max. |
| Polpaarzahl | 1 | 1 | — | — | |
| Betriebsspannung | — | — | 24 V | 24 V | |
| Motorauflösung | — | — | 24 Vollschritte/U | 24 Vollschritte/U | |
| Mechanische Eigenschaften | M-230.10 | M-230.25 | M-230.10S | M-230.25S | Toleranz |
| Zulässige Druckkraft in Y | 30 N | 20 N | 30 N | 20 N | max. |
| Spindeltyp | Trapezgewindespindel | Trapezgewindespindel | Trapezgewindespindel | Trapezgewindespindel | |
| Spindelsteigung | 0,4 mm | 0,4 mm | 0,4 mm | 0,4 mm | |
| Getriebeuntersetzung i | 42,92063 : 1 | 42,92063 : 1 | 28,44444 : 1 | 28,44444 : 1 | |
| Gesamtmasse | 300 g | 350 g | 300 g | 350 g | |
| Material | Aluminium eloxiert, Chromstahl, Messing | Aluminium eloxiert, Chromstahl, Messing | Aluminium eloxiert, Chromstahl, Messing | Aluminium eloxiert, Chromstahl, Messing | |
| Anschlüsse und Umgebung | M-230.10 | M-230.25 | M-230.10S | M-230.25S | Toleranz |
| Betriebstemperaturbereich | -20 bis 65 °C | -20 bis 65 °C | -20 bis 65 °C | -20 bis 65 °C | |
| Anschluss | D-Sub 15 (m) | D-Sub 15 (m) | D-Sub 15 (m) | D-Sub 15 (m) | |
| Kabellänge | 0,5 m | 0,5 m | 0,5 m | 0,5 m | |
| Empfohlene Controller/Treiber | C-863.12 C-885 mit C-863.20C885 C-884 | C-863.12 C-885 mit C-863.20C885 C-884 | C-663.12 C-885 mit C-663.12C885 | C-663.12 C-885 mit C-663.12C885 |
Technische Daten werden bei PI bei 22 ±3 °C spezifiziert. Die angegebenen Werte gelten im unbelasteten Zustand, wenn nicht anders angegeben. Teilweise sind Eigenschaften voneinander abhängig. Die Angabe "typ." kennzeichnet einen statistischen Mittelwert für eine Eigenschaft; sie gibt keinen garantierten Wert für jedes ausgelieferte Produkt an. Bei der Ausgangsprüfung eines Produkts werden nicht alle, sondern nur ausgewählte Eigenschaften geprüft. Beachten Sie, dass sich einige Produkteigenschaften mit zunehmender Betriebsdauer verschlechtern können.
Downloads
Produktmitteilung
Product Change Notification Lable Change M-products
Product Change Notification M-Portfolio Streamlining 2
M-227.10S, M-230.10V, M-230.25V, M-232.17S, M-235.22S, M-235.2VD, M-235.2VG, M-235.52S, M-235.5VD, M-235.5VG
Datenblatt
Dokumentation
Kurzanleitung MP122EK
Linearaktoren: M-168 / M-22x / M-23x
Benutzerhandbuch MP102
M-230 Hochauflösender Linearaktor
3-D-Modelle
M-230 3D-Modell
Angebot / Bestellung
Fordern Sie ein unverbindliches Angebot über gewünschte Stückzahlen, Preise und Lieferzeiten an oder beschreiben Sie Ihre gewünschte Modifikation.
Hochauflösender Linearaktor mit DC- oder Schrittmotor; DC-Getriebemotor; 25 mm Stellweg; 70 N Vorschubkraft; 0,8 mm/s maximale Geschwindigkeit; Trapezgewindespindel; Inkrementeller Rotationsencoder, 2048 Impulse/U Sensorauflösung; Endschalter: Hall-Effekt; 0,5 m Kabellänge
Hochauflösender Linearaktor mit DC- oder Schrittmotor; 2-Phasen-Schrittmotor mit Getriebe; 10 mm Stellweg; 45 N Vorschubkraft; 1,2 mm/s maximale Geschwindigkeit; Trapezgewindespindel; Endschalter: Hall-Effekt; 0,5 m Kabellänge
Hochauflösender Linearaktor mit DC- oder Schrittmotor; 2-Phasen-Schrittmotor mit Getriebe; 25 mm Stellweg; 45 N Vorschubkraft; 1,2 mm/s maximale Geschwindigkeit; Trapezgewindespindel; Endschalter: Hall-Effekt; 0,5 m Kabellänge
Angebot anfordern
Fragen Sie den Fachmann!
Erhalten Sie innerhalb kürzester Zeit per E-Mail oder Telefon eine Rückmeldung zu Ihren Fragen von einem PI Vertriebsingenieur.
Quote / Order
Ask for a free quote on quantities required, prices, and lead times or describe your desired modification.
Hochauflösender Linearaktor mit DC- oder Schrittmotor; DC-Getriebemotor; 10 mm Stellweg; 70 N Vorschubkraft; 0,8 mm/s maximale Geschwindigkeit; Trapezgewindespindel; Inkrementeller Rotationsencoder, 2048 Impulse/U Sensorauflösung; Endschalter: Hall-Effekt; 0,5 m Kabellänge
Hochauflösender Linearaktor mit DC- oder Schrittmotor; DC-Getriebemotor; 25 mm Stellweg; 70 N Vorschubkraft; 0,8 mm/s maximale Geschwindigkeit; Trapezgewindespindel; Inkrementeller Rotationsencoder, 2048 Impulse/U Sensorauflösung; Endschalter: Hall-Effekt; 0,5 m Kabellänge
Hochauflösender Linearaktor mit DC- oder Schrittmotor; 2-Phasen-Schrittmotor mit Getriebe; 10 mm Stellweg; 45 N Vorschubkraft; 1,2 mm/s maximale Geschwindigkeit; Trapezgewindespindel; Endschalter: Hall-Effekt; 0,5 m Kabellänge
Hochauflösender Linearaktor mit DC- oder Schrittmotor; 2-Phasen-Schrittmotor mit Getriebe; 25 mm Stellweg; 45 N Vorschubkraft; 1,2 mm/s maximale Geschwindigkeit; Trapezgewindespindel; Endschalter: Hall-Effekt; 0,5 m Kabellänge
















