Hochauflösender Linearaktor mit DC-Motor; DC-Getriebemotor; 10 mm Stellweg; 40 N Vorschubkraft; 0,75 mm/s maximale Geschwindigkeit; Trapezgewindespindel; Inkrementeller Rotationsencoder, 2048 Impulse/U Sensorauflösung; 0,1 m Kabellänge
M-227 Hochauflösender Linearaktor mit DC-Motor
Mit optionalem Piezoantrieb
- Kleinste Schrittweite 0,05 µm
- Nichtdrehendes Kopfstück
- Sub-nm-Auflösung mit optionalem Piezoantrieb
Kompakter Linearantrieb der Präzisionsklasse
Hochauflösende DC-Mike mit geregelten DC-Motoren mit Getriebe und Rotationsencoder. Zum Einbau in Mechaniken mit externen Endschaltern.
Hochwertige Komponenten
Nichtdrehendes Kopfstück für gleichförmige Bewegung vermeidet Taumelfehler, Drehmomente und Verschleiß am Kontaktpunkt. Inkl. Flachkopfstück zur Entkopplung von Kräften. Mit differentiellem Encodertreiber im Stecker für die sichere Signalübertragung über bis zu 10 m
Einsatzgebiete
OEM, Justage, Set-and-Forget
Spezifikationen
Spezifikationen
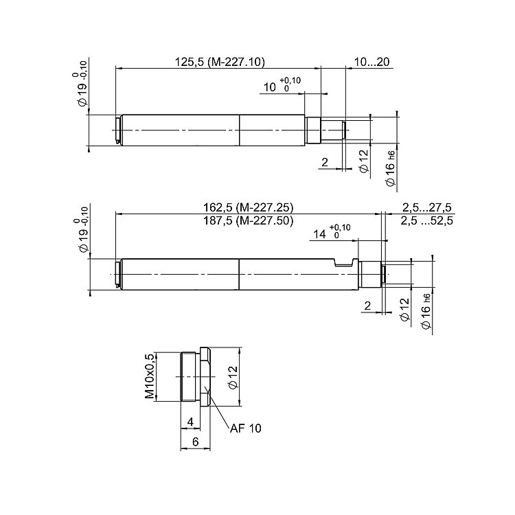
| Bewegen | M-227.10 | M-227.25 | M-227.50 | Toleranz |
|---|---|---|---|---|
| Aktive Achsen | X | X | X | |
| Stellweg in X | 10 mm | 25 mm | 50 mm | |
| Maximale Geschwindigkeit in X, unbelastet | 0,75 mm/s | 0,75 mm/s | 0,75 mm/s | |
| Positionieren | M-227.10 | M-227.25 | M-227.50 | Toleranz |
| Kleinste Schrittweite in X | 0,05 µm | 0,05 µm | 0,05 µm | typ. |
| Unidirektionale Wiederholgenauigkeit in X | ± 0,1 µm | ± 0,1 µm | ± 0,1 µm | typ. |
| Umkehrspiel in X | 10 µm | 10 µm | 10 µm | typ. |
| Referenzschalter | Encoder-Index | Encoder-Index | Encoder-Index | |
| Integrierter Sensor | Inkrementeller Rotationsencoder | Inkrementeller Rotationsencoder | Inkrementeller Rotationsencoder | |
| Sensorauflösung | 2048 Impulse/U | 2048 Impulse/U | 2048 Impulse/U | |
| Antriebseigenschaften | M-227.10 | M-227.25 | M-227.50 | Toleranz |
| Antriebstyp | DC-Getriebemotor | DC-Getriebemotor | DC-Getriebemotor | |
| Betriebsspannung | 0 bis ±12 V | 0 bis ±12 V | 0 bis ±12 V | |
| Antriebskraft in X | 40 N | 40 N | 40 N | typ. |
| Mechanische Eigenschaften | M-227.10 | M-227.25 | M-227.50 | Toleranz |
| Zulässige Druckkraft in Y | 0,1 N | 0,1 N | 0,1 N | max. |
| Spindeltyp | Trapezgewindespindel | Trapezgewindespindel | Trapezgewindespindel | |
| Spindelsteigung | 0,5 mm | 0,5 mm | 0,5 mm | |
| Getriebeuntersetzung i | 69,12 : 1 | 69,12 : 1 | 69,12 : 1 | |
| Gesamtmasse | 160 g | 220 g | 260 g | |
| Material | Aluminium eloxiert, Chromstahl | Aluminium eloxiert, Chromstahl | Aluminium eloxiert, Chromstahl | |
| Anschlüsse und Umgebung | M-227.10 | M-227.25 | M-227.50 | Toleranz |
| Betriebstemperaturbereich | -20 bis 65 °C | -20 bis 65 °C | -20 bis 65 °C | |
| Anschluss | D-Sub 15-polig (m) | D-Sub 15-polig (m) | D-Sub 15-polig (m) | |
| Kabellänge | 0,1 m | 0,1 m | 0,1 m | |
| Empfohlene Controller / Treiber | C-863.12 C-885 mit C-863.20C885 C-884 | C-863.12 C-885 mit C-863.20C885 C-884 | C-863.12 C-885 mit C-863.20C885 C-884 |
Hinweis zu Antriebskraft: Höhere Kräfte auf Anfrage
Downloads
Produktmitteilung
Product Change Notification Lable Change M-products
Product Change Notification M-Portfolio Streamlining 2
M-227.10S, M-230.10V, M-230.25V, M-232.17S, M-235.22S, M-235.2VD, M-235.2VG, M-235.52S, M-235.5VD, M-235.5VG
Datenblatt
Dokumentation
Kurzanleitung MP122EK
Linearaktoren: M-168 / M-22x / M-23x
Benutzerhandbuch MP40
M-227 High-Resolution Linear Actuator with DC Motor
3-D-Modelle
M-227 3D-Modell
Angebot / Bestellung
Fordern Sie ein unverbindliches Angebot über gewünschte Stückzahlen, Preise und Lieferzeiten an oder beschreiben Sie Ihre gewünschte Modifikation.
Hochauflösender Linearaktor mit DC-Motor; DC-Getriebemotor; 25 mm Stellweg; 40 N Vorschubkraft; 0,75 mm/s maximale Geschwindigkeit; Trapezgewindespindel; Inkrementeller Rotationsencoder, 2048 Impulse/U Sensorauflösung; 0,1 m Kabellänge
Hochauflösender Linearaktor mit DC-Motor; DC-Getriebemotor; 50 mm Stellweg; 40 N Vorschubkraft; 0,75 mm/s maximale Geschwindigkeit; Trapezgewindespindel; Inkrementeller Rotationsencoder, 2048 Impulse/U Sensorauflösung; 0,1 m Kabellänge
Angebot anfordern
Fragen Sie den Fachmann!
Erhalten Sie innerhalb kürzester Zeit per E-Mail oder Telefon eine Rückmeldung zu Ihren Fragen von einem PI Vertriebsingenieur.











