Linearer Piezopositionierer; 120 µm Stellweg (ungeregelt); LEMO-Stecker; 1,5 m Kabellänge
P-611.1 Linearer Piezopositionierer
Kompakter und preisgünstiger Lineartisch
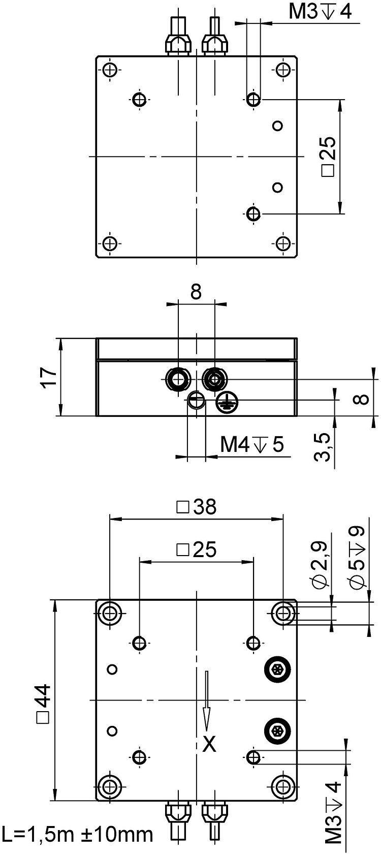
- Kompakte Bauform: Grundfläche 44 mm × 44 mm
- Stellweg 120 µm
- Auflösung bis 0,2 nm
- Besonders kostengünstige Systeme (Mechanik und Controller)
- Überlegene Lebensdauer dank PICMA® Piezoaktoren
- Auch als Hubtisch, XY-, XZ- und XYZ-Version erhältlich
Einsatzgebiete
- Mikroskopie
- Nanopositionierung
- Biotechnologie
- Testanwendungen
- Halbleitertechnik
- Photonik
- Faserpositionierung
Überragende Lebensdauer dank PICMA® Piezoaktoren
Die PICMA® Piezoaktoren sind vollkeramisch isoliert. Dies schützt sie vor Luftfeuchtigkeit und Ausfällen durch erhöhten Leckstrom. PICMA® Aktoren bieten eine bis zu zehnmal höhere Lebensdauer als konventionelle polymerisolierte Aktoren. 100 Milliarden Zyklen ohne einen einzigen Ausfall sind erwiesen.
Spezifikationen
Spezifikationen
| Bewegen | P-611.10 | P-611.1S | Toleranz |
|---|---|---|---|
| Aktive Achsen | X | X | |
| Stellweg in X, ungeregelt, bei -20 bis 120 V | 120 µm | 120 µm | +20 / -0 % |
| Ebenheit (Lineares Übersprechen in Z bei Bewegung in X) | 10 nm | 10 nm | typ. |
| Neigen (Rotatorisches Übersprechen in θY bei Bewegung in X) | ± 5 µrad | ± 5 µrad | typ. |
| Gieren (Rotatorisches Übersprechen in θZ bei Bewegung in X) | ± 20 µrad | ± 20 µrad | typ. |
| Stellweg in X | 100 µm | ||
| Linearitätsabweichung in X | 0,1 % | typ. | |
| Positionieren | P-611.10 | P-611.1S | Toleranz |
| Unidirektionale Wiederholgenauigkeit in X | ± 10 nm | ± 10 nm | typ. |
| Auflösung in X, ungeregelt | 0,2 nm | 0,2 nm | typ. |
| Integrierter Sensor | DMS, indirekte Positionsmessung | ||
| Systemauflösung in X | 2 nm | ||
| Antriebseigenschaften | P-611.10 | P-611.1S | Toleranz |
| Antriebstyp | PICMA® | PICMA® | |
| Elektrische Kapazität in X | 1,5 µF | 1,5 µF | ±20 % |
| Mechanische Eigenschaften | P-611.10 | P-611.1S | Toleranz |
| Steifigkeit in X | 0,2 N/µm | 0,2 N/µm | ±20 % |
| Resonanzfrequenz in X, unbelastet | 400 Hz | 400 Hz | ±20 % |
| Resonanzfrequenz in X, belastet mit 30 g | 300 Hz | 300 Hz | ±20 % |
| Resonanzfrequenz in X, belastet mit 100 g | 195 Hz | 195 Hz | ±20 % |
| Zulässige Druckkraft in X | 15 N | 15 N | max. |
| Zulässige Druckkraft in Z | 15 N | 15 N | max. |
| Zulässige Zugkraft in X | 10 N | 10 N | max. |
| Führung | Festkörpergelenksführung mit Hebelübersetzung | Festkörpergelenksführung mit Hebelübersetzung | |
| Gesamtmasse | 135 g | 135 g | ±5 % |
| Material | Aluminium, Stahl | Aluminium, Stahl | |
| Anschlüsse und Umgebung | P-611.10 | P-611.1S | Toleranz |
| Betriebstemperaturbereich | -20 bis 80 °C | -20 bis 80 °C | |
| Anschluss | LEMO FFS.00.250.CTCE24 | LEMO FFS.00.250.CTCE24 | |
| Kabellänge | 1,5 m | 1,5 m | ±10 mm |
| Empfohlene Controller / Treiber | E-503, E-505, E-610, E-621, E-625, E-665, E-836 | E-503, E-505, E-610, E-621, E-625, E-665, E-836 | |
| Sensoranschluss | LEMO FFA.0S.304.CLAC32 |
Die Auflösung des Systems wird nur vom Rauschen des Verstärkers und der Messtechnik begrenzt, da PI-Piezo-Nanopositioniersysteme reibungsfrei arbeiten.
Downloads
Produktmitteilung
Product Change Notification Piezo Actuator Driven Products
Datenblatt
Dokumentation
Benutzerhandbuch PZ253
P-611 Nanopositioniersysteme mit DMS-Sensor / ohne Sensor
Auspackanweisung P611T0006
Auspacken und Handhabung von P-611 Positionierern
3-D-Modelle
P-611.1x 3D-Modell
Angebot / Bestellung
Fordern Sie ein unverbindliches Angebot über gewünschte Stückzahlen, Preise und Lieferzeiten an oder beschreiben Sie Ihre gewünschte Modifikation.
Linearer Piezopositionierer; 100 µm Stellweg; DMS, indirekte Positionsmessung; LEMO-Stecker; 1,5 m Kabellänge
Angebot anfordern
Fragen Sie den Fachmann!
Erhalten Sie innerhalb kürzester Zeit per E-Mail oder Telefon eine Rückmeldung zu Ihren Fragen von einem PI Vertriebsingenieur.























