Präziser PIHera Linear-Nanopositionierer, 100 µm, direkte Positionsmessung, kapazitiver Sensor, D-Sub-Stecker, vakuumkompatibel bis 10-9 hPa
P-621.1U • P-625.1U PIHera Linearer Präzisionspositionierer
Vakuumkompatibel und variabel in Stellweg und Achskonfiguration
- Stellwege 100 bis 500 µm (600 µm ungeregelt)
- Auflösung bis 0,2 nm
- Linearitätsabweichung ≤0,03 %
- XY-Kombination möglich
- UHV-kompatibel bis 10-9 hPa




Einsatzgebiete
- Interferometrie
- Mikroskopie
- Nanopositionierung
- Biotechnologie
- Testanwendungen
- Halbleitertechnik
- Photonik
- Faserpositionierung
Geeignet für anspruchsvolle Vakuumanwendungen
Alle Komponenten, die in Piezosystemen Verwendung finden, sind hervorragend für den Einsatz im Vakuum geeignet. Zum Betrieb sind keine Schmiermittel oder Fette erforderlich. Polymerfreie Piezosysteme erlauben besonders niedrige Ausgasraten.
Überragende Lebensdauer dank PICMA® Piezoaktoren
Die PICMA® Piezoaktoren sind vollkeramisch isoliert. Dies schützt sie vor Luftfeuchtigkeit und Ausfällen durch erhöhten Leckstrom. PICMA® Aktoren bieten eine bis zu zehnmal höhere Lebensdauer als konventionelle polymerisolierte Aktoren. 100 Milliarden Zyklen ohne einen einzigen Ausfall sind erwiesen.
Sub-Nanometer-Auflösung mit kapazitiven Sensoren
Kapazitive Sensoren messen kontaktfrei mit Sub-Nanometer-Auflösung. Sie garantieren eine herausragende Linearität der Bewegung, eine hohe Langzeitstabilität und eine Bandbreite im kHz-Bereich.
Hohe Führungsgenauigkeit durch spielfreie Festkörpergelenkführungen
Festkörpergelenkführungen sind wartungs-, reibungs- und verschleißfrei und benötigen keine Schmierstoffe. Ihre Steifigkeit macht sie hoch belastbar und unempfindlich gegen Schockbelastungen und Vibrationen. Sie arbeiten in einem weiten Temperaturbereich.
Höchste Genauigkeit durch direkte Positionsmessung
Bewegungen werden direkt an der Bewegungsplattform ohne Beeinflussung durch Antriebs- oder Führungselemente gemessen. Dies ermöglicht eine optimale Wiederholgenauigkeit, eine hervorragende Stabilität und eine steife, schnell ansprechende Regelung.
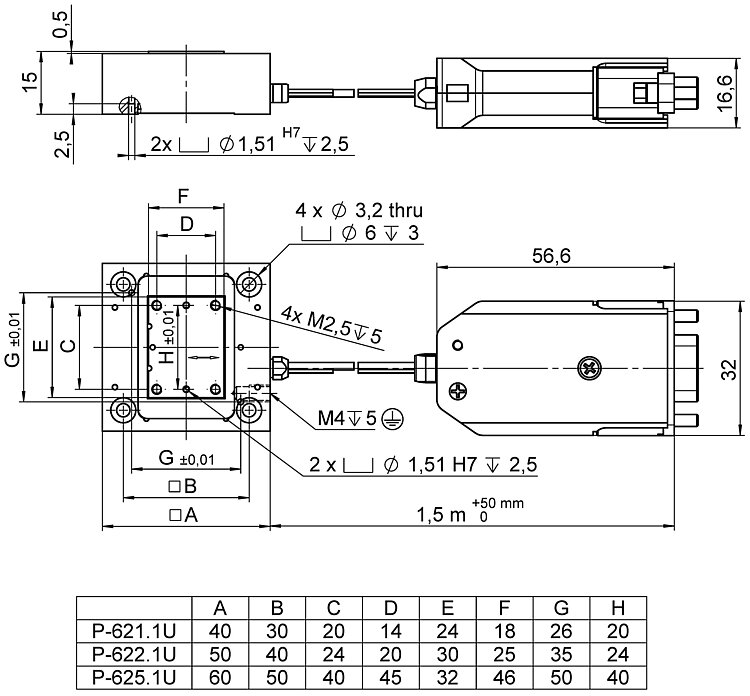
Spezifikationen
Spezifikationen
| Bewegen | P-621.1U | P-622.1U | P-625.1U | Toleranz |
|---|---|---|---|---|
| Aktive Achsen | X | X | X | |
| Stellweg in X | 100 µm | 250 µm | 500 µm | |
| Stellweg in X, ungeregelt | 120 µm | 300 µm | 600 µm | ±20 % |
| Linearitätsabweichung in X | 0,02 % | 0,02 % | 0,03 % | typ. |
| Neigen (Rotatorisches Übersprechen in θY bei Bewegung in X) | ± 3 µrad | ± 3 µrad | ± 6 µrad | typ. |
| Gieren (Rotatorisches Übersprechen in θZ bei Bewegung in X) | ± 3 µrad | ± 3 µrad | ± 6 µrad | typ. |
| Positionieren | P-621.1U | P-622.1U | P-625.1U | Toleranz |
| Bidirektionale Wiederholgenauigkeit in X | 1 nm | 1 nm | 5 nm | typ. |
| Auflösung in X, ungeregelt | 0,2 nm | 0,4 nm | 0,5 nm | typ. |
| Integrierter Sensor | Kapazitiv, direkte Positionsmessung | Kapazitiv, direkte Positionsmessung | Kapazitiv, direkte Positionsmessung | |
| Systemauflösung in X | 0,4 nm | 0,7 nm | 1,4 nm | |
| Antriebseigenschaften | P-621.1U | P-622.1U | P-625.1U | Toleranz |
| Antriebstyp | PICMA® | PICMA® | PICMA® | |
| Maximale Leistungsaufnahme | 9 W | 9 W | 10 W | |
| Elektrische Kapazität in X | 1,5 µF | 3,1 µF | 6,2 µF | ±20 % |
| Maximale Betriebsfrequenz kurzzeitig | 267 Hz | 133 Hz | 72 Hz | |
| Mechanische Eigenschaften | P-621.1U | P-622.1U | P-625.1U | Toleranz |
| Steifigkeit in X | 0,35 N/µm | 0,2 N/µm | 0,1 N/µm | ±20 % |
| Resonanzfrequenz in X, unbelastet | 800 Hz | 400 Hz | 215 Hz | ±20 % |
| Resonanzfrequenz in X, belastet mit 20 g | 520 Hz | 340 Hz | 180 Hz | ±20 % |
| Resonanzfrequenz in X, belastet mit 120 g | 240 Hz | 185 Hz | 110 Hz | ±20 % |
| Zulässige Druckkraft in X | 10 N | 10 N | 10 N | max. |
| Zulässige Druckkraft in Y | 10 N | 10 N | 10 N | max. |
| Zulässige Druckkraft in Z | 10 N | 10 N | 10 N | max. |
| Zulässige Zugkraft in X | 10 N | 10 N | 10 N | max. |
| Führung | Festkörpergelenksführung mit Hebelübersetzung | Festkörpergelenksführung mit Hebelübersetzung | Festkörpergelenksführung mit Hebelübersetzung | |
| Gesamtmasse | 160 g | 200 g | 240 g | |
| Material | Aluminium | Aluminium | Aluminium | |
| Anschlüsse und Umgebung | P-621.1U | P-622.1U | P-625.1U | Toleranz |
| Betriebstemperaturbereich | -20 bis 80 °C | -20 bis 80 °C | -20 bis 80 °C | |
| Vakuumklasse | 10⁻⁹ hPa | 10⁻⁹ hPa | 10⁻⁹ hPa | |
| Anschluss | D-Sub 5W1 (w) | D-Sub 5W1 (w) | D-Sub 5W1 (w) | |
| Kabellänge | 1,5 m | 1,5 m | 1,5 m | |
| Empfohlene Controller / Treiber | E-503, E-505, E-610, E-621, E-625, E-665, E-709, E-754 | E-503, E-505, E-610, E-621, E-625, E-665, E-709, E-754 | E-503, E-505, E-610, E-621, E-625, E-665, E-709, E-754 |
Die Auflösung des Systems wird nur vom Rauschen des Verstärkers und der Messtechnik begrenzt, da PI-Piezo-Nanopositioniersysteme reibungsfrei arbeiten.
Alle Angaben beziehen sich auf Raumtemperatur (22 °C ±3 °C).
Downloads
Datenblatt
Dokumentation
Benutzerhandbuch PZ234
P-620, P-621, P-622, P-625, P-628, P-629 PIHera Piezotische mit kapazitiven Sensoren
3-D-Modelle
P-62x.1 STEP
Angebot / Bestellung
Fordern Sie ein unverbindliches Angebot über gewünschte Stückzahlen, Preise und Lieferzeiten an oder beschreiben Sie Ihre gewünschte Modifikation.
Präziser PIHera Linear-Nanopositionierer, 250 µm, direkte Positionsmessung, kapazitiver Sensor, D-Sub-Stecker, vakuumkompatibel bis 10-9 hPa
Präziser PIHera Linear-Nanopositionierer, 500 µm, direkte Positionsmessung, kapazitiver Sensor, D-Sub-Stecker, vakuumkompatibel bis 10-9 hPa
Angebot anfordern
Fragen Sie den Fachmann!
Erhalten Sie innerhalb kürzester Zeit per E-Mail oder Telefon eine Rückmeldung zu Ihren Fragen von einem PI Vertriebsingenieur.
Technologie

PICMA® Technologie
Hohe Zuverlässigkeit und überlegene Lebensdauer durch das patentierte Herstellungsverfahren für Multilayer-Aktoren.

Vakuum
Sorgfältige Handhabung und adäquate Räumlichkeiten: PI verfügt nicht nur über die Ausstattung zur Qualifizierung von Materialien, Komponenten und Endprodukten, sondern auch über langjährige Erfahrung im Bereich der HV- und UHV-Positioniersysteme.

Flexure Festkörpergelenke
Festkörpergelenksführungen von PI führen den Piezoaktor und dienen der geradlinigen Bewegung ohne Verkippung oder seitlichen Versatz.

Kapazitive Sensoren
Präzision und Reproduzierbarkeit sind undenkbar ohne Einsätze höchstauflösender Messverfahren. Hier bieten kapazitive Sensoren die besten Ergebnisse.





















