Piezo-Nanopositionierer; 75 µm Stellweg; kapazitiv, direkte Positionsmessung; LEMO-Stecker; 1 m Kabellänge
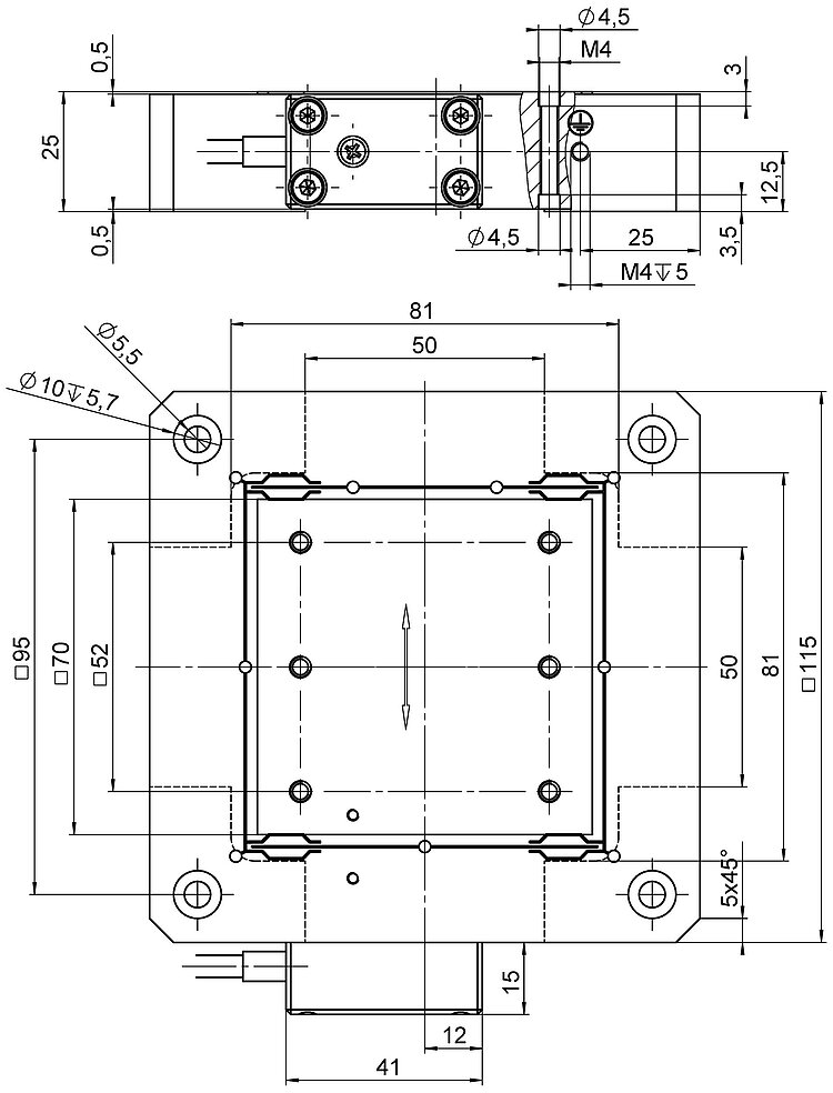
P-750 Piezo-Nanopositionierer
Hochlast-Nanopositionierer mit Piezoantrieb und direkter Positionsmessung
- Spielfreie, hochgenaue Festkörpergelenkführungen
- Belastbarkeit 5 bis 10 kg (je nach Montageausrichtung)
- Auflösung <1 nm
- Direktmetrologie mit kapazitiven Sensoren für höchste Genauigkeit
- Kurze Ansprechzeit durch Direktantrieb
- Stellweg 75 µm
- Überlegene Lebensdauer dank PICMA® Piezoaktoren
Überragende Lebensdauer dank PICMA® Piezoaktoren
Die PICMA® Piezoaktoren sind vollkeramisch isoliert. Dies schützt sie vor Luftfeuchtigkeit und Ausfällen durch erhöhten Leckstrom. PICMA® Aktoren bieten eine bis zu zehnmal höhere Lebensdauer als konventionelle polymerisolierte Aktoren. 100 Milliarden Zyklen ohne einen einzigen Ausfall sind erwiesen.
Sub-Nanometer-Auflösung mit kapazitiven Sensoren
Kapazitive Sensoren messen kontaktfrei mit Sub-Nanometer-Auflösung. Sie garantieren eine herausragende Linearität der Bewegung, eine hohe Langzeitstabilität und eine Bandbreite im kHz-Bereich.
Hohe Führungsgenauigkeit durch spielfreie Festkörpergelenkführungen
Festkörpergelenkführungen sind wartungs-, reibungs- und verschleißfrei und benötigen keine Schmierstoffe. Ihre Steifigkeit macht sie hoch belastbar und unempfindlich gegen Schockbelastungen und Vibrationen. Sie arbeiten in einem weiten Temperaturbereich.
Höchste Genauigkeit durch direkte Positionsmessung
Bewegungen werden direkt an der Bewegungsplattform ohne Beeinflussung durch Antriebs- oder Führungselemente gemessen. Dies ermöglicht eine optimale Wiederholgenauigkeit, eine hervorragende Stabilität und eine steife, schnell ansprechende Regelung.
Spezifikationen
Spezifikationen
| Bewegen | P-750.20 | Toleranz |
|---|---|---|
| Aktive Achsen | X | |
| Stellweg in X | 75 µm | |
| Stellweg in X, ungeregelt, bei -20 bis 120 V | 75 µm | +20 / -0 % |
| Winkelabweichung um X (Rollen) | ± 10 µrad | typ. |
| Winkelabweichung um Y (Nicken) | ± 10 µrad | typ. |
| Positionieren | P-750.20 | Toleranz |
| Auflösung in X, ungeregelt | 0,4 nm | typ. |
| Integrierter Sensor | Kapazitiv, direkte Positionsmessung | |
| Systemauflösung in X | 1 nm | |
| Antriebseigenschaften | P-750.20 | Toleranz |
| Antriebstyp | PICMA® | |
| Elektrische Kapazität in X | 7,7 µF | ±20 % |
| Mechanische Eigenschaften | P-750.20 | Toleranz |
| Resonanzfrequenz in X, unbelastet | 600 Hz | ±20 % |
| Resonanzfrequenz in X, belastet mit 10 kg | 120 Hz | ±20 % |
| Zulässige Druckkraft in X | 100 N | max. |
| Zulässige Druckkraft in Z | 100 N | max. |
| Zulässige Zugkraft in X | 50 N | max. |
| Zulässige Zugkraft in Z | 100 N | max. |
| Führung | Festkörpergelenksführung mit Hebelübersetzung | |
| Gesamtmasse | 2,55 kg | |
| Anschlüsse und Umgebung | P-750.20 | Toleranz |
| Betriebstemperaturbereich | -20 bis 80 °C °C | |
| Anschluss | LEMO FFS.00.250.CTCE24 | |
| Sensoranschluss | LEMO FFA.00.250.CTLC31 | |
| Kabellänge | 1 m | |
| Empfohlene Controller / Treiber | E-500 • E-501, E-610, E-621, E-625, E-665, E-709, E-754 |
Resonanzfrequenz in X, belastet mit 10 kg: Bei horizontal ausgerichteter Bewegungsplattform.
Die Auflösung des Systems wird nur vom Rauschen des Verstärkers und der Messtechnik begrenzt, da PI-Piezo-Nanopositioniersysteme reibungsfrei arbeiten.
Technische Daten werden bei PI bei 22 ±3 °C spezifiziert. Die angegebenen Werte gelten im unbelasteten Zustand, wenn nicht anders angegeben. Teilweise sind Eigenschaften voneinander abhängig. Die Angabe "typ." kennzeichnet einen statistischen Mittelwert für eine Eigenschaft; sie gibt keinen garantierten Wert für jedes ausgelieferte Produkt an. Bei der Ausgangsprüfung eines Produkts werden nicht alle, sondern nur ausgewählte Eigenschaften geprüft. Beachten Sie, dass sich einige Produkteigenschaften mit zunehmender Betriebsdauer verschlechtern können.
Downloads
Produktmitteilung
Product Change Notification Piezo Actuator Driven Products
Datenblatt
3-D-Modelle
3D-Modell P-750.20
Downloads
User Manual P750UM0001EN
Angebot / Bestellung
Fordern Sie ein unverbindliches Angebot über gewünschte Stückzahlen, Preise und Lieferzeiten an oder beschreiben Sie Ihre gewünschte Modifikation.
Angebot anfordern
Fragen Sie den Fachmann!
Erhalten Sie innerhalb kürzester Zeit per E-Mail oder Telefon eine Rückmeldung zu Ihren Fragen von einem PI Vertriebsingenieur.














