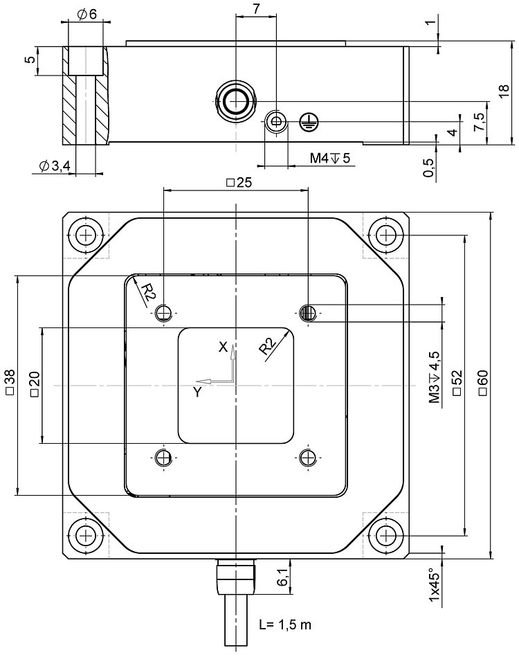
XY Piezo-Nanopositionierer; 100 µm × 100 µm Stellweg (X × Y); Apertur 20 mm × 20 mm; DMS, indirekte Positionsmessung; LEMO-Stecker; 1,5 m Kabellänge
P-612.2 XY Piezo-Nanopositionierer
Kompakt, mit Apertur
- Kompakt: Grundfläche 60 mm × 60 mm
- 100 µm × 100 µm geregelter Stellweg (130 µm × 130 µm, ungeregelt)
- Für kostenkritische Anwendungen
- Freie Apertur 20 mm × 20 mm
- Schnellere Ansprechzeiten und höhere Mehrachsengenauigkeit durch Parallelkinematik
- Überlegene Lebensdauer dank PICMA® Piezoaktoren
- Auch als Kompaktversion erhältlich
Einsatzgebiete
- Scanning-Mikroskopie
- Hochdurchsatz-Mikroskopie
- Superresolution-Mikroskopie
- Masken- / Waferpositionierung
- Interferometrie
- Messtechnik
- Biotechnologie
- Mikromanipulation
Überragende Lebensdauer dank PICMA® Piezoaktoren
Die PICMA® Piezoaktoren sind vollkeramisch isoliert. Dies schützt sie vor Luftfeuchtigkeit und Ausfällen durch erhöhten Leckstrom. PICMA® Aktoren bieten eine bis zu zehnmal höhere Lebensdauer als konventionelle polymerisolierte Aktoren. 100 Milliarden Zyklen ohne einen einzigen Ausfall sind erwiesen.
Hohe Führungsgenauigkeit durch spielfreie Festkörpergelenkführungen
Festkörpergelenkführungen sind wartungs-, reibungs- und verschleißfrei und benötigen keine Schmierstoffe. Ihre Steifigkeit macht sie hoch belastbar und unempfindlich gegen Schockbelastungen und Vibrationen. Sie arbeiten in einem weiten Temperaturbereich.
Spezifikationen
Spezifikationen
| Bewegen | P-612.2SL | Toleranz |
|---|---|---|
| Aktive Achsen | X ǀ Y | |
| Stellweg in X | 100 µm | |
| Stellweg in Y | 100 µm | |
| Stellweg in X, ungeregelt, bei -20 bis 120 V | 130 µm | +20 / -0 % |
| Stellweg in Y, ungeregelt, bei -20 bis 120 V | 130 µm | +20 / -0 % |
| Linearitätsabweichung | 0,4 % | typ. |
| Winkelabweichung E_AY (Nicken) | ± 10 µrad | typ. |
| Winkelabweichung E_BX (Nicken) | ± 10 µrad | typ. |
| Winkelabweichung E_CX (Gieren) | ± 10 µrad | typ. |
| Winkelabweichung E_CY (Gieren) | ± 50 µrad | typ. |
| Positionieren | P-612.2SL | Toleranz |
| Unidirektionale Wiederholgenauigkeit in X | ± 10 nm | typ. |
| Unidirektionale Wiederholgenauigkeit in Y | ± 10 nm | typ. |
| Auflösung in X, ungeregelt | 0,8 nm | typ. |
| Auflösung in Y, ungeregelt | 0,8 nm | typ. |
| Integrierter Sensor | DMS, indirekte Positionsmessung | |
| Systemauflösung in X | 5 nm | |
| Systemauflösung in Y | 5 nm | |
| Antriebseigenschaften | P-612.2SL | Toleranz |
| Antriebstyp | PICMA® | |
| Elektrische Kapazität | 1,5 µF | ±20 % |
| Mechanische Eigenschaften | P-612.2SL | Toleranz |
| Steifigkeit in X | 0,15 N/µm | ±20 % |
| Steifigkeit in Y | 0,15 N/µm | ±20 % |
| Resonanzfrequenz in X, unbelastet | 400 Hz | ±20 % |
| Resonanzfrequenz in X, belastet mit 100 g | 200 Hz | ±20 % |
| Resonanzfrequenz in Y, unbelastet | 400 Hz | ±20 % |
| Resonanzfrequenz in Y, belastet mit 100 g | 200 Hz | ±20 % |
| Zulässige Druckkraft in X | 15 N | max. |
| Zulässige Druckkraft in Y | 15 N | max. |
| Zulässige Druckkraft in Z | 15 N | max. |
| Zulässige Zugkraft in X | 5 N | max. |
| Zulässige Zugkraft in Y | 5 N | max. |
| Führung | Festkörpergelenksführung mit Hebelübersetzung | |
| Gesamtmasse | 150 g | ±5 % |
| Material | Aluminium, Stahl | |
| Anschlüsse und Umgebung | P-612.2SL | Toleranz |
| Betriebstemperaturbereich | -20 bis 80 °C | |
| Anschluss | LEMO FFA.00.250.CTAC22 | |
| Sensoranschluss | LEMO FFA.0S.304.CLAC32 | |
| Kabellänge | 1,5 m | ±10 mm |
| Empfohlene Controller / Treiber | E-503, E-505, E-610, E-621, E-625, E-665 |
Die Auflösung des Systems wird nur vom Rauschen des Verstärkers und der Messtechnik begrenzt, da PI-Piezo-Nanopositioniersysteme reibungsfrei arbeiten.
Sonderausführungen auf Anfrage.
Technische Daten werden bei PI bei 22 ±3 °C spezifiziert. Die angegebenen Werte gelten im unbelasteten Zustand, wenn nicht anders angegeben. Teilweise sind Eigenschaften voneinander abhängig. Die Angabe "typ." kennzeichnet einen statistischen Mittelwert für eine Eigenschaft; sie gibt keinen garantierten Wert für jedes ausgelieferte Produkt an. Bei der Ausgangsprüfung eines Produkts werden nicht alle, sondern nur ausgewählte Eigenschaften geprüft. Beachten Sie, dass sich einige Produkteigenschaften mit zunehmender Betriebsdauer verschlechtern können.
Downloads
Produktmitteilung
Product Change Notification Piezo Actuator Driven Products
Datenblatt
Dokumentation
Benutzerhandbuch PZ280
P-612 XY-Nanopositioniersysteme und Nanopositionier-Hubtische
3-D-Modelle
P-612.2SL 3-D-Modell
Angebot / Bestellung
Fordern Sie ein unverbindliches Angebot über gewünschte Stückzahlen, Preise und Lieferzeiten an oder beschreiben Sie Ihre gewünschte Modifikation.
Angebot anfordern
Fragen Sie den Fachmann!
Erhalten Sie innerhalb kürzester Zeit per E-Mail oder Telefon eine Rückmeldung zu Ihren Fragen von einem PI Vertriebsingenieur.

















