PIHera Linearer Präzisionspositionierer; 60 µm Stellweg (ungeregelt); LEMO LVPZT; 1,5 m Kabellänge
P-620.1 – P-629.1 PIHera Linearer Präzisionspositionierer
Variabel in Stellweg und Achskonfiguration
- Stellwege 50 bis 1800 µm
- Auflösung bis 0,1 nm
- Linearitätsabweichung 0,02 %
- X-, XY-, Z-Versionen; XYZ-Kombination möglich




Einsatzgebiete
- Interferometrie
- Mikroskopie
- Nanopositionierung
- Biotechnologie
- Testanwendungen
- Halbleitertechnik
- Photonik
- Faserpositionierung
Überragende Lebensdauer dank PICMA® Piezoaktoren
Die PICMA® Piezoaktoren sind vollkeramisch isoliert. Dies schützt sie vor Luftfeuchtigkeit und Ausfällen durch erhöhten Leckstrom. PICMA® Aktoren bieten eine bis zu zehnmal höhere Lebensdauer als konventionelle polymerisolierte Aktoren. 100 Milliarden Zyklen ohne einen einzigen Ausfall sind erwiesen.
Sub-Nanometer-Auflösung mit kapazitiven Sensoren
Kapazitive Sensoren messen kontaktfrei mit Sub-Nanometer-Auflösung. Sie garantieren eine herausragende Linearität der Bewegung, eine hohe Langzeitstabilität und eine Bandbreite im kHz-Bereich.
Hohe Führungsgenauigkeit durch spielfreie Festkörpergelenkführungen
Festkörpergelenkführungen sind wartungs-, reibungs- und verschleißfrei und benötigen keine Schmierstoffe. Ihre Steifigkeit macht sie hoch belastbar und unempfindlich gegen Schockbelastungen und Vibrationen. Sie arbeiten in einem weiten Temperaturbereich.
Höchste Genauigkeit durch direkte Positionsmessung
Bewegungen werden direkt an der Bewegungsplattform ohne Beeinflussung durch Antriebs- oder Führungselemente gemessen. Dies ermöglicht eine optimale Wiederholgenauigkeit, eine hervorragende Stabilität und eine steife, schnell ansprechende Regelung.
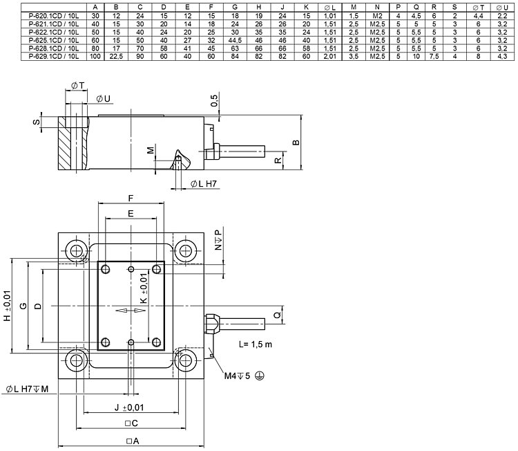
Spezifikationen
Spezifikationen
| Bewegen | P-620.10L | P-620.1CD | P-620.1CL | P-621.10L | P-621.1CD | P-621.1CL | P-622.10L | P-622.1CD | P-622.1CL | P-625.10L | P-625.1CD | P-625.1CL | P-628.10L | P-628.1CD | P-628.1CL | P-629.10L | P-629.1CD | P-629.1CL | Toleranz |
|---|---|---|---|---|---|---|---|---|---|---|---|---|---|---|---|---|---|---|---|
| Aktive Achsen | X | X | X | X | X | X | X | X | X | X | X | X | X | X | X | X | X | X | |
| Stellweg in X, ungeregelt | 60 µm | 60 µm | 60 µm | 120 µm | 120 µm | 120 µm | 300 µm | 300 µm | 300 µm | 600 µm | 600 µm | 600 µm | 950 µm | 950 µm | 950 µm | 1800 µm | 1800 µm | 1800 µm | ±20 % |
| Neigen (Rotatorisches Übersprechen in θY bei Bewegung in X) | ± 3 µrad | ± 3 µrad | ± 3 µrad | ± 3 µrad | ± 3 µrad | ± 3 µrad | ± 3 µrad | ± 3 µrad | ± 3 µrad | ± 6 µrad | ± 6 µrad | ± 6 µrad | ± 6 µrad | ± 6 µrad | ± 6 µrad | ± 30 µrad | ± 30 µrad | ± 30 µrad | typ. |
| Gieren (Rotatorisches Übersprechen in θZ bei Bewegung in X) | ± 3 µrad | ± 3 µrad | ± 3 µrad | ± 3 µrad | ± 3 µrad | ± 3 µrad | ± 3 µrad | ± 3 µrad | ± 3 µrad | ± 6 µrad | ± 6 µrad | ± 6 µrad | ± 6 µrad | ± 6 µrad | ± 6 µrad | ± 10 µrad | ± 10 µrad | ± 10 µrad | typ. |
| Stellweg in X | 50 µm | 50 µm | 100 µm | 100 µm | 250 µm | 250 µm | 500 µm | 500 µm | 800 µm | 800 µm | 1500 µm | 1500 µm | |||||||
| Linearitätsabweichung in X | 0,02 % | 0,02 % | 0,02 % | 0,02 % | 0,02 % | 0,02 % | 0,03 % | 0,03 % | 0,03 % | 0,03 % | 0,03 % | 0,03 % | typ. | ||||||
| Positionieren | P-620.10L | P-620.1CD | P-620.1CL | P-621.10L | P-621.1CD | P-621.1CL | P-622.10L | P-622.1CD | P-622.1CL | P-625.10L | P-625.1CD | P-625.1CL | P-628.10L | P-628.1CD | P-628.1CL | P-629.10L | P-629.1CD | P-629.1CL | Toleranz |
| Auflösung in X, ungeregelt | 0,1 nm | 0,1 nm | 0,1 nm | 0,2 nm | 0,2 nm | 0,2 nm | 0,4 nm | 0,4 nm | 0,4 nm | 0,5 nm | 0,5 nm | 0,5 nm | 0,5 nm | 0,5 nm | 0,5 nm | 2 nm | 2 nm | 2 nm | typ. |
| Bidirektionale Wiederholgenauigkeit in X | 1 nm | 1 nm | 1 nm | 1 nm | 1 nm | 1 nm | 5 nm | 5 nm | 10 nm | 10 nm | 14 nm | 14 nm | typ. | ||||||
| Integrierter Sensor | Kapazitiv, direkte Positionsmessung | Kapazitiv, direkte Positionsmessung | Kapazitiv, direkte Positionsmessung | Kapazitiv, direkte Positionsmessung | Kapazitiv, direkte Positionsmessung | Kapazitiv, direkte Positionsmessung | Kapazitiv, direkte Positionsmessung | Kapazitiv, direkte Positionsmessung | Kapazitiv, direkte Positionsmessung | Kapazitiv, direkte Positionsmessung | Kapazitiv, direkte Positionsmessung | Kapazitiv, direkte Positionsmessung | |||||||
| Systemauflösung in X | 0,2 nm | 0,2 nm | 0,4 nm | 0,4 nm | 0,7 nm | 0,7 nm | 1,4 nm | 1,4 nm | 1,8 nm | 1,8 nm | 3 nm | 3 nm | |||||||
| Antriebseigenschaften | P-620.10L | P-620.1CD | P-620.1CL | P-621.10L | P-621.1CD | P-621.1CL | P-622.10L | P-622.1CD | P-622.1CL | P-625.10L | P-625.1CD | P-625.1CL | P-628.10L | P-628.1CD | P-628.1CL | P-629.10L | P-629.1CD | P-629.1CL | Toleranz |
| Antriebstyp | PICMA® | PICMA® | PICMA® | PICMA® | PICMA® | PICMA® | PICMA® | PICMA® | PICMA® | PICMA® | PICMA® | PICMA® | PICMA® | PICMA® | PICMA® | PICMA® | PICMA® | PICMA® | |
| Maximale Leistungsaufnahme | 3 W | 3 W | 3 W | 9 W | 9 W | 9 W | 9 W | 9 W | 9 W | 10 W | 10 W | 10 W | 18 W | 18 W | 18 W | 49 W | 49 W | 49 W | |
| Elektrische Kapazität in X | 0,35 µF | 0,35 µF | 0,35 µF | 1,5 µF | 1,5 µF | 1,5 µF | 3,1 µF | 3,1 µF | 3,1 µF | 6,2 µF | 6,2 µF | 6,2 µF | 19 µF | 19 µF | 19 µF | 52 µF | 52 µF | 52 µF | ±20 % |
| Maximale Betriebsfrequenz kurzzeitig | 367 Hz | 367 Hz | 367 Hz | 267 Hz | 267 Hz | 267 Hz | 133 Hz | 133 Hz | 133 Hz | 72 Hz | 72 Hz | 72 Hz | 42 Hz | 42 Hz | 42 Hz | 42 Hz | 42 Hz | 42 Hz | |
| Mechanische Eigenschaften | P-620.10L | P-620.1CD | P-620.1CL | P-621.10L | P-621.1CD | P-621.1CL | P-622.10L | P-622.1CD | P-622.1CL | P-625.10L | P-625.1CD | P-625.1CL | P-628.10L | P-628.1CD | P-628.1CL | P-629.10L | P-629.1CD | P-629.1CL | Toleranz |
| Steifigkeit in X | 0,42 N/µm | 0,42 N/µm | 0,42 N/µm | 0,35 N/µm | 0,35 N/µm | 0,35 N/µm | 0,2 N/µm | 0,2 N/µm | 0,2 N/µm | 0,1 N/µm | 0,1 N/µm | 0,1 N/µm | 0,12 N/µm | 0,12 N/µm | 0,12 N/µm | 0,13 N/µm | 0,13 N/µm | 0,13 N/µm | ±20 % |
| Resonanzfrequenz in X, unbelastet | 1100 Hz | 1100 Hz | 1100 Hz | 800 Hz | 800 Hz | 800 Hz | 400 Hz | 400 Hz | 400 Hz | 215 Hz | 215 Hz | 215 Hz | 125 Hz | 125 Hz | 125 Hz | 125 Hz | 125 Hz | 125 Hz | ±20 % |
| Resonanzfrequenz in X, belastet mit 20 g | 550 Hz | 550 Hz | 550 Hz | 520 Hz | 520 Hz | 520 Hz | 340 Hz | 340 Hz | 340 Hz | 180 Hz | 180 Hz | 180 Hz | 115 Hz | 115 Hz | 115 Hz | 120 Hz | 120 Hz | 120 Hz | ±20 % |
| Resonanzfrequenz in X, belastet mit 120 g | 260 Hz | 260 Hz | 260 Hz | 240 Hz | 240 Hz | 240 Hz | 185 Hz | 185 Hz | 185 Hz | 110 Hz | 110 Hz | 110 Hz | 90 Hz | 90 Hz | 90 Hz | 110 Hz | 110 Hz | 110 Hz | ±20 % |
| Zulässige Druckkraft in X | 10 N | 10 N | 10 N | 10 N | 10 N | 10 N | 10 N | 10 N | 10 N | 10 N | 10 N | 10 N | 10 N | 10 N | 10 N | 10 N | 10 N | 10 N | max. |
| Zulässige Druckkraft in Y | 10 N | 10 N | 10 N | 10 N | 10 N | 10 N | 10 N | 10 N | 10 N | 10 N | 10 N | 10 N | 10 N | 10 N | 10 N | 8 N | 8 N | 8 N | max. |
| Zulässige Druckkraft in Z | 10 N | 10 N | 10 N | 10 N | 10 N | 10 N | 10 N | 10 N | 10 N | 10 N | 10 N | 10 N | 10 N | 10 N | 10 N | 10 N | 10 N | 10 N | max. |
| Zulässige Zugkraft in X | 10 N | 10 N | 10 N | 10 N | 10 N | 10 N | 10 N | 10 N | 10 N | 10 N | 10 N | 10 N | 10 N | 10 N | 10 N | 10 N | 10 N | 10 N | max. |
| Führung | Festkörpergelenksführung mit Hebelübersetzung | Festkörpergelenksführung mit Hebelübersetzung | Festkörpergelenksführung mit Hebelübersetzung | Festkörpergelenksführung mit Hebelübersetzung | Festkörpergelenksführung mit Hebelübersetzung | Festkörpergelenksführung mit Hebelübersetzung | Festkörpergelenksführung mit Hebelübersetzung | Festkörpergelenksführung mit Hebelübersetzung | Festkörpergelenksführung mit Hebelübersetzung | Festkörpergelenksführung mit Hebelübersetzung | Festkörpergelenksführung mit Hebelübersetzung | Festkörpergelenksführung mit Hebelübersetzung | Festkörpergelenksführung mit Hebelübersetzung | Festkörpergelenksführung mit Hebelübersetzung | Festkörpergelenksführung mit Hebelübersetzung | Festkörpergelenksführung mit Hebelübersetzung | Festkörpergelenksführung mit Hebelübersetzung | Festkörpergelenksführung mit Hebelübersetzung | |
| Gesamtmasse | 110 g | 110 g | 110 g | 160 g | 160 g | 160 g | 200 g | 200 g | 200 g | 240 g | 240 g | 240 g | 380 g | 380 g | 380 g | 720 g | 720 g | 720 g | |
| Material | Aluminium | Aluminium | Aluminium | Aluminium | Aluminium | Aluminium | Aluminium | Aluminium | Aluminium | Aluminium | Aluminium | Aluminium | Aluminium | Aluminium | Aluminium | Aluminium | Aluminium | Aluminium | |
| Anschlüsse und Umgebung | P-620.10L | P-620.1CD | P-620.1CL | P-621.10L | P-621.1CD | P-621.1CL | P-622.10L | P-622.1CD | P-622.1CL | P-625.10L | P-625.1CD | P-625.1CL | P-628.10L | P-628.1CD | P-628.1CL | P-629.10L | P-629.1CD | P-629.1CL | Toleranz |
| Betriebstemperaturbereich | -20 bis 150 °C | -20 bis 80 °C | -20 bis 80 °C | -20 bis 150 °C | -20 bis 80 °C | -20 bis 80 °C | -20 bis 150 °C | -20 bis 80 °C | -20 bis 80 °C | -20 bis 150 °C | -20 bis 80 °C | -20 bis 80 °C | -20 bis 150 °C | -20 bis 80 °C | -20 bis 80 °C | -20 bis 150 °C | -20 bis 80 °C | -20 bis 80 °C | |
| Anschluss | LEMO LVPZT | D-Sub 7W2 (m) | LEMO LVPZT | LEMO LVPZT | D-Sub 7W2 (m) | LEMO LVPZT | LEMO LVPZT | D-Sub 7W2 (m) | LEMO LVPZT | LEMO LVPZT | D-Sub 7W2 (m) | LEMO LVPZT | LEMO LVPZT | D-Sub 7W2 (m) | LEMO LVPZT | LEMO LVPZT | D-Sub 7W2 (m) | LEMO LVPZT | |
| Kabellänge | 1,5 m | 1,5 m | 1,5 m | 1,5 m | 1,5 m | 1,5 m | 1,5 m | 1,5 m | 1,5 m | 1,5 m | 1,5 m | 1,5 m | 1,5 m | 1,5 m | 1,5 m | 1,5 m | 1,5 m | 1,5 m | |
| Empfohlene Controller / Treiber | E-503, E-505, E-610, E-665 | E-503, E-505, E-610, E-621, E-625, E-709.1C1L, E-754 | E-503, E-505, E-610, E-621, E-625, E-709.1C1L, E-754 | E-503, E-505, E-610, E-665 | E-503, E-505, E-610, E-621, E-625, E-709.1C1L, E-754 | E-503, E-505, E-610, E-621, E-625, E-709.1C1L, E-754 | E-503, E-505, E-610, E-665 | E-503, E-505, E-610, E-621, E-625, E-709.1C1L, E-754 | E-503, E-505, E-610, E-621, E-625, E-709.1C1L, E-754 | E-503, E-505, E-610, E-665 | E-503, E-505, E-610, E-621, E-625, E-709.1C1L, E-754 | E-503, E-505, E-610, E-621, E-625, E-709.1C1L, E-754 | E-503, E-505, E-610, E-665 | E-503, E-505, E-610, E-621, E-625, E-709.1C1L, E-754 | E-503, E-505, E-610, E-621, E-625, E-709.1C1L, E-754 | E-503, E-505, E-610, E-665 | E-503, E-505, E-610, E-621, E-625, E-709.1C1L, E-754 | E-503, E-505, E-610, E-621, E-625, E-709.1C1L, E-754 | |
| Sensoranschluss | LEMO für kapazitive Sensoren | LEMO für kapazitive Sensoren | LEMO für kapazitive Sensoren | LEMO für kapazitive Sensoren | LEMO für kapazitive Sensoren | LEMO für kapazitive Sensoren |
P-628.1CD / P-628.1CL: Linearitätsabweichung in X (typ.) 0,03 % mit Digitalcontroller. Mit analogen Controllern 0,05 %.
P-629.1CD / P-629.1CL: Linearitätsabweichung in X (typ.) 0,03 % mit Digitalcontroller. Mit analogen Controllern 0,08 %.
Die Auflösung des Systems wird nur vom Rauschen des Verstärkers und der Messtechnik begrenzt, da PI-Piezo-Nanopositioniersysteme reibungsfrei arbeiten.
Vakuumversionen bis 10-9 hPa sind unter den Bestellnummern P-62x.1U erhältlich.
Alle Angaben beziehen sich auf Raumtemperatur (22 °C ±3 °C).
Downloads
Produktmitteilung
Product Change Notification Piezo Actuator Driven Products
Datenblatt
Dokumentation
Benutzerhandbuch PZ234
P-620, P-621, P-622, P-625, P-628, P-629 PIHera Piezotische mit kapazitiven Sensoren
3-D-Modelle
P-62x.1 STEP
Angebot / Bestellung
Fordern Sie ein unverbindliches Angebot über gewünschte Stückzahlen, Preise und Lieferzeiten an oder beschreiben Sie Ihre gewünschte Modifikation.
PIHera Linearer Präzisionspositionierer; 50 µm Stellweg; Kapazitiv, direkte Positionsmessung; D-Sub 7W2 (m); 1,5 m Kabellänge
PIHera Linearer Präzisionspositionierer; 50 µm Stellweg; Kapazitiv, direkte Positionsmessung; LEMO LVPZT; 1,5 m Kabellänge
PIHera Linearer Präzisionspositionierer; 120 µm Stellweg (ungeregelt); LEMO LVPZT; 1,5 m Kabellänge
PIHera Linearer Präzisionspositionierer; 100 µm Stellweg; Kapazitiv, direkte Positionsmessung; D-Sub 7W2 (m); 1,5 m Kabellänge
PIHera Linearer Präzisionspositionierer; 100 µm Stellweg; Kapazitiv, direkte Positionsmessung; LEMO LVPZT; 1,5 m Kabellänge
PIHera Linearer Präzisionspositionierer; 300 µm Stellweg (ungeregelt); LEMO LVPZT; 1,5 m Kabellänge
PIHera Linearer Präzisionspositionierer; 250 µm Stellweg; Kapazitiv, direkte Positionsmessung; D-Sub 7W2 (m); 1,5 m Kabellänge
PIHera Linearer Präzisionspositionierer; 250 µm Stellweg; Kapazitiv, direkte Positionsmessung; LEMO LVPZT; 1,5 m Kabellänge
PIHera Linearer Präzisionspositionierer; 600 µm Stellweg (ungeregelt); LEMO LVPZT; 1,5 m Kabellänge
PIHera Linearer Präzisionspositionierer; 500 µm Stellweg; Kapazitiv, direkte Positionsmessung; D-Sub 7W2 (m); 1,5 m Kabellänge
PIHera Linearer Präzisionspositionierer; 500 µm Stellweg; Kapazitiv, direkte Positionsmessung; LEMO LVPZT; 1,5 m Kabellänge
PIHera Linearer Präzisionspositionierer; 950 µm Stellweg (ungeregelt); LEMO LVPZT; 1,5 m Kabellänge
PIHera Linearer Präzisionspositionierer; 800 µm Stellweg; Kapazitiv, direkte Positionsmessung; D-Sub 7W2 (m); 1,5 m Kabellänge
PIHera Linearer Präzisionspositionierer; 800 µm Stellweg; Kapazitiv, direkte Positionsmessung; LEMO LVPZT; 1,5 m Kabellänge
PIHera Linearer Präzisionspositionierer; 1800 µm Stellweg (ungeregelt); LEMO LVPZT; 1,5 m Kabellänge
PIHera Linearer Präzisionspositionierer; 1500 µm Stellweg; Kapazitiv, direkte Positionsmessung; D-Sub 7W2 (m); 1,5 m Kabellänge
PIHera Linearer Präzisionspositionierer; 1500 µm Stellweg; Kapazitiv, direkte Positionsmessung; LEMO LVPZT; 1,5 m Kabellänge
Angebot anfordern
Fragen Sie den Fachmann!
Erhalten Sie innerhalb kürzester Zeit per E-Mail oder Telefon eine Rückmeldung zu Ihren Fragen von einem PI Vertriebsingenieur.
Technologie

PICMA® Technologie
Hohe Zuverlässigkeit und überlegene Lebensdauer durch das patentierte Herstellungsverfahren für Multilayer-Aktoren.

Vakuum
Sorgfältige Handhabung und adäquate Räumlichkeiten: PI verfügt nicht nur über die Ausstattung zur Qualifizierung von Materialien, Komponenten und Endprodukten, sondern auch über langjährige Erfahrung im Bereich der HV- und UHV-Positioniersysteme.

Flexure Festkörpergelenke
Festkörpergelenksführungen von PI führen den Piezoaktor und dienen der geradlinigen Bewegung ohne Verkippung oder seitlichen Versatz.

Kapazitive Sensoren
Präzision und Reproduzierbarkeit sind undenkbar ohne Einsätze höchstauflösender Messverfahren. Hier bieten kapazitive Sensoren die besten Ergebnisse.





















