E-836 Kompakter Piezoverstärker / OEM-Modul
Piezoaktoren dynamisch betreiben mit preisgünstigen, rauscharmen Verstärkern
- OEM-Modul und Tischgerät
- Spitzenstrom bis 100 mA
- Einfach zu integrieren
- Kein Spannungspuls beim Ein- und Ausschalten
- Betriebsspannung 24 V
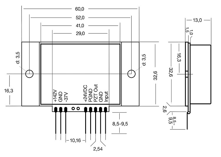
Einkanal-Piezoverstärker: OEM-Modul oder Tischgerät
Kompaktes OEM-Modul in geschirmtem Metallgehäuse; einfache Integration über Lötstifte zur Platinenmontage; ideal zum Aufbau mehrkanaliger Lösungen. Tischgerät für Laboranwendungen und schnelle Inbetriebnahme. Betriebsspannung 24 V, Piezospannung und andere Versorgungsspannungen werden intern erzeugt.
Funktionen
Rauscharmer Leistungsverstärker. Verstärkungsfaktor 10. Ausgangsspannungsbereich -30 bis 130 V. Kurzschlussfest, Überstrom- und Übertemperaturschutz.
Einsatzgebiete
Preisgünstige Ansteuerung von PICMA® Stack oder PICMA® Chip Piezoaktoren in OEM-Anwendungen.
Spezifikationen
Spezifikationen
Verstärker | E-836.03 | E-836.1G |
|---|---|---|
Eingangsspannungsbereich | -2 bis 12 V | -2 bis 12 V |
Ausgangsspannung | -30 bis 130 V | -30 bis 130 V |
Spitzenstrom (<8 ms) | 100 mA | 100 mA |
Dauerausgangsstrom | 50 mA | 50 mA |
Strombegrenzung | Kurzschlussfest | Kurzschlussfest |
Spannungsverstärkung | 10 ±0,1 | 10 ±0,1 |
Welligkeit, Rauschen, 0 bis 100 kHz | 0,8 mVrms | 0,8 mVrms |
Grundlast (intern) | 10 nF | 10 nF |
Ausgangsimpedanz | 5 Ω | 5 Ω |
Eingangsimpedanz | 0,5 MΩ | 1 MΩ |
Umgebung | E-836.03 | E-836.1G |
|---|---|---|
Anschlüsse | Lötstifte, Ø 0,7 mm | BNC, LEMO Hohlstecker (Netzteil) 1-Gang Potentiometer, addiert 0 bis 10 V zur Eingangsspannung |
Betriebstemperaturbereich | 5 bis 50 °C | 5 bis 50 °C |
Übertemperaturschutz | Abschaltung bei 85 °C | Abschaltung bei 85 °C |
Betriebsspannung | 24 V DC ±10 % | 24 V DC ±10 %, im Lieferumfang: externes Netzteil mit 24 V / 2,0 A |
Leistungsaufnahme (max.) | 10 W | 16 W |
Stromaufnahme (max.) | 0,5 A | 0,65 A |
Downloads
Datenblatt
Dokumentation
Benutzerhandbuch PZ250
E-836.1G Piezoverstärker, 1 Kanal, Tischgerät, -30 bis 130 V
Benutzerhandbuch E836T0001
E-836.03 Piezoverstärker, OEM-Modul, 1 Kanal, -30 bis 130 V
Angebot / Bestellung
Fordern Sie ein unverbindliches Angebot über gewünschte Stückzahlen, Preise und Lieferzeiten an oder beschreiben Sie Ihre gewünschte Modifikation.
Angebot anfordern
Fragen Sie den Fachmann!
Erhalten Sie innerhalb kürzester Zeit per E-Mail oder Telefon eine Rückmeldung zu Ihren Fragen von einem PI Vertriebsingenieur.























