Kompakter Rotationstisch; DC-Getriebemotor; 360 ° Rotationswinkel; 20 N Belastbarkeit; 7 °/s maximale Winkelgeschwindigkeit; Inkrementeller Rotationsencoder, 2048 Impulse/U Sensorauflösung, A/B-Quadratur, RS-422
RS-40 Kompakter Rotationstisch
Präzise Positionierung
- Unbegrenzter Stellbereich
- Wiederholgenauigkeit bis 87 µrad
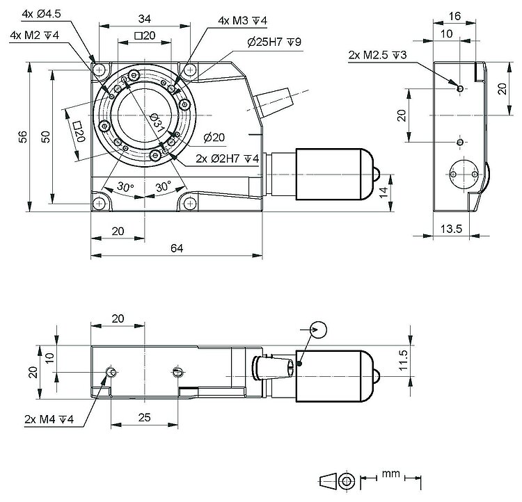
- 20 mm Ø Apertur
- Referenzschalter
- Vakuumkompatible Artikel verfügbar
RS-40 Kompakter Rotationstisch
Produktbeschreibung
Spezifikationen
Downloads
Angebot / Bestellung
Rotationstisch der Standardklasse
Schneckenantrieb. Apertur mit 20 mm Ø. Referenzschalter.
Ausführungen
- DC-Motor mit Getriebe, Rotationsencoder auf der Motorwelle
- Schrittmotor mit Getriebe
- Vakuumversionen auf Anfrage
Einsatzgebiete
Präzisions-Mikromontage, Forschung, Automatisierung, Vakuum
Spezifikationen
Spezifikationen
| Bewegen | 321691001-0000 | 321692001 | Toleranz |
|---|---|---|---|
| Aktive Achsen | θZ | θZ | |
| Rotationsbereich in θZ | 360 ° | 360 ° | |
| Maximale Winkelgeschwindigkeit in θZ, unbelastet | 7 °/s | 5 °/s | |
| Lineares Übersprechen in X bei Bewegung in θZ | ± 5 µm | ± 5 µm | typ. |
| Lineares Übersprechen in Y bei Bewegung in θZ | ± 5 µm | ± 5 µm | typ. |
| Lineares Übersprechen in Z bei Bewegung in θZ | ± 5 µm | ± 5 µm | typ. |
| Rotatorisches Übersprechen in θX bei Bewegung in θZ | ± 35 µrad | ± 35 µrad | typ. |
| Rotatorisches Übersprechen in θY bei Bewegung in θZ | ± 35 µrad | ± 35 µrad | typ. |
| Positionieren | 321691001-0000 | 321692001 | Toleranz |
| Kleinste Schrittweite in θZ | 87 µrad | 87 µrad | typ. |
| Unidirektionale Wiederholgenauigkeit in θZ | ± 43,5 µrad | ± 43,5 µrad | typ. |
| Bidirektionale Wiederholgenauigkeit in θZ | 1400 µrad | 1400 µrad | typ. |
| Referenzschalter | Hall-Effekt, Öffner, 3,8 V bis 24 V, NPN | Hall-Effekt, Öffner, 3,8 V bis 24 V, NPN | |
| Integrierter Sensor | Inkrementeller Rotationsencoder | ||
| Sensorsignal | A/B-Quadratur, RS-422 | ||
| Sensorauflösung | 2048 Impulse/U | ||
| Antriebseigenschaften | 321691001-0000 | 321692001 | Toleranz |
| Antriebstyp | DC-Getriebemotor | 2-Phasen-Schrittmotor mit Getriebe | |
| Betriebsspannung | 24 V | <38 V | |
| Nennstrom, effektiv | 0,04 A | 0,25 A | typ. |
| Spitzenstrom, effektiv | 0,16 A | typ. | |
| Antriebsmoment in θZ | 0,2 N·m | 0,2 N·m | |
| Drehmomentkonstante | 0,0083 N·m/A | typ. | |
| Zeitkonstante | 35 ms | ||
| Widerstand Phase-Phase | 60 Ω | 12,5 Ω | typ. |
| Induktivität Phase-Phase | 0,4 mH | 6,3 mH | |
| Motorauflösung | 24 Vollschritte/U | ||
| Gegen-EMK Phase-Phase, rotatorisch | 4,4 V/kRPM | max. | |
| Mechanische Eigenschaften | 321691001-0000 | 321692001 | Toleranz |
| Steifigkeit in θX | 270 N·m/µrad | 270 N·m/µrad | |
| Zulässige Druckkraft in X | 10 N | 5 N | max. |
| Zulässige Druckkraft in Y | 10 N | 5 N | max. |
| Zulässige Druckkraft in Z | 20 N | 10 N | max. |
| Zulässiges Moment in θX | 2 N·m | 1 N·m | max. |
| Zulässiges Moment in θY | 2 N·m | 1 N·m | max. |
| Haltemoment in θZ, passiv | 0,2 N·m | 0,2 N·m | |
| Trägheitsmoment in θZ, unbelastet | 15,5 kg·mm² | 15,5 kg·mm² | ±20 % |
| Bewegte Masse in Z, unbelastet | 90 g | 90 g | |
| Getriebeuntersetzung i | 76 : 1 | 76 : 1 | |
| Schneckengetriebeuntersetzung | 90 : 1 | 90 : 1 | |
| Lagertyp | Kugellager | Kugellager | |
| Gesamtmasse | 400 g | 400 g | |
| Material | Aluminium | Aluminium | |
| Anschlüsse und Umgebung | 321691001-0000 | 321692001 | Toleranz |
| Betriebstemperaturbereich | 5 bis 40 °C | 5 bis 40 °C | |
| Anschluss | D-Sub 15-polig (m) | HD D-Sub 15-polig (m) | |
| Empfohlene Controller / Treiber | C-863 C-885 mit C-863.20C885 C-884 Modularer ACS-Controller | C-663 C-885 mit C-663.12C885 Modularer ACS-Controller |
Downloads
Datenblatt
Dokumentation
Dokumentation
Benutzerhandbuch RS-40
Kompakter Rotationstisch
Version / Datum
2022-05-03
pdf - 655 KB
Version / Datum
2022-05-03
pdf - 567 KB
3-D-Modelle
3-D-Modelle
RS-40 3D-Modell
zip - 615 KB
Separates Anschlusskabel jeweils erforderlich für Motor- und Sensorverbindung.
Angebot / Bestellung
Fordern Sie ein unverbindliches Angebot über gewünschte Stückzahlen, Preise und Lieferzeiten an oder beschreiben Sie Ihre gewünschte Modifikation.
321691001-0000
321692001
Kompakter Rotationstisch; 2-Phasen-Schrittmotor mit Getriebe; 360 ° Rotationswinkel; 10 N Belastbarkeit; 5 °/s maximale Winkelgeschwindigkeit
Angebot anfordern
Fragen Sie den Fachmann!
Erhalten Sie innerhalb kürzester Zeit per E-Mail oder Telefon eine Rückmeldung zu Ihren Fragen von einem PI Vertriebsingenieur.
Kompatible Elektroniken
Kompatibles Zubehör
Verwandte Produkte




















