Q-632 Q‑Motion® Rotationstisch
Kompakt durch Piezomotor: 30 mm Durchmesser des Drehtellers
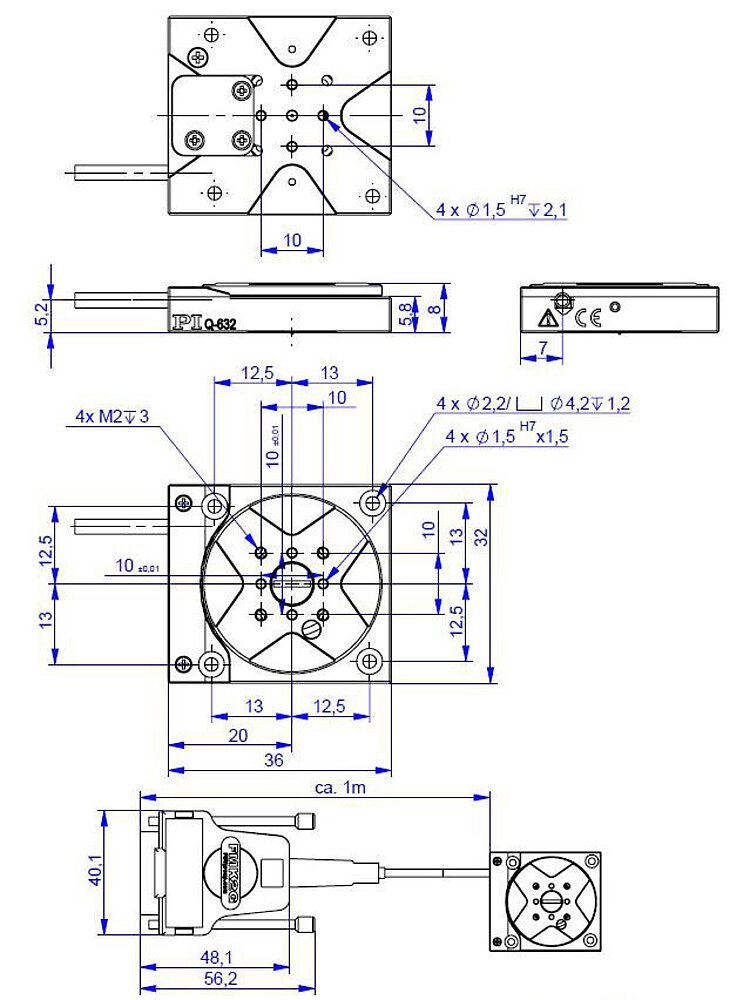
- Nur 32 mm breit und 8 mm hoch
- Direkte Positionsmessung mit inkrementellem Encoder mit 0,75 µrad Auflösung
- Bis zu 3 µrad kleinste Schrittweite
- Rotationsbereich >360°
- Geschwindigkeit 45 °/s
Piezoelektrischer Trägheitsantrieb
Piezoträgheitsantriebe sind platzsparende und preiswerte piezobasierte Antriebe mit relativ hohen Haltekräften und prinzipiell unbegrenztem Stellweg. Das Trägheitsantriebsprinzip basiert auf einem einzelnen piezoelektrischen Aktor, der über die Treiberelektronik mit einer modifizierten Sägezahnspannung angesteuert wird. Der Aktor dehnt sich langsam aus und nimmt einen Läufer mit. Die darauf folgende schnelle Kontraktion des Aktors kann der Läufer aufgrund seiner Trägheit nicht nachvollziehen und verharrt auf seiner Position. Mit einer Betriebsfrequenz von bis zu 20 kHz erreichen direkt auf den Läufer wirkende Antriebe Geschwindigkeiten bis max. 45 °/s.
Einsatzgebiete
Mikromontage, Photonik, Optische Justage, Mikroskopie, Beamline-Instrumentierung, Halbleitertechnik, Testanwendungen.
Spezifikationen
Spezifikationen
Bewegen und Positionieren | Q-632.930 | Einheit | Toleranz |
|---|---|---|---|
Rotationstisch mit Positionssensor für den geregelten Betrieb | |||
Aktive Achse | θZ | ||
Rotationsbereich | >360 | ° | |
Integrierter Sensor | Inkrementeller Encoder | ||
Sensorauflösung | 0,75 | µrad | |
Kleinste Schrittweite | 3 | µrad | typ. |
Unidirektionale Wiederholgenauigkeit | 6 | µrad | typ. |
Maximale geregelte Geschwindigkeit | 20 | °/s |
Downloads
Produktmitteilung
Product Change Notification Q-xxx; N-765
Datenblatt
Dokumentation
3-D-Modelle
Q-632 3D-Modell
Angebot / Bestellung
Fordern Sie ein unverbindliches Angebot über gewünschte Stückzahlen, Preise und Lieferzeiten an oder beschreiben Sie Ihre gewünschte Modifikation.
Angebot anfordern
Fragen Sie den Fachmann!
Erhalten Sie innerhalb kürzester Zeit per E-Mail oder Telefon eine Rückmeldung zu Ihren Fragen von einem PI Vertriebsingenieur.














