PIglide MB Miniatur-Lineartisch mit Luftlager; Eisenloser 3-Phasen-Linearmotor; 35 mm Stellweg; 30 N Belastbarkeit; 250 mm/s maximale Geschwindigkeit; Inkrementeller Linearencoder, 20 µm Sensorsignalperiode, Sin/Cos, 1 V Spitze-Spitze; 0,45 m Kabellänge
A-141 PIglide MB Miniatur-Lineartisch mit Luftlager
Hohe Leistung, Reinraum-kompatibel, anpassbar
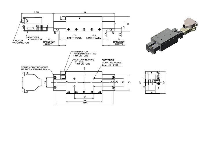
- Größe der Bewegungsplattform 57 mm × 93 mm
- Niedrige Bauhöhe 38 mm
- Stellwege bis 35 mm
- Belastbarkeit bis 3 kg
- Geschwindigkeit bis 0,25 m/s
- Beschleunigung bis 3,5 m/s2
Produktübersicht
Der PIglide MB Lineartisch mit Luftlager verfügt über einen Servo-Linearmotorantrieb mit vorgespannten Luftlagern und integriertem optischen Linearencoder. Dieser Tisch bietet höchste Präzision im Miniaturformat. Die Kombination der berührungslosen Baugruppen ergibt eine reibungslose Bewegungsplattform, die höchste Leistung, Qualität und Lebensdauer bietet.
Zubehör und Optionen
- PIglide Filter und Druckregler
- Ein- und mehrachsige Motion Controller
- Grundplatten aus Granit und Systeme zur Vibrationsminderung
Einsatzgebiete
Der Tisch ist ideal geeignet für viele hochpräzise Anwendungen wie Metrologie, Faserpositioniersysteme, Optikpositionierung und Scanning. Der berührungslose Aufbau ist ideal geeignet für Anwendungen im Reinraum. Es gibt keine bewegten elektrischen Kabel. Die Art der Arretierung des Luftlagermoduls bietet die ultimative Positionsstabilität.
Spezifikationen
Spezifikationen
| Bewegen | A-141.035A1 | Toleranz |
|---|---|---|
| Aktive Achsen | X | |
| Stellweg in X | 35 mm | |
| Beschleunigung in X, unbelastet | 3,5 m/s² | max. |
| Maximale Geschwindigkeit in X, unbelastet | 250 mm/s | |
| Geradheit (Lineares Übersprechen in Y bei Bewegung in X) | ± 0,1 µm | max. |
| Ebenheit (Lineares Übersprechen in Z bei Bewegung in X) | ± 0,1 µm | max. |
| Rollen (Rotatorisches Übersprechen in θX bei Bewegung in X) | ± 5 µrad | max. |
| Neigen (Rotatorisches Übersprechen in θY bei Bewegung in X) | ± 5 µrad | max. |
| Gieren (Rotatorisches Übersprechen in θZ bei Bewegung in X) | ± 5 µrad | max. |
| Positionieren | A-141.035A1 | Toleranz |
| Positioniergenauigkeit in X, kalibriert | ± 0,2 µm | typ. |
| Positioniergenauigkeit in X, unkalibriert | ± 2 µm | typ. |
| Bidirektionale Wiederholgenauigkeit in X | 0,1 µm | typ. |
| Referenzschalter | Encoder-Index | |
| Endschalter | Hall-Effekt | |
| Integrierter Sensor | Inkrementeller Linearencoder | |
| Sensorsignal | Sin/Cos, 1 V Spitze-Spitze | |
| Sensorsignalperiode | 20 µm | |
| Sensorauflösung | 4,88 nm | |
| Antriebseigenschaften | A-141.035A1 | Toleranz |
| Antriebstyp | Eisenloser 3-Phasen-Linearmotor | |
| Nennspannung | 48 V | |
| Spitzenspannung | 80 V | |
| Nennstrom, effektiv | 0,3 A | typ. |
| Spitzenstrom, effektiv | 1,1 A | typ. |
| Antriebskraft in X | 0,58 N | typ. |
| Spitzenkraft in X | 2,3 N | |
| Kraftkonstante | 2,1 N/A | |
| Widerstand Phase-Phase | 22,4 Ω | typ. |
| Induktivität Phase-Phase | 1 mH | |
| Gegen-EMK Phase-Phase | 0,7 V·s/m | max. |
| Polteilung N-N | 18 mm | |
| Mechanische Eigenschaften | A-141.035A1 | Toleranz |
| Zulässige Druckkraft in Z | 30 N | max. |
| Zulässiges Moment in θX | 1,1 N·m | max. |
| Zulässiges Moment in θY | 2,8 N·m | max. |
| Bewegte Masse in X, unbelastet | 300 g | |
| Führung | Luftlagerführung mit Luft-Vorspannung | |
| Gesamtmasse | 600 g | |
| Material | Hartbeschichtetes Aluminium, Befestigungsmaterial aus Edelstahl | |
| Anschlüsse und Umgebung | A-141.035A1 | Toleranz |
| Betriebstemperaturbereich | +15 bis +25 °C | |
| Anschluss | D-Sub 9W4 (m) | |
| Sensoranschluss | D-Sub 15-polig (m) | |
| Betriebsdruck | 445 bis 515 (65 bis 75 psi) kPa | |
| Luftdurchsatz | 28 L/min | max. |
| Luftqualität | Rein (gefiltert bis zu 1,0 μm oder besser) - ISO 8573–1 Klasse 1 Ölfrei - ISO 8573–1 Klasse 1 Trocken (-15 °C Taupunkt) - ISO 8573–1 Klasse 3 | |
| Kabellänge | 0,45 m | |
| Empfohlene Controller / Treiber | A-81x, A-82x |
Downloads
Datenblatt
Dokumentation
Benutzerhandbuch A141D001
A-141 Series Miniature Linear Air Bearing Stage
3-D-Modelle
A-141 3D-Modell
Angebot / Bestellung
Fordern Sie ein unverbindliches Angebot über gewünschte Stückzahlen, Preise und Lieferzeiten an oder beschreiben Sie Ihre gewünschte Modifikation.
Angebot anfordern
Fragen Sie den Fachmann!
Erhalten Sie innerhalb kürzester Zeit per E-Mail oder Telefon eine Rückmeldung zu Ihren Fragen von einem PI Vertriebsingenieur.




















