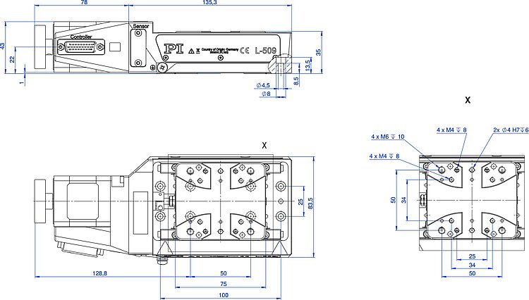
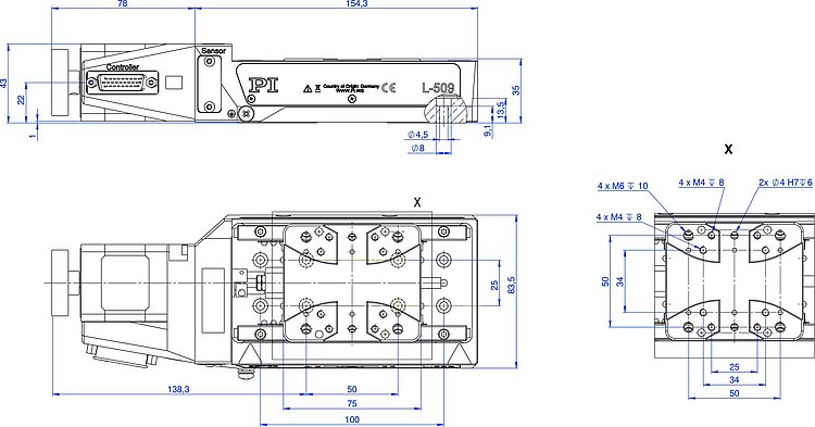
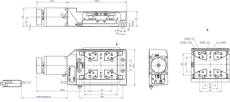
Vakuumgeeigneter Präzisions-Lineartisch; 2-Phasen-Schrittmotor; 26 mm Stellweg; 100 N Belastbarkeit; 10 mm/s maximale Geschwindigkeit; Kugelumlaufspindel; vakuumkompatibel bis 10⁻⁶ hPa
L-509 V6 • V7 • V9 Vakuumgeeigneter Präzisions-Lineartisch
Kompakte Bauform, für Lasten bis 10 kg
- Vakuumgeeignet bis zu 10-9 hPa
- Stellwege von 26 bis 102 mm (1" bis 4")
- Wiederholgenauigkeit bis 0,1 µm
- DC-Getriebemotor, Schrittmotor
- Richtungserkennender Referenzschalter
- Mehrachsaufbauten möglich












Produktübersicht
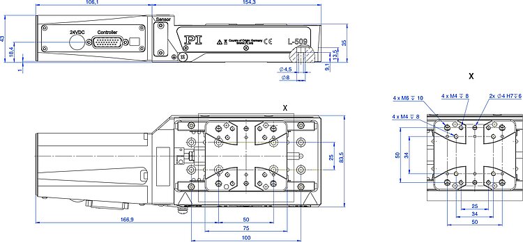
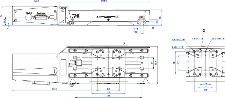
Hohe Ablaufgenauigkeit und Belastbarkeit durch Kreuzrollenführungen mit Käfig-Zwangsführung. Präzisions-Kugelumlaufspindel mit 1 mm Steigung. Kompaktes Design. Grundprofil aus entspanntem Aluminium für hohe Stabilität. Endschalter. Kontaktloser optischer Referenzschalter mit Richtungserkennung in der Mitte des Stellwegs.
Reduziertes Ausgasen speziell für den Einsatz in Vakuumumgebung
Insbesondere die Schmierung der Führung und der Spindel ist mit einem besonders ausgasarmen Stoff durchgeführt. Damit kann eine Ausheiztemperatur bis 80 °C erreicht werden. Durch diese und weitere Modifikationen der PI Vakuumklasse V6 kann dieser Positionierer bei bis zu 10-6 hPa verwendet werden.
Höhere Güte für Anwendungen im Hochvakuum
Hier werden spezielle hochvakuumgeeignete Komponenten eingesetzt, wie Motor, Messsystem und Endschalter. Zusätzlich ist die Oberfläche aus blankem Aluminium, Spindeln und Führungen sind aus Edelstahl. Dadurch wird die PI Vakuumklasse V7 erreicht, d. h. bis zu 10-7 hPa.
Höchste Güte für spezielle Anforderungen im Ultrahochvakuum
In dieser Vakuumklasse wird das Produkt durch ultrahochvakuumgeeignete Komponenten und in allen Details optimiert, um die PI Vakuumklasse V9 bis zu 10-9 hPa zu erreichen. Dafür werden unter anderem nur ausgewählte Kunststoffarten und eine Ausheiztemperatur von 120 °C mit Messsystem bzw. von 150 °C ohne Messsystem verwendet.
Erhältliche Motortypen
- DC-Servomotor mit Getriebe für hohe Drehmomente und Auflösung bei geringer Motorleistung, bis 10-6 hPa
- 2-Phasen-Schrittmotor für kleine Geschwindigkeiten und hohe Auflösung, bis 10-9 hPa
Arten der Positionsmessung
- Ohne Encoder (Open-Loop)
- Integrierter Rotationsencoder auf der Motorwelle
Einsatzgebiete
Vakuumkammern. Forschung. Beamline-Instrumentierung. Mikroskopie. Elektronikmontage und -inspektion.
Spezifikationen
Spezifikationen
| Bewegen | L-509.021100V6 | L-509.031100V6 | L-509.051100V6 | L-509.024132V6 | L-509.034132V6 | L-509.054132V6 | L-509.021300V7 | L-509.031300V7 | L-509.051300V7 | L-509.031600V9 | L-509.051600V9 | Toleranz |
|---|---|---|---|---|---|---|---|---|---|---|---|---|
| Aktive Achsen | X | X | X | X | X | X | X | X | X | X | X | |
| Stellweg in X | 26 mm | 52 mm | 102 mm | 26 mm | 52 mm | 102 mm | 26 mm | 52 mm | 102 mm | 52 mm | 102 mm | |
| Maximale Geschwindigkeit in X, unbelastet | 10 mm/s | 10 mm/s | 10 mm/s | 1,5 mm/s | 1,5 mm/s | 1,5 mm/s | 10 mm/s | 10 mm/s | 10 mm/s | 10 mm/s | 10 mm/s | |
| Geradheitsabweichung in Y (Geradheit) | ± 2 µm | ± 4 µm | ± 8 µm | ± 2 µm | ± 4 µm | ± 8 µm | ± 2 µm | ± 4 µm | ± 8 µm | ± 4 µm | ± 8 µm | typ. |
| Geradheitsabweichung in Z (Ebenheit) | ± 2 µm | ± 4 µm | ± 8 µm | ± 2 µm | ± 4 µm | ± 8 µm | ± 2 µm | ± 4 µm | ± 8 µm | ± 4 µm | ± 8 µm | typ. |
| Winkelabweichung um Y (Nicken) | ± 60 µrad | ± 90 µrad | ± 120 µrad | ± 60 µrad | ± 90 µrad | ± 120 µrad | ± 60 µrad | ± 90 µrad | ± 120 µrad | ± 90 µrad | ± 120 µrad | typ. |
| Winkelabweichung um Z (Gieren) | ± 60 µrad | ± 90 µrad | ± 120 µrad | ± 60 µrad | ± 90 µrad | ± 120 µrad | ± 60 µrad | ± 90 µrad | ± 120 µrad | ± 90 µrad | ± 120 µrad | typ. |
| Positionieren | L-509.021100V6 | L-509.031100V6 | L-509.051100V6 | L-509.024132V6 | L-509.034132V6 | L-509.054132V6 | L-509.021300V7 | L-509.031300V7 | L-509.051300V7 | L-509.031600V9 | L-509.051600V9 | Toleranz |
| Kleinste Schrittweite in X | 0,1 µm | 0,1 µm | 0,1 µm | 0,1 µm | 0,1 µm | 0,1 µm | 0,1 µm | 0,1 µm | 0,1 µm | 0,1 µm | 0,1 µm | typ. |
| Unidirektionale Wiederholgenauigkeit in X | ± 0,15 µm | ± 0,15 µm | ± 0,15 µm | ± 0,05 µm | ± 0,05 µm | ± 0,05 µm | ± 0,15 µm | ± 0,15 µm | ± 0,15 µm | ± 0,15 µm | ± 0,15 µm | typ. |
| Endschalter | Gabellichtschranke, Öffner, 5 V, NPN | Gabellichtschranke, Öffner, 5 V, NPN | Gabellichtschranke, Öffner, 5 V, NPN | Gabellichtschranke, Öffner, 5 V, NPN | Gabellichtschranke, Öffner, 5 V, NPN | Gabellichtschranke, Öffner, 5 V, NPN | Mechanisch | Mechanisch | Mechanisch | Mechanisch | Mechanisch | |
| Sensorsignal Motorencoder | — | — | — | A/B-Quadratur, RS-422 | A/B-Quadratur, RS-422 | A/B-Quadratur, RS-422 | — | — | — | — | — | |
| Motorencoder | — | — | — | Inkrementeller Rotationsencoder | Inkrementeller Rotationsencoder | Inkrementeller Rotationsencoder | — | — | — | — | — | |
| Antriebseigenschaften | L-509.021100V6 | L-509.031100V6 | L-509.051100V6 | L-509.024132V6 | L-509.034132V6 | L-509.054132V6 | L-509.021300V7 | L-509.031300V7 | L-509.051300V7 | L-509.031600V9 | L-509.051600V9 | Toleranz |
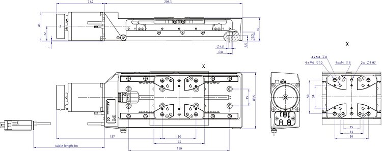
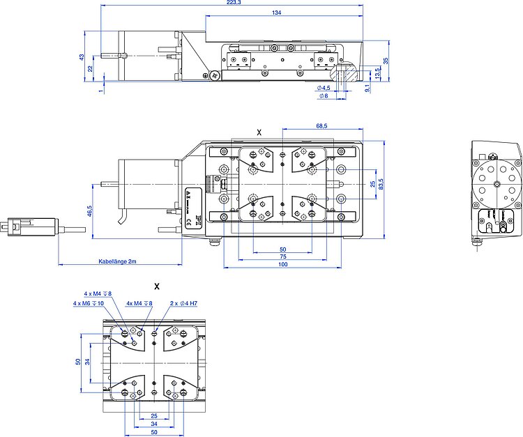
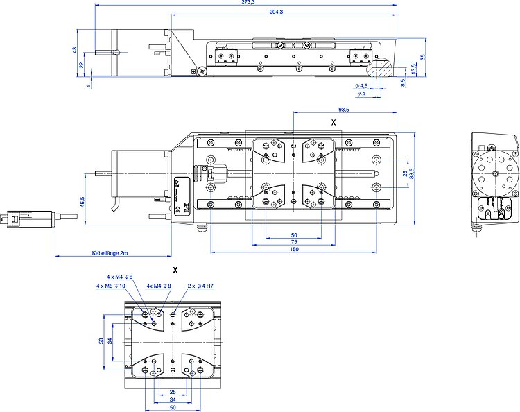
| Antriebstyp | 2-Phasen-Schrittmotor | 2-Phasen-Schrittmotor | 2-Phasen-Schrittmotor | DC-Getriebemotor | DC-Getriebemotor | DC-Getriebemotor | 2-Phasen-Schrittmotor | 2-Phasen-Schrittmotor | 2-Phasen-Schrittmotor | 2-Phasen-Schrittmotor | 2-Phasen-Schrittmotor | |
| Nennspannung | 24 V | 24 V | 24 V | 12 V | 12 V | 12 V | 24 V | 24 V | 24 V | 24 V | 24 V | |
| Maximale Leistungsaufnahme | 10 W | 10 W | 10 W | — | — | — | 10 W | 10 W | 10 W | 10 W | 10 W | |
| Motorauflösung | 200 Vollschritte/U | 200 Vollschritte/U | 200 Vollschritte/U | — | — | — | 200 Vollschritte/U | 200 Vollschritte/U | 200 Vollschritte/U | 200 Vollschritte/U | 200 Vollschritte/U | |
| Antriebskraft in positiver Bewegungsrichtung in X | 60 N | 60 N | 60 N | 60 N | 60 N | 60 N | 60 N | 60 N | 60 N | 60 N | 60 N | typ. |
| Antriebskraft in negativer Bewegungsrichtung in X | 60 N | 60 N | 60 N | 60 N | 60 N | 60 N | 60 N | 60 N | 60 N | 60 N | 60 N | typ. |
| Widerstand Phase-Phase | 3,3 Ω | 3,3 Ω | 3,3 Ω | 4,09 Ω | 4,09 Ω | 4,09 Ω | 1,7 Ω | 1,7 Ω | 1,7 Ω | 1,7 Ω | 1,7 Ω | typ. |
| Induktivität Phase-Phase | 2,8 mH | 2,8 mH | 2,8 mH | 0,18 mH | 0,18 mH | 0,18 mH | 3 mH | 3 mH | 3 mH | 3 mH | 3 mH | |
| Gegen-EMK Phase-Phase, rotatorisch | — | — | — | 1,68 V/kRPM | 1,68 V/kRPM | 1,68 V/kRPM | — | — | — | — | — | max. |
| Mechanische Eigenschaften | L-509.021100V6 | L-509.031100V6 | L-509.051100V6 | L-509.024132V6 | L-509.034132V6 | L-509.054132V6 | L-509.021300V7 | L-509.031300V7 | L-509.051300V7 | L-509.031600V9 | L-509.051600V9 | Toleranz |
| Zulässige Druckkraft in Y | 50 N | 50 N | 50 N | 50 N | 50 N | 50 N | 50 N | 50 N | 50 N | 50 N | 50 N | max. |
| Zulässige Druckkraft in Z | 100 N | 100 N | 100 N | 100 N | 100 N | 100 N | 100 N | 100 N | 100 N | 100 N | 100 N | max. |
| Zulässiges Moment in θX | 30 N·m | 30 N·m | 30 N·m | 30 N·m | 30 N·m | 30 N·m | 30 N·m | 30 N·m | 30 N·m | 30 N·m | 30 N·m | max. |
| Zulässiges Moment in θY | 25 N·m | 25 N·m | 25 N·m | 25 N·m | 25 N·m | 25 N·m | 25 N·m | 25 N·m | 25 N·m | 25 N·m | 25 N·m | max. |
| Zulässiges Moment in θZ | 20 N·m | 20 N·m | 20 N·m | 20 N·m | 20 N·m | 20 N·m | 20 N·m | 20 N·m | 20 N·m | 20 N·m | 20 N·m | max. |
| Haltekraft in X, passiv | 50 N | 50 N | 50 N | 50 N | 50 N | 50 N | 50 N | 50 N | 50 N | 30 N | 30 N | |
| Bewegte Masse in X, unbelastet | 220 g | 220 g | 220 g | 220 g | 220 g | 220 g | 220 g | 220 g | 220 g | 220 g | 220 g | |
| Spindeltyp | Kugelumlaufspindel | Kugelumlaufspindel | Kugelumlaufspindel | Kugelumlaufspindel | Kugelumlaufspindel | Kugelumlaufspindel | Kugelumlaufspindel | Kugelumlaufspindel | Kugelumlaufspindel | Kugelumlaufspindel | Kugelumlaufspindel | |
| Spindelsteigung | 1 mm | 1 mm | 1 mm | 1 mm | 1 mm | 1 mm | 1 mm | 1 mm | 1 mm | 1 mm | 1 mm | |
| Getriebeuntersetzung i | — | — | — | 2401 : 81 | 2401 : 81 | 2401 : 81 | — | — | — | — | — | |
| Führung | Kreuzrollenführung | Kreuzrollenführung | Kreuzrollenführung | Kreuzrollenführung | Kreuzrollenführung | Kreuzrollenführung | Kreuzrollenführung | Kreuzrollenführung | Kreuzrollenführung | Kreuzrollenführung | Kreuzrollenführung | |
| Gesamtmasse | 1400 g | 1500 g | 1700 g | 1100 g | 1200 g | 1500 g | 1000 g | 1100 g | 1600 g | 1400 g | 1600 g | |
| Material | Aluminium, Stahl | Aluminium, Stahl | Aluminium, Stahl | Aluminium, Stahl | Aluminium, Stahl | Aluminium, Stahl | Aluminium, Stahl | Aluminium, Stahl | Aluminium, Stahl | Aluminium, Stahl | Aluminium, Stahl | |
| Anschlüsse und Umgebung | L-509.021100V6 | L-509.031100V6 | L-509.051100V6 | L-509.024132V6 | L-509.034132V6 | L-509.054132V6 | L-509.021300V7 | L-509.031300V7 | L-509.051300V7 | L-509.031600V9 | L-509.051600V9 | Toleranz |
| Betriebstemperaturbereich | 5 bis 40 °C | 5 bis 40 °C | 5 bis 40 °C | 5 bis 40 °C | 5 bis 40 °C | 5 bis 40 °C | 5 bis 40 °C | 5 bis 40 °C | 5 bis 40 °C | 5 bis 40 °C | 5 bis 40 °C | |
| Vakuumklasse | 10⁻⁶ ǀ hPa | 10⁻⁶ ǀ hPa | 10⁻⁶ ǀ hPa | 10⁻⁶ ǀ hPa | 10⁻⁶ ǀ hPa | 10⁻⁶ ǀ hPa | 10⁻⁷ ǀ hPa | 10⁻⁷ ǀ hPa | 10⁻⁷ ǀ hPa | 10⁻⁹ ǀ hPa | 10⁻⁹ ǀ hPa | |
| Maximale Ausheiztemperatur | 80 °C | 80 °C | 80 °C | 80 °C | 80 °C | 80 °C | 80 °C | 80 °C | 80 °C | 150 °C | 150 °C | |
| Anschluss | HD D-Sub 26 (m) | HD D-Sub 26 (m) | HD D-Sub 26 (m) | HD D-Sub 26 (m) | HD D-Sub 26 (m) | HD D-Sub 26 (m) | D-Sub 15 (w) | D-Sub 15 (w) | D-Sub 15 (w) | D-Sub 15 (w) | D-Sub 15 (w) | |
| Kabellänge | 2 m | 2 m | 2 m | 2 m | 2 m | 2 m | 2 m | 2 m | 2 m | 2 m | 2 m | |
| Empfohlene Controller/Treiber | C-663.12 C-885 mit C-663.12C885 G-901 G-910 Modularer ACS-Controller | C-663.12 C-885 mit C-663.12C885 G-901 G-910 Modularer ACS-Controller | C-663.12 C-885 mit C-663.12C885 G-901 G-910 Modularer ACS-Controller | C-863 C-885 mit C-863.20C885 C-884 G-901 G-910 Modularer ACS-Controller | C-863 C-885 mit C-863.20C885 C-884 G-901 G-910 Modularer ACS-Controller | C-863 C-885 mit C-863.20C885 C-884 G-901 G-910 Modularer ACS-Controller | C-663.12 C-885 mit C-663.12C885 G-901 G-910 Modularer ACS-Controller | C-663.12 C-885 mit C-663.12C885 G-901 G-910 Modularer ACS-Controller | C-663.12 C-885 mit C-663.12C885 G-901 G-910 Modularer ACS-Controller | C-663.12 C-885 mit C-663.12C885 G-901 G-910 Modularer ACS-Controller | C-663.12 C-885 mit C-663.12C885 G-901 G-910 Modularer ACS-Controller |
Technische Daten werden bei PI bei 22 ±3 °C spezifiziert. Die angegebenen Werte gelten im unbelasteten Zustand, wenn nicht anders angegeben. Teilweise sind Eigenschaften voneinander abhängig. Die Angabe "typ." kennzeichnet einen statistischen Mittelwert für eine Eigenschaft; sie gibt keinen garantierten Wert für jedes ausgelieferte Produkt an. Bei der Ausgangsprüfung eines Produkts werden nicht alle, sondern nur ausgewählte Eigenschaften geprüft. Beachten Sie, dass sich einige Produkteigenschaften mit zunehmender Betriebsdauer verschlechtern können.
Downloads
Datenblatt
Dokumentation
User Manual MP186
This document describes the following precision linear positioner, vacuum-compatible 1 E-7 hPa: L-509.0x1300V7; L-509.0x1311V7
User Manual L509T0018
L-509 Vacuum-Compatible Precision Linear Positioner (1E-9 hPa)
Benutzerhandbuch MP174
L-509 Vakuumtauglicher Präzisions-Lineartisch (1 E-6 hPa)
3-D-Modelle
3D-Modell L-509.0x1100V6
3D-Modell-L-509.0x1300V7
3D-Modell-L-509.0x1600V9
3D-Modell-L-509.0x4132V6
Angebot / Bestellung
Fordern Sie ein unverbindliches Angebot über gewünschte Stückzahlen, Preise und Lieferzeiten an oder beschreiben Sie Ihre gewünschte Modifikation.
Vakuumgeeigneter Präzisions-Lineartisch; 2-Phasen-Schrittmotor; 52 mm Stellweg; 100 N Belastbarkeit; 10 mm/s maximale Geschwindigkeit; Kugelumlaufspindel; vakuumkompatibel bis 10⁻⁶ hPa
Vakuumgeeigneter Präzisions-Lineartisch; 2-Phasen-Schrittmotor; 102 mm Stellweg; 100 N Belastbarkeit; 10 mm/s maximale Geschwindigkeit; Kugelumlaufspindel; vakuumkompatibel bis 10⁻⁶ hPa
Vakuumgeeigneter Präzisions-Lineartisch; DC-Getriebemotor; 26 mm Stellweg; 100 N Belastbarkeit; 1,5 mm/s maximale Geschwindigkeit; Kugelumlaufspindel; Inkrementeller Rotationsencoder, A/B-Quadratur, RS-422; vakuumkompatibel bis 10⁻⁶ hPa
Vakuumgeeigneter Präzisions-Lineartisch; DC-Getriebemotor; 52 mm Stellweg; 100 N Belastbarkeit; 1,5 mm/s maximale Geschwindigkeit; Kugelumlaufspindel; Inkrementeller Rotationsencoder, A/B-Quadratur, RS-422; vakuumkompatibel bis 10⁻⁶ hPa
Vakuumgeeigneter Präzisions-Lineartisch; DC-Getriebemotor; 102 mm Stellweg; 100 N Belastbarkeit; 1,5 mm/s maximale Geschwindigkeit; Kugelumlaufspindel; Inkrementeller Rotationsencoder, A/B-Quadratur, RS-422; vakuumkompatibel bis 10⁻⁶ hPa
Vakuumgeeigneter Präzisions-Lineartisch; 2-Phasen-Schrittmotor; 26 mm Stellweg; 100 N Belastbarkeit; 10 mm/s maximale Geschwindigkeit; Kugelumlaufspindel; vakuumkompatibel bis 10⁻⁷ hPa; 2 m Kabellänge
Vakuumgeeigneter Präzisions-Lineartisch; 2-Phasen-Schrittmotor; 52 mm Stellweg; 100 N Belastbarkeit; 10 mm/s maximale Geschwindigkeit; Kugelumlaufspindel; vakuumkompatibel bis 10⁻⁷ hPa; 2 m Kabellänge
Vakuumgeeigneter Präzisions-Lineartisch; 2-Phasen-Schrittmotor; 102 mm Stellweg; 100 N Belastbarkeit; 10 mm/s maximale Geschwindigkeit; Kugelumlaufspindel; vakuumkompatibel bis 10⁻⁷ hPa; 2 m Kabellänge
Vakuumgeeigneter Präzisions-Lineartisch; 2-Phasen-Schrittmotor; 52 mm Stellweg; 100 N Belastbarkeit; 10 mm/s maximale Geschwindigkeit; Kugelumlaufspindel; vakuumkompatibel bis 10⁻⁹ hPa; 2 m Kabellänge
Vakuumgeeigneter Präzisions-Lineartisch; 2-Phasen-Schrittmotor; 102 mm Stellweg; 100 N Belastbarkeit; 10 mm/s maximale Geschwindigkeit; Kugelumlaufspindel; vakuumkompatibel bis 10⁻⁹ hPa; 2 m Kabellänge
Angebot anfordern
Fragen Sie den Fachmann!
Erhalten Sie innerhalb kürzester Zeit per E-Mail oder Telefon eine Rückmeldung zu Ihren Fragen von einem PI Vertriebsingenieur.
Technologie

Vakuum
Sorgfältige Handhabung und adäquate Räumlichkeiten: PI verfügt nicht nur über die Ausstattung zur Qualifizierung von Materialien, Komponenten und Endprodukten, sondern auch über langjährige Erfahrung im Bereich der HV- und UHV-Positioniersysteme.

Drehende Elektromotoren
Die drehenden Elektromotoren, wie zum Beispiel DC- oder Schrittmotoren, werden in Verbindung mit Spindel- oder Schneckenantrieb eingesetzt.























