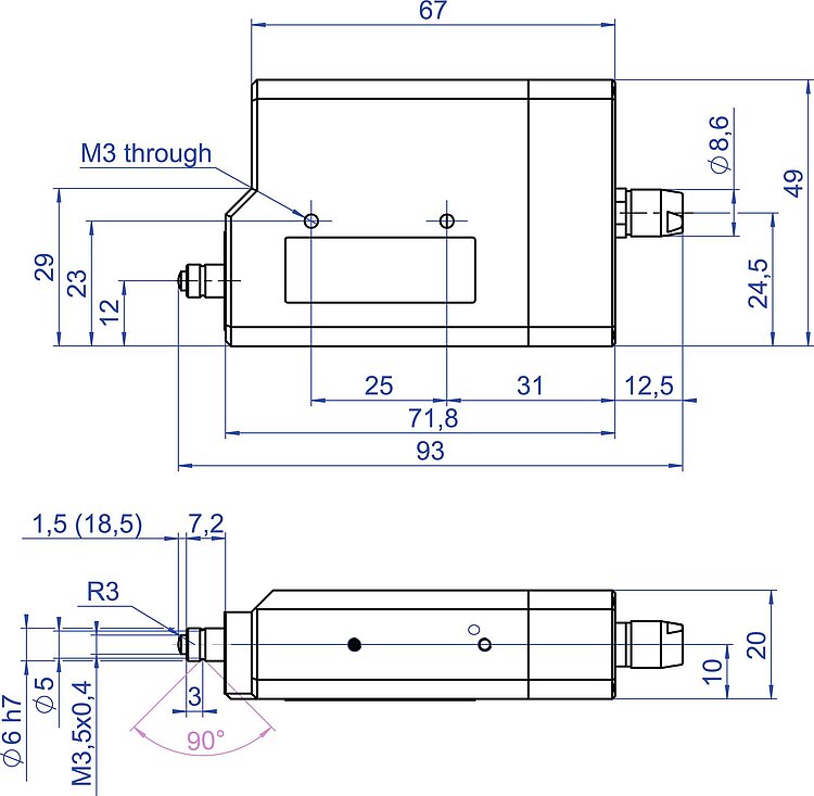
Hochauflösender Linearaktor mit DC-Motor; DC-Getriebemotor; 17 mm Stellweg; 40 N Vorschubkraft; 1,5 mm/s maximale Geschwindigkeit; Trapezgewindespindel; Inkrementeller Rotationsencoder, 2048 Impulse/U Sensorauflösung; Endschalter: Hall-Effekt; 0,5 m Kabellänge
M-232 Hochauflösender Linearaktor mit DC-Motor
Kompakt durch gefalteten Antrieb
- Stellweg 17 mm
- Kleinste Schrittweite 0,1 µm
- Geschwindigkeit bis 1,5 mm/s
- Geregelter DC-Motor
- MTBF >5000 h
Kompakter Linearantrieb der Präzisionsklasse
Hochauflösender Linearaktor, DC-Motor. Kompakte Bauform durch gefalteten Antrieb. Drehendes Kopfstück, drehender Stößel. Positionsgeregelte DC-Motoren mit Getriebe und hochauflösenden Rotationsencodern ermöglichen eine Schrittweite und Wiederholgenauigkeit von nur 100 nm
Passt an den M-105 Mikrostelltisch.
Hochwertige Komponenten
Extrem reibungsarme und spielfreie Konstruktion. Kontaktlose Endschalter schützen die Mechanik. Positionsgeregelte Varianten mit differentiellem Encodertreiber im Stecker für die sichere Signalübertragung über bis zu 10 m
Einsatzgebiete
Präzisionsjustage, motorisierter Ersatz für Mikrometerschrauben.
Spezifikationen
Dieser Inhalt ist nur auf Tablets oder Desktop Geräten verfügbar.Spezifikationen
| Bewegen | M-232.17 | Toleranz |
|---|---|---|
| Aktive Achsen | X | |
| Stellweg in X | 17 mm | |
| Maximale Geschwindigkeit in X, unbelastet | 1,5 mm/s | |
| Positionieren | M-232.17 | Toleranz |
| Kleinste Schrittweite in X | 0,1 µm | typ. |
| Unidirektionale Wiederholgenauigkeit in X | ± 0,2 µm | typ. |
| Umkehrspiel in X | 2 µm | typ. |
| Referenzschalter | Encoder-Index | |
| Endschalter | Hall-Effekt | |
| Integrierter Sensor | Inkrementeller Rotationsencoder | |
| Sensorauflösung | 2048 Impulse/U | |
| Antriebseigenschaften | M-232.17 | Toleranz |
| Antriebstyp | DC-Getriebemotor | |
| Betriebsspannung | 0 bis ±12 V | |
| Antriebskraft in X | 40 N | typ. |
| Mechanische Eigenschaften | M-232.17 | Toleranz |
| Spindeltyp | Trapezgewindespindel | |
| Spindelsteigung | 0,4 mm | |
| Getriebeuntersetzung i | 28,44444 : 1 | |
| Gesamtmasse | 170 g | |
| Material | Aluminium eloxiert, Chromstahl | |
| Anschlüsse und Umgebung | M-232.17 | Toleranz |
| Betriebstemperaturbereich | -20 bis 65 °C | |
| Anschluss | D-Sub 15-polig (m) | |
| Kabellänge | 0,5 m | |
| Empfohlene Controller / Treiber | C-863.12 C-885 mit C-863.20C885 C-884 |
Downloads
Produktmitteilung
Product Change Notification Lable Change M-products
Product Change Notification M-Portfolio Streamlining 2
M-227.10S, M-230.10V, M-230.25V, M-232.17S, M-235.22S, M-235.2VD, M-235.2VG, M-235.52S, M-235.5VD, M-235.5VG
Dokumentation
Kurzanleitung MP122EK
Linearaktoren: M-168 / M-22x / M-23x
Benutzerhandbuch MP105
M-232 Kompakter Hochauflösender Linearaktor
3-D-Modelle
M-232 3D-Modell
Angebot / Bestellung
Fordern Sie ein unverbindliches Angebot über gewünschte Stückzahlen, Preise und Lieferzeiten an oder beschreiben Sie Ihre gewünschte Modifikation.
Angebot anfordern
Fragen Sie den Fachmann!
Erhalten Sie innerhalb kürzester Zeit per E-Mail oder Telefon eine Rückmeldung zu Ihren Fragen von einem PI Vertriebsingenieur.













