NEXACT® OEM-Miniaturlinearmotor / -aktor; NEXACT® Piezo-Schreitantrieb; 20 mm Stellweg; 10 N Antriebskraft; 10 mm/s maximale Geschwindigkeit; 1,5 m Kabellänge
N-310 NEXACT® OEM-Miniaturlinearmotor / -aktor
Kompakt, schnell, mit großem Stellweg, PiezoWalk® Prinzip
- Stellweg 20 mm
- Kompakte Bauform, preisgünstiges Design
- Auflösung bis 0,03 nm
- Antriebskraft bis 10 N
Nanometer-Präzision und hohe Vorschubkraft mit PiezoWalk® Schreitantrieben
Im PiezoWalk® Schreitantrieb führen mehrere Piezoaktoren eine Schreitbewegung aus, die zum Vorschub eines Läufers führt. Die Ansteuerung der Aktoren ermöglicht kleinste Schritt- und Vorschubbewegungen bei einer Auflösung von weit unter einem Nanometer.
Hochgenaue Positionsmessung mit inkrementellem Linearencoder
Kontaktlose optische Linearencoder messen die Position mit höchster Genauigkeit direkt an der Plattform. Nichtlinearitäten, mechanisches Spiel oder elastische Deformation beeinflussen die Messung nicht.
Einsatzgebiete
- Industrielle Präzisionspositionierung
- Halbleitertechnik
- Halbleitertests
- Wafer-Inspektion
- Lithografie
- Nanoimprint
- Nanometrologie
Spezifikationen
Spezifikationen
| Bewegen | N-310.11 | Toleranz |
|---|---|---|
| Aktive Achsen | X | |
| Stellweg in X | 20 mm | |
| Stellweg in X (Analogbetrieb) | 10 µm | max. |
| Maximale Geschwindigkeit in X, unbelastet | 10 mm/s | |
| Positionieren | N-310.11 | Toleranz |
| Schrittweite im Vollschrittbetrieb | 10 µm | |
| Auflösung in X, ungeregelt | 0,03 nm | typ. |
| Antriebseigenschaften | N-310.11 | Toleranz |
| Antriebstyp | NEXACT® Piezo-Schreitantrieb | |
| Betriebsspannung | -10 bis +45 V | |
| Antriebskraft in X | 10 N | typ. |
| Mechanische Eigenschaften | N-310.11 | Toleranz |
| Haltekraft in X, passiv | 12 N | max. |
| Gesamtmasse | 50 g | ±5 % |
| Material | Edelstahl, Keramik; Kabel: PFA, PTFE | |
| Anschlüsse und Umgebung | N-310.11 | Toleranz |
| Betriebstemperaturbereich | 0 bis 50 °C | |
| Anschluss | HD D-Sub 15 (m) | |
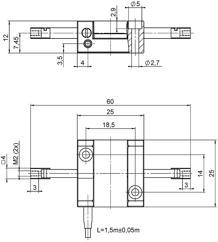
| Kabellänge | 1,5 m | ±50 mm |
| Empfohlene Controller/Treiber | E-713, E-861, E-861.11C885 |
Maximale Geschwindigkeit in X, unbelastet: abhängig von der Steuerelektronik
Auflösung in X, ungeregelt: abhängig von der Steuerelektronik
Technische Daten werden bei PI bei 22 ±3 °C spezifiziert. Die angegebenen Werte gelten im unbelasteten Zustand, wenn nicht anders angegeben. Teilweise sind Eigenschaften voneinander abhängig. Die Angabe "typ." kennzeichnet einen statistischen Mittelwert für eine Eigenschaft; sie gibt keinen garantierten Wert für jedes ausgelieferte Produkt an. Bei der Ausgangsprüfung eines Produkts werden nicht alle, sondern nur ausgewählte Eigenschaften geprüft. Beachten Sie, dass sich einige Produkteigenschaften mit zunehmender Betriebsdauer verschlechtern können.
Downloads
Datenblatt
Dokumentation
Benutzerhandbuch N310T0012
N-310 NEXACT® OEM Miniatur-Linearantrieb
3-D-Modelle
N-310.11 3D-Modell
Angebot / Bestellung
Fordern Sie ein unverbindliches Angebot über gewünschte Stückzahlen, Preise und Lieferzeiten an oder beschreiben Sie Ihre gewünschte Modifikation.
Angebot anfordern
Fragen Sie den Fachmann!
Erhalten Sie innerhalb kürzester Zeit per E-Mail oder Telefon eine Rückmeldung zu Ihren Fragen von einem PI Vertriebsingenieur.
Technologie

PiezoWalk® Piezoschreitantriebe
PiezoWalk®Antriebe wurden für die Halbleiterindustrie entwickelt, die hohe Anforderungen an die Zuverlässigkeit, Positionsauflösung und Stabilität hat.

Vakuum
Sorgfältige Handhabung und adäquate Räumlichkeiten: PI verfügt nicht nur über die Ausstattung zur Qualifizierung von Materialien, Komponenten und Endprodukten, sondern auch über langjährige Erfahrung im Bereich der HV- und UHV-Positioniersysteme.
![[Translate to German:] Parallel-Kinematic Precision Positioning Systems Hexapoden und SpaceFAB](/fileadmin/_processed_/6/d/csm_PI_Hexapod_0e99ed77db.jpg)
Hexapoden und SpaceFAB
Hexapoden sind Systeme für die Bewegung und Positionierung von Lasten in sechs Freiheitsgraden – in drei translatorischen Achsen und drei rotatorischen Achsen.













