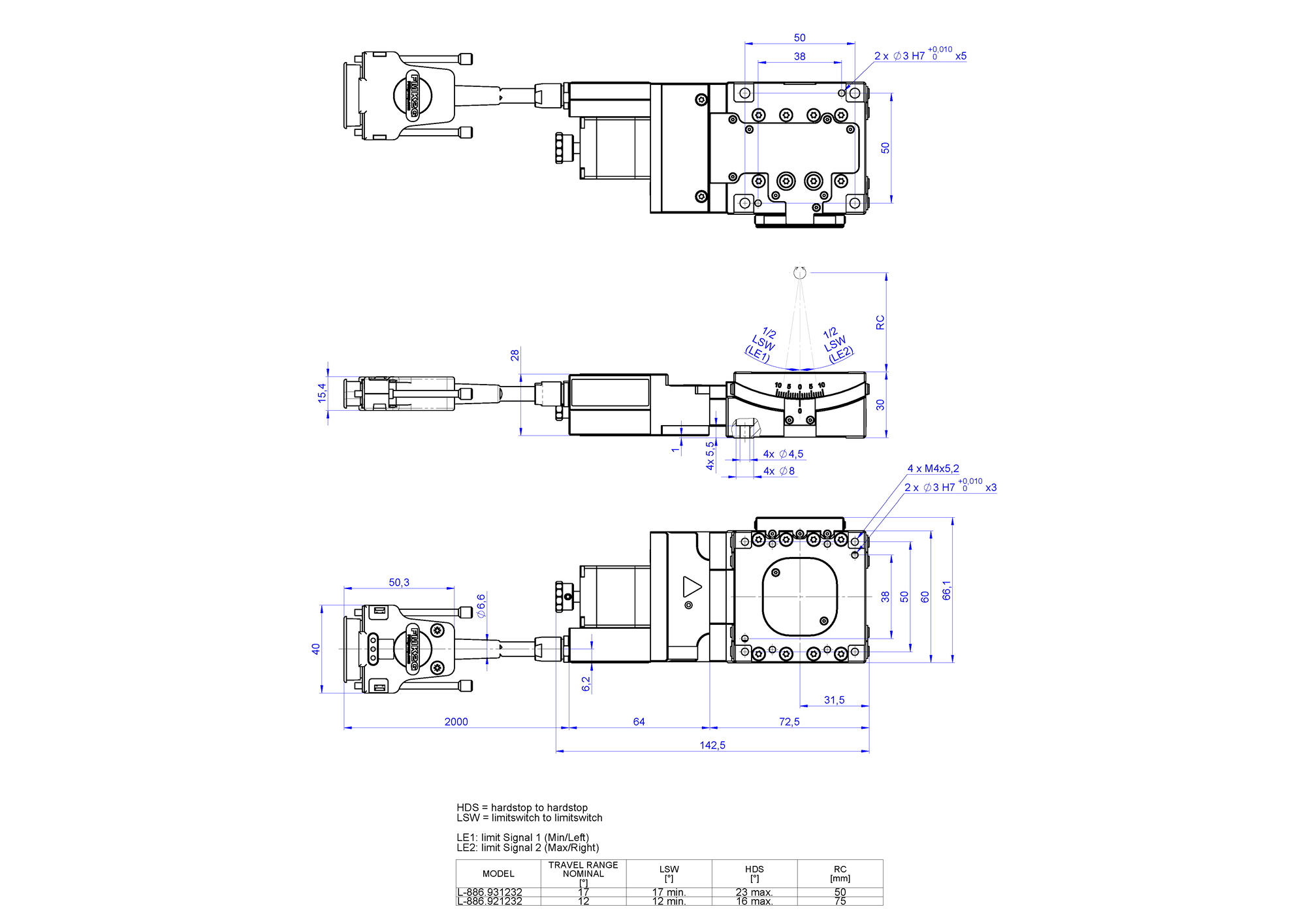
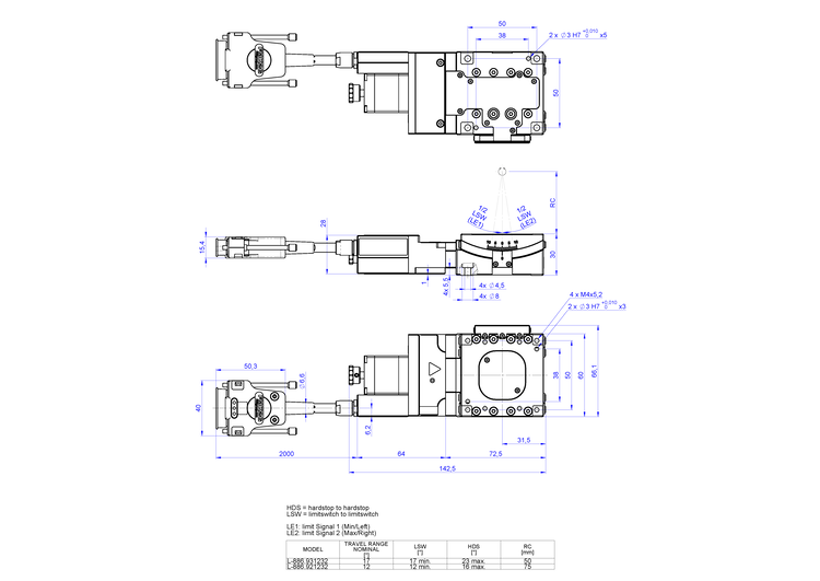
Goniometer mit flacher Auflagefläche; 2-Phasen-Schrittmotor; 12 ° Rotationswinkel; 35 N Belastbarkeit; 10 °/s maximale Winkelgeschwindigkeit; Kugelumlaufspindel; Inkrementeller Linearencoder, 0,8305 µrad Sensorauflösung, rotatorisch, A/B-Quadratur, RS-422; magnetische Endschalter
L-886 Kompaktes Allround-Goniometer
Hohe Leistung, Kosteneffizienz
- Kompaktes Design; 60 mm breit, niedrige Bauhöhe
- Rotationsbereich von 12° bis 17°
- Belastbarkeit bis zu 35 N
- Schrittmotor
- Linearencoder
- Montage auf L-836 möglich
Goniometertisch der Präzisionsklasse
Die L-886 Goniometertische mit Spindelgetriebe sind ideal geeignet für industrielle Anwendungen, die eine hohe Leistung bei kompakter Bauform erfordern. Die hohe Leistung wird durch hochauflösende Schrittmotoren, hochpräzise Vierpunktlager und Präzisions-Linearencoder erreicht.
Kombinationsmöglichkeiten
Die Goniometer können auf L-836 Lineartischen montiert werden. Für 2-Achsenbewegungen sind die L-886 Modelle stapelbar. Wird dabei ein L-886.931232X auf einen L-886.921232[X] montiert, haben die Modelle einen gemeinsamen Drehpunkt.
Schrittmotor und digitaler Linearencoder
Hochauflösende 2-Phasen-Motoren bieten eine Leistung, die mit der von 5-Phasen-Schrittmotoren vergleichbar ist - ohne die Notwendigkeit einer entsprechend teuren Treiberelektronik. Zusätzliche Linearencoder bieten hohe Wiederholgenauigkeit während des Betriebs.
Einsatzgebiete
Photonik. Präzisions-Mikromontage. Anwendungen, die hohe Dynamik und Präzision, zuverlässige Wiederholgenauigkeit und kurze Einschwingzeiten erfordern.
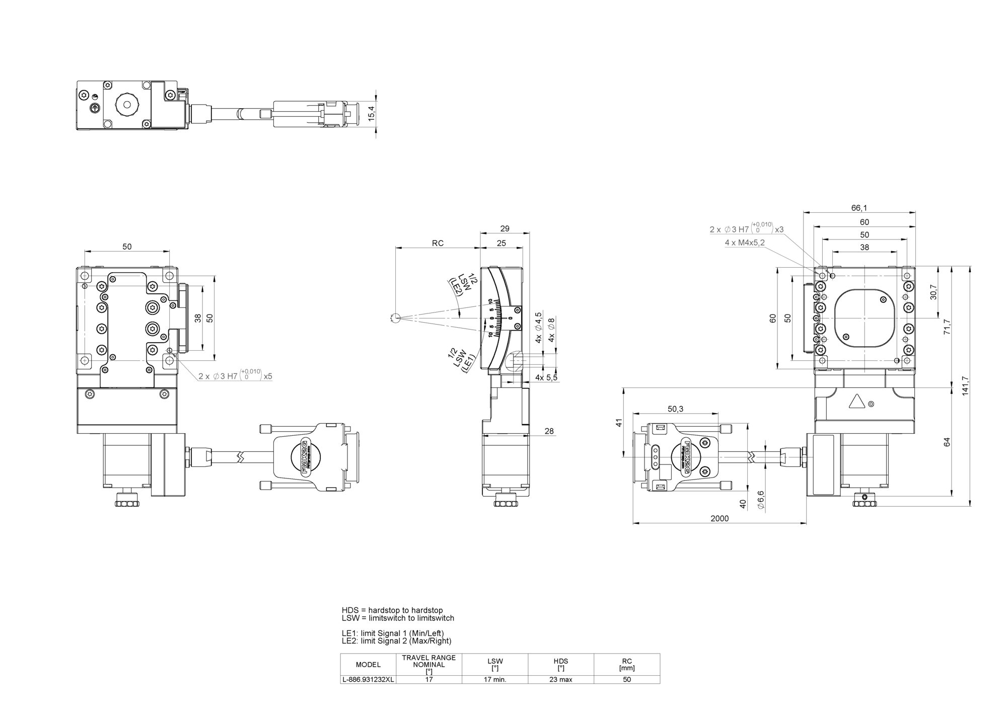
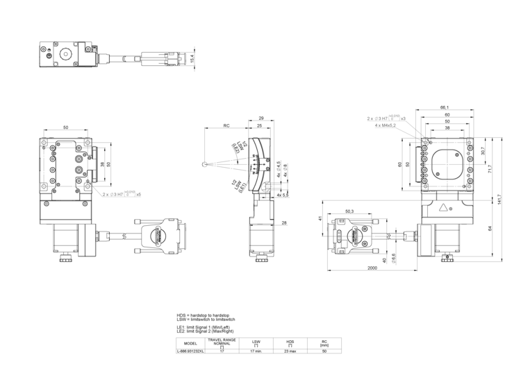
Spezifikationen
Spezifikationen
Bewegen | L-886.921232 | L-886.921232X | L-886.931232 | L-886.931232X | Toleranz |
---|---|---|---|---|---|
Aktive Achsen | θY | θY | θY | θY | |
Rotationsbereich in θY | 12 ° | 12 ° | 17 ° | 17 ° | |
Maximale Winkelgeschwindigkeit in θY, unbelastet | 10 °/s | 10 °/s | 10 °/s | 10 °/s | |
Drehzentrumabweichung | 10 µm | 10 µm | 10 µm | 10 µm | max. |
Positionieren | L-886.921232 | L-886.921232X | L-886.931232 | L-886.931232X | Toleranz |
Kleinste Schrittweite in θY | 5 µrad | 5 µrad | 5 µrad | 5 µrad | typ. |
Bidirektionale Wiederholgenauigkeit in θY | 35 µrad | 35 µrad | 35 µrad | 35 µrad | typ. |
Referenzschalter | Hall-Effekt, Öffner, 5 V, NPN | Hall-Effekt, Öffner, 5 V, NPN | Hall-Effekt, Öffner, 5 V, NPN | Hall-Effekt, Öffner, 5 V, NPN | |
Endschalter | Hall-Effekt, Öffner, 5 V, NPN | Hall-Effekt, Öffner, 5 V, NPN | Hall-Effekt, Öffner, 5 V, NPN | Hall-Effekt, Öffner, 5 V, NPN | |
Integrierter Sensor | Inkrementeller Linearencoder | Inkrementeller Linearencoder | Inkrementeller Linearencoder | Inkrementeller Linearencoder | |
Sensorsignal | A/B-Quadratur, RS-422 | A/B-Quadratur, RS-422 | A/B-Quadratur, RS-422 | A/B-Quadratur, RS-422 | |
Sensorauflösung, rotatorisch | 0,8305 µrad | 0,8305 µrad | 1,122 µrad | 1,122 µrad | |
Antriebseigenschaften | L-886.921232 | L-886.921232X | L-886.931232 | L-886.931232X | Toleranz |
Antriebstyp | 2-Phasen-Schrittmotor | 2-Phasen-Schrittmotor | 2-Phasen-Schrittmotor | 2-Phasen-Schrittmotor | |
Nennspannung | 24 V | 24 V | 24 V | 24 V | |
Spitzenstrom, effektiv | 1,5 A | 1,5 A | 1,5 A | 1,5 A | typ. |
Maximale Leistungsaufnahme | 8 W | 8 W | 8 W | 8 W | |
Motorauflösung | 200 Vollschritte/U | 200 Vollschritte/U | 200 Vollschritte/U | 200 Vollschritte/U | |
Antriebsmoment in θY | 2,6 N·m | 2,6 N·m | 1,7 N·m | 1,7 N·m | |
Phasenwiderstand | 1,18 Ω | 1,18 Ω | 1,18 Ω | 1,18 Ω | typ. |
Phaseninduktivität | 0,96 mH | 0,96 mH | 0,96 mH | 0,96 mH | |
Mechanische Eigenschaften | L-886.921232 | L-886.921232X | L-886.931232 | L-886.931232X | Toleranz |
Zulässige Druckkraft in Z | 35 N | 35 N | 35 N | 35 N | max. |
Haltemoment in θY, passiv | 0,8 N·m | 0,8 N·m | 0,55 N·m | 0,55 N·m | |
Abstand Pivotpunkt-Plattformoberfläche | 75 mm | 75 mm | 50 mm | 50 mm | ±1 mm |
Spindeltyp | Kugelumlaufspindel | Kugelumlaufspindel | Kugelumlaufspindel | Kugelumlaufspindel | |
Spindelsteigung | 1 mm | 1 mm | 1 mm | 1 mm | |
Führung | Kreuzrollenführung | Kreuzrollenführung | Kreuzrollenführung | Kreuzrollenführung | |
Gesamtmasse | 730 g | 710 g | 730 g | 710 g | |
Masse ohne Kabel | 530 g | 500 g | 530 g | 500 g | |
Material | Aluminium, schwarz eloxiert; Edelstahl | Aluminium, schwarz eloxiert; Edelstahl | Aluminium, schwarz eloxiert; Edelstahl | Aluminium, schwarz eloxiert; Edelstahl | |
Anschlüsse und Umgebung | L-886.921232 | L-886.921232X | L-886.931232 | L-886.931232X | Toleranz |
Betriebstemperaturbereich | 5 bis 40 °C | 5 bis 40 °C | 5 bis 40 °C | 5 bis 40 °C | |
Anschluss | HD D-Sub 26 (m) | HD D-Sub 26 (m) | HD D-Sub 26 (m) | HD D-Sub 26 (m) | |
Empfohlene Controller/Treiber | C-663 G-901 G-910 Modularer ACS-Controller | C-663 G-901 G-910 Modularer ACS-Controller | C-663 G-901 G-910 Modularer ACS-Controller | C-663 G-901 G-910 Modularer ACS-Controller |
Hinweis zu Spitzenstrom: Werte gelten pro Phase
Technische Daten werden bei PI bei 22 ±3 °C spezifiziert. Die angegebenen Werte gelten im unbelasteten Zustand, wenn nicht anders angegeben. Teilweise sind Eigenschaften voneinander abhängig. Die Angabe "typ." kennzeichnet einen statistischen Mittelwert für eine Eigenschaft; sie gibt keinen garantierten Wert für jedes ausgelieferte Produkt an. Bei der Ausgangsprüfung eines Produkts werden nicht alle, sondern nur ausgewählte Eigenschaften geprüft. Beachten Sie, dass sich einige Produkteigenschaften mit zunehmender Betriebsdauer verschlechtern können.
Angebot / Bestellung
Fordern Sie ein unverbindliches Angebot über gewünschte Stückzahlen, Preise und Lieferzeiten an oder beschreiben Sie Ihre gewünschte Modifikation.
Goniometer für gestapelte Systeme; 2-Phasen-Schrittmotor; 12 ° Rotationswinkel; 35 N Belastbarkeit; 10 °/s maximale Winkelgeschwindigkeit; Kugelumlaufspindel; Inkrementeller Linearencoder, 0,8305 µrad Sensorauflösung, rotatorisch, A/B-Quadratur, RS-422; magnetische Endschalter
Goniometer mit flacher Auflagefläche; 2-Phasen-Schrittmotor; 17 ° Rotationswinkel; 35 N Belastbarkeit; 10 °/s maximale Winkelgeschwindigkeit; Kugelumlaufspindel; Inkrementeller Linearencoder, 1,122 µrad Sensorauflösung, rotatorisch, A/B-Quadratur, RS-422; magnetische Endschalter
Goniometer für gestapelte Systeme; 2-Phasen-Schrittmotor; 17 ° Rotationswinkel; 35 N Belastbarkeit; 10 °/s maximale Winkelgeschwindigkeit; Kugelumlaufspindel; Inkrementeller Linearencoder, 1,122 µrad Sensorauflösung, rotatorisch, A/B-Quadratur, RS-422; magnetische Endschalter
Angebot anfordern
Fragen Sie den Fachmann!
Erhalten Sie innerhalb kürzester Zeit per E-Mail oder Telefon eine Rückmeldung zu Ihren Fragen von einem PI Vertriebsingenieur.