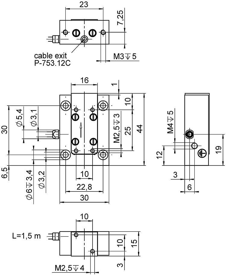
LISA Linearaktor und Positioniertisch; 15 µm Stellweg; Kapazitiv, direkte Positionsmessung; LEMO LVPZT; 1,5 m Kabellänge
P-753 LISA Linearaktor und Positioniertisch
Dynamisch und positionsstabil
- Geführter Stelltisch und Aktor zugleich
- Stellweg bis 38 µm
- Auflösung 0,1 nm
- Besonders schnelles Ansprechverhalten durch Direktantrieb
- Höchste Linearität durch integrierte kapazitive Sensoren
Einsatzgebiete
- Scanning-Mikroskopie
- Messtechnik
- Prüfverfahren und Qualitätssicherung
- Photonik
- Faserpositionierung
Überragende Lebensdauer dank PICMA® Piezoaktoren
Die PICMA® Piezoaktoren sind vollkeramisch isoliert. Dies schützt sie vor Luftfeuchtigkeit und Ausfällen durch erhöhten Leckstrom. PICMA® Aktoren bieten eine bis zu zehnmal höhere Lebensdauer als konventionelle polymerisolierte Aktoren. 100 Milliarden Zyklen ohne einen einzigen Ausfall sind erwiesen.
Sub-Nanometer-Auflösung mit kapazitiven Sensoren
Kapazitive Sensoren messen kontaktfrei mit Sub-Nanometer-Auflösung. Sie garantieren eine herausragende Linearität der Bewegung, eine hohe Langzeitstabilität und eine Bandbreite im kHz-Bereich.
Hohe Führungsgenauigkeit durch spielfreie Festkörpergelenkführungen
Festkörpergelenkführungen sind wartungs-, reibungs- und verschleißfrei und benötigen keine Schmierstoffe. Ihre Steifigkeit macht sie hoch belastbar und unempfindlich gegen Schockbelastungen und Vibrationen. Sie arbeiten in einem weiten Temperaturbereich.
Höchste Genauigkeit durch direkte Positionsmessung
Bewegungen werden direkt an der Bewegungsplattform ohne Beeinflussung durch Antriebs- oder Führungselemente gemessen. Dies ermöglicht eine optimale Wiederholgenauigkeit, eine hervorragende Stabilität und eine steife, schnell ansprechende Regelung.
Höhere Steifigkeit und Dynamik durch PICMA® Direktantrieb
Piezonanopositionierer mit PICMA® Direktantrieb haben keine mechanische Übersetzung. Dies ermöglicht schnelle Ansprechgeschwindigkeiten sowie die höchste erreichbare Steifigkeit und Dynamik im Piezoantriebsbereich.
Spezifikationen
Spezifikationen
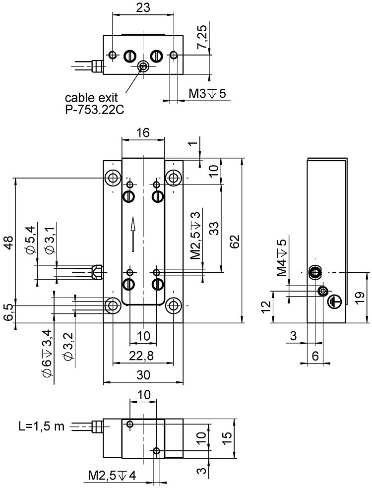
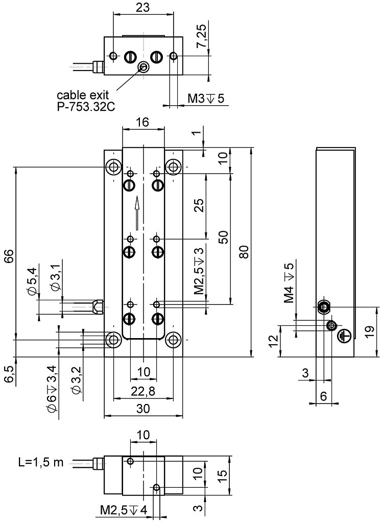
| Bewegen | P-753.11C | P-753.1CD | P-753.21C | P-753.2CD | P-753.31C | P-753.3CD | Toleranz |
|---|---|---|---|---|---|---|---|
| Aktive Achsen | X | X | X | X | X | X | |
| Stellweg in X | 15 µm | 15 µm | 30 µm | 30 µm | 38 µm | 38 µm | |
| Linearitätsabweichung, geregelt | 0,03 % | 0,03 % | 0,03 % | 0,03 % | 0,03 % | 0,03 % | typ. |
| Winkelabweichung E_BX (Nicken) | ± 5 µrad | ± 5 µrad | ± 7 µrad | ± 7 µrad | ± 10 µrad | ± 10 µrad | typ. |
| Winkelabweichung E_CX (Gieren) | ± 5 µrad | ± 5 µrad | ± 7 µrad | ± 7 µrad | ± 10 µrad | ± 10 µrad | typ. |
| Positionieren | P-753.11C | P-753.1CD | P-753.21C | P-753.2CD | P-753.31C | P-753.3CD | Toleranz |
| Integrierter Sensor | Kapazitiv, direkte Positionsmessung | Kapazitiv, direkte Positionsmessung | Kapazitiv, direkte Positionsmessung | Kapazitiv, direkte Positionsmessung | Kapazitiv, direkte Positionsmessung | Kapazitiv, direkte Positionsmessung | |
| Systemauflösung in X | 0,1 nm | 0,1 nm | 0,2 nm | 0,2 nm | 0,25 nm | 0,25 nm | |
| Antriebseigenschaften | P-753.11C | P-753.1CD | P-753.21C | P-753.2CD | P-753.31C | P-753.3CD | Toleranz |
| Antriebstyp | PICMA® | PICMA® | PICMA® | PICMA® | PICMA® | PICMA® | |
| Elektrische Kapazität in X | 1,5 µF | 1,5 µF | 3,1 µF | 3,1 µF | 4,6 µF | 4,6 µF | ±20 % |
| Mechanische Eigenschaften | P-753.11C | P-753.1CD | P-753.21C | P-753.2CD | P-753.31C | P-753.3CD | Toleranz |
| Steifigkeit in X | 45 N/µm | 45 N/µm | 24 N/µm | 24 N/µm | 16 N/µm | 16 N/µm | ±20 % |
| Resonanzfrequenz in X, unbelastet | 5600 Hz | 5600 Hz | 3700 Hz | 3700 Hz | 2900 Hz | 2900 Hz | ±20 % |
| Resonanzfrequenz in X, belastet mit 200 g | 2500 Hz | 2500 Hz | 1700 Hz | 1700 Hz | 1400 Hz | 1400 Hz | ±20 % |
| Zulässige Druckkraft in X | 100 N | 100 N | 100 N | 100 N | 100 N | 100 N | max. |
| Zulässige Druckkraft in Z | 80 N | 80 N | 90 N | 90 N | 100 N | 100 N | max. |
| Zulässige Zugkraft in X | 20 N | 20 N | 20 N | 20 N | 20 N | 20 N | max. |
| Führung | Festkörpergelenksführung mit Hebelübersetzung | Festkörpergelenksführung mit Hebelübersetzung | Festkörpergelenksführung mit Hebelübersetzung | Festkörpergelenksführung mit Hebelübersetzung | Festkörpergelenksführung mit Hebelübersetzung | Festkörpergelenksführung mit Hebelübersetzung | |
| Gesamtmasse | 160 g | 160 g | 215 g | 215 g | 260 g | 260 g | ±5 % |
| Material | Stahl | Stahl | Stahl | Stahl | Stahl | Stahl | |
| Anschlüsse und Umgebung | P-753.11C | P-753.1CD | P-753.21C | P-753.2CD | P-753.31C | P-753.3CD | Toleranz |
| Betriebstemperaturbereich | -20 bis 80 °C | -20 bis 80 °C | -20 bis 80 °C | -20 bis 80 °C | -20 bis 80 °C | -20 bis 80 °C | |
| Anschluss | LEMO LVPZT | D-Sub 7W2 (m) | LEMO LVPZT | D-Sub 7W2 (m) | LEMO LVPZT | D-Sub 7W2 (m) | |
| Sensoranschluss | LEMO für kapazitive Sensoren | — | LEMO für kapazitive Sensoren | — | LEMO für kapazitive Sensoren | — | |
| Kabellänge | 1,5 m | 1,5 m | 1,5 m | 1,5 m | 1,5 m | 1,5 m | +50 / -0 mm |
| Empfohlene Controller / Treiber | E-625, E-709.1C1L, E-754 | E-625, E-709.1C1L, E-754 | E-625, E-709.1C1L, E-754 | E-625, E-709.1C1L, E-754 | E-625, E-709.1C1L, E-754 | E-625, E-709.1C1L, E-754 |
Die Auflösung des Systems wird nur vom Rauschen des Verstärkers und der Messtechnik begrenzt, da PI-Piezo-Nanopositioniersysteme reibungsfrei arbeiten.
Technische Daten werden bei PI bei 22 ±3 °C spezifiziert. Die angegebenen Werte gelten im unbelasteten Zustand, wenn nicht anders angegeben. Teilweise sind Eigenschaften voneinander abhängig. Die Angabe "typ." kennzeichnet einen statistischen Mittelwert für eine Eigenschaft; sie gibt keinen garantierten Wert für jedes ausgelieferte Produkt an. Bei der Ausgangsprüfung eines Produkts werden nicht alle, sondern nur ausgewählte Eigenschaften geprüft. Beachten Sie, dass sich einige Produkteigenschaften mit zunehmender Betriebsdauer verschlechtern können.
Downloads
Produktmitteilung
Product Change Notification Piezo Actuator Driven Products
Datenblatt
Dokumentation
Benutzerhandbuch PZ254
P-753 LISA Hochdynamische Piezo-Nanopositioniersysteme
3-D-Modelle
P-753 3D Modell
Angebot / Bestellung
Fordern Sie ein unverbindliches Angebot über gewünschte Stückzahlen, Preise und Lieferzeiten an oder beschreiben Sie Ihre gewünschte Modifikation.
LISA Linearaktor und Positioniertisch; 15 µm Stellweg; Kapazitiv, direkte Positionsmessung; D-Sub 7W2 (m); 1,5 m Kabellänge
LISA Linearaktor und Positioniertisch; 30 µm Stellweg; Kapazitiv, direkte Positionsmessung; LEMO LVPZT; 1,5 m Kabellänge
LISA Linearaktor und Positioniertisch; 30 µm Stellweg; Kapazitiv, direkte Positionsmessung; D-Sub 7W2 (m); 1,5 m Kabellänge
LISA Linearaktor und Positioniertisch; 38 µm Stellweg; Kapazitiv, direkte Positionsmessung; LEMO LVPZT; 1,5 m Kabellänge
LISA Linearaktor und Positioniertisch; 38 µm Stellweg; Kapazitiv, direkte Positionsmessung; D-Sub 7W2 (m); 1,5 m Kabellänge
Angebot anfordern
Fragen Sie den Fachmann!
Erhalten Sie innerhalb kürzester Zeit per E-Mail oder Telefon eine Rückmeldung zu Ihren Fragen von einem PI Vertriebsingenieur.
Technologie

PICMA® Technologie
Hohe Zuverlässigkeit und überlegene Lebensdauer durch das patentierte Herstellungsverfahren für Multilayer-Aktoren.

Vakuum
Sorgfältige Handhabung und adäquate Räumlichkeiten: PI verfügt nicht nur über die Ausstattung zur Qualifizierung von Materialien, Komponenten und Endprodukten, sondern auch über langjährige Erfahrung im Bereich der HV- und UHV-Positioniersysteme.

Flexure Festkörpergelenke
Festkörpergelenksführungen von PI führen den Piezoaktor und dienen der geradlinigen Bewegung ohne Verkippung oder seitlichen Versatz.

Kapazitive Sensoren
Präzision und Reproduzierbarkeit sind undenkbar ohne Einsätze höchstauflösender Messverfahren. Hier bieten kapazitive Sensoren die besten Ergebnisse.















