PIHera Vertikaler Präzisionspositionierer; 65 µm Stellweg (ungeregelt); LEMO FFS.00.250.CTCE24; 1,5 m Kabellänge
P-620.Z - P-622.Z PIHera Vertikaler Präzisionspositionierer
Variabel in Stellweg und Achskonfiguration
- Stellwege 50 µm bis 250 µm (350 µm ungeregelt)
- Auflösung bis 0,1 nm
- Linearitätsabweichung nur 0,02 %
- Direkte Positionsmessung mit kapazitiven Sensoren
- X-, XY-, Z-, XYZ-Versionen
Einsatzgebiete
- Interferometrie
- Mikroskopie
- Nanopositionierung
- Biotechnologie
- Testanwendungen
- Halbleitertechnik
Überragende Lebensdauer dank PICMA® Piezoaktoren
Die PICMA® Piezoaktoren sind vollkeramisch isoliert. Dies schützt sie vor Luftfeuchtigkeit und Ausfällen durch erhöhten Leckstrom. PICMA® Aktoren bieten eine bis zu zehnmal höhere Lebensdauer als konventionelle polymerisolierte Aktoren. 100 Milliarden Zyklen ohne einen einzigen Ausfall sind erwiesen.
Sub-Nanometer-Auflösung mit kapazitiven Sensoren
Kapazitive Sensoren messen kontaktfrei mit Sub-Nanometer-Auflösung. Sie garantieren eine herausragende Linearität der Bewegung, eine hohe Langzeitstabilität und eine Bandbreite im kHz-Bereich.
Hohe Führungsgenauigkeit durch spielfreie Festkörpergelenkführungen
Festkörpergelenkführungen sind wartungs-, reibungs- und verschleißfrei und benötigen keine Schmierstoffe. Ihre Steifigkeit macht sie hoch belastbar und unempfindlich gegen Schockbelastungen und Vibrationen. Sie arbeiten in einem weiten Temperaturbereich.
Höchste Genauigkeit durch direkte Positionsmessung
Bewegungen werden direkt an der Bewegungsplattform ohne Beeinflussung durch Antriebs- oder Führungselemente gemessen. Dies ermöglicht eine optimale Wiederholgenauigkeit, eine hervorragende Stabilität und eine steife, schnell ansprechende Regelung.
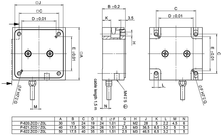
Spezifikationen
Spezifikationen
| Bewegen | P-620.Z0L | P-620.ZCD | P-620.ZCL | P-621.Z0L | P-621.ZCD | P-621.ZCL | P-622.Z0L | P-622.ZCD | P-622.ZCL | Toleranz |
|---|---|---|---|---|---|---|---|---|---|---|
| Aktive Achsen | Z | Z | Z | Z | Z | Z | Z | Z | Z | |
| Stellweg in Z, ungeregelt | 65 µm | 65 µm | 65 µm | 140 µm | 140 µm | 140 µm | 350 µm | 350 µm | 350 µm | ±20 % |
| Gieren (Rotatorisches Übersprechen in θX bei Bewegung in Z) | ± 80 µrad | ± 80 µrad | ± 80 µrad | ± 100 µrad | ± 100 µrad | ± 100 µrad | ± 200 µrad | ± 200 µrad | ± 200 µrad | typ. |
| Neigen (Rotatorisches Übersprechen in θY bei Bewegung in Z) | ± 80 µrad | ± 80 µrad | ± 80 µrad | ± 100 µrad | ± 100 µrad | ± 100 µrad | ± 200 µrad | ± 200 µrad | ± 200 µrad | typ. |
| Stellweg in Z | 50 µm | 50 µm | 100 µm | 100 µm | 250 µm | 250 µm | ||||
| Linearitätsabweichung in Z | 0,02 % | 0,02 % | 0,02 % | 0,02 % | 0,02 % | 0,02 % | typ. | |||
| Positionieren | P-620.Z0L | P-620.ZCD | P-620.ZCL | P-621.Z0L | P-621.ZCD | P-621.ZCL | P-622.Z0L | P-622.ZCD | P-622.ZCL | Toleranz |
| Auflösung in Z, ungeregelt | 0,1 nm | 0,1 nm | 0,1 nm | 0,2 nm | 0,2 nm | 0,2 nm | 0,5 nm | 0,5 nm | 0,5 nm | typ. |
| Bidirektionale Wiederholgenauigkeit in Z | 1 nm | 1 nm | 1 nm | 1 nm | 1 nm | 1 nm | typ. | |||
| Integrierter Sensor | Kapazitiv, direkte Positionsmessung | Kapazitiv, direkte Positionsmessung | Kapazitiv, direkte Positionsmessung | Kapazitiv, direkte Positionsmessung | Kapazitiv, direkte Positionsmessung | Kapazitiv, direkte Positionsmessung | ||||
| Systemauflösung in Z | 0,2 nm | 0,2 nm | 0,3 nm | 0,3 nm | 1 nm | 1 nm | ||||
| Antriebseigenschaften | P-620.Z0L | P-620.ZCD | P-620.ZCL | P-621.Z0L | P-621.ZCD | P-621.ZCL | P-622.Z0L | P-622.ZCD | P-622.ZCL | Toleranz |
| Antriebstyp | PICMA® | PICMA® | PICMA® | PICMA® | PICMA® | PICMA® | PICMA® | PICMA® | PICMA® | |
| Maximale Leistungsaufnahme | 5 W | 5 W | 5 W | 18 W | 18 W | 18 W | 17 W | 17 W | 17 W | |
| Elektrische Kapazität in Z | 0,7 µF | 0,7 µF | 0,7 µF | 3 µF | 3 µF | 3 µF | 6,2 µF | 6,2 µF | 6,2 µF | ±20 % |
| Maximale Betriebsfrequenz kurzzeitig | 333 Hz | 333 Hz | 333 Hz | 263 Hz | 263 Hz | 263 Hz | 120 Hz | 120 Hz | 120 Hz | |
| Mechanische Eigenschaften | P-620.Z0L | P-620.ZCD | P-620.ZCL | P-621.Z0L | P-621.ZCD | P-621.ZCL | P-622.Z0L | P-622.ZCD | P-622.ZCL | Toleranz |
| Steifigkeit in Z | 0,5 N/µm | 0,5 N/µm | 0,5 N/µm | 0,6 N/µm | 0,6 N/µm | 0,6 N/µm | 0,24 N/µm | 0,24 N/µm | 0,24 N/µm | ±20 % |
| Resonanzfrequenz in Z, unbelastet | 1000 Hz | 1000 Hz | 1000 Hz | 790 Hz | 790 Hz | 790 Hz | 360 Hz | 360 Hz | 360 Hz | ±20 % |
| Resonanzfrequenz in Z, belastet mit 30 g | 690 Hz | 690 Hz | 690 Hz | 500 Hz | 500 Hz | 500 Hz | 270 Hz | 270 Hz | 270 Hz | ±20 % |
| Zulässige Druckkraft in Y | 10 N | 10 N | 10 N | 10 N | 10 N | 10 N | 10 N | 10 N | 10 N | max. |
| Zulässige Druckkraft in Z | 10 N | 10 N | 10 N | 10 N | 10 N | 10 N | 10 N | 10 N | 10 N | max. |
| Zulässige Zugkraft in Z | 5 N | 5 N | 5 N | 8 N | 8 N | 8 N | 8 N | 8 N | 8 N | max. |
| Führung | Festkörpergelenksführung mit Hebelübersetzung | Festkörpergelenksführung mit Hebelübersetzung | Festkörpergelenksführung mit Hebelübersetzung | Festkörpergelenksführung mit Hebelübersetzung | Festkörpergelenksführung mit Hebelübersetzung | Festkörpergelenksführung mit Hebelübersetzung | Festkörpergelenksführung mit Hebelübersetzung | Festkörpergelenksführung mit Hebelübersetzung | Festkörpergelenksführung mit Hebelübersetzung | |
| Gesamtmasse | 120 g | 120 g | 120 g | 170 g | 170 g | 170 g | 240 g | 240 g | 240 g | |
| Material | Aluminium | Aluminium | Aluminium | Aluminium | Aluminium | Aluminium | Aluminium | Aluminium | Aluminium | |
| Anschlüsse und Umgebung | P-620.Z0L | P-620.ZCD | P-620.ZCL | P-621.Z0L | P-621.ZCD | P-621.ZCL | P-622.Z0L | P-622.ZCD | P-622.ZCL | Toleranz |
| Betriebstemperaturbereich | -20 bis 150 °C | -20 bis 80 °C | -20 bis 80 °C | -20 bis 150 °C | -20 bis 80 °C | -20 bis 80 °C | -20 bis 150 °C | -20 bis 80 °C | -20 bis 80 °C | |
| Anschluss | LEMO FFS.00.250.CTCE24 | D-Sub 7W2 (m) | LEMO FFS.00.250.CTCE24 | LEMO FFS.00.250.CTCE24 | D-Sub 7W2 (m) | LEMO FFS.00.250.CTCE24 | LEMO FFS.00.250.CTCE24 | D-Sub 7W2 (m) | LEMO FFS.00.250.CTCE24 | |
| Kabellänge | 1,5 m | 1,5 m | 1,5 m | 1,5 m | 1,5 m | 1,5 m | 1,5 m | 1,5 m | 1,5 m | |
| Empfohlene Controller / Treiber | E-503, E-505, E-610 | E-503, E-505, E-610, E-621, E-625, E-709.1C1L, E-754 | E-503, E-505, E-610, E-621, E-625, E-709.1C1L, E-754 | E-503, E-505, E-610 | E-503, E-505, E-610, E-621, E-625, E-709.1C1L, E-754 | E-503, E-505, E-610, E-621, E-625, E-709.1C1L, E-754 | E-503, E-505, E-610 | E-503, E-505, E-610, E-621, E-625, E-709.1C1L, E-754 | E-503, E-505, E-610, E-621, E-625, E-709.1C1L, E-754 | |
| Sensoranschluss | D-Sub 7W2 (m) | LEMO für kapazitive Sensoren | D-Sub 7W2 (m) | LEMO für kapazitive Sensoren | D-Sub 7W2 (m) | LEMO für kapazitive Sensoren |
Die Auflösung des Systems wird nur vom Rauschen des Verstärkers und der Messtechnik begrenzt, da PI-Piezo-Nanopositioniersysteme reibungsfrei arbeiten.
Alle Angaben beziehen sich auf Raumtemperatur (22 °C ±3 °C).
Downloads
Produktmitteilung
Product Change Notification Piezo Actuator Driven Products
Datenblatt
Dokumentation
Benutzerhandbuch PZ234
P-620, P-621, P-622, P-625, P-628, P-629 PIHera Piezotische mit kapazitiven Sensoren
3-D-Modelle
P-62x.Z 3D Modell
Angebot / Bestellung
Fordern Sie ein unverbindliches Angebot über gewünschte Stückzahlen, Preise und Lieferzeiten an oder beschreiben Sie Ihre gewünschte Modifikation.
PIHera Vertikaler Präzisionspositionierer; 50 µm Stellweg; Kapazitiv, direkte Positionsmessung; D-Sub 7W2 (m); 1,5 m Kabellänge
PIHera Vertikaler Präzisionspositionierer; 50 µm Stellweg; Kapazitiv, direkte Positionsmessung; LEMO FFS.00.250.CTCE24; 1,5 m Kabellänge
PIHera Vertikaler Präzisionspositionierer; 140 µm Stellweg (ungeregelt); LEMO FFS.00.250.CTCE24; 1,5 m Kabellänge
PIHera Vertikaler Präzisionspositionierer; 100 µm Stellweg; Kapazitiv, direkte Positionsmessung; D-Sub 7W2 (m); 1,5 m Kabellänge
PIHera Vertikaler Präzisionspositionierer; 100 µm Stellweg; Kapazitiv, direkte Positionsmessung; LEMO FFS.00.250.CTCE24; 1,5 m Kabellänge
PIHera Vertikaler Präzisionspositionierer; 350 µm Stellweg (ungeregelt); LEMO FFS.00.250.CTCE24; 1,5 m Kabellänge
PIHera Vertikaler Präzisionspositionierer; 250 µm Stellweg; Kapazitiv, direkte Positionsmessung; D-Sub 7W2 (m); 1,5 m Kabellänge
PIHera Vertikaler Präzisionspositionierer; 250 µm Stellweg; Kapazitiv, direkte Positionsmessung; LEMO FFS.00.250.CTCE24; 1,5 m Kabellänge
Angebot anfordern
Fragen Sie den Fachmann!
Erhalten Sie innerhalb kürzester Zeit per E-Mail oder Telefon eine Rückmeldung zu Ihren Fragen von einem PI Vertriebsingenieur.
Technologie

PICMA® Technologie
Hohe Zuverlässigkeit und überlegene Lebensdauer durch das patentierte Herstellungsverfahren für Multilayer-Aktoren.

Vakuum
Sorgfältige Handhabung und adäquate Räumlichkeiten: PI verfügt nicht nur über die Ausstattung zur Qualifizierung von Materialien, Komponenten und Endprodukten, sondern auch über langjährige Erfahrung im Bereich der HV- und UHV-Positioniersysteme.

Flexure Festkörpergelenke
Festkörpergelenksführungen von PI führen den Piezoaktor und dienen der geradlinigen Bewegung ohne Verkippung oder seitlichen Versatz.

Kapazitive Sensoren
Präzision und Reproduzierbarkeit sind undenkbar ohne Einsätze höchstauflösender Messverfahren. Hier bieten kapazitive Sensoren die besten Ergebnisse.
Technologie

PICMA® Technologie
Hohe Zuverlässigkeit und überlegene Lebensdauer durch das patentierte Herstellungsverfahren für Multilayer-Aktoren.

Flexure Festkörpergelenke
Festkörpergelenksführungen von PI führen den Piezoaktor und dienen der geradlinigen Bewegung ohne Verkippung oder seitlichen Versatz.

Kapazitive Sensoren
Präzision und Reproduzierbarkeit sind undenkbar ohne Einsätze höchstauflösender Messverfahren. Hier bieten kapazitive Sensoren die besten Ergebnisse.






















