Vakuumgeeigneter PICMAWalk Schreitantrieb, 55 mm Stellweg (ungeregelt); 50 N Antriebskraft, 12 mm/s maximale Geschwindigkeit; vakuumkompatibel bis 10-9 hPa; 1 m Kabellänge
N-331.2xU Vakuumgeeigneter PICMAWalk Schreitantrieb
OEM-Schreitantrieb für langlebige Anwendungen mit bis zu 12 mm/s Geschwindigkeit und 50 N Antriebskraft
- Vakuumgeeignet bis 10-9 hPa
- Robuster und industriell nutzbarer Schreitantrieb mit PICMA® Technologie für extreme Langlebigkeit
- Schnellster und stärkster Antrieb in seiner Größenklasse
- Präzises, nanometergenaues Positionieren von Lasten bis zu 5 kg
- Plug and Play dank PI-eigener Controller-Technologie
Einsatzgebiete
- Bewegung in starken Magnetfeldern und im Vakuum
- Industrielle Präzisionspositionierung
- Halbleitertechnik
- Halbleitertests
- Wafer-Inspektion
- Lithografie
- Nanoimprint
- Nanometrologie
Geeignet für anspruchsvolle Vakuumanwendungen
N-331.2xU PICMAWalk Schreitantriebe sind vakuumtauglich gestaltet. Für den Betrieb unter starken Magnetfeldern werden Sonderversionen der Antriebe angeboten. Piezoschreitantriebe können auch in Reinräumen oder in Umgebungen mit harter ultravioletter Strahlung eingesetzt werden.
Überragende Lebensdauer dank PICMA® Piezoaktoren
Die PICMA® Piezoaktoren sind vollkeramisch isoliert. Dies schützt sie vor Luftfeuchtigkeit und Ausfällen durch erhöhten Leckstrom. PICMA® Aktoren bieten eine bis zu zehnmal höhere Lebensdauer als konventionelle polymerisolierte Aktoren. 100 Milliarden Zyklen ohne einen einzigen Ausfall sind erwiesen.
Nanometer-Präzision und hohe Vorschubkraft mit PiezoWalk® Schreitantrieben
Im PiezoWalk® Schreitantrieb führen mehrere Piezoaktoren eine Schreitbewegung aus, die zum Vorschub eines Läufers führt. Die Ansteuerung der Aktoren ermöglicht kleinste Schritt- und Vorschubbewegungen bei einer Auflösung von weit unter einem Nanometer.
Hochgenaue Positionsmessung mit inkrementellem Linearencoder
Kontaktlose optische Linearencoder messen die Position mit höchster Genauigkeit direkt an der Plattform. Nichtlinearitäten, mechanisches Spiel oder elastische Deformation beeinflussen die Messung nicht.
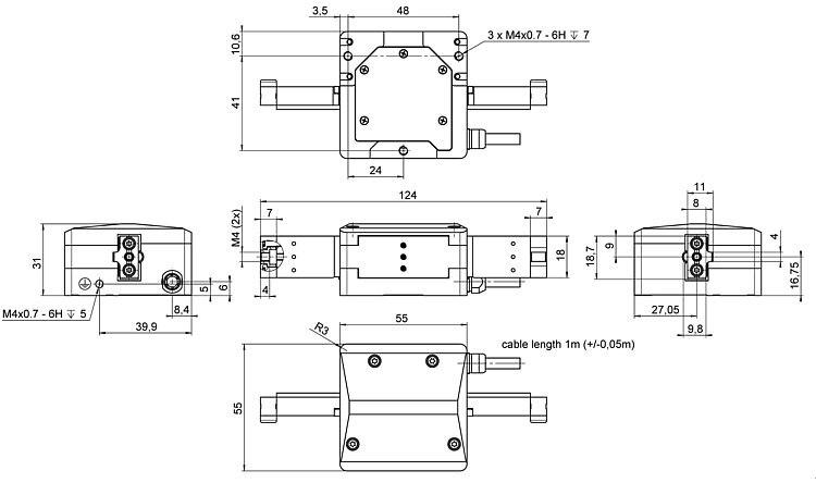
Spezifikationen
Spezifikationen
| Bewegen | N-331.20U | N-331.24U | Toleranz |
|---|---|---|---|
| Aktive Achsen | X | X | |
| Stellweg in X | — | 50 mm | |
| Stellweg in X, ungeregelt | 55 mm | 55 mm | ±0,5 mm |
| Stellweg in X (Analogbetrieb) | 20 µm | 20 µm | typ. |
| Betriebsfrequenz im Vollschrittbetrieb | 0,6 kHz | 0,6 kHz | |
| Geschwindigkeit (100 % Ansteuerung, Vollschrittbetrieb) | 12 mm/s | 12 mm/s | max. |
| Geschwindigkeit (100 % Ansteuerung, Nanoschrittbetrieb) | 10 mm/s | 10 mm/s | max. |
| Positionieren | N-331.20U | N-331.24U | Toleranz |
| Kleinste Schrittweite in X | 0,01 µm | 0,01 µm | typ. |
| Auflösung in X, ungeregelt | 0,02 nm | 0,02 nm | typ. |
| Integrierter Sensor | — | Inkrementeller Linearencoder | |
| Systemauflösung in X | — | 4 nm | |
| Antriebseigenschaften | N-331.20U | N-331.24U | Toleranz |
| Antriebstyp | PICMAWalk | PICMAWalk | |
| Betriebsspannung | -20 bis 120 V | -20 bis 120 V | |
| Antriebskraft in positiver Bewegungsrichtung in X | 50 N | 50 N | min. |
| Antriebskraft in negativer Bewegungsrichtung in X | 50 N | 50 N | min. |
| Mechanische Eigenschaften | N-331.20U | N-331.24U | Toleranz |
| Haltekraft in X, passiv | 60 N | 60 N | min. |
| Bewegte Masse in X, unbelastet | 140 g | 140 g | |
| Gesamtmasse | 610 g | 610 g | |
| Material | Aluminium, Edelstahl | Aluminium, Edelstahl | |
| Laufleistung bei 10E-9 hPa, 15 % Einschaltdauer | > 2 km | > 2 km | |
| Anschlüsse und Umgebung | N-331.20U | N-331.24U | Toleranz |
| Betriebstemperaturbereich | 0 bis 50 °C | 0 bis 50 °C | |
| Vakuumklasse | 10⁻⁹ ǀ hPa | 10⁻⁹ ǀ hPa | |
| Anschluss | LEMO FGJ.2B.319.CLLD52 | LEMO FGJ.2B.319.CLLD52 | |
| Kabellänge | 1 m | 1 m | |
| Empfohlene Controller/Treiber | E-713.3AN | E-713.3AN |
Stellweg in X, ungeregelt: Von einem mechanischen Anschlag des Läufers zum anderen mechanischen Anschlag, nur in ungeregeltem Betrieb
Geschwindigkeit (100 % Ansteuerung, Vollschrittbetrieb): Abhängig vom Controller, der Last und den Regelparametern; Controller hier: E-713.3AN. Für längere Positioniervorgänge sollte der Linearaktor mit diesem Controller bei einer Geschwindigkeit unter 3 mm/s betrieben werden.
Betriebsfrequenz im Vollschrittbetrieb: Bei Betrieb mit Digitalcontroller mit 25 W Spitzenausgangsleistung
Alle Angaben beziehen sich auf Raumtemperatur (22 °C ±3 °C).
Technische Daten werden bei PI bei 22 ±3 °C spezifiziert. Die angegebenen Werte gelten im unbelasteten Zustand, wenn nicht anders angegeben. Teilweise sind Eigenschaften voneinander abhängig. Die Angabe "typ." kennzeichnet einen statistischen Mittelwert für eine Eigenschaft; sie gibt keinen garantierten Wert für jedes ausgelieferte Produkt an. Bei der Ausgangsprüfung eines Produkts werden nicht alle, sondern nur ausgewählte Eigenschaften geprüft. Beachten Sie, dass sich einige Produkteigenschaften mit zunehmender Betriebsdauer verschlechtern können.
Downloads
Datenblatt
Dokumentation
Benutzerhandbuch PZ271
N-331 Piezoelektrischer Schreitantrieb PICMAWalk
3-D-Modelle
N-331.24U 3-D-Modell
Angebot / Bestellung
Fordern Sie ein unverbindliches Angebot über gewünschte Stückzahlen, Preise und Lieferzeiten an oder beschreiben Sie Ihre gewünschte Modifikation.
Vakuumgeeigneter PICMAWalk Schreitantrieb, 50 mm Stellweg; 50 N Antriebskraft, 12 mm/s maximale Geschwindigkeit; Inkrementeller Linearencoder; vakuumkompatibel bis 10-9 hPa; 1 m Kabellänge
Angebot anfordern
Fragen Sie den Fachmann!
Erhalten Sie innerhalb kürzester Zeit per E-Mail oder Telefon eine Rückmeldung zu Ihren Fragen von einem PI Vertriebsingenieur.
Technologie

PiezoWalk® Piezoschreitantriebe
PiezoWalk®Antriebe wurden für die Halbleiterindustrie entwickelt, die hohe Anforderungen an die Zuverlässigkeit, Positionsauflösung und Stabilität hat.

PICMA® Technologie
Hohe Zuverlässigkeit und überlegene Lebensdauer durch das patentierte Herstellungsverfahren für Multilayer-Aktoren.

Vakuum
Sorgfältige Handhabung und adäquate Räumlichkeiten: PI verfügt nicht nur über die Ausstattung zur Qualifizierung von Materialien, Komponenten und Endprodukten, sondern auch über langjährige Erfahrung im Bereich der HV- und UHV-Positioniersysteme.

Digitale Motion Controller
Digitale Controller haben gegenüber analogen Verstärkerelektroniken Vorteile, die vor allem bei hochpräzisen Positionieraufgaben zum Tragen kommen.
![[Translate to German:] Parallel-Kinematic Precision Positioning Systems Hexapoden und SpaceFAB](/fileadmin/_processed_/6/d/csm_PI_Hexapod_0e99ed77db.jpg)
Hexapoden und SpaceFAB
Hexapoden sind Systeme für die Bewegung und Positionierung von Lasten in sechs Freiheitsgraden – in drei translatorischen Achsen und drei rotatorischen Achsen.














