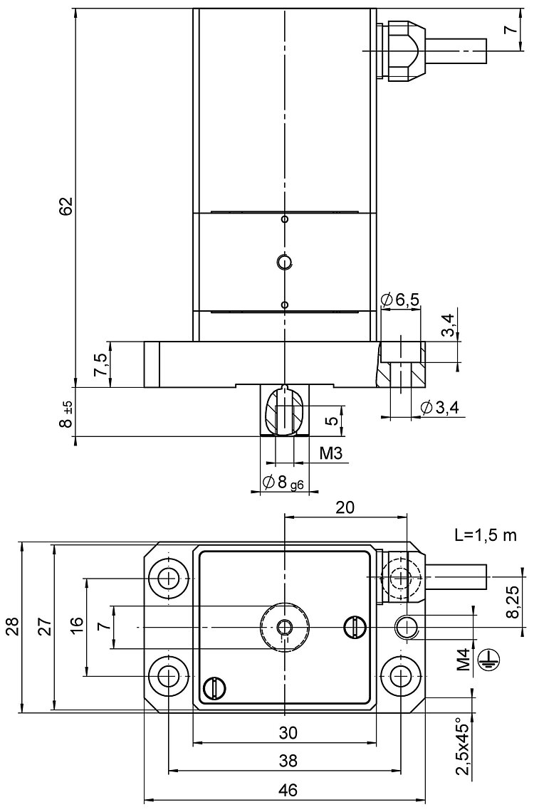
NEXLINE® OEM-Linearaktor; NEXLINE® Piezoschreitantrieb; 10 mm Stellweg; 50 N Vorschubkraft; 1,5 m Kabellänge
N-111 NEXLINE® OEM-Linearaktor
Nanopositionierung über große Stellwege, PiezoWalk® Prinzip
- Stellweg 10 mm
- Direktmessender Linearencoder mit Auflösung 5 nm
- Stellkraft bis 50 N
- Haltekraft bis 70 N
Einsatzgebiete
- Industrielle Präzisionspositionierung
- Halbleitertechnik
- Halbleitertests
- Wafer-Inspektion
- Lithografie
- Nanoimprint
- Nanometrologie
- Bewegung in starken Magnetfeldern und im Vakuum
Nanometer-Präzision und hohe Vorschubkraft mit PiezoWalk® Schreitantrieben
Im PiezoWalk® Schreitantrieb führen mehrere Piezoaktoren eine Schreitbewegung aus, die zum Vorschub eines Läufers führt. Die Ansteuerung der Aktoren ermöglicht kleinste Schritt- und Vorschubbewegungen bei einer Auflösung von weit unter einem Nanometer.
Hochgenaue Positionsmessung mit inkrementellem Linearencoder
Kontaktlose optische Linearencoder messen die Position mit höchster Genauigkeit direkt an der Plattform. Nichtlinearitäten, mechanisches Spiel oder elastische Deformation beeinflussen die Messung nicht.
Geeignet für anspruchsvolle Vakuumanwendungen
Piezomotoren von PI können vakuumtauglich gestaltet werden und sind für den Betrieb unter starken Magnetfeldern geeignet. Hierfür werden Sonderversionen der Antriebe angeboten. Piezoschreitantriebe können auch in Reinräumen oder in Umgebungen mit harter ultravioletter Strahlung eingesetzt werden.
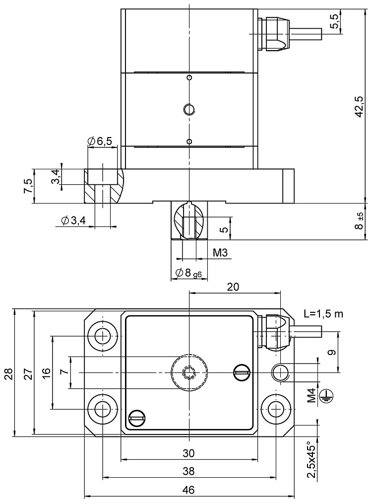
Spezifikationen
Spezifikationen
| Bewegen | N-111.201 | N-111.2A1 | Toleranz |
|---|---|---|---|
| Aktive Achsen | X | X | |
| Stellweg in X | 10 mm | 10 mm | |
| Stellweg in X (Analogbetrieb) | ± 2 µm | ± 2 µm | |
| Geschwindigkeit (10 % Ansteuerung, Vollschrittbetrieb) | 1 mm/s | 1 mm/s | max. |
| Geschwindigkeit (100 % Ansteuerung, Vollschrittbetrieb) | 0,6 mm/s | 0,6 mm/s | max. |
| Geschwindigkeit (100 % Ansteuerung, Nanoschrittbetrieb) | 0,4 mm/s | 0,4 mm/s | max. |
| Positionieren | N-111.201 | N-111.2A1 | Toleranz |
| Referenzschalter | — | Optisch, richtungserkennend (Referenzflankenspur), 5 V, TTL | |
| Auflösung in X, ungeregelt | 0,025 nm | 0,025 nm | typ. |
| Integrierter Sensor | — | Inkrementeller Linearencoder | |
| Systemauflösung in X | — | 5 nm | |
| Antriebseigenschaften | N-111.201 | N-111.2A1 | Toleranz |
| Antriebstyp | NEXLINE® Piezoschreitantrieb | NEXLINE® Piezoschreitantrieb | |
| Betriebsspannung | -250 bis +250 V | -250 bis +250 V | |
| Antriebskraft in X | 50 N | 50 N | max. |
| Mechanische Eigenschaften | N-111.201 | N-111.2A1 | Toleranz |
| Haltekraft in X, passiv | 70 N | 70 N | min. |
| Gesamtmasse | 245 g | 325 g | |
| Material | Aluminium, Edelstahl, Titan | Aluminium, Edelstahl, Titan | |
| Anschlüsse und Umgebung | N-111.201 | N-111.2A1 | Toleranz |
| Betriebstemperaturbereich | 0 bis 55 °C | 0 bis 55 °C | |
| Anschluss | D-Sub 25 (m) | D-Sub 25 (m) | |
| Kabellänge | 1,5 m | 1,5 m | +50 mm / -0 mm |
| Empfohlene Controller/Treiber | E-713 | E-713 |
Geschwindigkeit im Vollschrittbetrieb: Abhängig von der Steuerelektronik.
Geschwindigkeit im Nanoschritt-Betrieb: Abhängig von der Steuerelektronik. Die Maximalgeschwindigkeit im Nanoschritt-Betrieb ist auf größtmögliche Konstanz ausgelegt, so dass keine Geschwindigkeitsschwankungen beim Ausführen der Schritte auftreten.
Antriebskraft: Die Angaben beziehen sich auf die Bewegung im Vollschritt-Betrieb.
Technische Daten werden bei PI bei 22 ±3 °C spezifiziert. Die angegebenen Werte gelten im unbelasteten Zustand, wenn nicht anders angegeben. Teilweise sind Eigenschaften voneinander abhängig. Die Angabe "typ." kennzeichnet einen statistischen Mittelwert für eine Eigenschaft; sie gibt keinen garantierten Wert für jedes ausgelieferte Produkt an. Bei der Ausgangsprüfung eines Produkts werden nicht alle, sondern nur ausgewählte Eigenschaften geprüft. Beachten Sie, dass sich einige Produkteigenschaften mit zunehmender Betriebsdauer verschlechtern können.
Downloads
Datenblatt
Dokumentation
Benutzerhandbuch MP142
N-111.201 und N-111.2A1 NEXLINE® OEM Piezoschreitaktoren
3-D-Modelle
N-111 3D-Modell
Angebot / Bestellung
Fordern Sie ein unverbindliches Angebot über gewünschte Stückzahlen, Preise und Lieferzeiten an oder beschreiben Sie Ihre gewünschte Modifikation.
NEXLINE® OEM-Linearaktor; NEXLINE® Piezoschreitantrieb; 10 mm Stellweg; 50 N Vorschubkraft; inkrementeller Linearencoder; 1,5 m Kabellänge
Angebot anfordern
Fragen Sie den Fachmann!
Erhalten Sie innerhalb kürzester Zeit per E-Mail oder Telefon eine Rückmeldung zu Ihren Fragen von einem PI Vertriebsingenieur.
Technologie

PiezoWalk® Piezoschreitantriebe
PiezoWalk®Antriebe wurden für die Halbleiterindustrie entwickelt, die hohe Anforderungen an die Zuverlässigkeit, Positionsauflösung und Stabilität hat.

Vakuum
Sorgfältige Handhabung und adäquate Räumlichkeiten: PI verfügt nicht nur über die Ausstattung zur Qualifizierung von Materialien, Komponenten und Endprodukten, sondern auch über langjährige Erfahrung im Bereich der HV- und UHV-Positioniersysteme.

Inkrementelle Sensoren
Bei längeren Stellwegen ab ca. 1 Millimeter stoßen die kapazitiven Messsysteme an ihre Grenzen: PI verwendet daher inkrementelle Messsysteme.
![[Translate to German:] Parallel-Kinematic Precision Positioning Systems Hexapoden und SpaceFAB](/fileadmin/_processed_/6/d/csm_PI_Hexapod_0e99ed77db.jpg)
Hexapoden und SpaceFAB
Hexapoden sind Systeme für die Bewegung und Positionierung von Lasten in sechs Freiheitsgraden – in drei translatorischen Achsen und drei rotatorischen Achsen.













