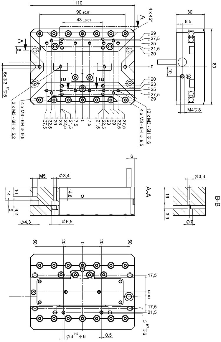
Lineartisch mit höchster Kraft und Präzision; PICMAWalk; 25 mm Stellweg; 150 N Belastbarkeit; 12 mm/s maximale Geschwindigkeit; inkrementeller Linearencoder; 2 m Kabellänge
N-332 Lineartisch mit höchster Kraft und Präzision
PICMAWalk-Antrieb für höchste Kraft und Laufleistung
- 75 N aktive Kraft
- 3 nm kleinste Schrittweite
- Robuste PICMAWalk-Technologie für extreme Langlebigkeit
- Selbsthemmend im ausgeschalteten Zustand: Spart Energie und verringert die Wärmeentwicklung
- Plug and Play dank PI-eigener Controller-Technologie
- UHV-kompatibles Design
- Mehrachsaufbauten möglich: XY, XZ und XYZ





Einsatzgebiete
- Rasterelektronenmikroskopie (SEM) / Transmissionselektronenmikroskopie (TEM) in Biowissenschaften und Halbleiterfertigung
- Höchstauflösende Mikroskopie, insbesondere 4Pi-Mikroskopie
- Nanoindentierung
Überragende Lebensdauer dank PICMAWalk-Antrieb
PICMAWalk ist das langlebigste piezomotorische Antriebsprinzip, das es auf dem Markt gibt. Die Laufleistung der Antriebe beträgt nachweislich weit mehr als 100 km unter atmosphärischen Bedingungen. Selbst unter Vakuumbedingungen wurde eine kumulierte Laufleistung von mehr als 30 km erreicht, was in dieser Klasse die Referenz darstellt.
Nanometer-Präzision und hohe Vorschubkraft mit PICMAWalk-Antrieben
Im PICMAWalk-Antrieb führen mehrere Piezoaktoren eine Schreitbewegung aus, die zum Vorschub eines Läufers führt. Die Ansteuerung der Aktoren ermöglicht kleinste Schritt- und Vorschubbewegungen in Nanometer-Auflösung.
PICMAWalk-Schreitantriebe sind, im Gegensatz zu anderen piezomotorischen Antriebsprinzipien, keinen Gleitreibungseffekten unterworfen. Sie basieren auf Haftreibungskontakten mehrerer Piezoaktoren, die auf einem Läufer schreiten. In Ruhe sind PICMAWalk-Schreitantriebe selbsthemmend, verbrauchen keine Energie und erzeugen keine Wärme.
Hochgenaue Positionsmessung mit inkrementellem Linearencoder
Kontaktlose optische Linearencoder messen die Position mit höchster Genauigkeit direkt an der Plattform. Nichtlinearitäten, mechanisches Spiel oder elastische Deformation beeinflussen die Messung nicht.
Geeignet für anspruchsvolle Vakuumanwendungen
Die Modelle N-332.xxU/.xxUY sind für den Einsatz im Vakuum konzipiert. Piezoschreitantriebe können auch in Reinräumen oder in Umgebungen mit harter ultravioletter Strahlung eingesetzt werden.
Spezifikationen
Spezifikationen
| Bewegen | N-332.14 | N-332.14U | N-332.14Y | N-332.14UY | N-332.24 | N-332.24U | N-332.24Y | N-332.24UY | Toleranz |
|---|---|---|---|---|---|---|---|---|---|
| Aktive Achsen | X | X | X | X | X | X | X | X | |
| Stellweg in X | 25 mm | 25 mm | 25 mm | 25 mm | 50 mm | 50 mm | 50 mm | 50 mm | |
| Winkelabweichung um Y (Nicken) | ± 70 µrad | ± 70 µrad | ± 70 µrad | ± 70 µrad | ± 100 µrad | ± 100 µrad | ± 100 µrad | ± 100 µrad | typ. |
| Winkelabweichung um Z (Gieren) | ± 50 µrad | ± 50 µrad | ± 50 µrad | ± 50 µrad | ± 50 µrad | ± 50 µrad | ± 50 µrad | ± 50 µrad | typ. |
| Geschwindigkeit (100 % Ansteuerung, Vollschrittbetrieb) | 12 mm/s | 12 mm/s | 12 mm/s | 12 mm/s | 12 mm/s | 12 mm/s | 12 mm/s | 12 mm/s | max. |
| Geschwindigkeit (100 % Ansteuerung, Nanoschrittbetrieb) | 10 mm/s | 10 mm/s | 10 mm/s | 10 mm/s | 10 mm/s | 10 mm/s | 10 mm/s | 10 mm/s | max. |
| Positionieren | N-332.14 | N-332.14U | N-332.14Y | N-332.14UY | N-332.24 | N-332.24U | N-332.24Y | N-332.24UY | Toleranz |
| Kleinste Schrittweite in X | 3 nm | 3 nm | 3 nm | 3 nm | 3 nm | 3 nm | 3 nm | 3 nm | typ. |
| Unidirektionale Wiederholgenauigkeit in X | ± 50 nm | ± 50 nm | ± 50 nm | ± 50 nm | ± 80 nm | ± 80 nm | ± 80 nm | ± 80 nm | typ. |
| Referenzschalter | Optisch, richtungserkennend (Referenzflankenspur), 5 V, TTL | Optisch, richtungserkennend (Referenzflankenspur), 5 V, TTL | Optisch, richtungserkennend (Referenzflankenspur), 5 V, TTL | Optisch, richtungserkennend (Referenzflankenspur), 5 V, TTL | Optisch, richtungserkennend (Referenzflankenspur), 5 V, TTL | Optisch, richtungserkennend (Referenzflankenspur), 5 V, TTL | Optisch, richtungserkennend (Referenzflankenspur), 5 V, TTL | Optisch, richtungserkennend (Referenzflankenspur), 5 V, TTL | |
| Integrierter Sensor | Inkrementeller Linearencoder | Inkrementeller Linearencoder | Inkrementeller Linearencoder | Inkrementeller Linearencoder | Inkrementeller Linearencoder | Inkrementeller Linearencoder | Inkrementeller Linearencoder | Inkrementeller Linearencoder | |
| Antriebseigenschaften | N-332.14 | N-332.14U | N-332.14Y | N-332.14UY | N-332.24 | N-332.24U | N-332.24Y | N-332.24UY | Toleranz |
| Antriebstyp | PICMAWalk | PICMAWalk | PICMAWalk | PICMAWalk | PICMAWalk | PICMAWalk | PICMAWalk | PICMAWalk | |
| Betriebsspannung | -20 bis 120 V | -20 bis 120 V | -20 bis 120 V | -20 bis 120 V | -20 bis 120 V | -20 bis 120 V | -20 bis 120 V | -20 bis 120 V | |
| Antriebskraft in positiver Bewegungsrichtung in X | 75 N | 75 N | 75 N | 75 N | 75 N | 75 N | 75 N | 75 N | typ. |
| Antriebskraft in negativer Bewegungsrichtung in X | 75 N | 75 N | 75 N | 75 N | 75 N | 75 N | 75 N | 75 N | typ. |
| Mechanische Eigenschaften | N-332.14 | N-332.14U | N-332.14Y | N-332.14UY | N-332.24 | N-332.24U | N-332.24Y | N-332.24UY | Toleranz |
| Zulässige Druckkraft in Z | 150 N | 150 N | 150 N | 150 N | 150 N | 150 N | 150 N | 150 N | max. |
| Haltekraft in X, passiv | 80 N | 80 N | 80 N | 80 N | 80 N | 80 N | 80 N | 80 N | min. |
| Führung | Kreuzrollenführung | Kreuzrollenführung | Kreuzrollenführung | Kreuzrollenführung | Kreuzrollenführung | Kreuzrollenführung | Kreuzrollenführung | Kreuzrollenführung | |
| Gesamtmasse | 500 g | 500 g | 500 g | 500 g | 700 g | 700 g | 700 g | 700 g | ±5 % |
| Material | Aluminium, Oberfläche vernickelt | Aluminium, Oberfläche vernickelt | Aluminium, Oberfläche vernickelt | Aluminium, Oberfläche vernickelt | Aluminium, Oberfläche vernickelt | Aluminium, Oberfläche vernickelt | Aluminium, Oberfläche vernickelt | Aluminium, Oberfläche vernickelt | |
| Anschlüsse und Umgebung | N-332.14 | N-332.14U | N-332.14Y | N-332.14UY | N-332.24 | N-332.24U | N-332.24Y | N-332.24UY | Toleranz |
| Betriebstemperaturbereich | 0 bis 50 °C | 0 bis 50 °C | 0 bis 50 °C | 0 bis 50 °C | 0 bis 50 °C | 0 bis 50 °C | 0 bis 50 °C | 0 bis 50 °C | |
| Vakuumklasse | — | 10⁻⁹ ǀ hPa | — | 10⁻⁹ ǀ hPa | — | 10⁻⁹ ǀ hPa | — | 10⁻⁹ ǀ hPa | |
| Anschluss | D-Sub 37 (m) | LEMO FGJ.2B.319.CLLD52 | D-Sub 37 (m) | LEMO FGJ.2B.319.CLLD52 | D-Sub 37 (m) | LEMO FGJ.2B.319.CLLD52 | D-Sub 37 (m) | LEMO FGJ.2B.319.CLLD52 | |
| Kabellänge | 2 m | 1 m | 2 m | 1 m | 2 m | 1 m | 2 m | 1 m | ±50 mm |
| Empfohlene Controller/Treiber | E-713 | E-713 | E-713 | E-713 | E-713 | E-713 | E-713 | E-713 |
Geschwindigkeit (100 % Ansteuerung, Vollschrittbetrieb): Abhängig vom Controller, der Last und den Regelparametern; Controller hier: E-713.3AN. Für längere Positioniervorgänge sollte der Lineartisch mit diesem Controller bei einer Geschwindigkeit unter 3 mm/s betrieben werden.
Unidirektionale Wiederholgenauigkeit in X: Mittelwert.
Technische Daten werden bei PI bei 22 ±3 °C spezifiziert. Die angegebenen Werte gelten im unbelasteten Zustand, wenn nicht anders angegeben. Teilweise sind Eigenschaften voneinander abhängig. Die Angabe "typ." kennzeichnet einen statistischen Mittelwert für eine Eigenschaft; sie gibt keinen garantierten Wert für jedes ausgelieferte Produkt an. Bei der Ausgangsprüfung eines Produkts werden nicht alle, sondern nur ausgewählte Eigenschaften geprüft. Beachten Sie, dass sich einige Produkteigenschaften mit zunehmender Betriebsdauer verschlechtern können.
Downloads
Datenblatt
Dokumentation
Benutzerhandbuch N332UM0001
Produkthinweise für N-33x.xxx
3-D-Modelle
N-332 3-D-Modell
Angebot / Bestellung
Fordern Sie ein unverbindliches Angebot über gewünschte Stückzahlen, Preise und Lieferzeiten an oder beschreiben Sie Ihre gewünschte Modifikation.
Lineartisch mit höchster Kraft und Präzision; PICMAWalk; 25 mm Stellweg; 150 N Belastbarkeit; 12 mm/s maximale Geschwindigkeit; inkrementeller Linearencoder; vakuumkompatibel bis 10-9 hPa; 1 m Kabellänge
Lineartisch mit höchster Kraft und Präzision; PICMAWalk; 25 mm Stellweg; 150 N Belastbarkeit; 12 mm/s maximale Geschwindigkeit; inkrementeller Linearencoder; 2 m Kabellänge; Kabelabgang nach unten
Lineartisch mit höchster Kraft und Präzision; PICMAWalk; 25 mm Stellweg; 150 N Belastbarkeit; 12 mm/s maximale Geschwindigkeit; inkrementeller Linearencoder; vakuumkompatibel bis 10-9 hPa; 1 m Kabellänge; Kabelabgang nach unten
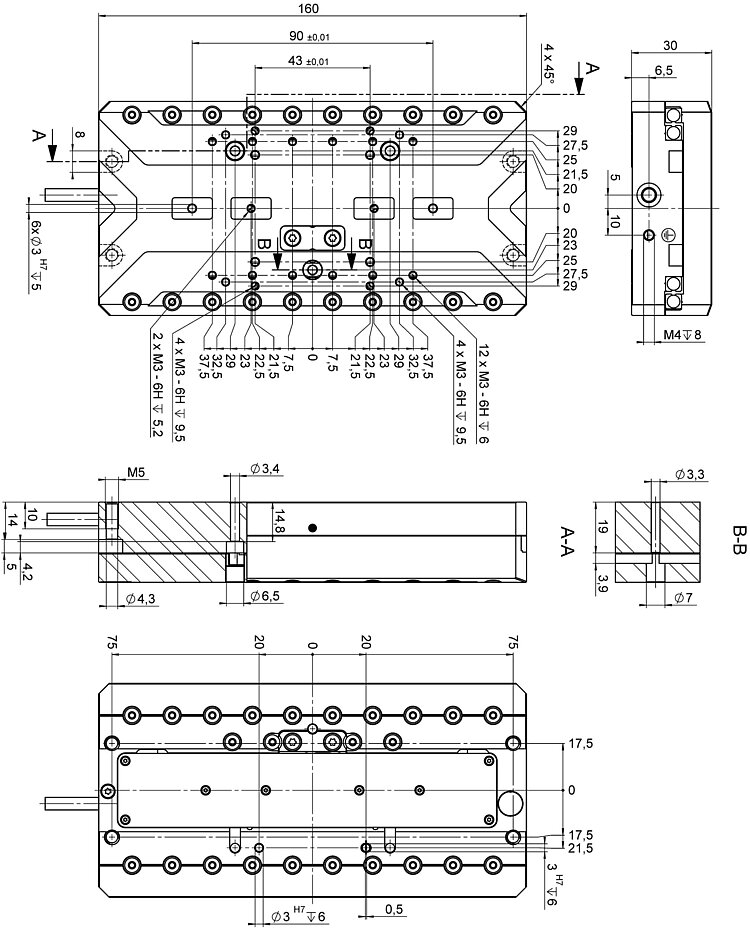
Lineartisch mit höchster Kraft und Präzision; PICMAWalk; 50 mm Stellweg; 150 N Belastbarkeit; 12 mm/s maximale Geschwindigkeit; inkrementeller Linearencoder; 2 m Kabellänge
Lineartisch mit höchster Kraft und Präzision; PICMAWalk; 50 mm Stellweg; 150 N Belastbarkeit; 12 mm/s maximale Geschwindigkeit; inkrementeller Linearencoder; vakuumkompatibel bis 10-9 hPa; 1 m Kabellänge
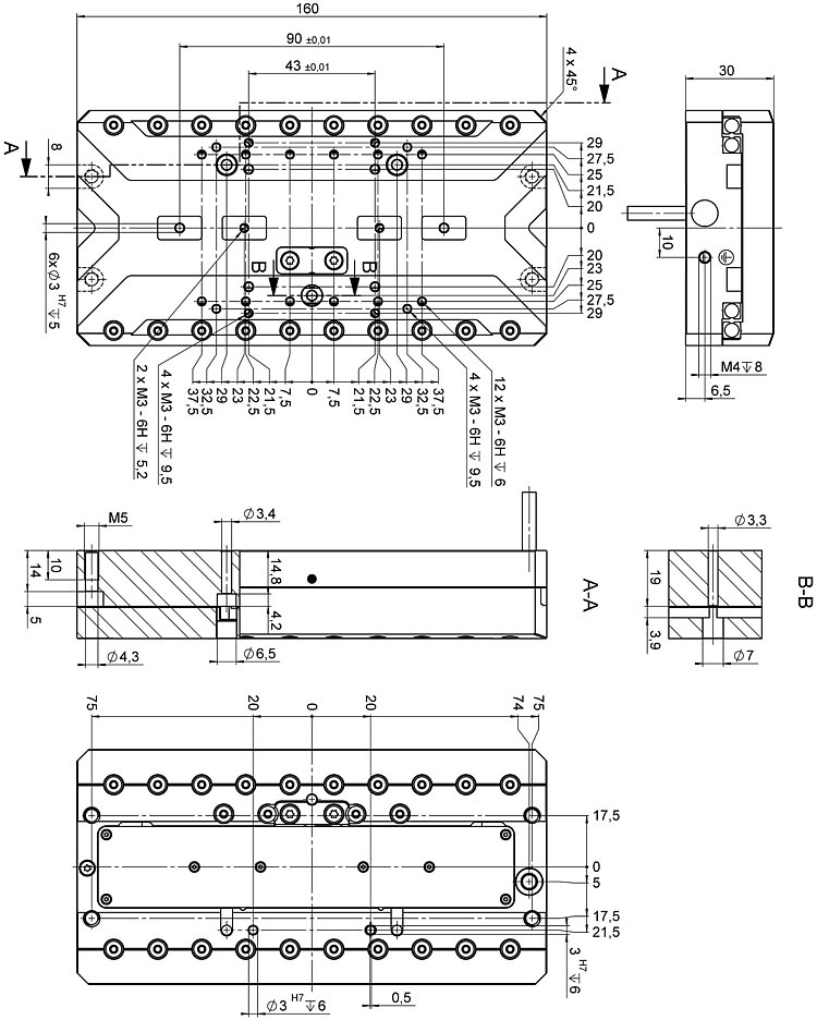
Lineartisch mit höchster Kraft und Präzision; PICMAWalk; 50 mm Stellweg; 150 N Belastbarkeit; 12 mm/s maximale Geschwindigkeit; inkrementeller Linearencoder; 2 m Kabellänge; Kabelabgang nach unten
Lineartisch mit höchster Kraft und Präzision; PICMAWalk; 50 mm Stellweg; 150 N Belastbarkeit; 12 mm/s maximale Geschwindigkeit; inkrementeller Linearencoder; vakuumkompatibel bis 10-9 hPa; 1 m Kabellänge; Kabelabgang nach unten
Angebot anfordern
Fragen Sie den Fachmann!
Erhalten Sie innerhalb kürzester Zeit per E-Mail oder Telefon eine Rückmeldung zu Ihren Fragen von einem PI Vertriebsingenieur.









