Vakuumgeeigneter kompakter Lineartisch; DC-Getriebemotor; 5 mm Stellweg; 30 N Belastbarkeit; 1 mm/s maximale Geschwindigkeit; Feingewindespindel; Inkrementeller Rotationsencoder, 2048 Impulse/U Auflösung, A/B-Quadratur, RS-422; vakuumkompatibel bis 10-6 hPa; 0,5 m Kabellänge
M-110 • M-111 • M-112 V6 Vakuumgeeigneter kompakter Lineartisch
XY(Z)-Kombinationen mit DC-Getriebemotor, verschiedene Stellwegvarianten
- Vakuumgeeignet bis zu 10-6 hPa
- Sehr kompakt durch gefalteten Antrieb
- Geregelte DC-Motoren
- Stellwege: 5, 15 und 25 mm
- Kontaktlose Referenz- und Endschalter
- XY-Aufbauten direkt montierbar
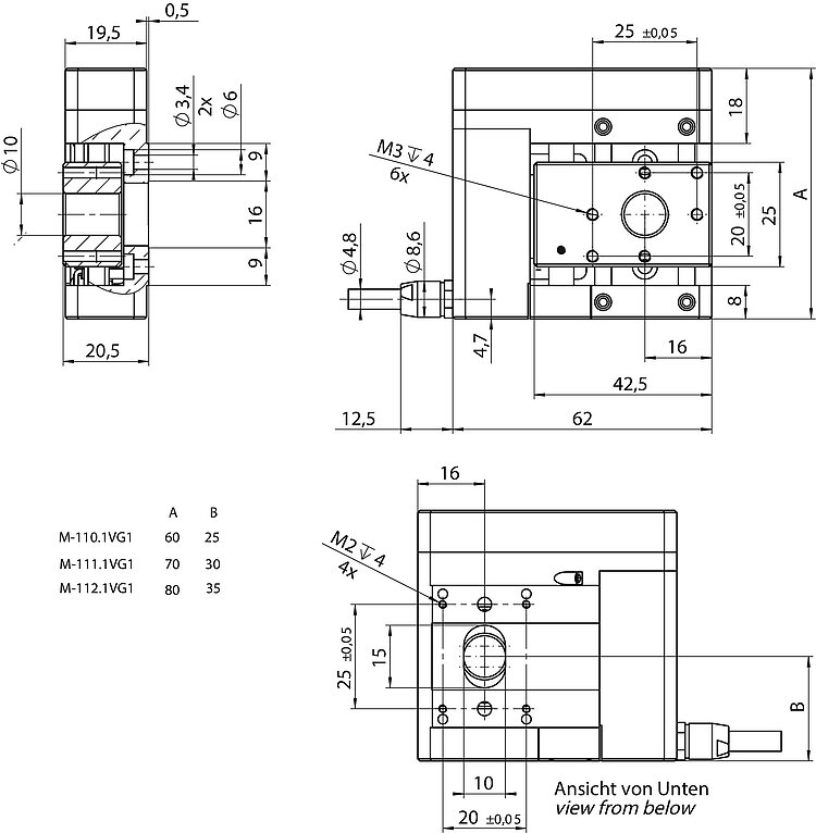
Kompakter Lineartisch, vielseitig einsetzbar
Lineartisch mit kompakter Baugröße durch gefalteten Antrieb mit Riemengetriebe. Freie Apertur mit 10 mm Ø. XY-Aufbauten sind ohne Adapterplatte direkt montierbar.
Reduziertes Ausgasen speziell für den Einsatz in Vakuumumgebung
Insbesondere die Schmierung der Führung und der Spindel ist mit einem besonders ausgasarmen Stoff durchgeführt. Damit kann eine Ausheiztemperatur bis 80 °C erreicht werden. Durch diese und weitere Modifikationen der PI Vakuumklasse V6 kann dieser Positionierer bei bis zu 10-6 hPa verwendet werden.
Antrieb
- Geregelter DC-Getriebemotor
- Spielfrei vorgespannte Gewindespindel
Positionsmessung
- Rotationsencoder auf der Motorwelle
- Kontaktlose Hall-Effekt-Referenz- und Endschalter
Einsatzgebiete
Vakuumkammern. Forschung. Beamline-Instrumentierung. Mikroskopie. Elektronikmontage und -inspektion.
Spezifikationen
Spezifikationen
| Bewegen | M-110.1VG1 | M-111.1VG1 | M-112.1VG1 | Toleranz |
|---|---|---|---|---|
| Aktive Achsen | X | X | X | |
| Stellweg in X | 5 mm | 15 mm | 25 mm | |
| Maximale Geschwindigkeit in X, unbelastet | 1 mm/s | 1,5 mm/s | 1,5 mm/s | |
| Positionieren | M-110.1VG1 | M-111.1VG1 | M-112.1VG1 | Toleranz |
| Kleinste Schrittweite in X | 0,05 µm | 0,05 µm | 0,05 µm | typ. |
| Unidirektionale Wiederholgenauigkeit in X | ± 0,125 µm | ± 0,125 µm | ± 0,125 µm | typ. |
| Bidirektionale Wiederholgenauigkeit in X | 4 µm | 4 µm | 4 µm | typ. |
| Umkehrspiel in X | 3 µm | 3 µm | 3 µm | typ. |
| Referenzschalter | Hall-Effekt | Hall-Effekt | Hall-Effekt | |
| Endschalter | Hall-Effekt | Hall-Effekt | Hall-Effekt | |
| Motorencoder | Inkrementeller Rotationsencoder | Inkrementeller Rotationsencoder | Inkrementeller Rotationsencoder | |
| Sensorsignal Motorencoder | A/B-Quadratur, RS-422 | A/B-Quadratur, RS-422 | A/B-Quadratur, RS-422 | |
| Auflösung Motorencoder | 2048 Impulse/U | 2048 Impulse/U | 2048 Impulse/U | |
| Antriebseigenschaften | M-110.1VG1 | M-111.1VG1 | M-112.1VG1 | Toleranz |
| Antriebstyp | DC-Getriebemotor | DC-Getriebemotor | DC-Getriebemotor | |
| Nennspannung | 12 V | 12 V | 12 V | |
| Nennstrom, effektiv | 0,16 A | 0,32 A | 0,32 A | typ. |
| Antriebskraft in positiver Bewegungsrichtung in X | 10 N | 10 N | 10 N | typ. |
| Antriebskraft in negativer Bewegungsrichtung in X | 10 N | 10 N | 10 N | typ. |
| Mechanische Eigenschaften | M-110.1VG1 | M-111.1VG1 | M-112.1VG1 | Toleranz |
| Zulässige Druckkraft in Y | 15 N | 10 N | 10 N | max. |
| Zulässige Druckkraft in Z | 30 N | 30 N | 20 N | max. |
| Zulässiges Moment in θX | 0,15 N·m | 0,15 N·m | 0,15 N·m | max. |
| Zulässiges Moment in θY | 0,15 N·m | 0,15 N·m | 0,15 N·m | max. |
| Zulässiges Moment in θZ | 0,15 N·m | 0,15 N·m | 0,15 N·m | max. |
| Haltekraft in X, passiv | 10 N | 10 N | 10 N | |
| Bewegte Masse in X, unbelastet | 11 g | 11 g | 11 g | |
| Spindeltyp | Feingewindespindel | Feingewindespindel | Feingewindespindel | |
| Spindelsteigung | 0,4 mm | 0,4 mm | 0,4 mm | |
| Getriebeuntersetzung i | 29791 : 729 | 29791 : 729 | 29791 : 729 | |
| Führung | Kugelführung | Kugelführung | Kugelführung | |
| Gesamtmasse | 250 g | 270 g | 300 g | |
| Material | Aluminium eloxiert | Aluminium eloxiert | Aluminium eloxiert | |
| Anschlüsse und Umgebung | M-110.1VG1 | M-111.1VG1 | M-112.1VG1 | Toleranz |
| Betriebstemperaturbereich | -20 bis 65 °C | -20 bis 65 °C | -20 bis 65 °C | |
| Vakuumklasse | 10⁻⁶ ǀ hPa | 10⁻⁶ ǀ hPa | 10⁻⁶ ǀ hPa | |
| Anschluss | HD D-Sub 26 (m) | HD D-Sub 26 (m) | HD D-Sub 26 (m) | |
| Kabellänge | 0,5 m | 0,5 m | 0,5 m | |
| Empfohlene Controller / Treiber | C-863 C-884 G-901 G-910 Modularer ACS-Controller | C-863 C-884 G-901 G-910 Modularer ACS-Controller | C-863 C-884 G-901 G-910 Modularer ACS-Controller |
Hinweis zu kleinster Schrittweite: Werte werden mit empfohlenem Controller erreicht
Hinweis zu Nennstrom: Werte gelten pro Phase
Technische Daten werden bei PI bei 22 ±3 °C spezifiziert. Die angegebenen Werte gelten im unbelasteten Zustand, wenn nicht anders angegeben. Teilweise sind Eigenschaften voneinander abhängig. Die Angabe "typ." kennzeichnet einen statistischen Mittelwert für eine Eigenschaft; sie gibt keinen garantierten Wert für jedes ausgelieferte Produkt an. Bei der Ausgangsprüfung eines Produkts werden nicht alle, sondern nur ausgewählte Eigenschaften geprüft. Beachten Sie, dass sich einige Produkteigenschaften mit zunehmender Betriebsdauer verschlechtern können.
Downloads
Datenblatt
Dokumentation
Benutzerhandbuch M110T0032
M-110.x1 / M-111.x1 / M-112.x1 Mikrostelltische
3-D-Modelle
3D-Modell M-11x.xxx1 V6
Angebot / Bestellung
Fordern Sie ein unverbindliches Angebot über gewünschte Stückzahlen, Preise und Lieferzeiten an oder beschreiben Sie Ihre gewünschte Modifikation.
Vakuumgeeigneter kompakter Lineartisch; DC-Getriebemotor; 15 mm Stellweg; 30 N Belastbarkeit; 1,5 mm/s maximale Geschwindigkeit; Feingewindespindel; Inkrementeller Rotationsencoder, 2048 Impulse/U Auflösung, A/B-Quadratur, RS-422; vakuumkompatibel bis 10-6 hPa; 0,5 m Kabellänge
Vakuumgeeigneter kompakter Lineartisch; DC-Getriebemotor; 25 mm Stellweg; 20 N Belastbarkeit; 1,5 mm/s maximale Geschwindigkeit; Feingewindespindel; Inkrementeller Rotationsencoder, 2048 Impulse/U Auflösung, A/B-Quadratur, RS-422; vakuumkompatibel bis 10-6 hPa; 0,5 m Kabellänge
Angebot anfordern
Fragen Sie den Fachmann!
Erhalten Sie innerhalb kürzester Zeit per E-Mail oder Telefon eine Rückmeldung zu Ihren Fragen von einem PI Vertriebsingenieur.
Technologie

Vakuum
Sorgfältige Handhabung und adäquate Räumlichkeiten: PI verfügt nicht nur über die Ausstattung zur Qualifizierung von Materialien, Komponenten und Endprodukten, sondern auch über langjährige Erfahrung im Bereich der HV- und UHV-Positioniersysteme.

Drehende Elektromotoren
Die drehenden Elektromotoren, wie zum Beispiel DC- oder Schrittmotoren, werden in Verbindung mit Spindel- oder Schneckenantrieb eingesetzt.















