Ultrapräziser Nanopositionier-Lineartisch mit Direktantrieb; Eisenloser 3-Phasen-Linearmotor; 60 mm Stellweg; 150 N Belastbarkeit; 1000 mm/s maximale Geschwindigkeit; Absoluter Linearencoder, 1 nm Sensorauflösung, BiSS-C, 32-Bit
V-574 Ultrapräziser Nanopositionier-Lineartisch mit Direktantrieb
Ideal zum Scannen, Messen und Ausrichten sowie für bildgebende Verfahren
- Stellwege von 60, 130 und 230 mm
- 160 mm Tischbreite
- 0,2 µm absolute Genauigkeit
- Direktantrieb für hohe dynamische Leistungsfähigkeit
- Kreuzrollenlager für absolute Geradheit und Ebenheit
- Inkrementeller (20 µm / 4 µm Teilung) oder absoluter Encoder für höchste Genauigkeit, Wiederholgenauigkeit und Sicherheit (mit Absolutencoder)
Produktübersicht
Die V-574 Lineartische bieten hohe Genauigkeit, Präzision, lange Lebensdauer und Benutzerfreundlichkeit und können in beliebiger Ausrichtung montiert werden. Beachten Sie, dass für den vertikalen Betrieb ein Gegengewicht erforderlich ist.
Die Nanopositioniertische V-574 sind zwar kompakt, bieten aber im Vergleich zu vielen größeren Lineartischen eine höhere Verfahrgenauigkeit, Ebenheit und Leistung. Durch den leistungsstarken, Cogging-freien Direktantriebsmotor und Kreuzrollenlager ist die Lineartischfamilie V-574 ausgezeichnet für den Einsatz in Produktionsumgebungen mit hohem Durchsatz geeignet.
Die Modelle mit absolutem Encoder bieten nicht nur eine Auflösung von 1 nm, sondern auch einen sicheren und effizienten Start, der keine Initialisierung oder Referenzierungsfahrt erfordert. Modelle mit inkrementellem Encoder sind ebenfalls verfügbar.
Der kontaktlose Direktantrieb-Linearmotor bietet eine hohe Dynamik und einen wartungs- und reibungsfreien Betrieb. Die hochpräzisen Kreuzrollenlager sind für eine hervorragende Führungsgenauigkeit und einen wartungsarmen Betrieb über die gesamte Lebensdauer des Tischs konzipiert.
3-Phasen-Motoren für höhere Dynamik sowie reibungs- und wartungsfreien Betrieb
Die 3-phasigen Linearmotoren, die die Tische der V-574 Familie antreiben, übertragen ihre Kraft direkt und reibungsfrei auf die Bewegungsplattform. Dadurch werden Umkehrspiel und Spiel vermieden, die durch mechanische Komponenten wie Zahnräder und Schrauben im Antriebsstrang verursacht werden können. Diese Motoren, die ideal für Anwendungen mit hohen Geschwindigkeiten und hohen Beschleunigungen geeignet sind, zeichnen sich durch ein reibungs- und wartungsfreies Design aus, das eine lange Lebensdauer im anspruchsvollen Dauerbetrieb gewährleistet. Die Controllereinstellungen zur Strombegrenzung ermöglichen eine einfache Deaktivierung des Motors, um mögliche Schäden am Tisch oder an der Anwendung abzuwenden.
Kreuzrollenlager für höhere Belastbarkeit und Genauigkeit sowie eine längere Lebensdauer
Kreuzrollenlager bieten ein hohes Maß an Leichtgängigkeit, Geradheit und Ebenheit, das der Leistung von Luftlagern nahe kommt. Indem der Punktkontakt der Kugellager durch einen Linienkontakt ersetzt wurde, sind die Rollen wesentlich steifer und benötigen weniger Vorspannung. Diese Verringerung der Reibung führt zu einem ruhigeren Lauf und einer höheren Genauigkeit. Kreuzrollenlager können auch höhere senkrechte Lasten und Momentbelastungen aufnehmen. Der Anti-Kriech-Mechanismus verhindert ein Abdriften der Rollen und sorgt dadurch für eine erhöhte Zuverlässigkeit. Die Anwendung von Reinraumfett sorgt für einen wartungsarmen Betrieb.
Modelle mit inkrementellem und absolutem Encoder verfügbar
V-574 Tische sind mit Linearencodern ausgestattet, die Positionen mit höchster Genauigkeit direkt auf der Bewegungsplattform messen. Dies verbessert die Linearität und gewährleistet Unempfindlichkeit gegenüber mechanischem Spiel und elastischer Verformung, wie sie bei indirekten Messverfahren auftreten können. Inkrementelle Encoder, die Sinus/Cosinus-Signale von 1 Vpp ausgeben, benötigen für den Start ein Referenzsignal. Im Gegensatz dazu bieten absolut messende Linearencoder eine eindeutige Positionsinformation, die eine sofortige Bestimmung der Position ermöglicht. Dadurch entfällt die Notwendigkeit einer Referenzierung beim Einschalten, wodurch sowohl die Effizienz als auch die Sicherheit im Betrieb erhöht werden. Für eine höhere Auflösung und bessere Positionsstabilität ist ein inkrementeller Encoder mit 4-µm-Teilung verfügbar.
Auswahl des passenden Präzisionslineartischs und Controllers
Die Auswahl des richtigen Lineartischs ist entscheidend für eine optimale Leistung bei hochpräzisen Bewegungsanwendungen wie Halbleiterinspektion und Ausrichtung in der Photonik. Faktoren wie Auflösung, Führungsgenauigkeit und Wiederholgenauigkeit müssen in Betracht gezogen werden. Die V-574 Lineartischfamilie bietet eine außergewöhnliche geometrische Genauigkeit (Ebenheit, Geradheit, Nicken und Gieren) sowie eine bidirektionale Wiederholgenauigkeit von ±80 Nanometern. Mit ihren hochdynamischen Eigenschaften, einschließlich einer Beschleunigung von 1g und einer Geschwindigkeit von 1000 mm/s, sind diese schnellen und präzisen motorisierten Tische ideal für die Automatisierung hochgenauer Positionieraufgaben, die für die Massenproduktion von Präzisionsgeräten erforderlich sind.
In Kombination mit den Controllern der Serie A-8xx von PI erreichen diese Tische eine unübertroffene Bewegungsleistung. Die EtherCAT-basierten Controller von PI bieten eine außerordentliche Flexibilität und erleichtern so die nahtlose Integration von EtherCAT-kompatiblen Geräten anderer Hersteller. Hochentwickelte Algorithmen in den Controllern der Serie A-8xx, wie PILOT, ermöglichen eine höhere Dynamik bei reduzierten Motorströmen und erhöhen dadurch praktisch die Kraftkonstante des Motors. Der V-574 ist die ideale Wahl, wenn es Ihnen um Präzision, Zuverlässigkeit und Effizienz in Ihren Bewegungsanwendungen geht.
Zubehör und Optionen
- Encodertyp: 1-Vpp-Sin/Cos- (20 µm oder 4 µm) oder absoluter Encoder mit BiSS-Ausgang
- Bremse und Gegengewicht für den vertikalen Einsatz
- Ein- oder mehrachsig, ACS Motion Controller und Servoantriebe, integriert oder verteilt
- Kabel kompatibel mit A-8xx, der Serie ACS-basierter Controller
- Mehrachsiger XY- und XYZ-Tischaufbau
- Granitunterbau
Einsatzgebiete
Probeninspektion. Präzise Mikromontage. Forschung. Biotechnologie. Halbleitertest und -inspektion. Metrologie Allgemeine Automatisierung. Gerätemontage. Lasermikrobearbeitung. Pick-and-Place. Ausrichtung optischer, mikromechanischer und photonischer Komponenten.
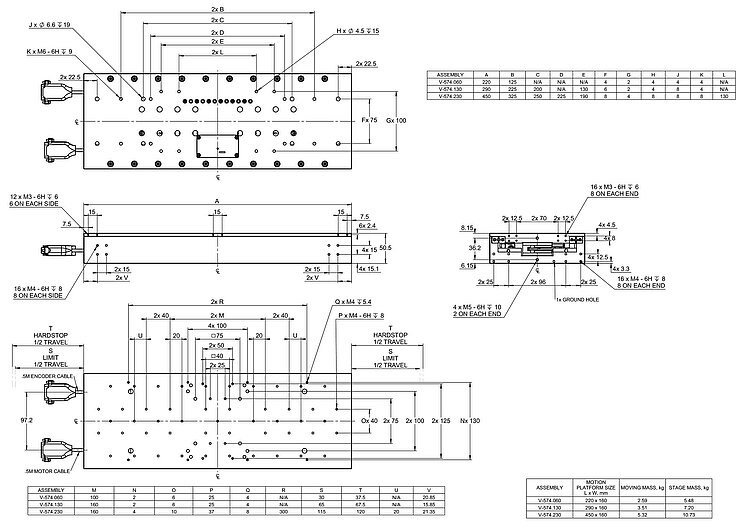
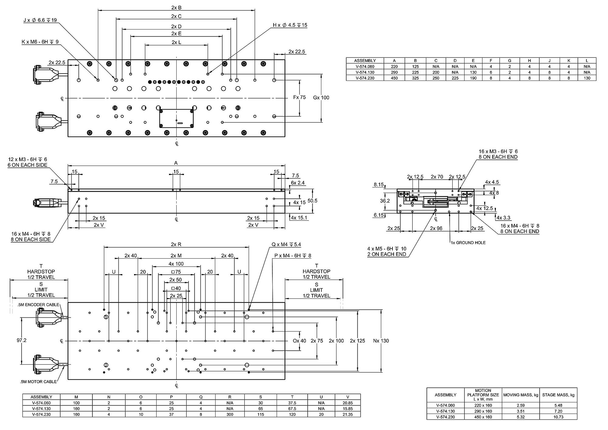
Spezifikationen
Spezifikationen
| Bewegen | V-574.060B1 | V-574.130B1 | V-574.230B1 | V-574.060D1 | V-574.130D1 | V-574.230D1 | V-574.060A1 | V-574.130A1 | V-574.230A1 | Toleranz |
|---|---|---|---|---|---|---|---|---|---|---|
| Aktive Achsen | X | X | X | X | X | X | X | X | X | |
| Stellweg in X | 60 mm | 130 mm | 230 mm | 60 mm | 130 mm | 230 mm | 60 mm | 130 mm | 230 mm | |
| Beschleunigung in X, unbelastet | 10 m/s² | 10 m/s² | 10 m/s² | 10 m/s² | 10 m/s² | 10 m/s² | 10 m/s² | 10 m/s² | 10 m/s² | max. |
| Maximale Geschwindigkeit in X, unbelastet | 1000 mm/s | 1000 mm/s | 1000 mm/s | 1000 mm/s | 1000 mm/s | 1000 mm/s | 1000 mm/s | 1000 mm/s | 1000 mm/s | |
| Geradheitsabweichung in Y (Geradheit) | ± 1 µm | ± 1,2 µm | ± 1,5 µm | ± 1 µm | ± 1,2 µm | ± 1,5 µm | ± 1 µm | ± 1,2 µm | ± 1,5 µm | max. |
| Geradheitsabweichung in Z (Ebenheit) | ± 1 µm | ± 1,2 µm | ± 1,5 µm | ± 1 µm | ± 1,2 µm | ± 1,5 µm | ± 1 µm | ± 1,2 µm | ± 1,5 µm | max. |
| Winkelabweichung um Y (Nicken) | ± 37,5 µrad | ± 37,5 µrad | ± 37,5 µrad | ± 37,5 µrad | ± 37,5 µrad | ± 37,5 µrad | ± 37,5 µrad | ± 37,5 µrad | ± 37,5 µrad | max. |
| Winkelabweichung um Z (Gieren) | ± 25 µrad | ± 25 µrad | ± 25 µrad | ± 25 µrad | ± 25 µrad | ± 25 µrad | ± 25 µrad | ± 25 µrad | ± 25 µrad | max. |
| Positionieren | V-574.060B1 | V-574.130B1 | V-574.230B1 | V-574.060D1 | V-574.130D1 | V-574.230D1 | V-574.060A1 | V-574.130A1 | V-574.230A1 | Toleranz |
| Positioniergenauigkeit in X, kalibriert | ± 0,2 µm | ± 0,2 µm | ± 0,2 µm | ± 0,2 µm | ± 0,2 µm | ± 0,2 µm | ± 0,2 µm | ± 0,2 µm | ± 0,2 µm | max. |
| Bidirektionale Wiederholgenauigkeit in X | 0,08 µm | 0,08 µm | 0,08 µm | 0,08 µm | 0,08 µm | 0,08 µm | 0,08 µm | 0,08 µm | 0,08 µm | max. |
| Referenzschalter | — | — | — | Index in der Mitte des Stellwegs, 1 V Spitze-Spitze | Index in der Mitte des Stellwegs, 1 V Spitze-Spitze | Index in der Mitte des Stellwegs, 1 V Spitze-Spitze | Index in der Mitte des Stellwegs, 1 V Spitze-Spitze | Index in der Mitte des Stellwegs, 1 V Spitze-Spitze | Index in der Mitte des Stellwegs, 1 V Spitze-Spitze | |
| Integrierter Sensor | Absoluter Linearencoder | Absoluter Linearencoder | Absoluter Linearencoder | Inkrementeller Linearencoder | Inkrementeller Linearencoder | Inkrementeller Linearencoder | Inkrementeller Linearencoder | Inkrementeller Linearencoder | Inkrementeller Linearencoder | |
| Sensorsignal | BiSS-C, 32 Bit | BiSS-C, 32 Bit | BiSS-C, 32 Bit | Sin/Cos, 1 V Spitze-Spitze | Sin/Cos, 1 V Spitze-Spitze | Sin/Cos, 1 V Spitze-Spitze | Sin/Cos, 1 V Spitze-Spitze | Sin/Cos, 1 V Spitze-Spitze | Sin/Cos, 1 V Spitze-Spitze | |
| Sensorsignalperiode | — | — | — | 4 µm | 4 µm | 4 µm | 20 µm | 20 µm | 20 µm | |
| Sensorauflösung | 1 nm | 1 nm | 1 nm | 1 nm | 1 nm | 1 nm | 1 nm | 1 nm | 1 nm | |
| Antriebseigenschaften | V-574.060B1 | V-574.130B1 | V-574.230B1 | V-574.060D1 | V-574.130D1 | V-574.230D1 | V-574.060A1 | V-574.130A1 | V-574.230A1 | Toleranz |
| Antriebstyp | Eisenloser 3-Phasen-Linearmotor | Eisenloser 3-Phasen-Linearmotor | Eisenloser 3-Phasen-Linearmotor | Eisenloser 3-Phasen-Linearmotor | Eisenloser 3-Phasen-Linearmotor | Eisenloser 3-Phasen-Linearmotor | Eisenloser 3-Phasen-Linearmotor | Eisenloser 3-Phasen-Linearmotor | Eisenloser 3-Phasen-Linearmotor | |
| Nennspannung | 60 V | 60 V | 60 V | 60 V | 60 V | 60 V | 60 V | 60 V | 60 V | |
| Nennstrom, effektiv | 2,9 A | 2,9 A | 2,9 A | 2,9 A | 2,9 A | 2,9 A | 2,9 A | 2,9 A | 2,9 A | typ. |
| Spitzenstrom, effektiv | 10 A | 10 A | 10 A | 10 A | 10 A | 10 A | 10 A | 10 A | 10 A | typ. |
| Antriebskraft in X | 58 N | 58 N | 58 N | 58 N | 58 N | 58 N | 58 N | 58 N | 58 N | typ. |
| Spitzenkraft in X | 200 N | 200 N | 200 N | 200 N | 200 N | 200 N | 200 N | 200 N | 200 N | |
| Kraftkonstante | 19,9 N/A | 19,9 N/A | 19,9 N/A | 19,9 N/A | 19,9 N/A | 19,9 N/A | 19,9 N/A | 19,9 N/A | 19,9 N/A | |
| Widerstand Phase-Phase | 5,6 Ω | 5,6 Ω | 5,6 Ω | 5,6 Ω | 5,6 Ω | 5,6 Ω | 5,6 Ω | 5,6 Ω | 5,6 Ω | typ. |
| Induktivität Phase-Phase | 1,8 mH | 1,8 mH | 1,8 mH | 1,8 mH | 1,8 mH | 1,8 mH | 1,8 mH | 1,8 mH | 1,8 mH | |
| Gegen-EMK Phase-Phase | 16 V·s/m | 16 V·s/m | 16 V·s/m | 16 V·s/m | 16 V·s/m | 16 V·s/m | 16 V·s/m | 16 V·s/m | 16 V·s/m | max. |
| Polabstand | 30 mm | 30 mm | 30 mm | 30 mm | 30 mm | 30 mm | 30 mm | 30 mm | 30 mm | |
| Mechanische Eigenschaften | V-574.060B1 | V-574.130B1 | V-574.230B1 | V-574.060D1 | V-574.130D1 | V-574.230D1 | V-574.060A1 | V-574.130A1 | V-574.230A1 | Toleranz |
| Zulässige Druckkraft in Z | 150 N | 150 N | 150 N | 150 N | 150 N | 150 N | 150 N | 150 N | 150 N | max. |
| Bewegte Masse in X, unbelastet | 2600 g | 3500 g | 5300 g | 2600 g | 3500 g | 5300 g | 2600 g | 3500 g | 5300 g | |
| Lagertyp | Kreuzrollenlager | Kreuzrollenlager | Kreuzrollenlager | Kreuzrollenlager | Kreuzrollenlager | Kreuzrollenlager | Kreuzrollenlager | Kreuzrollenlager | Kreuzrollenlager | |
| Gesamtmasse | 5500 g | 7200 g | 10700 g | 5500 g | 7200 g | 10700 g | 5500 g | 7200 g | 10700 g | |
| Material | Aluminium | Aluminium | Aluminium | Aluminium | Aluminium | Aluminium | Aluminium | Aluminium | Aluminium | |
| Abmessungen Bewegungsplattform | 220 × 160 mm | 290 × 160 mm | 450 × 160 mm | 220 × 160 mm | 290 × 160 mm | 450 × 160 mm | 220 × 160 mm | 290 × 160 mm | 450 × 160 mm | |
| Höhe | 50,5 mm | 50,5 mm | 50,5 mm | 50,5 mm | 50,5 mm | 50,5 mm | 50,5 mm | 50,5 mm | 50,5 mm | |
| Anschlüsse und Umgebung | V-574.060B1 | V-574.130B1 | V-574.230B1 | V-574.060D1 | V-574.130D1 | V-574.230D1 | V-574.060A1 | V-574.130A1 | V-574.230A1 | Toleranz |
| Betriebstemperaturbereich | 5 bis 50 °C | 5 bis 50 °C | 5 bis 50 °C | 5 bis 50 °C | 5 bis 50 °C | 5 bis 50 °C | 5 bis 50 °C | 5 bis 50 °C | 5 bis 50 °C | |
| Antriebsanschluss | D-Sub 3W3 (m) | D-Sub 3W3 (m) | D-Sub 3W3 (m) | D-Sub 3W3 (m) | D-Sub 3W3 (m) | D-Sub 3W3 (m) | D-Sub 3W3 (m) | D-Sub 3W3 (m) | D-Sub 3W3 (m) | |
| Sensoranschluss | D-Sub 15 (m) | D-Sub 15 (m) | D-Sub 15 (m) | D-Sub 15 (m) | D-Sub 15 (m) | D-Sub 15 (m) | D-Sub 15 (m) | D-Sub 15 (m) | D-Sub 15 (m) | |
| Empfohlene Controller/Treiber | A-81x, A-82x | A-81x, A-82x | A-81x, A-82x | A-81x, A-82x | A-81x, A-82x | A-81x, A-82x | A-81x, A-82x | A-81x, A-82x | A-81x, A-82x |
Hinweis zu Geradheits- und Winkelabweichung: Abhängig von der Qualität des Untergrunds, der Nutzlast, der Ausrichtung und von Kräften, die von außen auf den Tisch wirken. Kontaktieren Sie PI für anwendungsspezifische Parameter. Die angegebenen Werte sind statisch (keine Rotationsbewegung während der Messung) und ohne Last.
Hinweis zu Positioniergenauigkeit: Die angegebenen Werte basieren auf der mit PI-Controllern möglichen Fehlerkompensation. Der Positionierer muss mit einem Controller von PI geordert werden, um diese Werte zu erreichen. Genauigkeitswerte gehen von kurzfristiger Dauer aus und berücksichtigen die Langzeitfolgen des thermischen Drifts auf den Tisch nicht.
Hinweis zu Geschwindigkeit, Beschleunigung und zulässiger Druckkraft in Z: Kann durch ein Ungleichgewicht der Nutzlast oder den Controller und den Antrieb eingeschränkt werden.
Technische Daten werden bei PI bei 22 ±3 °C spezifiziert. Die angegebenen Werte gelten im unbelasteten Zustand, wenn nicht anders angegeben. Teilweise sind Eigenschaften voneinander abhängig. Die Angabe "typ." kennzeichnet einen statistischen Mittelwert für eine Eigenschaft; sie gibt keinen garantierten Wert für jedes ausgelieferte Produkt an. Bei der Ausgangsprüfung eines Produkts werden nicht alle, sondern nur ausgewählte Eigenschaften geprüft. Beachten Sie, dass sich einige Produkteigenschaften mit zunehmender Betriebsdauer verschlechtern können.
Downloads
Datenblatt
Dokumentation
Benutzerhandbuch V57xD0001
V-57x Direct Drive Miniature Linear Stages
Angebot / Bestellung
Fordern Sie ein unverbindliches Angebot über gewünschte Stückzahlen, Preise und Lieferzeiten an oder beschreiben Sie Ihre gewünschte Modifikation.
Ultrapräziser Nanopositionier-Lineartisch mit Direktantrieb; Eisenloser 3-Phasen-Linearmotor; 130 mm Stellweg; 150 N Belastbarkeit; 1000 mm/s maximale Geschwindigkeit; Absoluter Linearencoder, 1 nm Sensorauflösung, BiSS-C, 32-Bit
Ultrapräziser Nanopositionier-Lineartisch mit Direktantrieb; Eisenloser 3-Phasen-Linearmotor; 230 mm Stellweg; 150 N Belastbarkeit; 1000 mm/s maximale Geschwindigkeit; Absoluter Linearencoder, 1 nm Sensorauflösung, BiSS-C, 32-Bit
Ultrapräziser Nanopositionier-Lineartisch mit Direktantrieb; Eisenloser 3-Phasen-Linearmotor; 60 mm Stellweg; 150 N Belastbarkeit; 1000 mm/s maximale Geschwindigkeit; Inkrementeller Linearencoder, 4 µm Sensorsignalperiode, Sin/Cos, 1 V Spitze-Spitze
Ultrapräziser Nanopositionier-Lineartisch mit Direktantrieb; Eisenloser 3-Phasen-Linearmotor; 130 mm Stellweg; 150 N Belastbarkeit; 1000 mm/s maximale Geschwindigkeit; Inkrementeller Linearencoder, 4 µm Sensorsignalperiode, Sin/Cos, 1 V Spitze-Spitze
Ultrapräziser Nanopositionier-Lineartisch mit Direktantrieb; Eisenloser 3-Phasen-Linearmotor; 230 mm Stellweg; 150 N Belastbarkeit; 1000 mm/s maximale Geschwindigkeit; Inkrementeller Linearencoder, 4 µm Sensorsignalperiode, Sin/Cos, 1 V Spitze-Spitze
Ultrapräziser Nanopositionier-Lineartisch mit Direktantrieb; Eisenloser 3-Phasen-Linearmotor; 60 mm Stellweg; 150 N Belastbarkeit; 1000 mm/s maximale Geschwindigkeit; Inkrementeller Linearencoder, 20 µm Sensorsignalperiode, Sin/Cos, 1 V Spitze-Spitze
Ultrapräziser Nanopositionier-Lineartisch mit Direktantrieb; Eisenloser 3-Phasen-Linearmotor; 130 mm Stellweg; 150 N Belastbarkeit; 1000 mm/s maximale Geschwindigkeit; Inkrementeller Linearencoder, 20 µm Sensorsignalperiode, Sin/Cos, 1 V Spitze-Spitze
Ultrapräziser Nanopositionier-Lineartisch mit Direktantrieb; Eisenloser 3-Phasen-Linearmotor; 230 mm Stellweg; 150 N Belastbarkeit; 1000 mm/s maximale Geschwindigkeit; Inkrementeller Linearencoder, 20 µm Sensorsignalperiode, Sin/Cos, 1 V Spitze-Spitze
Angebot anfordern
Fragen Sie den Fachmann!
Erhalten Sie innerhalb kürzester Zeit per E-Mail oder Telefon eine Rückmeldung zu Ihren Fragen von einem PI Vertriebsingenieur.








