Phasenschieber für Optiken, mit Taumelfehlerkorrektur; 15 µm Stellweg (ungeregelt); freie Apertur, Ø 53 mm; offene Litzen; 0,5 m Kabellänge
S-312 Phasenschieber für Optiken
Hochauflösender Hubtisch für den ungeregelten Betrieb für optische und interferometrische Anwendungen
- Piezohubtisch für horizontal oder vertikal montierte Optiken
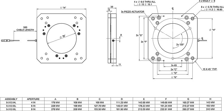
- Freie Aperturen in 5 verschiedenen Größen zur Auswahl verfügbar: 53 mm bis 311 mm
- Niedrige Bauhöhe
- Dreibein-Piezoantrieb für Z-Bewegung mit Taumelfehlerkorrektur
- Kundenspezifische Modelle verfügbar, z. B. für den geregelten Betrieb
Produktübersicht
S-312 Piezophasenschieber sind hochpräzise Nanopositioniertische, die für die optische Phasenverschiebung in anspruchsvollen Interferometrieanwendungen entwickelt wurden. Mit gleichmäßigen Bewegungen, einer Auflösung im Subnanometerbereich und einer Reaktionszeit im Millisekundenbereich ermöglichen diese Tische eine präzise Verschiebung von Interferenzstreifen für die Phasenanalyse. S-312 Piezotische, die in der Regel in Interferometer integriert werden, aber auch für andere optische Anwendungen eingesetzt werden können, eignen sich ideal für die Forschung und industrielle Messtechnik.
Betrieb
Die kompakte Konstruktion mit Dreibein-Piezoantrieb verfügt über drei langlebige PICMA® Piezoaktoren, die im 120-Grad-Winkel angeordnet sind. Bei gemeinsamer Ansteuerung führen sie eine lineare Bewegung entlang der optischen Achse aus. Sie können auch individuell angesteuert werden, um Taumelfehler zu korrigieren und Neigungen anzupassen. Die Kombination aus schneller Reaktionsfähigkeit, hoher Auflösung und Zuverlässigkeit macht den optischen Phasenschieber S-312 zu einer robusten Lösung für anspruchsvolle optische Messungen und Aufgaben der Phasenverschiebungsinterferometrie.
Modelle und Aperturgrößen
Die S-312 Familie umfasst freie Aperturen in den folgenden fünf Größen:
- Ø 53 mm
- Ø 108 mm
- Ø 158 mm
- Ø 208 mm
- Ø 311 mm
Elektronik und Steuerung
Die Piezotische sind mit ungeregelten Piezoaktoren ausgestattet, die lediglich einen rauscharmen Antrieb mit einem Leistungsbereich von 0 V bis 100 V benötigen, was einer linearen Bewegung von 0 µm bis 15 µm entlang der optischen Achse entspricht. Für rein lineare Bewegungen können Modelle mit LEMO-Standardsteckern direkt an einen Piezoantrieb wie den E-836 angeschlossen werden. Für eine zusätzliche Taumelfehlerkorrektur sind drei unabhängige Antriebskanäle erforderlich, um jeden Piezoaktor individuell anzusteuern. In diesem Fall sollten Modelle mit offenen Litzen gewählt werden, um die Aktoren einzeln ansteuern zu können.
Varianten und Zubehör
- LEMO-Stecker 1-polig für Hubbewegung (LEMO FFA.00.250.CTAC22)
- Anschlusskabel ohne Stecker für die individuelle Aktorsteuerung (Hub-/Kippbewegungen)
- Optionale Kabel: P-890 LEMO/lötbares Ende, P-891 Verlängerungskabel
Einsatzgebiete
Die Serie der S-312 Piezotische ist ideal für Applikationen mit interferometrischen und anderen optischen Schaltungen geeignet, die präzise schrittweise Bewegungen im Nanometerbereich erfordern. Dank des Tischdesigns mit Piezoaktoren und Festkörpergelenken beträgt die Laufleistung mehrere Milliarden Zyklen. Die Tische sind außerdem für die Anwendung unter Vakuum- oder Reinraumbedingungen erhältlich.
Spezifikationen
Spezifikationen
| Bewegen | S-312.02 | S-312.02L | S-312.04 | S-312.04L | S-312.06 | S-312.06L | S-312.08 | S-312.08L | S-312.12 | S-312.12L | Toleranz |
|---|---|---|---|---|---|---|---|---|---|---|---|
| Aktive Achsen | Z ǀ θX ǀ θY | Z | Z ǀ θX ǀ θY | Z | Z ǀ θX ǀ θY | Z | Z ǀ θX ǀ θY | Z | Z ǀ θX ǀ θY | Z | |
| Stellweg in Z, ungeregelt, bei 0 bis 100 V | 15 µm | 15 µm | 15 µm | 15 µm | 15 µm | 15 µm | 15 µm | 15 µm | 15 µm | 15 µm | ±20 % |
| Positionieren | S-312.02 | S-312.02L | S-312.04 | S-312.04L | S-312.06 | S-312.06L | S-312.08 | S-312.08L | S-312.12 | S-312.12L | Toleranz |
| Auflösung in Z, ungeregelt | 0,5 nm | 0,5 nm | 0,5 nm | 0,5 nm | 0,5 nm | 0,5 nm | 0,5 nm | 0,5 nm | 0,5 nm | 0,5 nm | typ. |
| Antriebseigenschaften | S-312.02 | S-312.02L | S-312.04 | S-312.04L | S-312.06 | S-312.06L | S-312.08 | S-312.08L | S-312.12 | S-312.12L | Toleranz |
| Antriebstyp | PICMA® | PICMA® | PICMA® | PICMA® | PICMA® | PICMA® | PICMA® | PICMA® | PICMA® | PICMA® | |
| Betriebsspannung | -20 bis +120 V | -20 bis +120 V | -20 bis +120 V | -20 bis +120 V | -20 bis +120 V | -20 bis +120 V | -20 bis +120 V | -20 bis +120 V | -20 bis +120 V | -20 bis +120 V | |
| Elektrische Kapazität in Z | 4,5 µF | 4,5 µF | 4,5 µF | 4,5 µF | 4,5 µF | 4,5 µF | 4,5 µF | 4,5 µF | 4,5 µF | 4,5 µF | ±20 % |
| Mechanische Eigenschaften | S-312.02 | S-312.02L | S-312.04 | S-312.04L | S-312.06 | S-312.06L | S-312.08 | S-312.08L | S-312.12 | S-312.12L | Toleranz |
| Resonanzfrequenz in Z, unbelastet | — | — | 560 Hz | 560 Hz | 320 Hz | 320 Hz | — | — | — | — | ±20 % |
| Resonanzfrequenz in Z, belastet mit maximaler Nutzlast | — | — | 70 Hz | 70 Hz | 45 Hz | 45 Hz | — | — | — | — | ±20 % |
| Maximale Nutzlast | 15 kg | 15 kg | 15 kg | 15 kg | 15 kg | 15 kg | 15 kg | 15 kg | 15 kg | 15 kg | |
| Masse ohne Kabel | — | — | 1,8 kg | 1,8 kg | 2,5 kg | 2,5 kg | — | — | — | — | |
| Material | Aluminium | Aluminium | Aluminium | Aluminium | Aluminium | Aluminium | Aluminium | Aluminium | Aluminium | Aluminium | |
| Durchmesser Apertur | 53 mm | 53 mm | 108 mm | 108 mm | 158 mm | 158 mm | 208 mm | 208 mm | 311 mm | 311 mm | |
| Anschlüsse und Umgebung | S-312.02 | S-312.02L | S-312.04 | S-312.04L | S-312.06 | S-312.06L | S-312.08 | S-312.08L | S-312.12 | S-312.12L | Toleranz |
| Betriebstemperaturbereich | -20 bis 80 °C | -20 bis 80 °C | -20 bis 80 °C | -20 bis 80 °C | -20 bis 80 °C | -20 bis 80 °C | -20 bis 80 °C | -20 bis 80 °C | -20 bis 80 °C | -20 bis 80 °C | |
| Anschluss | Offene Litzen | LEMO FFS.00.250.CTCE24 | Offene Litzen | LEMO FFS.00.250.CTCE24 | Offene Litzen | LEMO FFS.00.250.CTCE24 | Offene Litzen | LEMO FFS.00.250.CTCE24 | Offene Litzen | LEMO FFS.00.250.CTCE24 | |
| Kabellänge | 0,5 m | 0,5 m | 0,5 m | 0,5 m | 0,5 m | 0,5 m | 0,5 m | 0,5 m | 0,5 m | 0,5 m | |
| Empfohlene Controller/Treiber | E-836 | E-836 | E-836 | E-836 | E-836 | E-836 | E-836 | E-836 | E-836 | E-836 |
Hinweis zur aktiven Achse: in Richtung der optischen Achse, mit Taumelfehlerkorrektur
Hinweis zur Auflösung in Z: Die Auflösung wird durch den Rauschpegel des Verstärkers begrenzt. Der angegebene Wert bezieht sich auf einen üblichen PI Verstärker.
Hinweis zur maximalen Nutzlast: bei beliebiger Ausrichtung der optischen Achse relativ zur Schwerkraft
Hinweis zur Resonanzfrequenz: technische Berechnung, basierend auf Finite-Elemente-Analyse (FEA)
Hinweis zur elektrischen Kapazität: 1,5 µF pro Piezoaktor. Kleinsignalkapazität gemessen bei 1 Vpp, 1 kHz, Raumtemperatur, Toleranz ±20 %
Ungeregelte Piezoaktoren weisen in der Regel eine Hysterese von 15 % und ein Kriechen von 3 % in den ersten 100 s auf. Der Tisch ist für schrittweise Bewegungen ausgelegt.
Die Spezifikationen werden kontinuierlich aktualisiert und können ohne vorherige Ankündigung geändert werden. "-" weist darauf hin, dass diese Daten noch nicht verfügbar sind.
Technische Daten werden bei PI bei 22 ±3 °C spezifiziert. Die angegebenen Werte gelten im unbelasteten Zustand, wenn nicht anders angegeben. Teilweise sind Eigenschaften voneinander abhängig. Die Angabe "typ." kennzeichnet einen statistischen Mittelwert für eine Eigenschaft; sie gibt keinen garantierten Wert für jedes ausgelieferte Produkt an. Bei der Ausgangsprüfung eines Produkts werden nicht alle, sondern nur ausgewählte Eigenschaften geprüft. Beachten Sie, dass sich einige Produkteigenschaften mit zunehmender Betriebsdauer verschlechtern können.
Angebot / Bestellung
Fordern Sie ein unverbindliches Angebot über gewünschte Stückzahlen, Preise und Lieferzeiten an oder beschreiben Sie Ihre gewünschte Modifikation.
Phasenschieber für Optiken; 15 µm Stellweg (ungeregelt); freie Apertur, Ø 53 mm; LEMO FFS.00.250.CTCE24; 0,5 m Kabellänge
Phasenschieber für Optiken, mit Taumelfehlerkorrektur; 15 µm Stellweg (ungeregelt); freie Apertur, Ø 108 mm; offene Litzen; 0,5 m Kabellänge
Phasenschieber für Optiken; 15 µm Stellweg (ungeregelt); freie Apertur, Ø 108 mm; LEMO FFS.00.250.CTCE24; 0,5 m Kabellänge
Phasenschieber für Optiken, mit Taumelfehlerkorrektur; 15 µm Stellweg (ungeregelt); freie Apertur, Ø 158 mm; offene Litzen; 0,5 m Kabellänge
Phasenschieber für Optiken; 15 µm Stellweg (ungeregelt); freie Apertur, Ø 158 mm; LEMO FFS.00.250.CTCE24; 0,5 m Kabellänge
Phasenschieber für Optiken, mit Taumelfehlerkorrektur; 15 µm Stellweg (ungeregelt); freie Apertur, Ø 208 mm; offene Litzen; 0,5 m Kabellänge
Phasenschieber für Optiken; 15 µm Stellweg (ungeregelt); freie Apertur, Ø 208 mm; LEMO FFS.00.250.CTCE24; 0,5 m Kabellänge
Phasenschieber für Optiken, mit Taumelfehlerkorrektur; 15 µm Stellweg (ungeregelt); freie Apertur, Ø 311 mm; offene Litzen; 0,5 m Kabellänge
Phasenschieber für Optiken; 15 µm Stellweg (ungeregelt); freie Apertur, Ø 311 mm; LEMO FFS.00.250.CTCE24; 0,5 m Kabellänge
Angebot anfordern
Fragen Sie den Fachmann!
Erhalten Sie innerhalb kürzester Zeit per E-Mail oder Telefon eine Rückmeldung zu Ihren Fragen von einem PI Vertriebsingenieur.










