P-007 – P-056 PICA Stack Piezoaktoren
Hohe Kräfte, große Auslenkungen, flexibel fertigbar
- Stellwege bis 300 µm
- Hohe Belastbarkeit
- Krafterzeugung bis 80 kN
- Sehr zuverlässig: >109 Zyklen
Piezolinearaktor in gestapelter Bauweise
Betriebsspannung 0 bis 1000 V. Lange Lebensdauer ohne Leistungseinbußen. Große spezifische Auslenkung. Hohe Kräfte. Sub-nm-Auflösung, µs-Ansprechzeit. Betriebstemperaturbereich -20 bis 85 °C
Mögliche Modifikationen
- DMS-Sensoren für Positionsstabilität
- Piezokeramikmaterial
- Spannungsbereich, Auslenkung, Lagendicke
- Belastbarkeit, Krafterzeugung
- Geometrie: rund, rechteckig
- Endstücke: flach, sphärisch, Metall, Keramik, Glas, Saphir etc.
- Integrierte piezoelektrische Kraftdetektorscheiben
- Erweiterter Temperaturbereich, Temperatursensor
- Vakuumkompatible und unmagnetische Versionen
- Verringerte Längentoleranzen
Einsatzgebiete
Industrie und Forschung. Für Hochlast-Präzisionspositionierung, Präzisionsmechanik und -fertigung, Schaltanwendungen
Spezifikationen
Dieser Inhalt ist nur auf Tablets oder Desktop Geräten verfügbar.Spezifikationen
| Stellweg | Durchmesser OD | Länge L | Blockierkraft | Steifigkeit | Elektrische Kapazität | Resonanzfrequenz | |
|---|---|---|---|---|---|---|---|
| µm | mm | mm | N | N/µm | nF | kHz | |
| P-007.00 | 5 | 7 | 8 | 650 | 130 | 11 | 126 | 
| P-007.10 | 15 | 7 | 17 | 850 | 59 | 33 | 59 | 
| P-007.20 | 30 | 7 | 29 | 1000 | 35 | 64 | 36 | 
| P-007.40 | 60 | 7 | 54 | 1150 | 19 | 130 | 20 | 
| P-010.00 | 5 | 10 | 8 | 1400 | 270 | 21 | 126 | 
| P-010.10 | 15 | 10 | 17 | 1800 | 120 | 64 | 59 | 
| P-010.20 | 30 | 10 | 30 | 2100 | 71 | 130 | 35 | 
| P-010.40 | 60 | 10 | 56 | 2200 | 38 | 260 | 20 | 
| P-010.80 | 120 | 10 | 107 | 2400 | 20 | 510 | 10 | 
| P-016.10 | 15 | 16 | 17 | 4600 | 320 | 180 | 59 | 
| P-016.20 | 30 | 16 | 29 | 5500 | 190 | 340 | 36 | 
| P-016.40 | 60 | 16 | 54 | 6000 | 100 | 680 | 20 | 
| P-016.80 | 120 | 16 | 101 | 6500 | 54 | 1300 | 11 | 
| P-016.90 | 180 | 16 | 150 | 6500 | 36 | 2000 | 7 | 
| P-025.10 | 15 | 25 | 18 | 11000 | 740 | 400 | 56 | 
| P-025.20 | 30 | 25 | 30 | 13000 | 440 | 820 | 35 | 
| P-025.40 | 60 | 25 | 53 | 15000 | 250 | 1700 | 21 | 
| P-025.80 | 120 | 25 | 101 | 16000 | 130 | 3400 | 11 | 
| P-025.90 | 180 | 25 | 149 | 16000 | 89 | 5100 | 7 | 
| P-025.150 | 250 | 25 | 204 | 16000 | 65 | 7100 | 5 | 
| P-025.200 | 300 | 25 | 244 | 16000 | 54 | 8500 | 5 | 
| P-035.10 | 15 | 35 | 20 | 20000 | 1300 | 700 | 51 | 
| P-035.20 | 30 | 35 | 32 | 24000 | 810 | 1600 | 33 | 
| P-035.40 | 60 | 35 | 57 | 28000 | 460 | 3300 | 19 | 
| P-035.80 | 120 | 35 | 104 | 30000 | 250 | 6700 | 11 | 
| P-035.90 | 180 | 35 | 153 | 31000 | 170 | 10000 | 7 | 
| P-045.20 | 30 | 45 | 33 | 39000 | 1300 | 2800 | 32 | 
| P-045.40 | 60 | 45 | 58 | 44000 | 740 | 5700 | 19 | 
| P-045.80 | 120 | 45 | 105 | 49000 | 410 | 11000 | 10 | 
| P-045.90 | 180 | 45 | 154 | 50000 | 280 | 17000 | 7 | 
| P-050.20 | 30 | 50 | 33 | 48000 | 1600 | 3400 | 32 | 
| P-050.40 | 60 | 50 | 58 | 55000 | 910 | 7000 | 19 | 
| P-050.80 | 120 | 50 | 105 | 60000 | 500 | 14000 | 10 | 
| P-050.90 | 180 | 50 | 154 | 61000 | 340 | 22000 | 7 | 
| P-056.20 | 30 | 56 | 33 | 60000 | 2000 | 4300 | 32 | 
| P-056.40 | 60 | 56 | 58 | 66000 | 1100 | 8900 | 19 | 
| P-056.80 | 120 | 56 | 105 | 76000 | 630 | 18000 | 10 | 
| P-056.90 | 180 | 56 | 154 | 78000 | 430 | 27000 | 7 | 
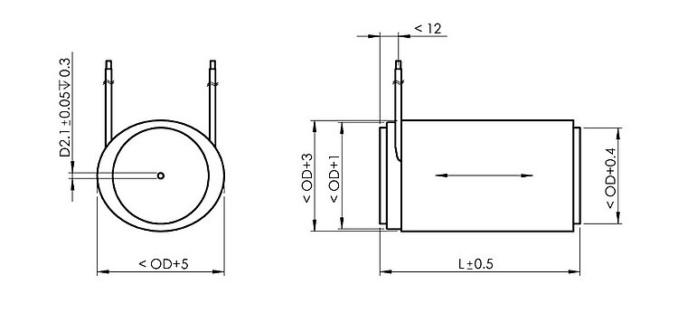
Stellweg: bei 0 bis 1000 V. Toleranz -10 / 20 %.
Länge L: Toleranz ±0,5 mm.
Blockierkraft: Bei 0 bis 1000 V.
Elektrische Kapazität: gemessen bei 1 Vₚₚ, 1 kHz, RT, Toleranz ±20 %.
Resonanzfrequenz: gemessen bei 1 Vₚₚ, unbelastet, beidseitig frei. Bei einseitiger Einspannung halbiert sich der Wert.
Piezokeramik: PIC151.
Standardanschlüsse: FEP- isolierte Anschlusslitzen, 100 mm, AWG 24, Ø 1,15 mm.
Betriebsspannungsbereich: 0 bis 1000 V.
Betriebstemperaturbereich: -20 bis 85 °C.
Standardkopfstücke: Stahlscheiben, je nach Modell 0,5 bis 2 mm dick.
Mantelfläche: Schrumpfschlauch Polyolefin, schwarz.
Empfohlene Vorspannung für den dynamischen Betrieb: 15 MPa.
Maximale Vorspannung für konstante Kraftausübung: 30 MPa.
Sonderausführungen und andere Spezifikationen auf Anfrage.
Downloads
Dokumentation
Benutzerhandbuch PZ138
PICA Piezoaktoren: P-007, P-010, P-016, P-025, P-035, P-045, P-050, P-056 PICA Stack/Power/Thru Sonderprodukte
Angebot / Bestellung
Fordern Sie ein unverbindliches Angebot über gewünschte Stückzahlen, Preise und Lieferzeiten an oder beschreiben Sie Ihre gewünschte Modifikation.
Sonderausführungen und andere Spezifikationen auf Anfrage.
Angebot anfordern
Fragen Sie den Fachmann!
Erhalten Sie innerhalb kürzester Zeit per E-Mail oder Telefon eine Rückmeldung zu Ihren Fragen von einem PI Vertriebsingenieur.





















