PICA Power Piezoaktor; 15 µm Stellweg (ungeregelt); LEMO HVPZT; 1 m Kabellänge
P-216 Vorgespannte PICA Power Piezoaktoren
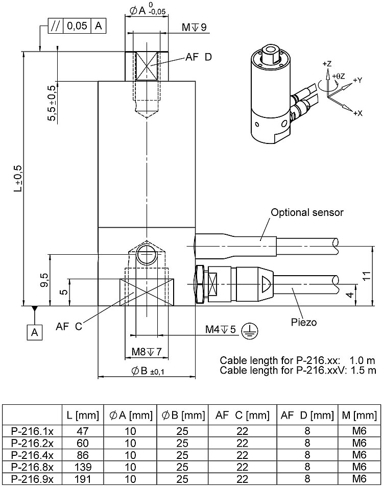
Vorgespannte Piezoaktoren (HVPZT) mit Sensoroption
- Stellweg bis 180 µm
- Druckbelastbarkeit bis 4500 N
- Zugbelastbarkeit bis 500 N
- Sub-ms-Ansprechzeit
- Sub-nm-Auflösung
- Optional: vakuum-, hochtemperaturgeeignet
Einsatzgebiete
- Aktive Schwingungsdämpfung
- Adaptive Mechanik
- Feinwerktechnik / Mikromechanik
- Optik
- Messtechnik / Interferometrie
- Adaptronik
- Schalter
- Lasertuning
- Krafterzeugung / Materialprüfung
- Nanotechnologie
PICA Power Piezoaktoren für hohe Lasten
PICA Power Hochlast-Stapelaktoren sind zuverlässig und bieten große Stellwege bei großen Lasten. Die Aktoren sind für anspruchsvolle Belastungen mit hohen Betriebstemperaturen geeignet.
Geeignet für anspruchsvolle Vakuumanwendungen
Piezoaktoren benötigen weder Schmiermittel noch verursachen sie Abrieb. Ausführungen für Vakuum bis 10-6 hPa und für besonders hohe oder tiefe Betriebstemperaturen sind verfügbar.
Spezifikationen
Spezifikationen
| Bewegen | P-216.10 | P-216.10V | P-216.1S | P-216.1SV | P-216.20 | P-216.20V | P-216.2S | P-216.2SV | P-216.40 | P-216.40V | P-216.4S | P-216.4SV | P-216.80 | P-216.80V | P-216.8S | P-216.8SV | P-216.90 | P-216.90V | P-216.9S | P-216.9SV | Toleranz |
|---|---|---|---|---|---|---|---|---|---|---|---|---|---|---|---|---|---|---|---|---|---|
| Aktive Achsen | Z | Z | Z | Z | Z | Z | Z | Z | Z | Z | Z | Z | Z | Z | Z | Z | Z | Z | Z | Z | |
| Stellweg in Z | — | — | 15 µm | 15 µm | — | — | 30 µm | 30 µm | — | — | 60 µm | 60 µm | — | — | 120 µm | 120 µm | — | — | 180 µm | 180 µm | |
| Stellweg in Z, ungeregelt | 15 µm | 15 µm | 15 µm | 15 µm | 30 µm | 30 µm | 30 µm | 30 µm | 60 µm | 60 µm | 60 µm | 60 µm | 120 µm | 120 µm | 120 µm | 120 µm | 180 µm | 180 µm | 180 µm | 180 µm | ±20 % |
| Linearitätsabweichung in Z | — | — | 0,2 % | 0,2 % | — | — | 0,2 % | 0,2 % | — | — | 0,2 % | 0,2 % | — | — | 0,2 % | 0,2 % | — | — | 0,2 % | 0,2 % | typ. |
| Positionieren | P-216.10 | P-216.10V | P-216.1S | P-216.1SV | P-216.20 | P-216.20V | P-216.2S | P-216.2SV | P-216.40 | P-216.40V | P-216.4S | P-216.4SV | P-216.80 | P-216.80V | P-216.8S | P-216.8SV | P-216.90 | P-216.90V | P-216.9S | P-216.9SV | Toleranz |
| Auflösung in Z, ungeregelt | 0,15 nm | 0,15 nm | 0,15 nm | 0,15 nm | 0,3 nm | 0,3 nm | 0,3 nm | 0,3 nm | 0,6 nm | 0,6 nm | 0,6 nm | 0,6 nm | 1,2 nm | 1,2 nm | 1,2 nm | 1,2 nm | 1,8 nm | 1,8 nm | 1,8 nm | 1,8 nm | typ. |
| Integrierter Sensor | — | — | DMS, direkte Positionsmessung | DMS, direkte Positionsmessung | — | — | DMS, direkte Positionsmessung | DMS, direkte Positionsmessung | — | — | DMS, direkte Positionsmessung | DMS, direkte Positionsmessung | — | — | DMS, direkte Positionsmessung | DMS, direkte Positionsmessung | — | — | DMS, direkte Positionsmessung | DMS, direkte Positionsmessung | |
| Systemauflösung in Z | — | — | 0,3 nm | 0,3 nm | — | — | 0,6 nm | 0,6 nm | — | — | 1,2 nm | 1,2 nm | — | — | 2,4 nm | 2,4 nm | — | — | 3,6 nm | 3,6 nm | |
| Antriebseigenschaften | P-216.10 | P-216.10V | P-216.1S | P-216.1SV | P-216.20 | P-216.20V | P-216.2S | P-216.2SV | P-216.40 | P-216.40V | P-216.4S | P-216.4SV | P-216.80 | P-216.80V | P-216.8S | P-216.8SV | P-216.90 | P-216.90V | P-216.9S | P-216.9SV | Toleranz |
| Aktortyp | Linearaktor | Linearaktor | Linearaktor | Linearaktor | Linearaktor | Linearaktor | Linearaktor | Linearaktor | Linearaktor | Linearaktor | Linearaktor | Linearaktor | Linearaktor | Linearaktor | Linearaktor | Linearaktor | Linearaktor | Linearaktor | Linearaktor | Linearaktor | |
| Antriebstyp | PICA | PICA | PICA | PICA | PICA | PICA | PICA | PICA | PICA | PICA | PICA | PICA | PICA | PICA | PICA | PICA | PICA | PICA | PICA | PICA | |
| Betriebsspannung | 0 bis 1000 V | 0 bis 1000 V | 0 bis 1000 V | 0 bis 1000 V | 0 bis 1000 V | 0 bis 1000 V | 0 bis 1000 V | 0 bis 1000 V | 0 bis 1000 V | 0 bis 1000 V | 0 bis 1000 V | 0 bis 1000 V | 0 bis 1000 V | 0 bis 1000 V | 0 bis 1000 V | 0 bis 1000 V | 0 bis 1000 V | 0 bis 1000 V | 0 bis 1000 V | 0 bis 1000 V | |
| Elektrische Kapazität in Z | 130 nF | 130 nF | 130 nF | 130 nF | 250 nF | 250 nF | 250 nF | 250 nF | 500 nF | 500 nF | 500 nF | 500 nF | 1000 nF | 1000 nF | 1000 nF | 1000 nF | 1500 nF | 1500 nF | 1500 nF | 1500 nF | ±20 % |
| Mechanische Eigenschaften | P-216.10 | P-216.10V | P-216.1S | P-216.1SV | P-216.20 | P-216.20V | P-216.2S | P-216.2SV | P-216.40 | P-216.40V | P-216.4S | P-216.4SV | P-216.80 | P-216.80V | P-216.8S | P-216.8SV | P-216.90 | P-216.90V | P-216.9S | P-216.9SV | Toleranz |
| Steifigkeit in Z | 210 N/µm | 210 N/µm | 210 N/µm | 210 N/µm | 140 N/µm | 140 N/µm | 140 N/µm | 140 N/µm | 80 N/µm | 80 N/µm | 80 N/µm | 80 N/µm | 50 N/µm | 50 N/µm | 50 N/µm | 50 N/µm | 32 N/µm | 32 N/µm | 32 N/µm | 32 N/µm | ±20 % |
| Resonanzfrequenz in Z, unbelastet | 17 kHz | 17 kHz | 17 kHz | 17 kHz | 12 kHz | 12 kHz | 12 kHz | 12 kHz | 7 kHz | 7 kHz | 7 kHz | 7 kHz | 4,5 kHz | 4,5 kHz | 4,5 kHz | 4,5 kHz | 3 kHz | 3 kHz | 3 kHz | 3 kHz | ±20 % |
| Zulässige Druckkraft in Y | 60 N | 60 N | 60 N | 60 N | 36 N | 36 N | 36 N | 36 N | 23 N | 23 N | 23 N | 23 N | 23 N | 23 N | 23 N | 23 N | 23 N | 23 N | 23 N | 23 N | max. |
| Zulässige Druckkraft in Z | 4500 N | 4500 N | 4500 N | 4500 N | 4500 N | 4500 N | 4500 N | 4500 N | 4500 N | 4500 N | 4500 N | 4500 N | 4500 N | 4500 N | 4500 N | 4500 N | 4500 N | 4500 N | 4500 N | 4500 N | max. |
| Zulässige Zugkraft in Z | 500 N | 500 N | 500 N | 500 N | 500 N | 500 N | 500 N | 500 N | 500 N | 500 N | 500 N | 500 N | 500 N | 500 N | 500 N | 500 N | 500 N | 500 N | 500 N | 500 N | max. |
| Zulässiges Moment in θZ | 1 N·m | 1 N·m | 1 N·m | 1 N·m | 1 N·m | 1 N·m | 1 N·m | 1 N·m | 1 N·m | 1 N·m | 1 N·m | 1 N·m | 1 N·m | 1 N·m | 1 N·m | 1 N·m | 1 N·m | 1 N·m | 1 N·m | 1 N·m | max. |
| Gesamtmasse | 170 g | 170 g | 170 g | 170 g | 200 g | 200 g | 200 g | 200 g | 250 g | 250 g | 250 g | 250 g | 370 g | 370 g | 370 g | 370 g | 480 g | 480 g | 480 g | 480 g | ±5 % |
| Material | Edelstahl | Edelstahl | Edelstahl | Edelstahl | Edelstahl | Edelstahl | Edelstahl | Edelstahl | Edelstahl | Edelstahl | Edelstahl | Edelstahl | Edelstahl | Edelstahl | Edelstahl | Edelstahl | Edelstahl | Edelstahl | Edelstahl | Edelstahl | |
| Anschlüsse und Umgebung | P-216.10 | P-216.10V | P-216.1S | P-216.1SV | P-216.20 | P-216.20V | P-216.2S | P-216.2SV | P-216.40 | P-216.40V | P-216.4S | P-216.4SV | P-216.80 | P-216.80V | P-216.8S | P-216.8SV | P-216.90 | P-216.90V | P-216.9S | P-216.9SV | Toleranz |
| Betriebstemperaturbereich | -40 bis 80 °C | -40 bis 150 °C | -40 bis 80 °C | -40 bis 150 °C | -40 bis 80 °C | -40 bis 150 °C | -40 bis 80 °C | -40 bis 150 °C | -40 bis 80 °C | -40 bis 150 °C | -40 bis 80 °C | -40 bis 150 °C | -40 bis 80 °C | -40 bis 150 °C | -40 bis 80 °C | -40 bis 150 °C | -40 bis 80 °C | -40 bis 150 °C | -40 bis 80 °C | -40 bis 150 °C | |
| Vakuumklasse | — | 10⁻⁶ ǀ hPa | — | 10⁻⁶ ǀ hPa | — | 10⁻⁶ ǀ hPa | — | 10⁻⁶ ǀ hPa | — | 10⁻⁶ ǀ hPa | — | 10⁻⁶ ǀ hPa | — | 10⁻⁶ ǀ hPa | — | 10⁻⁶ ǀ hPa | — | 10⁻⁶ ǀ hPa | — | 10⁻⁶ ǀ hPa | |
| Anschluss | LEMO HVPZT | LEMO HVPZT | LEMO HVPZT | LEMO HVPZT | LEMO HVPZT | LEMO HVPZT | LEMO HVPZT | LEMO HVPZT | LEMO HVPZT | LEMO HVPZT | LEMO HVPZT | LEMO HVPZT | LEMO HVPZT | LEMO HVPZT | LEMO HVPZT | LEMO HVPZT | LEMO HVPZT | LEMO HVPZT | LEMO HVPZT | LEMO HVPZT | |
| Kabellänge | 1 m | 1,5 m | 1 m | 1,5 m | 1 m | 1,5 m | 1 m | 1,5 m | 1 m | 1,5 m | 1 m | 1,5 m | 1 m | 1,5 m | 1 m | 1,5 m | 1 m | 1,5 m | 1 m | 1,5 m | |
| Empfohlene Controller/Treiber | E-462, E-464, E-470 • E-472 • E-421, E-481, E-482, E-508 | E-462, E-464, E-470 • E-472 • E-421, E-481, E-482, E-508 | E-462, E-464, E-470 • E-472 • E-421, E-481, E-482, E-508 | E-462, E-464, E-470 • E-472 • E-421, E-481, E-482, E-508 | E-462, E-464, E-470 • E-472 • E-421, E-481, E-482, E-508 | E-462, E-464, E-470 • E-472 • E-421, E-481, E-482, E-508 | E-462, E-464, E-470 • E-472 • E-421, E-481, E-482, E-508 | E-462, E-464, E-470 • E-472 • E-421, E-481, E-482, E-508 | E-462, E-464, E-470 • E-472 • E-421, E-481, E-482, E-508 | E-462, E-464, E-470 • E-472 • E-421, E-481, E-482, E-508 | E-462, E-464, E-470 • E-472 • E-421, E-481, E-482, E-508 | E-462, E-464, E-470 • E-472 • E-421, E-481, E-482, E-508 | E-462, E-464, E-470 • E-472 • E-421, E-481, E-482, E-508 | E-462, E-464, E-470 • E-472 • E-421, E-481, E-482, E-508 | E-462, E-464, E-470 • E-472 • E-421, E-481, E-482, E-508 | E-462, E-464, E-470 • E-472 • E-421, E-481, E-482, E-508 | E-462, E-464, E-470 • E-472 • E-421, E-481, E-482, E-508 | E-462, E-464, E-470 • E-472 • E-421, E-481, E-482, E-508 | E-462, E-464, E-470 • E-472 • E-421, E-481, E-482, E-508 | E-462, E-464, E-470 • E-472 • E-421, E-481, E-482, E-508 | |
| Sensoranschluss | — | — | LEMO für Dehnmessstreifen | LEMO für Dehnmessstreifen | — | — | LEMO für Dehnmessstreifen | LEMO für Dehnmessstreifen | — | — | LEMO für Dehnmessstreifen | LEMO für Dehnmessstreifen | — | — | LEMO für Dehnmessstreifen | LEMO für Dehnmessstreifen | — | — | LEMO für Dehnmessstreifen | LEMO für Dehnmessstreifen |
Steifigkeit in Z: Statische Großsignalsteifigkeit; dynamische Kleinsignalsteifigkeit ca. 50 % höher.
Betriebstemperaturbereich: Die maximale Ausheiztemperatur der Vakuumdurchführung beträgt 100 °C.
Die Auflösung des Systems wird nur vom Rauschen des Verstärkers und der Messtechnik begrenzt, da PI-Piezoaktoren reibungsfrei arbeiten.
Im Dauerbetrieb sollte die Betriebsspannung 750 V nicht überschreiten.
Technische Daten werden bei PI bei 22 ±3 °C spezifiziert. Die angegebenen Werte gelten im unbelasteten Zustand, wenn nicht anders angegeben. Teilweise sind Eigenschaften voneinander abhängig. Die Angabe "typ." kennzeichnet einen statistischen Mittelwert für eine Eigenschaft; sie gibt keinen garantierten Wert für jedes ausgelieferte Produkt an. Bei der Ausgangsprüfung eines Produkts werden nicht alle, sondern nur ausgewählte Eigenschaften geprüft. Beachten Sie, dass sich einige Produkteigenschaften mit zunehmender Betriebsdauer verschlechtern können.
Downloads
Produktmitteilung
Product Change Notification Piezo Actuator Driven Products
Datenblatt
Dokumentation
Benutzerhandbuch PZ249
P-212, P-216 Vorgespannte Piezoaktoren, 1000 V
3-D-Modelle
P-216 3D-Modell
Angebot / Bestellung
Fordern Sie ein unverbindliches Angebot über gewünschte Stückzahlen, Preise und Lieferzeiten an oder beschreiben Sie Ihre gewünschte Modifikation.
PICA Power Piezoaktor; 15 µm Stellweg (ungeregelt); vakuumkompatibel bis 10-6 hPa; LEMO HVPZT; 1,5 m Kabellänge
PICA Power Piezoaktor; 15 µm Stellweg; DMS, direkte Positionsmessung; LEMO HVPZT; 1 m Kabellänge
PICA Power Piezoaktor; 15 µm Stellweg; DMS, direkte Positionsmessung; vakuumkompatibel bis 10-6 hPa; LEMO HVPZT; 1,5 m Kabellänge
PICA Power Piezoaktor; 30 µm Stellweg (ungeregelt); LEMO HVPZT; 1 m Kabellänge
PICA Power Piezoaktor; 30 µm Stellweg (ungeregelt); vakuumkompatibel bis 10-6 hPa; LEMO HVPZT; 1,5 m Kabellänge
PICA Power Piezoaktor; 30 µm Stellweg; DMS, direkte Positionsmessung; LEMO HVPZT; 1 m Kabellänge
PICA Power Piezoaktor; 30 µm Stellweg; DMS, direkte Positionsmessung; vakuumkompatibel bis 10-6 hPa; LEMO HVPZT; 1,5 m Kabellänge
PICA Power Piezoaktor; 60 µm Stellweg (ungeregelt); LEMO HVPZT; 1 m Kabellänge
PICA Power Piezoaktor; 60 µm Stellweg (ungeregelt); vakuumkompatibel bis 10-6 hPa; LEMO HVPZT; 1,5 m Kabellänge
PICA Power Piezoaktor; 60 µm Stellweg; DMS, direkte Positionsmessung; LEMO HVPZT; 1 m Kabellänge
PICA Power Piezoaktor; 60 µm Stellweg; DMS, direkte Positionsmessung; vakuumkompatibel bis 10-6 hPa; LEMO HVPZT; 1,5 m Kabellänge
PICA Power Piezoaktor; 120 µm Stellweg (ungeregelt); LEMO HVPZT; 1 m Kabellänge
PICA Power Piezoaktor; 120 µm Stellweg (ungeregelt); vakuumkompatibel bis 10-6 hPa; LEMO HVPZT; 1,5 m Kabellänge
PICA Power Piezoaktor; 120 µm Stellweg; DMS, direkte Positionsmessung; LEMO HVPZT; 1 m Kabellänge
PICA Power Piezoaktor; 120 µm Stellweg; DMS, direkte Positionsmessung; vakuumkompatibel bis 10-6 hPa; LEMO HVPZT; 1,5 m Kabellänge
PICA Power Piezoaktor; 180 µm Stellweg (ungeregelt); LEMO HVPZT; 1 m Kabellänge
PICA Power Piezoaktor; 180 µm Stellweg (ungeregelt); vakuumkompatibel bis 10-6 hPa; LEMO HVPZT; 1,5 m Kabellänge
PICA Power Piezoaktor; 180 µm Stellweg; DMS, direkte Positionsmessung; LEMO HVPZT; 1 m Kabellänge
PICA Power Piezoaktor; 180 µm Stellweg; DMS, direkte Positionsmessung; vakuumkompatibel bis 10-6 hPa; LEMO HVPZT; 1,5 m Kabellänge
Angebot anfordern
Fragen Sie den Fachmann!
Erhalten Sie innerhalb kürzester Zeit per E-Mail oder Telefon eine Rückmeldung zu Ihren Fragen von einem PI Vertriebsingenieur.



















