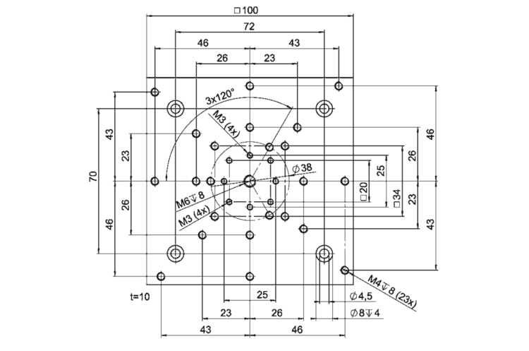
M-403.AP1 Adapterplatte

Für die horizontale Montage auf Tische mit Gewindenormraster

  • Und für die vertikale Montage von Drehtischen auf M-403/404 Tischen
M-403.AP1 Adapterplatte
Produktbeschreibung Downloads Angebot / Bestellung

Beschreibung

Downloads

Datenblatt

Datenblatt

Datenbaltt M-403.AP1

Version / Datum
---
pdf - 727 KB
Version / Datum
---
pdf - 716 KB

Angebot / Bestellung

Fordern Sie ein unverbindliches Angebot über gewünschte Stückzahlen, Preise und Lieferzeiten an oder beschreiben Sie Ihre gewünschte Modifikation.

Angebot anfordern

Auf ANGEBOT / BESTELLUNG klicken
Variante zur Anfrageliste hinzufügen
Anfrageformular ausfüllen
Preisanfrage an PI senden
Wir werden Sie in Kürze kontaktieren

Fragen Sie den Fachmann!

Erhalten Sie innerhalb kürzester Zeit per E-Mail oder Telefon eine Rückmeldung zu Ihren Fragen von einem PI Vertriebsingenieur.

Kompatible Produkte