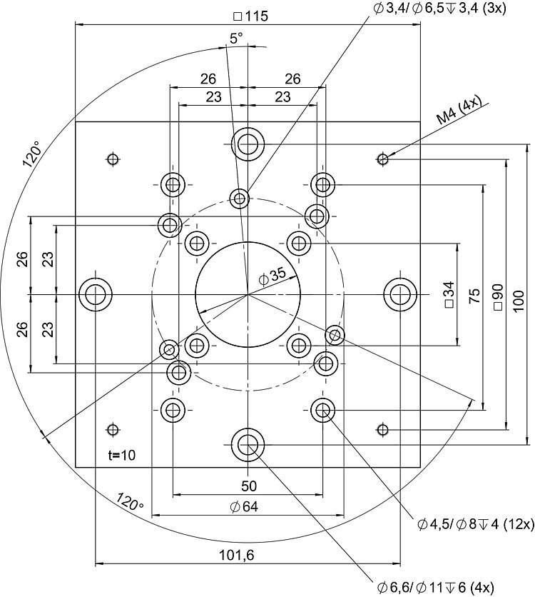
M-061.HP Adapterplatte

Für die horizontale Montage von M-06x-Rotationstischen auf M-451 und M-5x1

M-061.HP Adapterplatte
Produktbeschreibung Downloads Angebot / Bestellung

Downloads

Datenblatt

Datenblatt

Datenblatt M-061.HP

Version / Datum
2018-07-30
pdf - 583 KB
Version / Datum
2018-07-30
pdf - 588 KB
Version / Datum
2019-03-29
pdf - 615 KB
Version / Datum
2019-03-29
pdf - 578 KB

Angebot / Bestellung

Fordern Sie ein unverbindliches Angebot über gewünschte Stückzahlen, Preise und Lieferzeiten an oder beschreiben Sie Ihre gewünschte Modifikation.

Angebot anfordern

Auf ANGEBOT / BESTELLUNG klicken
Variante zur Anfrageliste hinzufügen
Anfrageformular ausfüllen
Preisanfrage an PI senden
Wir werden Sie in Kürze kontaktieren

Fragen Sie den Fachmann!

Erhalten Sie innerhalb kürzester Zeit per E-Mail oder Telefon eine Rückmeldung zu Ihren Fragen von einem PI Vertriebsingenieur.

Kompatible Produkte