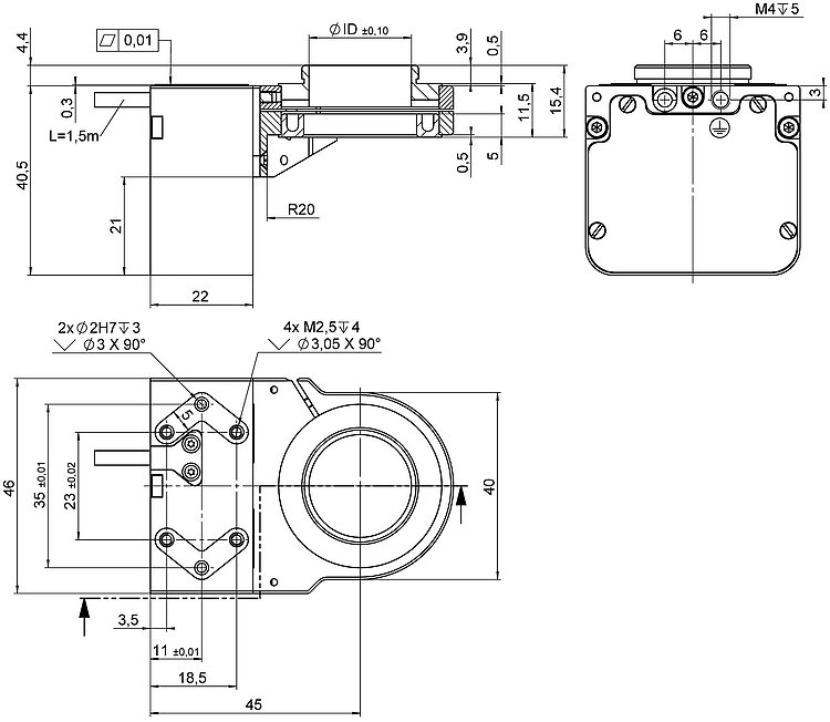
PIFOC® Scanner-System für Mikroskop-Objektive; schnelles Einschwingen; 100 µm Stellweg; kapazitiv, direkte Positionsmessung; D-Sub 7W2 (m)-Stecker; 1,5 m Kabellänge. System bestehend aus PIFOC® Scanner P-725.1CDE1 und Controller E-709.1C1L.
P-725.xCDE1S PIFOC® Scanner-System für Mikroskop-Objektive
Dynamischer Fokus-Scanner der Einstiegsklasse für Stellwege bis 400 µm, inkl. Controller
- Stellweg 100 µm oder 400 µm
- Wesentlich schnelleres Ansprechen und höhere Lebensdauer als motorische Antriebe
- Feinpositionierung von Objektiven mit Sub-nm-Auflösung
- Große freie Apertur mit Ø 29 mm





Einsatzgebiete
- Superresolution-Mikroskopie
- Lichtscheibenmikroskopie
- Konfokale Mikroskopie
- 2-Photonen-Mikroskopie
- 3D-Imaging
- Screening
- Interferometrie
- Messtechnik
- Autofokus-Systeme
- Biotechnologie
- Halbleiterinspektion
PIFOC® Scanner-System der Einstiegsklasse
System bestehend aus PIFOC® Scanner P-725.xCDE1 und Controller E-709.1C1L.
Überragende Lebensdauer dank PICMA® Piezoaktoren
PICMA® Piezoaktoren sind vollkeramisch isoliert. Dies schützt sie vor Luftfeuchtigkeit und Ausfällen durch erhöhten Leckstrom. PICMA® Aktoren bieten eine bis zu zehnmal höhere Lebensdauer als konventionelle polymerisolierte Aktoren. 100 Milliarden Zyklen ohne einen einzigen Ausfall sind erwiesen.
Sub-Nanometer-Auflösung mit kapazitiven Sensoren
Kapazitive Sensoren messen kontaktfrei mit Sub-Nanometer-Auflösung. Sie garantieren eine herausragende Linearität der Bewegung, eine hohe Langzeitstabilität und eine Bandbreite im kHz-Bereich.
Hohe Führungsgenauigkeit durch spielfreie Festkörpergelenkführungen
Festkörpergelenkführungen sind wartungs-, reibungs- und verschleißfrei und benötigen keine Schmierstoffe. Ihre Steifigkeit macht sie hoch belastbar und unempfindlich gegen Schockbelastungen und Vibrationen. Sie arbeiten in einem weiten Temperaturbereich.
Spezifikationen
Spezifikationen
| Bewegen | P-725.1CDE1S | P-725.4CDE1S | Toleranz |
|---|---|---|---|
| Aktive Achsen | Z | Z | |
| Stellweg in Z | 100 µm | 400 µm | +20 % / -0 % |
| Stellweg in Z, ungeregelt | 120 µm | 420 µm | ±20 % |
| Linearitätsabweichung in Z | 0,2 % | 0,2 % | max. |
| Positionieren | P-725.1CDE1S | P-725.4CDE1S | Toleranz |
| Kleinste Schrittweite in Z | 2 nm | 4 nm | |
| Punkt-Wiederholgenauigkeit, 10-%-Schritt, 1 Sigma | 20 nm | 20 nm | max. |
| Integrierter Sensor | Kapazitiv, direkte Positionsmessung | Kapazitiv, direkte Positionsmessung | |
| Sensorrauschen, 1 Sigma | 5 nm | 5 nm | max. |
| Antriebseigenschaften | P-725.1CDE1S | P-725.4CDE1S | Toleranz |
| Antriebstyp | PICMA® | PICMA® | |
| Elektrische Kapazität in Z | 3,2 µF | 6,2 µF | ±20 % |
| Mechanische Eigenschaften | P-725.1CDE1S | P-725.4CDE1S | Toleranz |
| Steifigkeit in Z | 0,23 N/µm | 0,12 N/µm | min. |
| Resonanzfrequenz in Z, unbelastet | 470 Hz | 230 Hz | min. |
| Resonanzfrequenz in Z, belastet mit 150 g | 185 Hz | 120 Hz | min. |
| Zulässige Druckkraft in Z | 100 N | 100 N | max. |
| Zulässige Zugkraft in Z | 20 N | 20 N | max. |
| Führung | Festkörpergelenksführung mit Hebelübersetzung | Festkörpergelenksführung mit Hebelübersetzung | |
| Gesamtmasse | 280 g | 280 g | ±5 % |
| Material | Edelstahl, Aluminium | Edelstahl, Aluminium | |
| Objektivdurchmesser | 39 mm | 39 mm | max. |
| Anschlüsse und Umgebung | P-725.1CDE1S | P-725.4CDE1S | Toleranz |
| Betriebstemperaturbereich | 10 bis 70 °C | 10 bis 70 °C | |
| Anschluss | D-Sub 7W2 (m) | D-Sub 7W2 (m) | |
| Kabellänge | 1,5 m | 1,5 m | +50 mm / -0 mm |
| Controller | P-725.1CDE1S | P-725.4CDE1S | Toleranz |
| Controllertyp | E-709.1C1L | E-709.1C1L | |
| Anwendungsbezogene Funktionen | Datenrekorder | Datenrekorder | |
| Kommunikationsschnittstellen | RS-232 ǀ SPI ǀ USB | RS-232 ǀ SPI ǀ USB | |
| Befehlssatz | GCS 2.0 | GCS 2.0 | |
| Anwendersoftware | PIMikroMove® | PIMikroMove® | |
| Softwaretreiber | GCS-DLL (mit Code-Beispielen für die gängigsten Programmiersprachen wie C++, C#, VB.NET, Python, Delphi), Treiber für NI LabVIEW, MATLAB-Bibliothek | GCS-DLL (mit Code-Beispielen für die gängigsten Programmiersprachen wie C++, C#, VB.NET, Python, Delphi), Treiber für NI LabVIEW, MATLAB-Bibliothek | |
| I/O-Leitungen | 4 Digitaleingänge, 4 Digitalausgänge, 1 Ausgang Servotakt, 1 Eingang Reset (jeweils TTL). I/O für externe Synchronisation des Servotaktes (100 kHz). RxD und TxD für RS-485. | 4 Digitaleingänge, 4 Digitalausgänge, 1 Ausgang Servotakt, 1 Eingang Reset (jeweils TTL). I/O für externe Synchronisation des Servotaktes (100 kHz). RxD und TxD für RS-485. | |
| Abmessungen Controller | 160 mm × 104 mm × 44 mm | 160 mm × 104 mm × 44 mm |
Linearitätsabweichung: Der spezifizierte Wert wird nur mit empfohlenen Digitalcontrollern erreicht.
Positionsrauschen: 1 Sigma
Das Objektiv ist nicht im Lieferumfang enthalten.
Technische Daten werden bei PI bei 22 ±3 °C spezifiziert. Die angegebenen Werte gelten im unbelasteten Zustand, wenn nicht anders angegeben. Teilweise sind Eigenschaften voneinander abhängig. Die Angabe "typ." kennzeichnet einen statistischen Mittelwert für eine Eigenschaft; sie gibt keinen garantierten Wert für jedes ausgelieferte Produkt an. Bei der Ausgangsprüfung eines Produkts werden nicht alle, sondern nur ausgewählte Eigenschaften geprüft. Beachten Sie, dass sich einige Produkteigenschaften mit zunehmender Betriebsdauer verschlechtern können.
Downloads
Produktmitteilung
Product Change Notification P-725.xCDEx
Datenblatt
Dokumentation
Benutzerhandbuch P725UM0003
P-725.xCDE1S PIFOC® Scannersystem für Mikroskopobjektive
3-D-Modelle
P-725.xCDE1S 3-D-Modell
Angebot / Bestellung
Fordern Sie ein unverbindliches Angebot über gewünschte Stückzahlen, Preise und Lieferzeiten an oder beschreiben Sie Ihre gewünschte Modifikation.
PIFOC® Scanner-System für Mikroskop-Objektive; schnelles Einschwingen; 400 µm Stellweg; kapazitiv, direkte Positionsmessung; D-Sub 7W2 (m)-Stecker; 1,5 m Kabellänge. System bestehend aus PIFOC® Scanner P-725.4CDE1 und Controller E-709.1C1L.
Angebot anfordern
Fragen Sie den Fachmann!
Erhalten Sie innerhalb kürzester Zeit per E-Mail oder Telefon eine Rückmeldung zu Ihren Fragen von einem PI Vertriebsingenieur.
Technologie

PICMA® Technologie
Hohe Zuverlässigkeit und überlegene Lebensdauer durch das patentierte Herstellungsverfahren für Multilayer-Aktoren.

Flexure Festkörpergelenke
Festkörpergelenksführungen von PI führen den Piezoaktor und dienen der geradlinigen Bewegung ohne Verkippung oder seitlichen Versatz.

Digitale Motion Controller
Digitale Controller haben gegenüber analogen Verstärkerelektroniken Vorteile, die vor allem bei hochpräzisen Positionieraufgaben zum Tragen kommen.

Kapazitive Sensoren
Präzision und Reproduzierbarkeit sind undenkbar ohne Einsätze höchstauflösender Messverfahren. Hier bieten kapazitive Sensoren die besten Ergebnisse.













