PIFOC® Objektivscansystem 2000 µm; NEXACT® Piezo-Schreitantrieb; 2000 µm Stellweg; inkrementeller Linearencoder; 0,5 nm Auflösung; M32-QuickLock-Adapter; mit Controller
ND72Z2LAQ PIFOC® Objektivscansystem 2000 µm
Nanometer-Auflösung und schnelles Einschwingverhalten
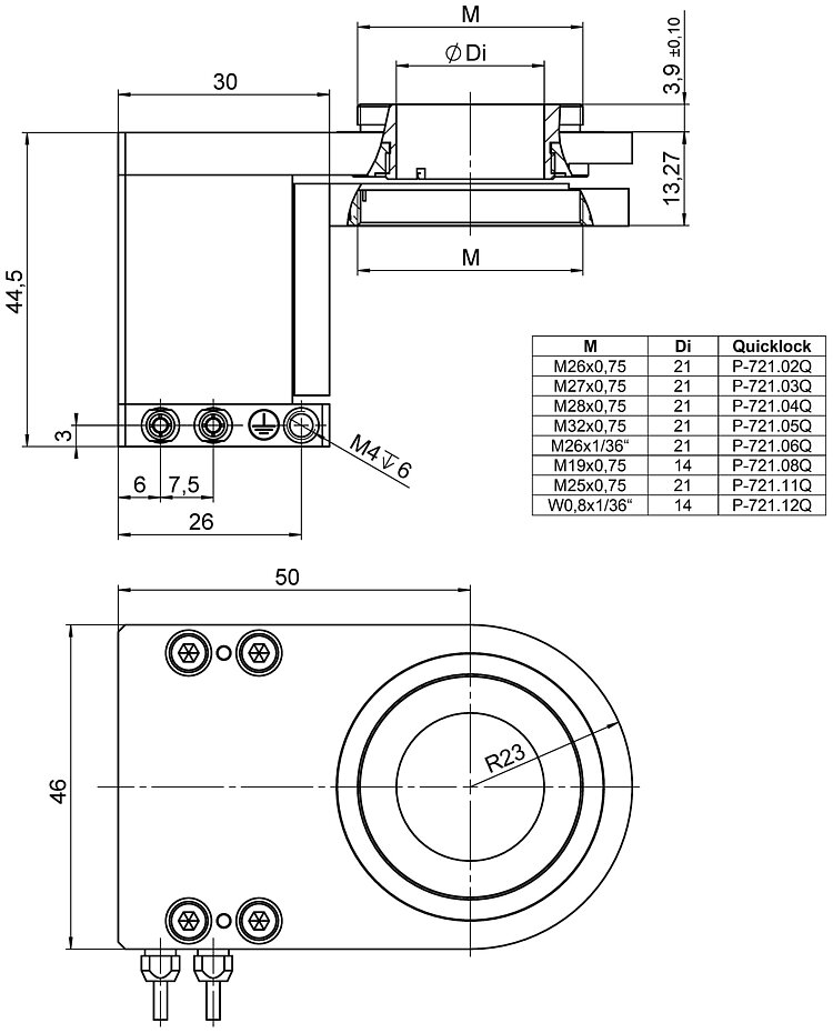
- Komplettes System mit Digitalcontroller, Software und M32-QuickLock-Gewindeadapter
- USB, RS-232
- Sensorauflösung 0,5 nm
- Hochdynamisches Einschwingverhalten bei Z-Stacks
- Weitere Gewindeadapter als Zubehör erhältlich
- Kompatibel mit µManager, MetaMorph und MATLAB
- Parameteränderung während des Betriebs
Einsatzgebiete
- Zwei-Photonen-Mikroskopie
- Konfokale Mikroskopie
- 3-D-Imaging
- Lasertechnologie
- Interferometrie
- Biotechnologie
- Mikromanipulation
- Autofokus für lange Stellwege
Nanometer-Präzision und hohe Vorschubkraft mit PiezoWalk® Schreitantrieben
Im PiezoWalk® Schreitantrieb führen mehrere Piezoaktoren eine Schreitbewegung aus, die zum Vorschub eines Läufers führt. Die Ansteuerung der Aktoren ermöglicht kleinste Schritt- und Vorschubbewegungen bei einer Auflösung von weit unter einem Nanometer.
Hochgenaue Positionsmessung mit inkrementellem Linearencoder
Kontaktlose optische Linearencoder messen die Position mit höchster Genauigkeit direkt an der Plattform. Nichtlinearitäten, mechanisches Spiel oder elastische Deformation beeinflussen die Messung nicht.
Umfangreiche Software für raschen Beginn des produktiven Betriebs
Dank Unterstützung von MATLAB und NI LabVIEW sowie aller gängigen Betriebssysteme (Windows, Linux und macOS) gelingt die Integration in nahezu jede Umgebung – schnell und effizient. Ausgereifte Programmierbeispiele und Software-Tools wie PIMikroMove® verkürzen die Zeit bis zum produktiven Betrieb erheblich.
Spezifikationen
Spezifikationen
| Bewegen | ND72Z2LAQ | Toleranz |
|---|---|---|
| Aktive Achsen | Z | |
| Stellweg in Z | 2000 µm | |
| Positionieren | ND72Z2LAQ | Toleranz |
| Integrierter Sensor | Inkrementeller Linearencoder | |
| Kleinste Schrittweite in Z, geregelt, Feinpositionierung | 5 nm | |
| Einschwingzeit 3-µm-Schritt, bei 200 g Last, 100 nm Settling-Band | < 20 ms | |
| Antriebseigenschaften | ND72Z2LAQ | Toleranz |
| Antriebstyp | NEXACT® Piezo-Schreitantrieb | |
| Mechanische Eigenschaften | ND72Z2LAQ | Toleranz |
| Zulässige Druckkraft in Z | 10 N | max. |
| Zulässige Zugkraft in Z | 10 N | max. |
| Gesamtmasse | 290 g | ±5 % |
| Material | Aluminium | |
| Anschlüsse und Umgebung | ND72Z2LAQ | Toleranz |
| Betriebstemperaturbereich | 15 bis 40 °C | |
| Antriebsanschluss | HD D-Sub 15 (m) | |
| Sensoranschluss | HD D-Sub 15 (w) | |
| Kabellänge | 1,5 m | +50 / -0 mm |
| Controller | ND72Z2LAQ | Toleranz |
| Controllertyp | E-861 (im Lieferumfang enthalten) | |
| Anwendungsbezogene Funktionen | Makro ǀ Datenrekorder | |
| Bewegungstypen | Funktionsgenerator | |
| Kommunikationsschnittstellen | RS-232 ǀ USB | |
| Befehlssatz | GCS 2.0 | |
| Bedienersoftware | PIMikroMove® | |
| Software-APIs | Dynamische Bibliothek für PI General Command Set (GCS) ǀ C, C++, C# ǀ MATLAB ǀ NI LabView | |
| I/O-Leitungen | 4× Digitaleingang (TTL, programmierbar), 4× Digitalausgang (TTL, programmierbar) | |
| Abmessungen Controller | 160 mm × 96 mm × 33 mm | |
| Integration in Drittanbieter-Lösungen | MetaMorph ǀ µManager |
Zulässige Druck- / Zugkraft in Z: Die empfohlene Last für den dynamischen Betrieb beträgt 700 g (max.). Mit weniger Last ist eine höhere Dynamik möglich.
Sensoranschluss: Mit Adapter N664B0001, D-Sub 15 (m) auf HD D-Sub 15 (w) (im Lieferumfang).
Die Auflösung des Systems wird nur vom Rauschen des Verstärkers und der Messtechnik begrenzt, da PI-Piezo-Nanopositioniersysteme reibungsfrei arbeiten.
Technische Daten werden bei PI bei 22 ±3 °C spezifiziert. Die angegebenen Werte gelten im unbelasteten Zustand, wenn nicht anders angegeben. Teilweise sind Eigenschaften voneinander abhängig. Die Angabe "typ." kennzeichnet einen statistischen Mittelwert für eine Eigenschaft; sie gibt keinen garantierten Wert für jedes ausgelieferte Produkt an. Bei der Ausgangsprüfung eines Produkts werden nicht alle, sondern nur ausgewählte Eigenschaften geprüft. Beachten Sie, dass sich einige Produkteigenschaften mit zunehmender Betriebsdauer verschlechtern können.
Downloads
Produktmitteilung
Product Change Notification Motor Driven Products
Datenblatt
Dokumentation
Installationsanleitung P721T0002
P-721 Gewindeadapter für PIFOC® Objektivscanner
Benutzerhandbuch N725T0002
N-725.2A PIFOC Objektivscanner mit NEXACT®-Linearmotor
3-D-Modelle
3D-Modell P-721.1xx
3D-Modell ND72Z2LAQ
Angebot / Bestellung
Fordern Sie ein unverbindliches Angebot über gewünschte Stückzahlen, Preise und Lieferzeiten an oder beschreiben Sie Ihre gewünschte Modifikation.
Angebot anfordern
Fragen Sie den Fachmann!
Erhalten Sie innerhalb kürzester Zeit per E-Mail oder Telefon eine Rückmeldung zu Ihren Fragen von einem PI Vertriebsingenieur.
Technologie

PiezoWalk® Piezoschreitantriebe
PiezoWalk®Antriebe wurden für die Halbleiterindustrie entwickelt, die hohe Anforderungen an die Zuverlässigkeit, Positionsauflösung und Stabilität hat.

Inkrementelle Sensoren
Bei längeren Stellwegen ab ca. 1 Millimeter stoßen die kapazitiven Messsysteme an ihre Grenzen: PI verwendet daher inkrementelle Messsysteme.








