NanoCube® 6-Achsen-Piezosystem; ±250 µm × ±250 µm × ±250 µm Stellweg (X × Y × Z); ±26,2 mrad × ±26,2 mrad × ±26,2 mrad Rotationswinkel (θX × θY × θZ); Dehnmessstreifensensoren; 2 × D-Sub 37 (m); 2 m Kabellänge
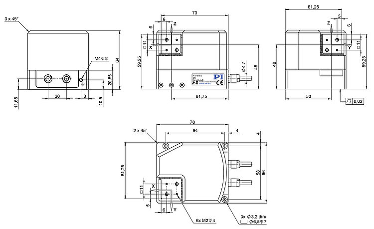
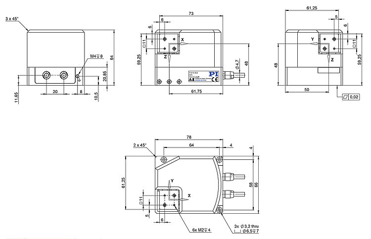
P-616.65S NanoCube® 6-Achsen-Piezosystem
Kompaktes parallelkinematisches Piezosystem für die Nanopositionierung und Faserjustage
- ±250 µm Stellweg in X, Y und Z
- Kippwinkel bis ±26,2 mrad in θX, θY, θZ
- Parallelkinematisches Design für höchste Steifigkeiten in allen Raumrichtungen
- Flexibel einsetzbare Montageplattform
- Frei wählbarer Drehpunkt
Einsatzgebiete
- Photonik / integrierte Optik
- Präzise Faserpositionierung und -ausrichtung
- Fiber-to-Fiber Kopplung
- Fiber-to-Chip Kopplung
- Fiber-to-Component Kopplung
- Fiber-Array-Ausrichtung
Überragende Lebensdauer dank PICMA® Piezoaktoren
Die patentierten PICMA® Piezoaktoren sind vollkeramisch isoliert. Dies schützt sie vor Luftfeuchtigkeit und Ausfällen durch erhöhten Leckstrom. PICMA® Aktoren bieten eine bis zu zehnmal höhere Lebensdauer als konventionelle polymerisolierte Aktoren. 1 Milliarde Zyklen ohne einen einzigen Ausfall sind erwiesen.
Hohe Führungsgenauigkeit durch spielfreie Festkörpergelenkführungen
Festkörpergelenkführungen sind wartungs-, reibungs- und verschleißfrei und benötigen keine Schmierstoffe. Ihre Steifigkeit macht sie hoch belastbar und unempfindlich gegen Schockbelastungen und Vibrationen. Sie arbeiten in einem weiten Temperaturbereich.
Hochdynamischer Mehrachsbetrieb durch Parallelkinematik
In einem parallelkinematischen Mehrachssystem wirken alle Aktoren auf eine gemeinsame Plattform. Die minimale Massenträgheit und die identische Auslegung aller Achsen erlauben eine schnelle, dynamische und dennoch präzise Bewegung.
Frei wählbarer Drehpunkt für einfache Bedienung
Die Software macht dies sehr einfach: Als Drehpunkt, um den sich die Plattform dreht und kippt, kann jeder beliebige Punkt im Raum gewählt werden. Frei definiert, einfach kommandiert, fest im Raum oder auch bei linearen Verschiebungen fest an der Plattform verankert. Wählen Sie!
Spezifikationen
Spezifikationen
| Bewegen | P-616.65S | Toleranz |
|---|---|---|
| Aktive Achsen | X ǀ Y ǀ Z ǀ θX ǀ θY ǀ θZ | |
| Stellweg in X, Y, Z | 500 µm | ±0,1 % |
| Rotationsbereich in θX, θY, θZ | 52,4 mrad | ±0,1 % |
| Linearitätsabweichung in X, Y, Z | 0,2 % | typ. |
| Linearitätsabweichung in θX, θY, θZ | 0,4 % | typ. |
| Positionieren | P-616.65S | Toleranz |
| Kleinste Schrittweite in X, Y, Z | 0,05 µm | min. |
| Kleinste Schrittweite in θX, θY, θZ | 5 µrad | min. |
| Bidirektionale Wiederholgenauigkeit in X, Y, Z | 40 nm | typ. |
| Bidirektionale Wiederholgenauigkeit in θX, θY, θZ | 4 µrad | typ. |
| Integrierter Sensor | DMS, direkte Positionsmessung | |
| Antriebseigenschaften | P-616.65S | Toleranz |
| Antriebstyp | PICMA® Plus | |
| Mechanische Eigenschaften | P-616.65S | Toleranz |
| Resonanzfrequenz in X, Y, Z, unbelastet | 350 Hz | ±20 % |
| Resonanzfrequenz in X, Y, Z, belastet mit 30 g | 210 Hz | ±20 % |
| Resonanzfrequenz in θX, θY, θZ, unbelastet | 350 Hz | ±20 % |
| Resonanzfrequenz in θX, θY, θZ, belastet mit 30 g | 210 Hz | ±20 % |
| Zulässige Druckkraft in X, Y, Z | 30 N | max. |
| Zulässiges Moment in θX, θY, θZ | 0,4 N·m | max. |
| Führung | Festkörpergelenksführung mit Hebelübersetzung | |
| Gesamtmasse | 995 g | |
| Material | Aluminium, Stahl | |
| Anschlüsse und Umgebung | P-616.65S | Toleranz |
| Betriebstemperaturbereich | -20 bis 80 °C | |
| Anschluss | 2 x D-Sub 37 (m) | |
| Kabellänge | 2 m | |
| Empfohlene Controller/Treiber | E-713 NanoCube(R) |
Die maximalen Stellwege der einzelnen Koordinaten (X, Y, Z, θX, θY, θZ) sind voneinander abhängig. Die Daten für jede Achse zeigen jeweils ihren maximalen Stellweg, wenn alle anderen Achsen auf der Nullposition des Nominalstellweges stehen und das werkseitige Koordinatensystem verwendet wird, beziehungsweise wenn der Drehpunkt auf 0,0,0 gesetzt ist.
Die Auflösung des Systems wird nur vom Rauschen des Verstärkers und der Messtechnik begrenzt, da PI-Piezo-Nanopositioniersysteme reibungsfrei arbeiten.
Technische Daten werden bei PI bei 22 ±3 °C spezifiziert. Die angegebenen Werte gelten im unbelasteten Zustand, wenn nicht anders angegeben. Teilweise sind Eigenschaften voneinander abhängig. Die Angabe "typ." kennzeichnet einen statistischen Mittelwert für eine Eigenschaft; sie gibt keinen garantierten Wert für jedes ausgelieferte Produkt an. Bei der Ausgangsprüfung eines Produkts werden nicht alle, sondern nur ausgewählte Eigenschaften geprüft. Beachten Sie, dass sich einige Produkteigenschaften mit zunehmender Betriebsdauer verschlechtern können.
Downloads
Datenblatt
Dokumentation
Benutzerhandbuch P616UM0001
Angebot / Bestellung
Fordern Sie ein unverbindliches Angebot über gewünschte Stückzahlen, Preise und Lieferzeiten an oder beschreiben Sie Ihre gewünschte Modifikation.
Angebot anfordern
Fragen Sie den Fachmann!
Erhalten Sie innerhalb kürzester Zeit per E-Mail oder Telefon eine Rückmeldung zu Ihren Fragen von einem PI Vertriebsingenieur.




