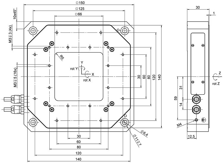
PIMars 6-Achsen-Nanopositioniertisch; 200 µm × 200 µm × 200 µm Stellweg (X × Y × Z); 1 mrad × 1 mrad × 1 mrad Rotationswinkel (θX × θY × θZ); kapazitiv, indirekte Positionsmessung; 2 × D-Sub 25W3 (m)-Stecker; 1,5 m Kabellänge
P-562.6CD PIMars 6-Achsen-Nanopositioniertisch
Hochpräziser Nanopositionierer mit 6 Freiheitsgraden
- 6 Bewegungsachsen: 3 × linear, 3 × rotatorisch
- Stellwege bis 200 µm linear und bis 1 mrad Kippwinkel
- Schnellere Ansprechzeiten und höhere Mehrachsengenauigkeit durch Parallelkinematik
- Höchste Linearität durch integrierte kapazitive Sensoren
- Spielfreie und hochgenaue Festkörperführungen
- Exzellente Scan-Ebenheit
- Freie Apertur 66 mm × 66 mm
- Überlegene Lebensdauer dank PICMA® Piezoaktoren
Einsatzgebiete
- Scanning-Mikroskopie
- Superresolution-Mikroskopie
- Biotechnologie
- Masken-/Waferpositionierung
- Probenpositionierung
- Interferometrie
- Messtechnik
Überragende Lebensdauer dank PICMA® Piezoaktoren
Die PICMA® Piezoaktoren sind vollkeramisch isoliert. Dies schützt sie vor Luftfeuchtigkeit und Ausfällen durch erhöhten Leckstrom. PICMA® Aktoren bieten eine bis zu zehnmal höhere Lebensdauer als konventionelle polymerisolierte Aktoren. 100 Milliarden Zyklen ohne einen einzigen Ausfall sind erwiesen.
Sub-Nanometer-Auflösung mit kapazitiven Sensoren
Kapazitive Sensoren messen kontaktfrei mit Sub-Nanometer-Auflösung. Sie garantieren eine herausragende Linearität der Bewegung, eine hohe Langzeitstabilität und eine Bandbreite im kHz-Bereich.
Hohe Führungsgenauigkeit durch spielfreie Festkörpergelenkführungen
Festkörpergelenkführungen sind wartungs-, reibungs- und verschleißfrei und benötigen keine Schmierstoffe. Ihre Steifigkeit macht sie hoch belastbar und unempfindlich gegen Schockbelastungen und Vibrationen. Sie arbeiten in einem weiten Temperaturbereich.
Automatische Konfiguration und schneller Komponentenaustausch
Mechanische Einheit und Controller können beliebig kombiniert und schnell ausgetauscht werden. Alle Servo- und Linearisierungsparameter sind im ID-Chip des D-Sub-Steckers der mechanischen Einheit gespeichert. Die Auto-Calibration-Funktion der Digitalcontroller verwendet diese Daten automatisch bei jedem Einschalten des Controllers.
Hohe Bahntreue im Nanometerbereich durch parallele Positionsmessung
Alle Freiheitsgrade werden gegen eine einzige feste Referenz vermessen. Ungewolltes Übersprechen der Bewegung in eine andere Achse kann in Echtzeit (abh. von der Bandbreite) ausgeregelt werden (aktive Führung). Auch im dynamischen Betrieb wird damit eine hohe Bahntreue im Nanometerbereich erreicht.
Spezifikationen
Spezifikationen
| Bewegen | P-562.6CD | Toleranz |
|---|---|---|
| Aktive Achsen | X ǀ Y ǀ Z ǀ θX ǀ θY ǀ θZ | |
| Stellweg in X | 200 µm | |
| Stellweg in Y | 200 µm | |
| Stellweg in Z | 200 µm | |
| Rotationsbereich in θX | ± 0,5 mrad | |
| Rotationsbereich in θY | ± 0,5 mrad | |
| Rotationsbereich in θZ | ± 0,5 mrad | |
| Linearitätsabweichung in X | 0,03 % | |
| Linearitätsabweichung in Y | 0,03 % | |
| Linearitätsabweichung in Z | 0,03 % | |
| Linearitätsabweichung in θX | 0,1 % | typ. |
| Linearitätsabweichung in θY | 0,1 % | typ. |
| Linearitätsabweichung in θZ | 0,1 % | typ. |
| Ebenheit | < 15 nm | typ. |
| Positionieren | P-562.6CD | Toleranz |
| Unidirektionale Wiederholgenauigkeit in X | ± 2 nm | typ. |
| Unidirektionale Wiederholgenauigkeit in Y | ± 2 nm | typ. |
| Unidirektionale Wiederholgenauigkeit in Z | ± 3 nm | typ. |
| Unidirektionale Wiederholgenauigkeit in θX | ± 0,1 µrad | typ. |
| Unidirektionale Wiederholgenauigkeit in θY | ± 0,1 µrad | typ. |
| Unidirektionale Wiederholgenauigkeit in θZ | ± 0,15 µrad | typ. |
| Integrierter Sensor | Kapazitiv, indirekte Positionsmessung | |
| Systemauflösung in X | 1 nm | typ. |
| Systemauflösung in Y | 1 nm | typ. |
| Systemauflösung in Z | 1 nm | typ. |
| Systemauflösung in θX | 0,1 µrad | typ. |
| Systemauflösung in θY | 0,1 µrad | typ. |
| Systemauflösung in θZ | 0,1 µrad | typ. |
| Antriebseigenschaften | P-562.6CD | Toleranz |
| Antriebstyp | PICMA® | |
| Elektrische Kapazität in X | 7,4 µF | ±20 % |
| Elektrische Kapazität in Y | 7,4 µF | ±20 % |
| Elektrische Kapazität in Z | 14,8 µF | ±20 % |
| Mechanische Eigenschaften | P-562.6CD | Toleranz |
| Resonanzfrequenz in X, unbelastet | 110 Hz | ±20 % |
| Resonanzfrequenz in Y, unbelastet | 110 Hz | ±20 % |
| Resonanzfrequenz in Z, unbelastet | 190 Hz | ±20 % |
| Zulässige Druckkraft in X | 50 N | max. |
| Zulässige Druckkraft in Y | 50 N | max. |
| Zulässige Druckkraft in Z | 60 N | max. |
| Zulässige Zugkraft in X | 40 N | max. |
| Zulässige Zugkraft in Y | 40 N | max. |
| Zulässige Zugkraft in Z | 60 N | max. |
| Führung | Festkörpergelenksführung mit Hebelübersetzung | |
| Gesamtmasse | 1450 g | ±5 % |
| Material | Aluminium | |
| Anschlüsse und Umgebung | P-562.6CD | Toleranz |
| Betriebstemperaturbereich | -20 bis 80 °C | |
| Anschluss | 2 × D-Sub 25W3 (m) | |
| Kabellänge | 1,5 m | ±10 mm |
| Empfohlene Controller/Treiber | E-713 PICMA® |
Die Auflösung des Systems wird nur vom Rauschen des Verstärkers und der Messtechnik begrenzt, da PI-Piezo-Nanopositioniersysteme reibungsfrei arbeiten.
UHV-kompatible Versionen bis 10-9 hPa und Versionen mit anderen Stellwegen auf Anfrage erhältlich.
Technische Daten werden bei PI bei 22 ±3 °C spezifiziert. Die angegebenen Werte gelten im unbelasteten Zustand, wenn nicht anders angegeben. Teilweise sind Eigenschaften voneinander abhängig. Die Angabe "typ." kennzeichnet einen statistischen Mittelwert für eine Eigenschaft; sie gibt keinen garantierten Wert für jedes ausgelieferte Produkt an. Bei der Ausgangsprüfung eines Produkts werden nicht alle, sondern nur ausgewählte Eigenschaften geprüft. Beachten Sie, dass sich einige Produkteigenschaften mit zunehmender Betriebsdauer verschlechtern können.
Downloads
Datenblatt
Dokumentation
Benutzerhandbuch PZ297
P-562.6CD Nanopositionierer
Technical Note P500T0002
Unpacking and Packing P-5xx Positioners
3-D-Modelle
P-562.6CD 3D-Modell
Angebot / Bestellung
Fordern Sie ein unverbindliches Angebot über gewünschte Stückzahlen, Preise und Lieferzeiten an oder beschreiben Sie Ihre gewünschte Modifikation.
Angebot anfordern
Fragen Sie den Fachmann!
Erhalten Sie innerhalb kürzester Zeit per E-Mail oder Telefon eine Rückmeldung zu Ihren Fragen von einem PI Vertriebsingenieur.
Technologie

PICMA® Technologie
Hohe Zuverlässigkeit und überlegene Lebensdauer durch das patentierte Herstellungsverfahren für Multilayer-Aktoren.

Vakuum
Sorgfältige Handhabung und adäquate Räumlichkeiten: PI verfügt nicht nur über die Ausstattung zur Qualifizierung von Materialien, Komponenten und Endprodukten, sondern auch über langjährige Erfahrung im Bereich der HV- und UHV-Positioniersysteme.

Flexure Festkörpergelenke
Festkörpergelenksführungen von PI führen den Piezoaktor und dienen der geradlinigen Bewegung ohne Verkippung oder seitlichen Versatz.

Digitale Motion Controller
Digitale Controller haben gegenüber analogen Verstärkerelektroniken Vorteile, die vor allem bei hochpräzisen Positionieraufgaben zum Tragen kommen.

Kapazitive Sensoren
Präzision und Reproduzierbarkeit sind undenkbar ohne Einsätze höchstauflösender Messverfahren. Hier bieten kapazitive Sensoren die besten Ergebnisse.

Piezopositioniersysteme mit paralleler Kinematik
Der Vorteil eines Parallelkinematik-Mehrachsensystem ist, dass es kompakter gebaut werden kann, da nur es nur eine bewegte Plattform gibt.







