Lineartisch mit höchster Präzision; NEXACT® Piezo-Schreitantrieb; 13 mm Stellweg; 20 N Belastbarkeit; 10 mm/s maximale Geschwindigkeit; PIOne: Inkrementeller Linearencoder, 0,5 nm Sensorauflösung; 3 m Kabellänge
N-565 Lineartisch mit höchster Präzision
NEXACT® Piezoschreitantrieb mit Sub-Nanometer-Encoderauflösung
- Ultrapräzise: 3 nm kleinste Schrittweite und direktmessender PIOne Encoder mit 0,5 nm Auflösung
- Lange Stellwege: 13 mm, 26 mm oder 52 mm
- Selbsthemmend im ausgeschalteten Zustand: Spart Energie und verringert die Wärmeentwicklung
- Lange Lebensdauer und hohe Zuverlässigkeit durch PiezoWalk® Technologie
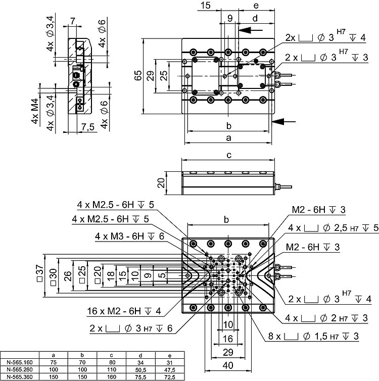
- Kompakte Bauform: 65 mm Breite, 20 mm Höhe
NEXACT® Lineartische der Referenzklasse
Lineartische mit NEXACT® PiezoWalk® Antrieben ermöglichen hochpräzise Positionierung im Nanometerbereich auf langen Stellwegen. Sie sind mit direktmessenden Linearencodern und Kreuzrollenlagern für höchste Genauigkeit ausgestattet.
PiezoWalk® Technologie: Hohe Auflösung und niedriger Verschleiß
Die PiezoWalk® Technologie kombiniert die technologischen Vorteile von Piezoaktoren mit denjenigen von Piezomotoren. PiezoWalk® Schreitantriebe bieten nicht nur eine Sub-Nanometer-Auflösung, hohe Kräfte und hohe Steifigkeiten, sondern ermöglichen theoretisch unbegrenzte Stellwege. PiezoWalk® Schreitantriebe sind anders als andere piezomotorische Antriebsprinzipien keinen Gleitreibungseffekten unterworfen. Sie basieren auf Haftreibungskontakten mehrerer Piezoaktoren, die auf einem Läufer schreiten. In Ruhe sind PiezoWalk® Schreitantriebe selbsthemmend, verbrauchen keine Energie und erzeugen keine Wärme.
Direkte Positionsmessung mit PIOne Linearencoder
Der hochauflösende PIOne Encoder wurde von PI entwickelt und erlaubt bei entsprechender Messauswertung eine Positionsauflösung von weit unter einem Nanometer. Durch die kleine Signalperiode und die hohe Qualität der Signale erreichen PIOne Encoder zudem eine Linearitätsabweichung von weniger als 1 %. PIOne Encoder unterstützen die Richtungserkennung bei der Auswertung eines Referenzsignals.
Einsatzgebiete
Probenmanipulation, Positionierung von Proben, Optiken oder mechanischen Komponenten mit hoher Präzision und Stabilität, Präzisionsmechanik in der Halbleiterindustrie, Mikromanipulation, Mikroskopie, Automatisierung, Anwendungen unter beengten Platzverhältnissen, Anwendungen in nichtmagnetischen Umgebungen.
Spezifikationen
Spezifikationen
| Bewegen | N-565.160 | N-565.260 | N-565.360 | Toleranz |
|---|---|---|---|---|
| Aktive Achsen | X | X | X | |
| Stellweg in X | 13 mm | 26 mm | 52 mm | |
| Maximale Geschwindigkeit in X, unbelastet | 10 mm/s | 10 mm/s | 10 mm/s | |
| Neigen (Rotatorisches Übersprechen in θY bei Bewegung in X) | ± 50 µrad | ± 100 µrad | ± 200 µrad | +80 % |
| Gieren (Rotatorisches Übersprechen in θZ bei Bewegung in X) | ± 50 µrad | ± 50 µrad | ± 50 µrad | +60 % |
| Positionieren | N-565.160 | N-565.260 | N-565.360 | Toleranz |
| Kleinste Schrittweite in X | 3 nm | 3 nm | 3 nm | typ. |
| Unidirektionale Wiederholgenauigkeit in X | ± 50 nm | ± 50 nm | ± 50 nm | typ. |
| Referenzschalter | Optisch | Optisch | Optisch | |
| Integrierter Sensor | PIOne: Inkrementeller Linearencoder | PIOne: Inkrementeller Linearencoder | PIOne: Inkrementeller Linearencoder | |
| Systemauflösung in X | 0,5 nm | 0,5 nm | 0,5 nm | |
| Sensorauflösung | 0,5 nm | 0,5 nm | 0,5 nm | |
| Antriebseigenschaften | N-565.160 | N-565.260 | N-565.360 | Toleranz |
| Antriebstyp | NEXACT® Piezo-Schreitantrieb | NEXACT® Piezo-Schreitantrieb | NEXACT® Piezo-Schreitantrieb | |
| Antriebskraft in positiver Bewegungsrichtung in X | 10 N | 10 N | 10 N | typ. |
| Antriebskraft in negativer Bewegungsrichtung in X | 10 N | 10 N | 10 N | typ. |
| Mechanische Eigenschaften | N-565.160 | N-565.260 | N-565.360 | Toleranz |
| Zulässige Druckkraft in Z | 20 N | 20 N | 20 N | max. |
| Haltekraft in X, passiv | 10 N | 10 N | 10 N | min. |
| Führung | Kreuzrollenführung | Kreuzrollenführung | Kreuzrollenführung | |
| Gesamtmasse | 300 g | 400 g | 600 g | ±5 % |
| Material | Aluminium, schwarz eloxiert | Aluminium, schwarz eloxiert | Aluminium, schwarz eloxiert | |
| Anschlüsse und Umgebung | N-565.160 | N-565.260 | N-565.360 | Toleranz |
| Betriebstemperaturbereich | 10 bis 50 °C | 10 bis 50 °C | 10 bis 50 °C | |
| Anschluss | HD D-Sub 15-polig (m) | HD D-Sub 15-polig (m) | HD D-Sub 15-polig (m) | |
| Sensoranschluss | D-Sub 15-polig (f) | D-Sub 15-polig (f) | D-Sub 15-polig (f) | |
| Kabellänge | 3 m | 3 m | 3 m | |
| Empfohlene Controller / Treiber | E-861.1A1 | E-861.1A1 | E-861.1A1 |
Downloads
Produktmitteilung
Product Change Notification Motor Driven Products
Datenblatt
Dokumentation
Benutzerhandbuch MP148
N-565 NEXACT® Lineartisch
3-D-Modelle
N-565 3D-Modell
Angebot / Bestellung
Fordern Sie ein unverbindliches Angebot über gewünschte Stückzahlen, Preise und Lieferzeiten an oder beschreiben Sie Ihre gewünschte Modifikation.
Lineartisch mit höchster Präzision; NEXACT® Piezo-Schreitantrieb; 26 mm Stellweg; 20 N Belastbarkeit; 10 mm/s maximale Geschwindigkeit; PIOne: Inkrementeller Linearencoder, 0,5 nm Sensorauflösung; 3 m Kabellänge
Lineartisch mit höchster Präzision; NEXACT® Piezo-Schreitantrieb; 52 mm Stellweg; 20 N Belastbarkeit; 10 mm/s maximale Geschwindigkeit; PIOne: Inkrementeller Linearencoder, 0,5 nm Sensorauflösung; 3 m Kabellänge
Angebot anfordern
Fragen Sie den Fachmann!
Erhalten Sie innerhalb kürzester Zeit per E-Mail oder Telefon eine Rückmeldung zu Ihren Fragen von einem PI Vertriebsingenieur.
Technologie

PiezoWalk® Piezoschreitantriebe
PiezoWalk®Antriebe wurden für die Halbleiterindustrie entwickelt, die hohe Anforderungen an die Zuverlässigkeit, Positionsauflösung und Stabilität hat.

Digitale Motion Controller
Digitale Controller haben gegenüber analogen Verstärkerelektroniken Vorteile, die vor allem bei hochpräzisen Positionieraufgaben zum Tragen kommen.
Technologie

PiezoWalk® Piezoschreitantriebe
PiezoWalk®Antriebe wurden für die Halbleiterindustrie entwickelt, die hohe Anforderungen an die Zuverlässigkeit, Positionsauflösung und Stabilität hat.

PIOne: Optical Nanometrology Encoder
Der hochauflösende Linearsensor PIOne von PI erlaubt, bei entsprechender Messauswertung eine Positionsauflösung von weit unterhalb einem Nanometer.












