Kinematischer Spiegelhalter mit PiezoMike Linearaktoren; piezoelektrischer Trägheitsantrieb; 16 ° × 16 ° Rotationswinkel (θX × θY); geschlossener Rahmen; für 1/2"-Optiken; vakuumkompatibel bis 10-6 hPa; 1 m Kabellänge
N-480 Hochpräziser kinematischer Spiegelhalter
Mit N-470 PiezoMike Linearaktoren
- Hohe Stabilität
- Für Optiken mit 0,5", 1" oder 2" Durchmesser
- Schrittweite 0,3 oder 0,5 µrad
- Lebensdauer >1.000.000.000 Schritte unter atmosphärischen Bedingungen und >50.000.000 Schritte unter Vakuumbedingungen
- Vakuumkompatibel bis 10-6 hPa
Kinematische Spiegelhalter mit Piezomotoren
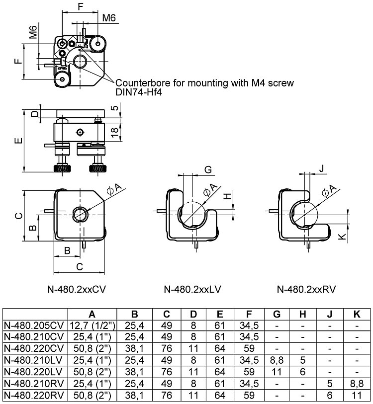
Die motorisierten kinematischen Spiegelhalter der N-480-Serie sind mit hochpräzisen PiezoMike Antrieben von PI ausgestattet für Winkeljustierungen mit höchster Auflösung in zwei Kippachsen (θX und θY) und Schritten bis 0,3 µrad. Sie sind verfügbar für Spiegel und Optiken mit einem Durchmesser von 0,5", 1" und 2". Die hochpräzisen PiezoMike Antriebe können computergesteuert werden und halten die Position auch im unbestromten Zustand mit hoher Stabilität. Die zweiachsigen optischen kinematischen Spiegelhalter N-480 können auch von Hand justiert werden. Diese Art von Spiegelhalter für Kippspiegel werden oft in der optischen Forschung für Systeme zur Laserstrahlsteuerung und -führung verwendet. Für die Laserstrahlsteuerung mit hoher Geschwindigkeit bietet PI Piezokippspiegel mit Festkörpergelenksführung und Voice-Coil-Kippspiegel an.
Piezomotoren
Kompaktes, preisgünstiges Trägheitsantriebsprinzip (Stick-Slip). Im Stillstand ist der Antrieb selbsthemmend, muss nicht bestromt werden und erwärmt sich nicht. Er hält die Position mit maximaler Kraft.
Justage optischer Komponenten
Stabile Justage in optischen Strahlengängen. Langzeitpositionierung: Hohe Stabilität an der Zielposition, zuverlässiges Anlaufen auch nach langen Stillstandzeiten. Hohe Haltekraft und Auflösung durch die Kombination von Piezoaktoren und mechanischer Gewindeübersetzung. Vakuumkompatibel bis 10-6 hPa.
Spezifikationen
Spezifikationen
| Bewegen | N-480.205CV | N-480.210CV | N-480.210LV | N-480.210RV | N-480.220CV | N-480.220LV | N-480.220RV | Toleranz |
|---|---|---|---|---|---|---|---|---|
| Aktive Achsen | θX θY | θX θY | θX θY | θX θY | θX θY | θX θY | θX θY | |
| Rotationsbereich in θX | 16 ° | 16 ° | 16 ° | 16 ° | 8 ° | 8 ° | 8 ° | |
| Rotationsbereich in θY | 16 ° | 16 ° | 16 ° | 16 ° | 8 ° | 8 ° | 8 ° | |
| Positionieren | N-480.205CV | N-480.210CV | N-480.210LV | N-480.210RV | N-480.220CV | N-480.220LV | N-480.220RV | Toleranz |
| Nominale Schrittweite in θX | 0,5 µrad | 0,5 µrad | 0,5 µrad | 0,5 µrad | 0,3 µrad | 0,3 µrad | 0,3 µrad | |
| Nominale Schrittweite in θY | 0,5 µrad | 0,5 µrad | 0,5 µrad | 0,5 µrad | 0,3 µrad | 0,3 µrad | 0,3 µrad | |
| Antriebseigenschaften | N-480.205CV | N-480.210CV | N-480.210LV | N-480.210RV | N-480.220CV | N-480.220LV | N-480.220RV | Toleranz |
| Antriebstyp | Piezoelektrischer Trägheitsantrieb | Piezoelektrischer Trägheitsantrieb | Piezoelektrischer Trägheitsantrieb | Piezoelektrischer Trägheitsantrieb | Piezoelektrischer Trägheitsantrieb | Piezoelektrischer Trägheitsantrieb | Piezoelektrischer Trägheitsantrieb | |
| Betriebsspannung, Spitze-Spitze | 80 V | 80 V | 80 V | 80 V | 80 V | 80 V | 80 V | |
| Antriebskraft in positiver Bewegungsrichtung in Z | 22 N | 22 N | 22 N | 22 N | 22 N | 22 N | 22 N | typ. |
| Mechanische Eigenschaften | N-480.205CV | N-480.210CV | N-480.210LV | N-480.210RV | N-480.220CV | N-480.220LV | N-480.220RV | Toleranz |
| Haltekraft in Z, passiv | 100 N | 100 N | 100 N | 100 N | 100 N | 100 N | 100 N | min. |
| Gesamtmasse | 220 g | 220 g | 220 g | 220 g | 300 g | 300 g | 300 g | |
| Material | Schraube: Edelstahl, Halter: Aluminium | Schraube: Edelstahl, Halter: Aluminium | Schraube: Edelstahl, Halter: Aluminium | Schraube: Edelstahl, Halter: Aluminium | Schraube: Edelstahl, Halter: Aluminium | Schraube: Edelstahl, Halter: Aluminium | Schraube: Edelstahl, Halter: Aluminium | |
| Plattform-Ausführung | geschlossener Rahmen | geschlossener Rahmen | links offener Rahmen | rechts offener Rahmen | geschlossener Rahmen | links offener Rahmen | rechts offener Rahmen | |
| Anschlüsse und Umgebung | N-480.205CV | N-480.210CV | N-480.210LV | N-480.210RV | N-480.220CV | N-480.220LV | N-480.220RV | Toleranz |
| Betriebstemperaturbereich | 10 bis 40 °C | 10 bis 40 °C | 10 bis 40 °C | 10 bis 40 °C | 10 bis 40 °C | 10 bis 40 °C | 10 bis 40 °C | |
| Anschluss | LEMO FFA.0S.303.CLAC27 | LEMO FFA.0S.303.CLAC27 | LEMO FFA.0S.303.CLAC27 | LEMO FFA.0S.303.CLAC27 | LEMO FFA.0S.303.CLAC27 | LEMO FFA.0S.303.CLAC27 | LEMO FFA.0S.303.CLAC27 | |
| Kabellänge | 1 m | 1 m | 1 m | 1 m | 1 m | 1 m | 1 m | |
| Empfohlene Controller / Treiber | E-872.401 | E-872.401 | E-872.401 | E-872.401 | E-872.401 | E-872.401 | E-872.401 | |
| Vakuumklasse | 10⁻⁶ hPa | 10⁻⁶ hPa | 10⁻⁶ hPa | 10⁻⁶ hPa | 10⁻⁶ hPa | 10⁻⁶ hPa | 10⁻⁶ hPa |
Downloads
Produktmitteilung
Datenblatt
Dokumentation
Benutzerhandbuch N480UM0001
3-D-Modelle
N-480 3D-Modell
Angebot / Bestellung
Fordern Sie ein unverbindliches Angebot über gewünschte Stückzahlen, Preise und Lieferzeiten an oder beschreiben Sie Ihre gewünschte Modifikation.
Kinematischer Spiegelhalter mit PiezoMike Linearaktoren; piezoelektrischer Trägheitsantrieb; 16 ° × 16 ° Rotationswinkel (θX × θY); geschlossener Rahmen; für 1"-Optiken; vakuumkompatibel bis 10-6 hPa; 1 m Kabellänge
Kinematischer Spiegelhalter mit PiezoMike Linearaktoren; piezoelektrischer Trägheitsantrieb; 16 ° × 16 ° Rotationswinkel (θX × θY); links offener Rahmen; für 1"-Optiken; vakuumkompatibel bis 10-6 hPa; 1 m Kabellänge
Kinematischer Spiegelhalter mit PiezoMike Linearaktoren; piezoelektrischer Trägheitsantrieb; 16 ° × 16 ° Rotationswinkel (θX × θY); rechts offener Rahmen; für 1"-Optiken; vakuumkompatibel bis 10-6 hPa; 1 m Kabellänge
Kinematischer Spiegelhalter mit PiezoMike Linearaktoren; piezoelektrischer Trägheitsantrieb; 8 ° × 8 ° Rotationswinkel (θX × θY); geschlossener Rahmen; für 2"-Optiken; vakuumkompatibel bis 10-6 hPa; 1 m Kabellänge
Kinematischer Spiegelhalter mit PiezoMike Linearaktoren; piezoelektrischer Trägheitsantrieb; 8 ° × 8 ° Rotationswinkel (θX × θY); links offener Rahmen; für 2"-Optiken; vakuumkompatibel bis 10-6 hPa; 1 m Kabellänge
Kinematischer Spiegelhalter mit PiezoMike Linearaktoren; piezoelektrischer Trägheitsantrieb; 8 ° × 8 ° Rotationswinkel (θX × θY); rechts offener Rahmen; für 2"-Optiken; vakuumkompatibel bis 10-6 hPa; 1 m Kabellänge
Angebot anfordern
Fragen Sie den Fachmann!
Erhalten Sie innerhalb kürzester Zeit per E-Mail oder Telefon eine Rückmeldung zu Ihren Fragen von einem PI Vertriebsingenieur.














