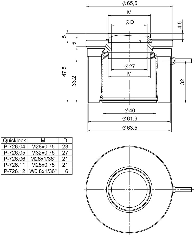
P-726 QuickLock-Gewindeadapter

Einfacher Aufbau mit QuickLock Schnellverschluss

  • Gewindeadapter zur einfachen Anpassung des PIFOC® Positionierers an das Mikroskop
  • Mikroskopseitiger Schnellverschluss für verdrehungsfreie Kabelführung
P-726 QuickLock-Gewindeadapter
Produktbeschreibung Downloads Angebot / Bestellung

Die PIFOC® werden einfach mit dem Schnellverschlussadapter QuickLock zwischen Mikroskoprevolver und Objektiv ein gesetzt. Nach dem Einschrauben des Adapters in den Revolver wird der PIFOC® darin in der gewunschten Ausrichtung befestigt. Da der Objektivpositionierer selbst nicht gedreht werden muss, ist die Kabelfuhrung unproblematisch

Downloads

Datenblatt

Datenblatt

Datenblatt P-726.xx

Version / Datum
2020-02-20
pdf - 398 KB
Version / Datum
2020-02-20
pdf - 405 KB
Version / Datum
2017-10-24
pdf - 504 KB

Dokumentation

Dokumentation

Installation Instructions P726T0001

P-726.xx QuickLock Thread Adapters for P-726 PIFOC

Version / Datum
2020-02-20
pdf - 736 KB
Englisch

3-D-Modelle

3-D-Modelle

3D-Modell P-726.1x

zip - 38 KB
3-D-Modelle

3D-Modell P-726.0x

zip - 57 KB

Angebot / Bestellung

Fordern Sie ein unverbindliches Angebot über gewünschte Stückzahlen, Preise und Lieferzeiten an oder beschreiben Sie Ihre gewünschte Modifikation.

Angebot anfordern

Auf ANGEBOT / BESTELLUNG klicken
Variante zur Anfrageliste hinzufügen
Anfrageformular ausfüllen
Preisanfrage an PI senden
Wir werden Sie in Kürze kontaktieren

Fragen Sie den Fachmann!

Erhalten Sie innerhalb kürzester Zeit per E-Mail oder Telefon eine Rückmeldung zu Ihren Fragen von einem PI Vertriebsingenieur.

Kompatible Produkte