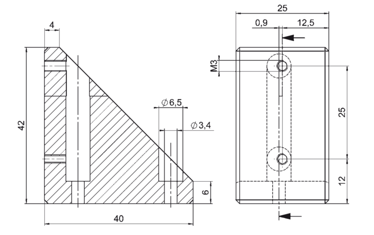
M-122.AP1 Adapterwinkel

Für die vertikale Montage von M-122 auf M-110, M-111, M-112 und M-122 Tische

M-122.AP1 Adapterwinkel
Produktbeschreibung Downloads Angebot / Bestellung

Downloads

Datenblatt

Datenblatt

Datenblatt M-122.AP1

Version / Datum
2015-04-13
pdf - 701 KB
Version / Datum
2015-04-13
pdf - 700 KB

Angebot / Bestellung

Fordern Sie ein unverbindliches Angebot über gewünschte Stückzahlen, Preise und Lieferzeiten an oder beschreiben Sie Ihre gewünschte Modifikation.

Angebot anfordern

Auf ANGEBOT / BESTELLUNG klicken
Variante zur Anfrageliste hinzufügen
Anfrageformular ausfüllen
Preisanfrage an PI senden
Wir werden Sie in Kürze kontaktieren

Fragen Sie den Fachmann!

Erhalten Sie innerhalb kürzester Zeit per E-Mail oder Telefon eine Rückmeldung zu Ihren Fragen von einem PI Vertriebsingenieur.

Kompatible Produkte