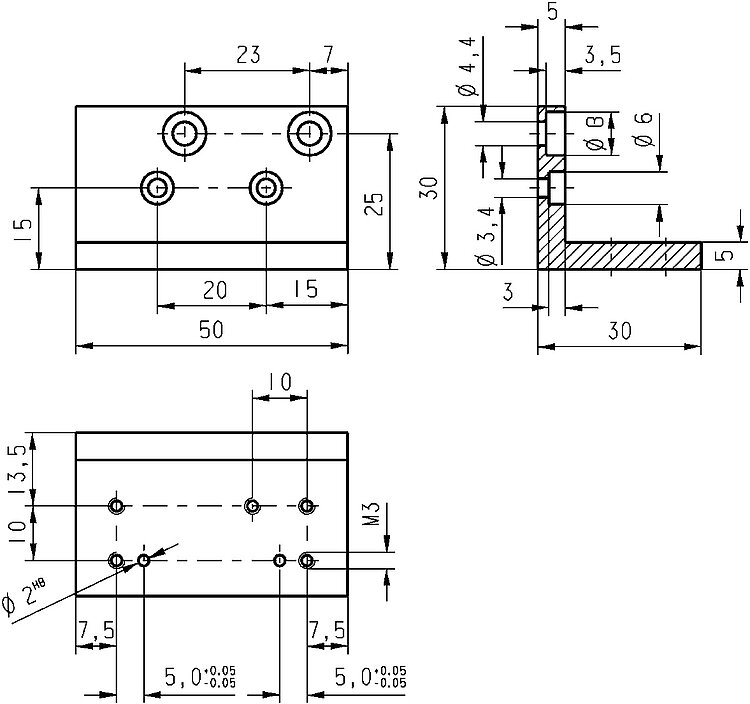
M-009.20 Adapterwinkel

Für F-010 Faserhalter und P-280 Blocktranslatoren auf M-105 / M-106 Tischen

  • Auf vertikal montierten M-105-/M-106-Verstellern
M-009.20 Adapterwinkel
Produktbeschreibung Downloads Angebot / Bestellung

Downloads

Datenblatt

Datenblatt

Datenblatt M-009.20

Version / Datum
2015-04-13
pdf - 677 KB
Version / Datum
2015-04-13
pdf - 676 KB

Angebot / Bestellung

Fordern Sie ein unverbindliches Angebot über gewünschte Stückzahlen, Preise und Lieferzeiten an oder beschreiben Sie Ihre gewünschte Modifikation.

Angebot anfordern

Auf ANGEBOT / BESTELLUNG klicken
Variante zur Anfrageliste hinzufügen
Anfrageformular ausfüllen
Preisanfrage an PI senden
Wir werden Sie in Kürze kontaktieren

Fragen Sie den Fachmann!

Erhalten Sie innerhalb kürzester Zeit per E-Mail oder Telefon eine Rückmeldung zu Ihren Fragen von einem PI Vertriebsingenieur.

Kompatible Produkte