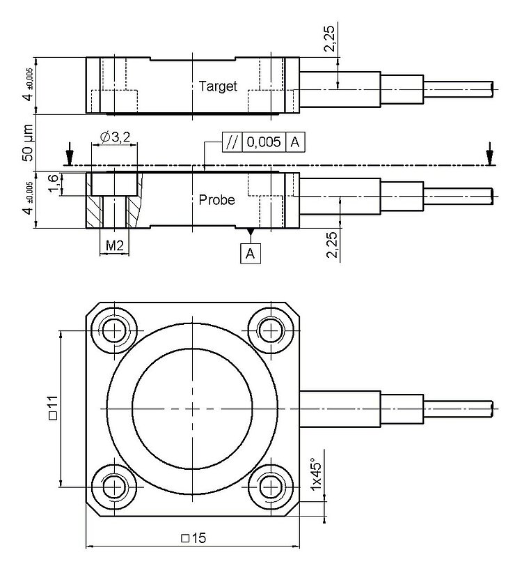
Kapazitiver Zweiplatten-Positionssensor, 50 µm nominaler Messbereich, Aluminium
D-050 • D-100 Kapazitive Sensoren
Auflösung im Sub-Nanometer-Bereich
- Für Anwendungen mit den höchsten Genauigkeitsanforderungen
- Messbereich bis 300 µm
- Auflösung bis 0,01 nm
- Linearitätsabweichung bis 0,01 % mit Digitalcontroller
- Regelelektronik E-509.CxA, kompatibel zum E-500 Piezocontrollersystem




Auflösung
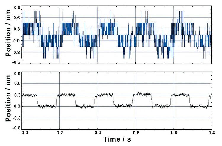
Kapazitive Sensoren erreichen über kleine Wege Auflösungen bis in den Pikometerbereich. Die theoretische Messauflösung ist unbegrenzt. In der Praxis beeinflussen Streustrahlung, Geometrieeffekte und das Rauschen der Messelektronik die erreichbare Genauigkeit. Der effektive Rauschfaktor des D-100.00 Sensors (100 µm) in Verbindung mit der E-509.C1A Elektronik liegt bei 0,02 nm/√Hz. Bei 100 Hz Bandbreite z. B. entspricht das einer Auflösung von 0,2 nm. Die durch Jumper einstellbare Bandbreite der Elektronik beträgt bis zu 3 kHz.
Neben den hier aufgeführten Standardsensoren bietet PI kundenspezifische Sonderausführungen an, z. B. in Messbereich, Geometrie, Material, Elektronik etc.
Einsatzgebiete
Hochpräzise Positionierung.
Spezifikationen
Spezifikationen
| D-050.00 | D-100.00 | Toleranz | |
|---|---|---|---|
| Sensortyp | Kapazitiv | Kapazitiv | |
| Nominaler Messbereich | 50 µm | 100 µm | |
| Erweiterter Messbereich | 150 µm | 300 µm | |
| Auflösung | 0,001 % des Messbereichs | 0,001 % des Messbereichs | |
| Linearitätsabweichung | 0,01 % | 0,01 % | |
| Aktive Sensorfläche | 56,5 mm² | 113,1 mm² | |
| Thermische Drift | 50 ppm/K | 50 ppm/K | |
| Material | Aluminium | Aluminium | |
| Kabellänge | 1 m | 1 m | |
| Betriebstemperaturbereich | -20 bis 80 °C | -20 bis 80 °C | |
| Empfohlene Auswerteelektronik | E-509.CxA | E-509.CxA | |
| Anschluss | LEMO FFA.00.250.CTLC31 | LEMO FFA.00.250.CTLC31 |
Auflösung: Bei 3 kHz, mit E-509.C3A.
Linearitätsabweichung: Mit Digitalcontroller; bis 0,05 % mit analogem E-509 Controller.
Thermische Drift: Änderung der aktiven Oberfläche in ppm (parts per million), bezogen auf den Messbereich.
Andere Materialien auf Anfrage.
Downloads
Produktmitteilung
Produktänderung D-015
Datenblatt
Dokumentation
Benutzerhandbuch PZ106
D-015, D-050, D-100 Kapazitive Sensoren
Angebot / Bestellung
Fordern Sie ein unverbindliches Angebot über gewünschte Stückzahlen, Preise und Lieferzeiten an oder beschreiben Sie Ihre gewünschte Modifikation.
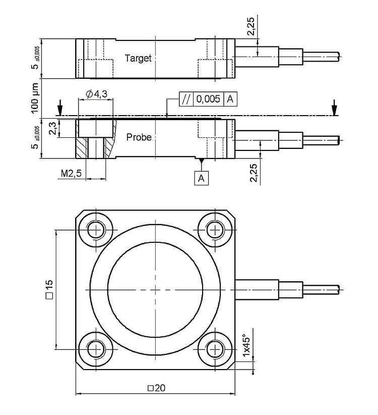
Kapazitiver Zweiplatten-Positionssensor, 100 µm nominaler Messbereich, Aluminium
Angebot anfordern
Fragen Sie den Fachmann!
Erhalten Sie innerhalb kürzester Zeit per E-Mail oder Telefon eine Rückmeldung zu Ihren Fragen von einem PI Vertriebsingenieur.







