P-010.xxH – P-025.xxH PICA Thru Ringaktoren
Hochbelastbare Piezoaktoren mit Innenbohrung
- Hohe Belastbarkeit
- Sehr zuverlässig: >109 Zyklen
- µs-Ansprechzeit
- Sub-nm-Auflösung
- Flexibel durch zahlreiche Ausführungsvarianten
Piezolinearaktor in gestapelter Bauweise
Betriebsspannung 0 bis 1000 V. Lange Lebensdauer ohne Leistungseinbußen. Große spezifische Auslenkung. Aufbringen einer mechanischen Vorspannung über Innenbohrung möglich
Mögliche Modifikationen
- DMS-Sensoren für Positionsstabilität
- Piezokeramikmaterial
- Spannungsbereich, Auslenkung, Lagendicke
- Belastbarkeit, Krafterzeugung
- Geometrie: rund, rechteckig, andere Durchmesser
- Endstück: flach
- Integrierte piezoelektrische Kraftdetektorscheiben
- Erweiterter Temperaturbereich
- UHV-kompatible Versionen bis 10-9 hPa
- Unmagnetische Ausführungen
- Verringerte Längentoleranzen
Einsatzgebiete
Industrie und Forschung. Für Optik, Präzisionsmechanik und -fertigung, Lasertuning
Spezifikationen
Dieser Inhalt ist nur auf Tablets oder Desktop Geräten verfügbar.Spezifikationen
Stellweg | Durchmesser OD | Durchmesser ID | Länge L | Blockierkraft | Steifigkeit | Elektrische Kapazität | Resonanzfrequenz | |
|---|---|---|---|---|---|---|---|---|
µm | mm | mm | mm | N | N/µm | nF | kHz | |
P-010.00H | 5 | 10 | 5 | 7 | 1200 | 230 | 15 | 144 |
P-010.10H | 15 | 10 | 5 | 15 | 1700 | 110 | 40 | 67 |
P-010.20H | 30 | 10 | 5 | 27 | 1800 | 59 | 82 | 39 |
P-010.40H | 60 | 10 | 5 | 54 | 1800 | 29 | 180 | 21 |
P-016.00H | 5 | 16 | 8 | 7 | 2900 | 580 | 42 | 144 |
P-016.10H | 15 | 16 | 8 | 15 | 4100 | 270 | 120 | 67 |
P-016.20H | 30 | 16 | 8 | 27 | 4500 | 150 | 230 | 39 |
P-016.40H | 60 | 16 | 8 | 52 | 4700 | 78 | 490 | 21 |
P-025.10H | 15 | 25 | 16 | 16 | 7400 | 490 | 220 | 63 |
P-025.20H | 30 | 25 | 16 | 27 | 8700 | 290 | 430 | 39 |
P-025.40H | 60 | 25 | 16 | 51 | 9000 | 150 | 920 | 22 |
P-025.50H | 80 | 25 | 16 | 66 | 9600 | 120 | 1200 | 17 |
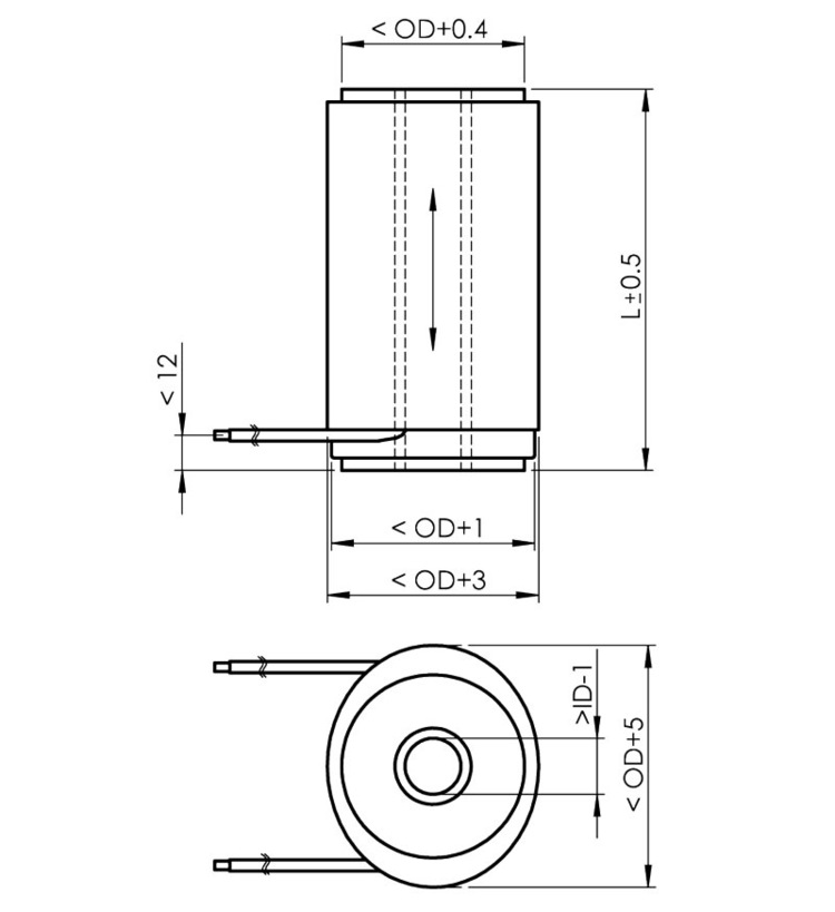
Stellweg: bei 0 bis 1000 V, Toleranz -10 / 20 %.
Länge L: Toleranz ±0,5 mm.
Blockierkraft: bei 0 bis 1000 V.
Elektrische Kapazität: gemessen bei 1 Vₚₚ, 1 kHz, RT, Toleranz ±20 %.
Resonanzfrequenz: gemessen bei 1 Vₚₚ, unbelastet, beidseitig frei. Bei einseitiger Einspannung halbiert sich der Wert.
Piezokeramik: PIC151.
Standardanschlüsse: FEP- isolierte Anschlusslitzen, 100 mm, AWG 24, Ø 1,15 mm.
Betriebsspannungsbereich: 0 bis 1000 V.
Betriebstemperaturbereich: -20 bis 85 °C.
Standardkopfstücke: Keramikringe (passives PZT).
Mantelfläche: außen Schrumpfschlauch Polyolefin, schwarz; innen Epoxidharz.
Empfohlene Vorspannung für den dynamischen Betrieb: 15 MPa.
Maximale Vorspannung für konstante Kraftausübung: 30 MPa.
Sonderausführungen und andere Spezifikationen auf Anfrage.
Downloads
Dokumentation
Benutzerhandbuch PZ138
PICA Piezoaktoren: P-007, P-010, P-016, P-025, P-035, P-045, P-050, P-056 PICA Stack/Power/Thru Sonderprodukte
Angebot / Bestellung
Fordern Sie ein unverbindliches Angebot über gewünschte Stückzahlen, Preise und Lieferzeiten an oder beschreiben Sie Ihre gewünschte Modifikation.
Sonderausführungen und andere Spezifikationen auf Anfrage.
Angebot anfordern
Fragen Sie den Fachmann!
Erhalten Sie innerhalb kürzester Zeit per E-Mail oder Telefon eine Rückmeldung zu Ihren Fragen von einem PI Vertriebsingenieur.

















