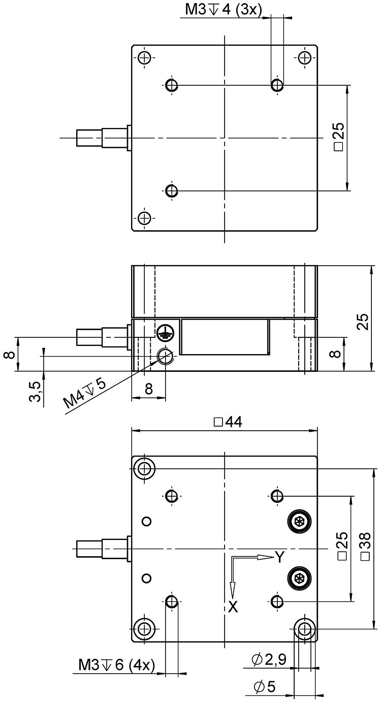
XY-Nanopositionierer; 120 µm × 120 µm Stellweg (ungeregelt) (X × Y); LEMO-Stecker; 1,5 m Kabellänge
P-611.XZ • P-611.2 XZ- und XY-Nanopositionierer
Kompakter zweiachsiger Piezo-Nanopositionierer
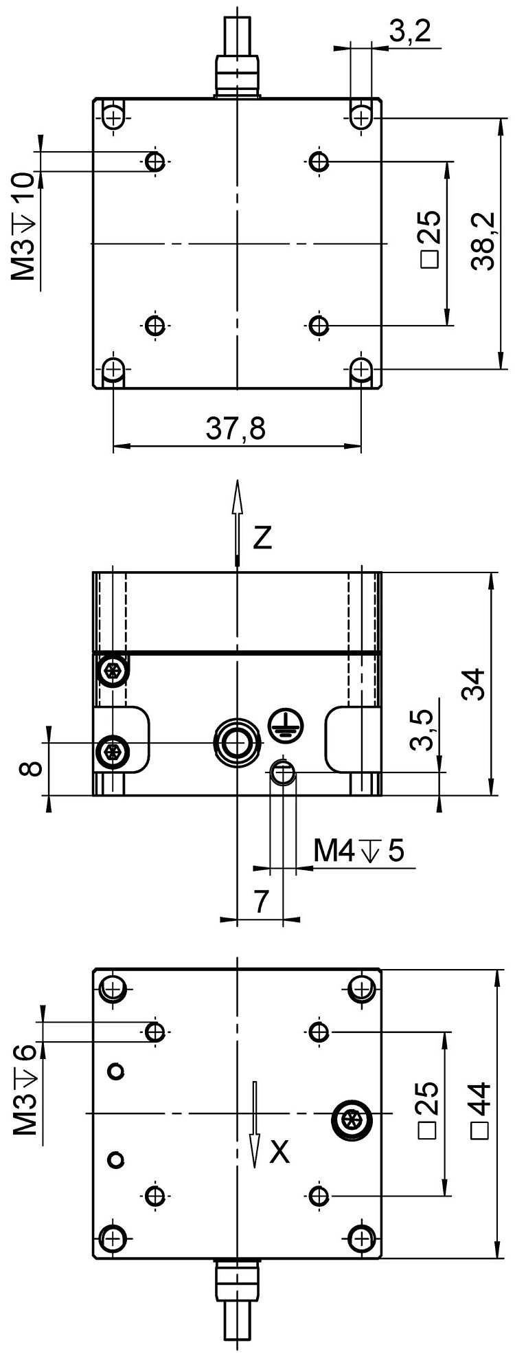
- Kompakt: Grundfläche 44 mm × 44 mm
- Stellweg bis 120 µm × 120 µm
- Auflösung bis 0,2 nm
- Besonders kostengünstige Systeme (Mechanik und Controller)
- Spielfreie und hochgenaue Festkörperführungen
- Überlegene Lebensdauer dank PICMA® Piezoaktoren
- Auch als Linear- und Hubtisch und als XYZ-Version erhältlich
Einsatzgebiete
- Interferometrie
- Mikroskopie
- Nanopositionierung
- Biotechnologie
- Prüfverfahren und Qualitätssicherung
- Photonik
- Faserpositionierung
- Halbleitertechnik
Überragende Lebensdauer dank PICMA® Piezoaktoren
Die PICMA® Piezoaktoren sind vollkeramisch isoliert. Dies schützt sie vor Luftfeuchtigkeit und Ausfällen durch erhöhten Leckstrom. PICMA® Aktoren bieten eine bis zu zehnmal höhere Lebensdauer als konventionelle polymerisolierte Aktoren. 100 Milliarden Zyklen ohne einen einzigen Ausfall sind erwiesen.
Spezifikationen
Spezifikationen
| Bewegen | P-611.20 | P-611.2S | P-611.XZ0 | P-611.XZS | Toleranz |
|---|---|---|---|---|---|
| Aktive Achsen | X Y | X Y | X Z | X Z | |
| Stellweg in X, ungeregelt, bei -20 bis 120 V | 120 µm | 120 µm | 120 µm | 120 µm | +20 / -0 % |
| Stellweg in Y, ungeregelt, bei -20 bis 120 V | 120 µm | 120 µm | +20 / -0 % | ||
| Neigen (Rotatorisches Übersprechen in θX bei Bewegung in Y) | ± 5 µrad | ± 5 µrad | ± 5 µrad | ± 5 µrad | typ. |
| Neigen (Rotatorisches Übersprechen in θY bei Bewegung in X) | ± 5 µrad | ± 5 µrad | ± 5 µrad | ± 5 µrad | typ. |
| Gieren (Rotatorisches Übersprechen in θZ bei Bewegung in X) | ± 20 µrad | ± 20 µrad | ± 20 µrad | ± 20 µrad | typ. |
| Gieren (Rotatorisches Übersprechen in θZ bei Bewegung in Y) | ± 10 µrad | ± 10 µrad | typ. | ||
| Stellweg in X | 100 µm | 100 µm | |||
| Stellweg in Y | 100 µm | ||||
| Linearitätsabweichung | 0,1 % | 0,1 % | typ. | ||
| Stellweg in Z, ungeregelt, bei -20 bis 120 V | 120 µm | 120 µm | +20 / -0 % | ||
| Gieren (Rotatorisches Übersprechen in θX bei Bewegung in Z) | ± 10 µrad | ± 10 µrad | typ. | ||
| Neigen (Rotatorisches Übersprechen in θY bei Bewegung in Z) | ± 10 µrad | ± 10 µrad | typ. | ||
| Stellweg in Z | 100 µm | ||||
| Positionieren | P-611.20 | P-611.2S | P-611.XZ0 | P-611.XZS | Toleranz |
| Auflösung, ungeregelt | 0,2 nm | 0,2 nm | 0,2 nm | 0,2 nm | typ. |
| Unidirektionale Wiederholgenauigkeit in X | ± 10 nm | ± 10 nm | typ. | ||
| Unidirektionale Wiederholgenauigkeit in Y | ± 10 nm | typ. | |||
| Integrierter Sensor | DMS, indirekte Positionsmessung | DMS, indirekte Positionsmessung | |||
| Systemauflösung | 2 nm | 2 nm | typ. | ||
| Unidirektionale Wiederholgenauigkeit in Z | ± 10 nm | typ. | |||
| Antriebseigenschaften | P-611.20 | P-611.2S | P-611.XZ0 | P-611.XZS | Toleranz |
| Antriebstyp | PICMA® | PICMA® | PICMA® | PICMA® | |
| Elektrische Kapazität | 1,5 µF | 1,5 µF | 1,5 µF | 1,5 µF | ±20 % |
| Mechanische Eigenschaften | P-611.20 | P-611.2S | P-611.XZ0 | P-611.XZS | Toleranz |
| Steifigkeit in X | 0,2 N/µm | 0,2 N/µm | 0,2 N/µm | 0,2 N/µm | ±20 % |
| Steifigkeit in Y | 0,2 N/µm | 0,2 N/µm | ±20 % | ||
| Resonanzfrequenz in X, unbelastet | 345 Hz | 345 Hz | 365 Hz | 365 Hz | ±20 % |
| Resonanzfrequenz in X, belastet mit 30 g | 270 Hz | 270 Hz | 280 Hz | 280 Hz | ±20 % |
| Resonanzfrequenz in X, belastet mit 100 g | 180 Hz | 180 Hz | 185 Hz | 185 Hz | ±20 % |
| Resonanzfrequenz in Y, unbelastet | 270 Hz | 270 Hz | ±20 % | ||
| Resonanzfrequenz in Y, belastet mit 30 g | 225 Hz | 225 Hz | ±20 % | ||
| Resonanzfrequenz in Y, belastet mit 100 g | 165 Hz | 165 Hz | ±20 % | ||
| Zulässige Druckkraft in X | 15 N | 15 N | 15 N | 15 N | max. |
| Zulässige Druckkraft in Y | 15 N | 15 N | max. | ||
| Zulässige Druckkraft in Z | 15 N | 15 N | 15 N | 15 N | max. |
| Zulässige Zugkraft in X | 10 N | 10 N | 10 N | 10 N | max. |
| Zulässige Zugkraft in Y | 10 N | 10 N | max. | ||
| Gesamtmasse | 235 g | 235 g | 270 g | 270 g | ±5 % |
| Material | Aluminium, Stahl | Aluminium, Stahl | Aluminium, Stahl | Aluminium, Stahl | |
| Steifigkeit in Z | 0,35 N/µm | 0,35 N/µm | ±20 % | ||
| Resonanzfrequenz in Z, unbelastet | 340 Hz | 340 Hz | ±20 % | ||
| Resonanzfrequenz in Z, belastet mit 30 g | 295 Hz | 295 Hz | ±20 % | ||
| Resonanzfrequenz in Z, belastet mit 100 g | 230 Hz | 230 Hz | ±20 % | ||
| Zulässige Zugkraft in Z | 10 N | 10 N | max. | ||
| Anschlüsse und Umgebung | P-611.20 | P-611.2S | P-611.XZ0 | P-611.XZS | Toleranz |
| Betriebstemperaturbereich | -20 bis 80 °C | -20 bis 80 °C | -20 bis 80 °C | -20 bis 80 °C | |
| Anschluss | LEMO FFA.00.250.CTAC22 | LEMO FFA.00.250.CTAC22 | LEMO FFA.00.250.CTAC22 | LEMO FFA.00.250.CTAC22 | |
| Kabellänge | 1,5 m | 1,5 m | 1,5 m | 1,5 m | ±10 mm |
| Empfohlene Controller / Treiber | E-503, E-505, E-663, E-664, E-727 | E-503, E-505, E-663, E-664, E-727 | E-503, E-505, E-663, E-664, E-727 | E-503, E-505, E-663, E-664, E-727 | |
| Sensoranschluss | LEMO FFA.0S.304.CLAC32 | LEMO FFA.0S.304.CLAC32 |
Die Auflösung des Systems wird nur vom Rauschen des Verstärkers und der Messtechnik begrenzt, da PI-Piezo-Nanopositioniersysteme reibungsfrei arbeiten.
Downloads
Produktmitteilung
Product Change Notification Piezo Actuator Driven Products
Datenblatt
Dokumentation
Benutzerhandbuch PZ253
P-611 Nanopositioniersysteme mit DMS-Sensor / ohne Sensor
Auspackanweisung P611T0006
Auspacken und Handhabung von P-611 Positionierern
3-D-Modelle
P-611.XY • P-611.2 3D-Modell
Angebot / Bestellung
Fordern Sie ein unverbindliches Angebot über gewünschte Stückzahlen, Preise und Lieferzeiten an oder beschreiben Sie Ihre gewünschte Modifikation.
XY-Nanopositionierer; 100 µm × 100 µm Stellweg (X × Y); DMS, indirekte Positionsmessung; LEMO-Stecker; 1,5 m Kabellänge
XZ-Nanopositionierer; 120 µm × 120 µm Stellweg (ungeregelt) (X × Z); LEMO-Stecker; 1,5 m Kabellänge
XZ-Nanopositionierer; 100 µm × 100 µm Stellweg (X × Z); DMS, indirekte Positionsmessung; LEMO-Stecker; 1,5 m Kabellänge
Angebot anfordern
Fragen Sie den Fachmann!
Erhalten Sie innerhalb kürzester Zeit per E-Mail oder Telefon eine Rückmeldung zu Ihren Fragen von einem PI Vertriebsingenieur.















