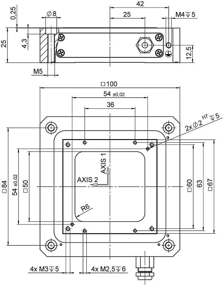
XY-Piezonanopositionierer; 100 µm × 100 µm Stellweg (X × Y); kapazitiv, indirekte Positionsmessung; D-Sub 25W3 (m); 1,5 m Kabellänge
P-733.2 XY-Piezo-Nanopositionierer
Hochpräziser XY-Scanner mit Apertur
- Stellwege bis 100 µm × 100 µm in X und Y
- Auflösung bis 0,1 nm durch kapazitive Sensoren
- Hochgeschwindigkeitsversionen mit Direktantrieb
- Vakuumkompatible und unmagnetische Versionen auf Anfrage
- Höhere Genauigkeit und Dynamik durch Parallelkinematik
- Parallelmetrologie für die aktive Kompensation von Führungsfehlern
- Spielfreie und hochgenaue Festkörperführungen
- Freie Apertur 50 mm × 50 mm für Durchlicht-Anwendungen
Einsatzgebiete
- Scanning-Mikroskopie
- Konfokale Mikroskopie
- Masken- / Waferpositionierung
- Oberflächenmesstechnik
- Nanoimprint
- Mikromanipulation
- Bildverarbeitung / -stabilisierung
- Nanopositionierung mit hoher Ebenheit und Geradheit der Bewegung
Überragende Lebensdauer dank PICMA® Piezoaktoren
Die PICMA® Piezoaktoren sind vollkeramisch isoliert. Dies schützt sie vor Luftfeuchtigkeit und Ausfällen durch erhöhten Leckstrom. PICMA® Aktoren bieten eine bis zu zehnmal höhere Lebensdauer als konventionelle polymerisolierte Aktoren. 100 Milliarden Zyklen ohne einen einzigen Ausfall sind erwiesen.
Sub-Nanometer-Auflösung mit kapazitiven Sensoren
Kapazitive Sensoren messen kontaktfrei mit Sub-Nanometer-Auflösung. Sie garantieren eine herausragende Linearität der Bewegung, eine hohe Langzeitstabilität und eine Bandbreite im kHz-Bereich.
Hohe Führungsgenauigkeit durch spielfreie Festkörpergelenkführungen
Festkörpergelenkführungen sind wartungs-, reibungs- und verschleißfrei und benötigen keine Schmierstoffe. Ihre Steifigkeit macht sie hoch belastbar und unempfindlich gegen Schockbelastungen und Vibrationen. Sie arbeiten in einem weiten Temperaturbereich.
Automatische Konfiguration und schneller Komponentenaustausch
Mechanik und Controller können beliebig kombiniert und schnell ausgetauscht werden. Alle Servo- und Linearisierungsparameter sind im ID-Chip des D-Sub-Steckers der Mechanik gespeichert. Die Auto-Calibration-Funktion der Digitalcontroller verwendet diese Daten automatisch bei jedem Einschalten des Controllers.
Höchste Genauigkeit durch direkte Positionsmessung
Bewegungen werden direkt an der Bewegungsplattform ohne Beeinflussung durch Antriebs- oder Führungselemente gemessen. Dies ermöglicht eine optimale Wiederholgenauigkeit, eine hervorragende Stabilität und eine steife, schnell ansprechende Regelung.
Hochdynamischer Mehrachsbetrieb durch Parallelkinematik
In einem parallelkinematischen Mehrachssystem wirken alle Aktoren auf eine gemeinsame Plattform. Die minimale Massenträgheit und die identische Auslegung aller Achsen erlauben eine schnelle, dynamische und dennoch präzise Bewegung.
Spezifikationen
Spezifikationen
| Bewegen | P-733.2CD | P-733.2CL | P-733.2DD | Toleranz |
|---|---|---|---|---|
| Aktive Achsen | X ǀ Y | X ǀ Y | X ǀ Y | |
| Stellweg in X | 100 µm | 100 µm | 30 µm | |
| Stellweg in Y | 100 µm | 100 µm | 30 µm | |
| Stellweg in X, ungeregelt, bei -20 bis 120 V | 115 µm | 115 µm | 33 µm | +20 % / -0 % |
| Stellweg in Y, ungeregelt, bei -20 bis 120 V | 115 µm | 115 µm | 33 µm | +20 % / -0 % |
| Linearitätsabweichung in X | 0,03 % | 0,03 % | 0,03 % | typ. |
| Linearitätsabweichung in Y | 0,03 % | 0,03 % | 0,03 % | typ. |
| Winkelabweichung E_AY (Nicken) | ± 3 µrad | ± 3 µrad | ± 5 µrad | typ. |
| Winkelabweichung E_BX (Nicken) | ± 3 µrad | ± 3 µrad | ± 5 µrad | typ. |
| Winkelabweichung E_CX (Gieren) | ± 10 µrad | ± 10 µrad | ± 10 µrad | typ. |
| Winkelabweichung E_CY (Gieren) | ± 10 µrad | ± 10 µrad | ± 10 µrad | typ. |
| Positionieren | P-733.2CD | P-733.2CL | P-733.2DD | Toleranz |
| Unidirektionale Wiederholgenauigkeit in X | ± 2 nm | ± 2 nm | ± 2 nm | typ. |
| Unidirektionale Wiederholgenauigkeit in Y | ± 2 nm | ± 2 nm | ± 2 nm | typ. |
| Auflösung in X, ungeregelt | 0,2 nm | 0,2 nm | 0,1 nm | typ. |
| Auflösung in Y, ungeregelt | 0,2 nm | 0,2 nm | 0,1 nm | typ. |
| Integrierter Sensor | Kapazitiv, indirekte Positionsmessung | Kapazitiv, indirekte Positionsmessung | Kapazitiv, indirekte Positionsmessung | |
| Systemauflösung in X | 0,3 nm | 0,3 nm | 0,1 nm | typ. |
| Systemauflösung in Y | 0,3 nm | 0,3 nm | 0,1 nm | typ. |
| Antriebseigenschaften | P-733.2CD | P-733.2CL | P-733.2DD | Toleranz |
| Antriebstyp | PICMA® | PICMA® | PICMA® | |
| Elektrische Kapazität in X | 6 µF | 6 µF | 6,2 µF | ±20 % |
| Elektrische Kapazität in Y | 6 µF | 6 µF | 6,2 µF | ±20 % |
| Mechanische Eigenschaften | P-733.2CD | P-733.2CL | P-733.2DD | Toleranz |
| Steifigkeit in X | 1,5 N/µm | 1,5 N/µm | 20 N/µm | ±20 % |
| Steifigkeit in Y | 1,5 N/µm | 1,5 N/µm | 20 N/µm | ±20 % |
| Resonanzfrequenz in X, unbelastet | 500 Hz | 500 Hz | 2230 Hz | ±20 % |
| Resonanzfrequenz in X, belastet mit 120 g | 370 Hz | 370 Hz | — | ±20 % |
| Resonanzfrequenz in X, belastet mit 200 g | 340 Hz | 340 Hz | 1550 Hz | ±20 % |
| Resonanzfrequenz in Y, unbelastet | 500 Hz | 500 Hz | 2230 Hz | ±20 % |
| Resonanzfrequenz in Y, belastet mit 120 g | 370 Hz | 370 Hz | — | ±20 % |
| Resonanzfrequenz in Y, belastet mit 200 g | 340 Hz | 340 Hz | 1550 Hz | ±20 % |
| Zulässige Druckkraft in X | 50 N | 50 N | 50 N | max. |
| Zulässige Druckkraft in Y | 50 N | 50 N | 50 N | max. |
| Zulässige Druckkraft in Z | 50 N | 50 N | 50 N | max. |
| Zulässige Zugkraft in X | 20 N | 20 N | 20 N | max. |
| Zulässige Zugkraft in Y | 20 N | 20 N | 20 N | max. |
| Zulässige Zugkraft in Z | 20 N | 20 N | 20 N | max. |
| Gesamtmasse | 580 g | 580 g | 580 g | ±5 % |
| Material | Aluminium | Aluminium | Aluminium | |
| Anschlüsse und Umgebung | P-733.2CD | P-733.2CL | P-733.2DD | Toleranz |
| Betriebstemperaturbereich | -20 bis 80 °C | -20 bis 80 °C | -20 bis 80 °C | |
| Anschluss | D-Sub 25W3 (m) | LEMO FFS.00.250.CTCE24 | D-Sub 25W3 (m) | |
| Kabellänge | 1,5 m | 1,5 m | 1,5 m | ±10 mm |
| Empfohlene Controller/Treiber | E-503, E-505, E-610, E-621, E-625, E-713, E-727 | E-503, E-505, E-610, E-621, E-625, E-713, E-727 | E-503, E-505, E-610, E-621, E-625, E-713, E-727 | |
| Sensoranschluss | — | LEMO FFA.00.250.CTLC31 | — |
P-733.2DD: Linearitätsabweichung mit Digitalcontroller. Mit Analogcontrollern kann die Linearitätsabweichung für direkt getriebene Positionierer typ. bis 0,1 % betragen.
Die Auflösung des Systems wird nur vom Rauschen des Verstärkers und der Messtechnik begrenzt, da PI-Piezo-Nanopositioniersysteme reibungsfrei arbeiten.
Technische Daten werden bei PI bei 22 ±3 °C spezifiziert. Die angegebenen Werte gelten im unbelasteten Zustand, wenn nicht anders angegeben. Teilweise sind Eigenschaften voneinander abhängig. Die Angabe "typ." kennzeichnet einen statistischen Mittelwert für eine Eigenschaft; sie gibt keinen garantierten Wert für jedes ausgelieferte Produkt an. Bei der Ausgangsprüfung eines Produkts werden nicht alle, sondern nur ausgewählte Eigenschaften geprüft. Beachten Sie, dass sich einige Produkteigenschaften mit zunehmender Betriebsdauer verschlechtern können.
Downloads
Produktmitteilung
Product Change Notification Piezo Actuator Driven Products
Datenblatt
Dokumentation
Benutzerhandbuch PZ103
P-733, P-734 Piezo-Nanopositioniersysteme mit kapazitiven Sensoren
3-D-Modelle
P-733 3D Modell
Broschüre
Mikroskoptisch-Konfigurator
Probentische und -halter für inverse Mikroskope
Angebot / Bestellung
Fordern Sie ein unverbindliches Angebot über gewünschte Stückzahlen, Preise und Lieferzeiten an oder beschreiben Sie Ihre gewünschte Modifikation.
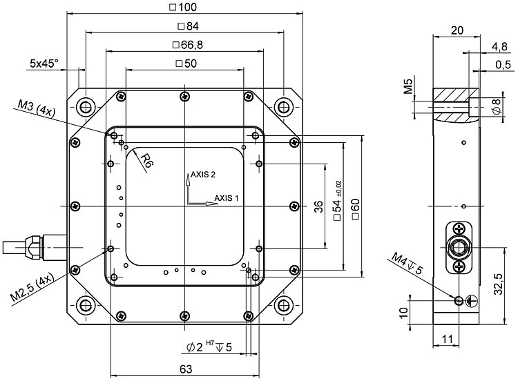
XY-Piezonanopositionierer; 100 µm × 100 µm Stellweg (X × Y); kapazitiv, indirekte Positionsmessung; LEMO-Stecker; 1,5 m Kabellänge
XY-Piezonanopositionierer; 30 µm × 30 µm Stellweg (X × Y); Direktantrieb; kapazitiv, indirekte Positionsmessung; D-Sub 25W3 (m); 1,5 m Kabellänge
Angebot anfordern
Fragen Sie den Fachmann!
Erhalten Sie innerhalb kürzester Zeit per E-Mail oder Telefon eine Rückmeldung zu Ihren Fragen von einem PI Vertriebsingenieur.
Technologie

PICMA® Technologie
Hohe Zuverlässigkeit und überlegene Lebensdauer durch das patentierte Herstellungsverfahren für Multilayer-Aktoren.

Vakuum
Sorgfältige Handhabung und adäquate Räumlichkeiten: PI verfügt nicht nur über die Ausstattung zur Qualifizierung von Materialien, Komponenten und Endprodukten, sondern auch über langjährige Erfahrung im Bereich der HV- und UHV-Positioniersysteme.

Flexure Festkörpergelenke
Festkörpergelenksführungen von PI führen den Piezoaktor und dienen der geradlinigen Bewegung ohne Verkippung oder seitlichen Versatz.

Digitale Motion Controller
Digitale Controller haben gegenüber analogen Verstärkerelektroniken Vorteile, die vor allem bei hochpräzisen Positionieraufgaben zum Tragen kommen.

Kapazitive Sensoren
Präzision und Reproduzierbarkeit sind undenkbar ohne Einsätze höchstauflösender Messverfahren. Hier bieten kapazitive Sensoren die besten Ergebnisse.

Piezopositioniersysteme mit paralleler Kinematik
Der Vorteil eines Parallelkinematik-Mehrachsensystem ist, dass es kompakter gebaut werden kann, da nur es nur eine bewegte Plattform gibt.





















