Piezo-Hub- und Kippscanner; 12 µm Linearstellweg; 1200 µrad × 1200 µrad Rotationsbereich (θX × θY); DMS, indirekte Positionsmessung; Anschluss LEMO LVPZT; 2 m Kabellänge
S-316 Piezo-Hub- und Kippscanner
Hochdynamischer Piezoscanner mit Apertur
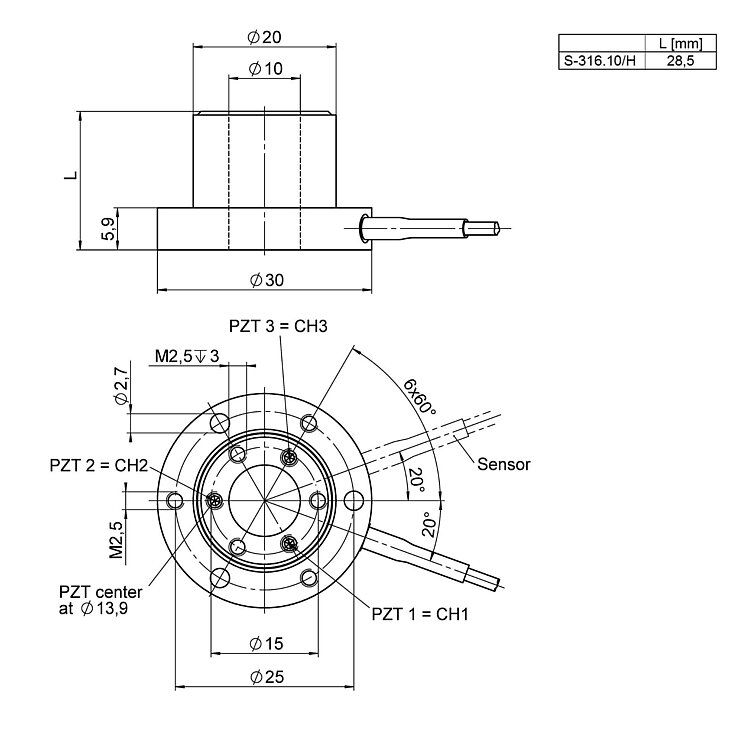
- Freie Apertur 10 mm
- Dreibein-Piezoantrieb
- Linearstellwege bis 12 µm (Phasenschieber)
- Sub-ms-Ansprechzeit
- Sub-µrad Auflösung
- Positionsgeregelte Versionen für erhöhte Präzision
Einsatzgebiete
- Bildverarbeitung / -stabilisierung
- Laserscanning / -strahlsteuerung
- Lasertuning
- Optische Filter / Schalter
- Strahlstabilisierung
- Interferometrie
Überragende Lebensdauer dank PICMA® Piezoaktoren
Die PICMA® Piezoaktoren sind vollkeramisch isoliert. Dies schützt sie vor Luftfeuchtigkeit und Ausfällen durch erhöhten Leckstrom. PICMA® Aktoren bieten eine bis zu zehnmal höhere Lebensdauer als konventionelle polymerisolierte Aktoren. 100 Milliarden Zyklen ohne einen einzigen Ausfall sind erwiesen.
Hohe Führungsgenauigkeit durch spielfreie Festkörpergelenkführungen
Festkörpergelenkführungen sind wartungs-, reibungs- und verschleißfrei und benötigen keine Schmierstoffe. Ihre Steifigkeit macht sie hoch belastbar und unempfindlich gegen Schockbelastungen und Vibrationen. Sie arbeiten in einem weiten Temperaturbereich.
Automatische Konfiguration und schneller Komponentenaustausch
Mechanik und Controller können beliebig kombiniert und schnell ausgetauscht werden. Alle Servo- und Linearisierungsparameter sind im ID-Chip des D-Sub-Steckers der Mechanik gespeichert. Die Auto-Calibration-Funktion der Digitalcontroller verwendet diese Daten automatisch bei jedem Einschalten des Controllers.
Hochdynamischer Mehrachsbetrieb durch Parallelkinematik
In einem parallelkinematischen Mehrachssystem wirken alle Aktoren auf eine gemeinsame Plattform. Die minimale Massenträgheit und die identische Auslegung aller Achsen erlauben eine schnelle, dynamische und dennoch präzise Bewegung.
Spezifikationen
Spezifikationen
| Bewegen | S-316.10 | S-316.10H | Toleranz |
|---|---|---|---|
| Aktive Achsen | Z ǀ θX ǀ θY | Z ǀ θX ǀ θY | |
| Stellweg in Z | 12 µm | 12 µm | |
| Stellweg in Z, ungeregelt | 12 µm | 12 µm | +20 / -0 % |
| Rotationsbereich in θX | 1200 µrad | 1200 µrad | |
| Rotationsbereich in θY | 1200 µrad | 1200 µrad | |
| Rotationsbereich in θX, ungeregelt | 1200 µrad | 1200 µrad | +20 / -0 % |
| Rotationsbereich in θY, ungeregelt | 1200 µrad | 1200 µrad | +20 / -0 % |
| Linearitätsabweichung in Z | 0,2 % | 0,2 % | typ. |
| Linearitätsabweichung in θX | 0,2 % | 0,2 % | typ. |
| Linearitätsabweichung in θY | 0,2 % | 0,2 % | typ. |
| Positionieren | S-316.10 | S-316.10H | Toleranz |
| Auflösung in Z, ungeregelt | 0,2 nm | 0,2 nm | typ. |
| Auflösung in θX, ungeregelt | 0,05 µrad | 0,05 µrad | typ. |
| Auflösung in θY, ungeregelt | 0,05 µrad | 0,05 µrad | typ. |
| Integrierter Sensor | DMS, indirekte Positionsmessung | DMS, indirekte Positionsmessung | |
| Systemauflösung in Z | 0,4 nm | 0,4 nm | |
| Systemauflösung in θX | 0,1 µrad | 0,1 µrad | |
| Systemauflösung in θY | 0,1 µrad | 0,1 µrad | |
| Antriebseigenschaften | S-316.10 | S-316.10H | Toleranz |
| Antriebstyp | PICMA® | PICMA® | |
| Elektrische Kapazität in Z | 0,31 µF | 0,31 µF | ±20 % |
| Elektrische Kapazität in θX | 0,31 µF | 0,31 µF | ±20 % |
| Elektrische Kapazität in θY | 0,31 µF | 0,31 µF | ±20 % |
| Mechanische Eigenschaften | S-316.10 | S-316.10H | Toleranz |
| Steifigkeit in Z | 10 N/µm | 10 N/µm | ±20 % |
| Resonanzfrequenz in X, belastet mit Glasspiegel (Ø 15 mm; Dicke 4 mm) | 4,1 kHz | 4,1 kHz | ±20 % |
| Resonanzfrequenz in X, belastet mit Glasspiegel (Ø 20 mm; Dicke 4 mm) | 3,4 kHz | 3,4 kHz | ±20 % |
| Resonanzfrequenz in Z, unbelastet | 5,5 kHz | 5,5 kHz | ±20 % |
| Resonanzfrequenz in Z, belastet mit Glasspiegel (Ø 15 mm; Dicke 4 mm) | 4,1 kHz | 4,1 kHz | ±20 % |
| Resonanzfrequenz in Z, belastet mit Glasspiegel (Ø 20 mm; Dicke 4 mm) | 3,4 kHz | 3,4 kHz | ±20 % |
| Trägheitsmoment in θX, unbelastet | 150 g·mm² | 150 g·mm² | ±20 % |
| Trägheitsmoment in θY, unbelastet | 150 g·mm² | 150 g·mm² | ±20 % |
| Abstand Pivotpunkt-Plattformoberfläche | 5 mm | 5 mm | ±0,5 mm |
| Führung | Festkörpergelenksführung mit Hebelübersetzung | Festkörpergelenksführung mit Hebelübersetzung | |
| Gesamtmasse | 55 g | 55 g | ±5 % |
| Material | Stahl | Stahl | |
| Anschlüsse und Umgebung | S-316.10 | S-316.10H | Toleranz |
| Betriebstemperaturbereich | -20 bis 80 °C | -20 bis 80 °C | |
| Anschluss | LEMO LVPZT | D-Sub 37 (m) | |
| Sensoranschluss | LEMO für Dehnmessstreifen | — | |
| Kabellänge | 2 m | 2 m | +100 / -0 mm |
| Empfohlene Controller / Treiber | E-503, E-505, E-509, E-610, E-625 | E-727 |
Die Auflösung des Systems wird nur vom Rauschen des Verstärkers und der Messtechnik begrenzt, da PI-Piezo-Nanopositioniersysteme reibungsfrei arbeiten.
Mechanischer Winkel, die optische Strahlablenkung ist doppelt so groß. Für maximale Kippwinkel müssen alle drei Piezotranslatoren mit 50 V vorgespannt sein. Durch den Parallelkinematik-Aufbau sind der lineare Stellbereich und die Kippwinkel voneinander abhängig. Die angegebenen Werte sind Maxima für reine Linear- bzw. Kippbewegungen.
Technische Daten werden bei PI bei 22 ±3 °C spezifiziert. Die angegebenen Werte gelten im unbelasteten Zustand, wenn nicht anders angegeben. Teilweise sind Eigenschaften voneinander abhängig. Die Angabe "typ." kennzeichnet einen statistischen Mittelwert für eine Eigenschaft; sie gibt keinen garantierten Wert für jedes ausgelieferte Produkt an. Bei der Ausgangsprüfung eines Produkts werden nicht alle, sondern nur ausgewählte Eigenschaften geprüft. Beachten Sie, dass sich einige Produkteigenschaften mit zunehmender Betriebsdauer verschlechtern können.
Downloads
Produktmitteilung
Product Change Notification Piezo Actuator Driven Products
Datenblatt
Dokumentation
Benutzerhandbuch S310T0001
S-310, S-311, S-314, S-315, S-316 Piezo Hub- und Kippscanner
3-D-Modelle
S-316 3D-Modell
Angebot / Bestellung
Fordern Sie ein unverbindliches Angebot über gewünschte Stückzahlen, Preise und Lieferzeiten an oder beschreiben Sie Ihre gewünschte Modifikation.
Piezo-Hub- und Kippscanner; 12 µm Linearstellweg; 1200 µrad × 1200 µrad Rotationsbereich (θX × θY); DMS, indirekte Positionsmessung; Anschluss D-Sub 37-polig (m); 2 m Kabellänge
Angebot anfordern
Fragen Sie den Fachmann!
Erhalten Sie innerhalb kürzester Zeit per E-Mail oder Telefon eine Rückmeldung zu Ihren Fragen von einem PI Vertriebsingenieur.
Technologie

PICMA® Technologie
Hohe Zuverlässigkeit und überlegene Lebensdauer durch das patentierte Herstellungsverfahren für Multilayer-Aktoren.

Flexure Festkörpergelenke
Festkörpergelenksführungen von PI führen den Piezoaktor und dienen der geradlinigen Bewegung ohne Verkippung oder seitlichen Versatz.

Digitale Motion Controller
Digitale Controller haben gegenüber analogen Verstärkerelektroniken Vorteile, die vor allem bei hochpräzisen Positionieraufgaben zum Tragen kommen.

Piezopositioniersysteme mit paralleler Kinematik
Der Vorteil eines Parallelkinematik-Mehrachsensystem ist, dass es kompakter gebaut werden kann, da nur es nur eine bewegte Plattform gibt.














