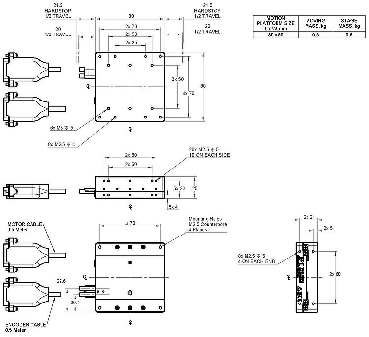
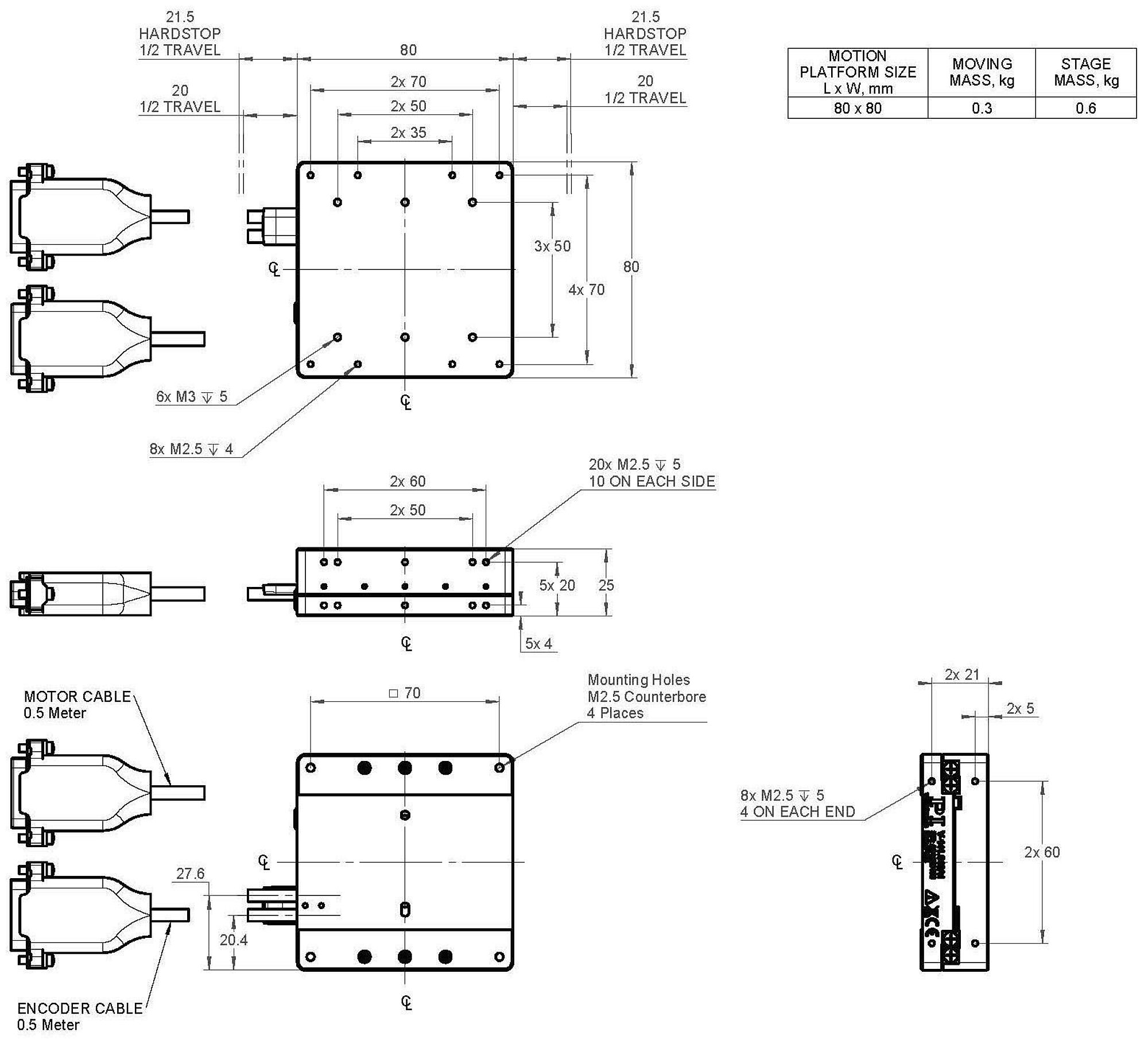
Kompakter Hochpräzisions-Lineartisch mit Direktantrieb; Eisenloser 3-Phasen-Linearmotor; 40 mm Stellweg; 5 kg Nutzlast; 500 mm/s maximale Geschwindigkeit; Inkrementeller Linearencoder, 20 µm Sensorsignalperiode, Sin/Cos, 1 V Spitze-Spitze
V-141 Kompakter Hochpräzisions-Lineartisch mit Direktantrieb
Ideal zum Scannen, Messen und Ausrichten sowie für bildgebende Verfahren
- 40 mm, 60 mm und 100 mm Stellweg
- Sehr kompakter Formfaktor
- Direktantrieb für hohe dynamische Leistungsfähigkeit
- 1 m/s max. Geschwindigkeit
- Kreuzrollenlager für absolute Geradheit und Ebenheit
- Direkt messender inkrementeller Encoder für optimale Positioniergenauigkeit und Wiederholgenauigkeit
Produktübersicht
V-141 Lineartische mit Direktantrieb sind für Anwendungen konzipiert, die eine hohe Genauigkeit und Präzision sowie eine lange Lebensdauer und Benutzerfreundlichkeit erfordern. Sie können in beliebiger Ausrichtung montiert werden. Für den vertikalen Betrieb sind Modelle mit integriertem Gegengewicht erhältlich (siehe Webseite V-141 Z).
Die V-141 Lineartische sind zwar kompakt, bieten aber im Vergleich zu größeren Positionierern eine höhere Verfahrgenauigkeit, Ebenheit und Leistung. Mit ihrem leistungsstarken, rastmomentfreien Direktantriebsmotor ist die V-141 Lineartischfamilie für den Einsatz in Produktionsumgebungen bestens geeignet. Die hochpräzisen Kreuzrollenlager sind für einen wartungsarmen Betrieb über die gesamte Tischlebensdauer konzipiert.
Der V-141 ist für die XY- und die XYZ-Montage ausgelegt. Das Z-Modell ist mit einem magnetischen Gegengewicht ausgestattet.
Dreiphasenmotoren für hohe Dynamik und reibungsfreien, wartungsfreien Betrieb
Die dreiphasigen Linearmotoren, die Tische der V-141 Familie antreiben, übertragen ihre Kraft direkt und reibungsfrei auf die Bewegungsplattform. Dadurch werden Umkehrspiel und Spiel vermieden, die durch mechanische Komponenten wie Zahnräder und Schrauben im Antriebsstrang verursacht werden können. Diese Motoren, die ideal für Anwendungen mit hohen Geschwindigkeiten und hohen Beschleunigungen geeignet sind, zeichnen sich durch ein reibungs- und wartungsfreies Design aus, das eine lange Lebensdauer im anspruchsvollen Dauerbetrieb gewährleistet. Die Controllereinstellungen zur Strombegrenzung ermöglichen eine einfache Deaktivierung des Motors, um mögliche Schäden am Tisch oder an der Anwendung abzuwenden.
Kreuzrollenlager für höhere Belastbarkeit und Genauigkeit sowie eine längere Lebensdauer
Kreuzrollenlager bieten ein hohes Maß an Leichtgängigkeit, Geradheit und Ebenheit, das der Leistung von Luftlagern nahe kommt. Indem der Punktkontakt der Kugellager durch einen Linienkontakt ersetzt wurde, sind die Rollen wesentlich steifer und benötigen weniger Vorspannung. Die dadurch erreichte Verringerung der Reibung führt zu einem ruhigeren Lauf und einer höheren Genauigkeit. Kreuzrollenlager können auch höhere senkrechte Lasten und Momentbelastungen aufnehmen. Der Anti-Kriech-Mechanismus verhindert ein Abdriften der Rollen und sorgt dadurch für eine erhöhte Zuverlässigkeit. Die Anwendung von Reinraumfett sorgt für einen wartungsarmen Betrieb.
Inkrementeller Encoder
V-141 Tische sind mit inkrementellen Sin/Cos-Linearencodern ausgestattet, die Positionen mit höchster Genauigkeit direkt auf der Bewegungsplattform messen. Dies verbessert die Linearität und gewährleistet Unempfindlichkeit gegenüber mechanischem Spiel und elastischer Verformung, wie sie bei indirekten Messverfahren auftreten können. Über das integrierte Referenzsignal wird der Tisch gestartet.
Auswahl des passenden Präzisionslineartischs und Controllers
Die Auswahl des richtigen Lineartischs ist entscheidend für eine optimale Leistung bei hochpräzisen Bewegungsanwendungen wie Halbleiterinspektion und Ausrichtung in der Photonik. Faktoren wie Auflösung, Führungsgenauigkeit und Wiederholgenauigkeit müssen sorgfältig betrachtet werden. Diese Lineartische bieten eine hervorragende geometrische Genauigkeit (Ebenheit, Geradheit, Nicken und Gieren) sowie eine bidirektionale Wiederholgenauigkeit von 0,125 µm in einem sehr kompakten Gehäuse. Mit ihrer hohen Dynamik, einschließlich einer Beschleunigung von bis zu 2 g und einer Geschwindigkeit von 1 m/s, sind diese kompakten motorisierten Tische ideal für die Automatisierung hochpräziser, im Dauerbetrieb ausgeführter Positionieraufgaben geeignet, die beispielsweise für die Mikromontage, die Ausrichtung oder die Massenproduktion von Präzisionsgeräten erforderlich sind.
In Kombination mit den Controllern der A-8xx Serie von PI erreichen diese Tische eine unübertroffene Bewegungsleistung. Die EtherCAT-basierten Controller von PI bieten eine bemerkenswerte Flexibilität und erleichtern die nahtlose Integration von EtherCAT-kompatiblen Geräten anderer Hersteller. Hochentwickelte Algorithmen in den Controllern der A-8xx Serie, wie PILOT, ermöglichen eine höhere Dynamik bei reduzierten Motorströmen und erhöhen dadurch praktisch die Kraftkonstante des Motors. Der kompakte V-141 Tisch ist die ideale Wahl, wenn es Ihnen um Präzision, Zuverlässigkeit und Effizienz in Ihren Bewegungsanwendungen geht.
Zubehör und Optionen
- Magnetisches Gegengewicht für den vertikalen Einsatz
- Ein- oder mehrachsige ACS Motion Controller und Servoantriebe, integriert oder verteilt
- Kabel kompatibel mit ACS-basierten Controllern der A-8xx Serie
- Mehrachsige Aufbauten
Controller und Kabel
A-81x: ACS-basierte Controller (2-, 4-Achs-Modelle, verschiedene Konfigurationen) für mittleren Leistungsbedarf
A-82x: ACS-basierte Controller (4-, 6-, 8-Achs-Modelle, verschiedene Konfigurationen) für hohen Leistungsbedarf
A-851.VA03: Kabelsatz, V-xxx zu A-8xx Controllern, sin/cos-Encodersignale, 3 m Länge
Einsatzgebiete
Präzise Mikromontage. Forschung. Biotechnologie. Allgemeine Automatisierung. Gerätemontage. Lasermikrobearbeitung. Pick-and-Place. Ausrichtung und Aufbau in der Photonik.
Spezifikationen
Spezifikationen
| Bewegen | V-141.040A1 | V-141.060A1 | V-141.100A1 | Toleranz |
|---|---|---|---|---|
| Aktive Achsen | X | X | X | |
| Stellweg in X | 40 mm | 60 mm | 100 mm | |
| Beschleunigung in X, unbelastet | 20 m/s² | 20 m/s² | 20 m/s² | max. |
| Maximale Geschwindigkeit in X, unbelastet | 500 mm/s | 800 mm/s | 1000 mm/s | |
| Geradheitsabweichung in Y (Geradheit) | ± 2 µm | ± 3 µm | ± 4 µm | max. |
| Geradheitsabweichung in Z (Ebenheit) | ± 3 µm | ± 4 µm | ± 5 µm | max. |
| Winkelabweichung um Y (Nicken) | ± 150 µrad | ± 175 µrad | ± 200 µrad | max. |
| Winkelabweichung um Z (Gieren) | ± 150 µrad | ± 175 µrad | ± 200 µrad | max. |
| Positionieren | V-141.040A1 | V-141.060A1 | V-141.100A1 | Toleranz |
| Kleinste Schrittweite in X | 0,05 µm | 0,05 µm | 0,05 µm | typ. |
| Positioniergenauigkeit in X, kalibriert | ± 2 µm | ± 2,5 µm | ± 3 µm | max. |
| Bidirektionale Wiederholgenauigkeit in X | 0,25 µm | 0,25 µm | 0,25 µm | max. |
| Referenzschalter | Index in der Mitte des Stellwegs, 1 V Spitze-Spitze | Index in der Mitte des Stellwegs, 1 V Spitze-Spitze | Index in der Mitte des Stellwegs, 1 V Spitze-Spitze | |
| Integrierter Sensor | Inkrementeller Linearencoder | Inkrementeller Linearencoder | Inkrementeller Linearencoder | |
| Sensorsignal | Sin/Cos, 1 V Spitze-Spitze | Sin/Cos, 1 V Spitze-Spitze | Sin/Cos, 1 V Spitze-Spitze | |
| Sensorsignalperiode | 20 µm | 20 µm | 20 µm | |
| Antriebseigenschaften | V-141.040A1 | V-141.060A1 | V-141.100A1 | Toleranz |
| Antriebstyp | Eisenloser 3-Phasen-Linearmotor | Eisenloser 3-Phasen-Linearmotor | Eisenloser 3-Phasen-Linearmotor | |
| Betriebsspannung | 48 bis 80 V | 48 bis 80 V | 48 bis 80 V | |
| Nennstrom, effektiv | 1,8 A | 1,8 A | 1,8 A | typ. |
| Spitzenstrom, effektiv | 5 A | 5 A | 5 A | typ. |
| Antriebskraft in X | 8 N | 8 N | 16 N | typ. |
| Spitzenkraft in X | 22 N | 22 N | 45 N | |
| Kraftkonstante | 4,5 N/A | 4,5 N/A | 9 N/A | |
| Widerstand Phase-Phase | 4 Ω | 4 Ω | 10 Ω | typ. |
| Induktivität Phase-Phase | 0,6 mH | 0,6 mH | 1,4 mH | |
| Gegen-EMK Phase-Phase | 4,5 V·s/m | 4,5 V·s/m | 9 V·s/m | max. |
| Polabstand | 19,05 mm | 19,05 mm | 19,05 mm | |
| Mechanische Eigenschaften | V-141.040A1 | V-141.060A1 | V-141.100A1 | Toleranz |
| Maximale Nutzlast, horizontale Ausrichtung | 5 kg | 5 kg | 5 kg | |
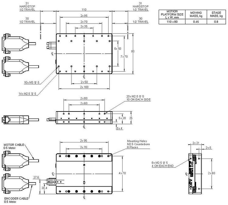
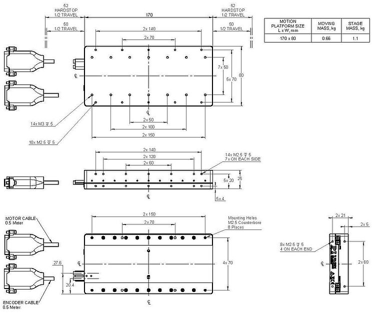
| Bewegte Masse in X, unbelastet | 320 g | 450 g | 650 g | |
| Lagertyp | Kreuzrollenlager | Kreuzrollenlager | Kreuzrollenlager | |
| Gesamtmasse | 600 g | 800 g | 1100 g | |
| Material | Aluminium | Aluminium | Aluminium | |
| Abmessungen Bewegungsplattform | 80 × 80 mm | 110 × 80 mm | 170 × 80 mm | |
| Höhe | 25 mm | 25 mm | 25 mm | |
| Anschlüsse und Umgebung | V-141.040A1 | V-141.060A1 | V-141.100A1 | Toleranz |
| Betriebstemperaturbereich | 5 bis 50 °C | 5 bis 50 °C | 5 bis 50 °C | |
| Anschluss | D-Sub 15 (m) | D-Sub 15 (m) | D-Sub 15 (m) | |
| Empfohlene Controller/Treiber | A-81x, A-82x | A-81x, A-82x | A-81x, A-82x |
Hinweis zu Geradheits- und Winkelabweichung: Abhängig von der Qualität des Untergrunds, der Nutzlast, der Ausrichtung und von Kräften, die von außen auf den Tisch wirken. Kontaktieren Sie PI für anwendungsspezifische Parameter. Die angegebenen Werte sind statisch (keine Rotationsbewegung während der Messung) und ohne Last.
Hinweis zu Geschwindigkeit, Beschleunigung und zulässiger Nutzlast: Kann durch ein Ungleichgewicht der Nutzlast oder den Controller und den Antrieb eingeschränkt werden.
Hinweis zur Geschwindigkeit des V-141.100A1: Zum Erreichen der maximalen Geschwinidigkeit ist eine Betriebsspannung von mindestens 72 V erforderlich.
Technische Daten werden bei PI bei 22 ±3 °C spezifiziert. Die angegebenen Werte gelten im unbelasteten Zustand, wenn nicht anders angegeben. Teilweise sind Eigenschaften voneinander abhängig. Die Angabe "typ." kennzeichnet einen statistischen Mittelwert für eine Eigenschaft; sie gibt keinen garantierten Wert für jedes ausgelieferte Produkt an. Bei der Ausgangsprüfung eines Produkts werden nicht alle, sondern nur ausgewählte Eigenschaften geprüft. Beachten Sie, dass sich einige Produkteigenschaften mit zunehmender Betriebsdauer verschlechtern können.
Downloads
Datenblatt
Dokumentation
Benutzerhandbuch V141D0001
V-141 Mini Series Direct Drive Linear Stage
3-D-Modelle
V-141 3D-Modell
Angebot / Bestellung
Fordern Sie ein unverbindliches Angebot über gewünschte Stückzahlen, Preise und Lieferzeiten an oder beschreiben Sie Ihre gewünschte Modifikation.
Kompakter Hochpräzisions-Lineartisch mit Direktantrieb; Eisenloser 3-Phasen-Linearmotor; 60 mm Stellweg; 5 kg Nutzlast; 800 mm/s maximale Geschwindigkeit; Inkrementeller Linearencoder, 20 µm Sensorsignalperiode, Sin/Cos, 1 V Spitze-Spitze
Kompakter Hochpräzisions-Lineartisch mit Direktantrieb; Eisenloser 3-Phasen-Linearmotor; 100 mm Stellweg; 5 kg Nutzlast; 1000 mm/s maximale Geschwindigkeit; Inkrementeller Linearencoder, 20 µm Sensorsignalperiode, Sin/Cos, 1 V Spitze-Spitze
Angebot anfordern
Fragen Sie den Fachmann!
Erhalten Sie innerhalb kürzester Zeit per E-Mail oder Telefon eine Rückmeldung zu Ihren Fragen von einem PI Vertriebsingenieur.













