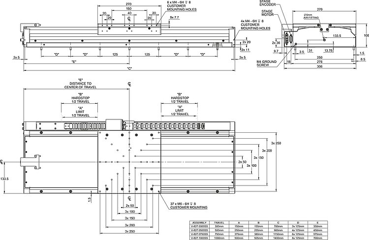
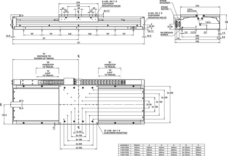
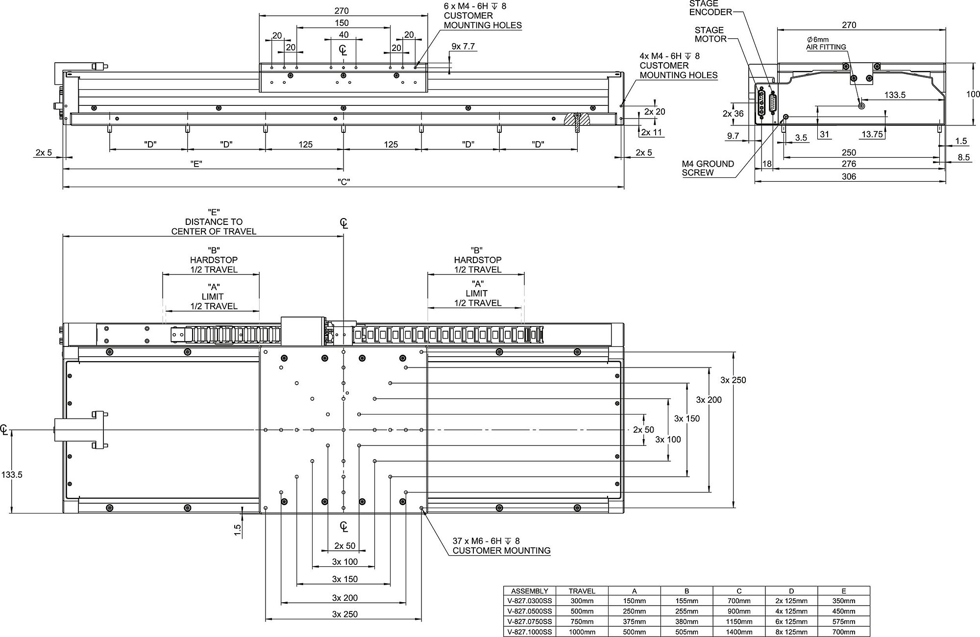
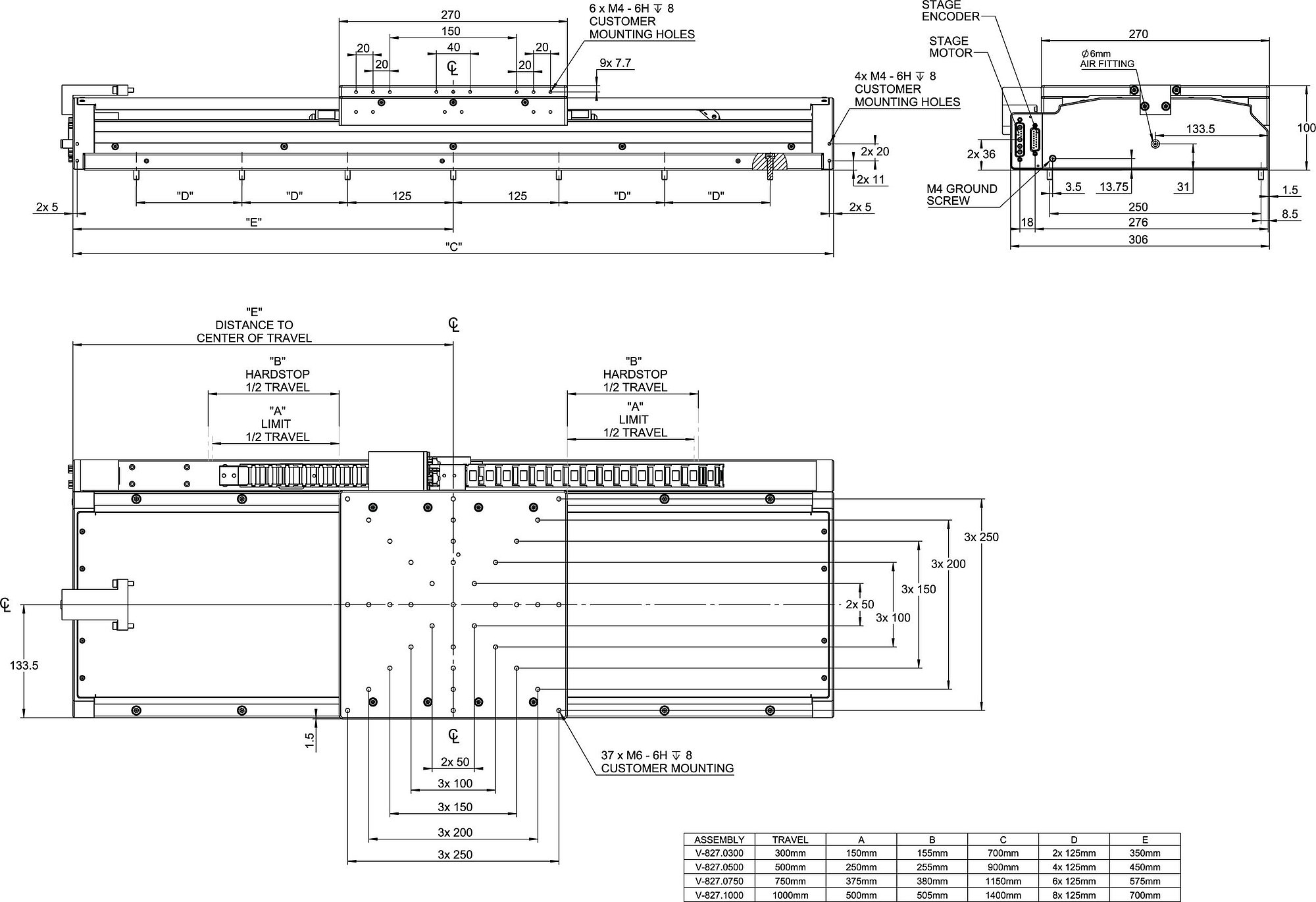
Hochlast-Präzisionslineartisch mit Direktantrieb; Eisenloser 3-Phasen-Linearmotor; 300 mm Stellweg; 150 kg Nutzlast; 2000 mm/s maximale Geschwindigkeit; Inkrementeller Linearencoder, 1 nm Sensorauflösung, Sin/Cos, 1 V Spitze-Spitze; Größe der Bewegungsplattform: 270 × 270 mm
V-827 Hochlast-Präzisionslineartisch mit Direktantrieb
Hohe Stabilität durch breiten Grundkörper. Ideal für Scan- und Messanwendungen, maschinelle Bearbeitung, Bildverarbeitung und Ausrichtung
- Stellwege von 300, 500, 750 und 1000 mm
- Direktantrieb für hohe Dynamik und Leistung
- Kugelumlaufführungen für hervorragende Ebenheit und Geradheit
- Sin/Cos- oder absoluter Encoder für höchste Präzision und Genauigkeit
Produktübersicht
V-827 Lineartische mit Direktantrieb sind für Anwendungen mit hoher Belastung und hohem Durchsatz konzipiert, die auch eine lange Lebensdauer und hohe Zuverlässigkeit erfordern.
Die V-827 Tische mit Direktantrieb bieten im Vergleich zu ähnlichen motorisierten Lineartischen auf dem Markt eine überragende Geradheit und Ebenheit. Durch den leistungsstarken, rastmomentfreien Direktantriebsmotor ist der V-827 ausgezeichnet für den Einsatz in Produktionsumgebungen geeignet.
Die Modelle mit absolutem Encoder bieten eine Auflösung von 1 nm sowie einen sicheren und effizienten Start, der keine Initialisierung oder Referenzierung erfordert. Die ultrapräzisen Kugelumlauflager sind dafür konzipiert, während der gesamten Lebensdauer des Tischs wartungsfrei zu sein.
Schutz vor Schmutzpartikeln
Der V-827 Lineartisch ist mit Seitenabdichtung zum Schutz vor Schmutzpartikeln ausgerüstet und damit ideal für die Laserbearbeitung und ähnliche Anwendungen geeignet. Der V-827 ist für die XY-Montage ausgelegt und kann werkseitig entsprechend konfiguriert werden.
Dreiphasenmotoren für höhere Dynamik sowie reibungs- und wartungsfreien Betrieb
Die dreiphasigen Linearmotoren der V-827 Lineartischfamilie übertragen die Antriebskraft reibungsfrei direkt auf die Bewegungsplattform. Dadurch werden Umkehrspiel und mechanisches Spiel vermieden, die durch mechanische Komponenten wie Getriebe und Spindeln im Antriebsstrang verursacht werden können. Diese Motoren, die ideal für Anwendungen mit hohen Geschwindigkeiten und hohen Beschleunigungen geeignet sind, zeichnen sich durch ein reibungs- und wartungsfreies Design aus, das eine lange Lebensdauer im anspruchsvollen Dauerbetrieb gewährleistet. Über Controllereinstellungen zur Strombegrenzung kann der Motor einfach deaktiviert werden, um mögliche Schäden am Tisch oder an der Anwendung zu vermeidien.
Kugelumlauflager für industrielle Automatisierungsanwendungen
Kugelumlauflager haben sich in industriellen Automatisierungsumgebungen bewährt und sind für ihre Belastbarkeit, Zuverlässigkeit und Robustheit bekannt. Sie bieten ein hohes Maß an Leichtgängigkeit, Geradheit und Ebenheit. Die hohe Tragfähigkeit von 150 kg garantiert eine lange Lebensdauer der Lager.
Modelle mit inkrementellem oder absolutem Encoder
V-827 Tische mit Direktantrieb sind mit linearen Encodern ausgestattet, die die Position mit höchster Genauigkeit direkt an der Bewegungsplattform messen. Gegenüber indirekten Messmethoden werden dadurch die Linearität verbessert und Unempfindlichkeit gegenüber mechanischem Spiel und elastischer Verformung gewährleistet. Inkrementelle Encoder benötigen für den Start ein Referenzsignal. Im Gegensatz dazu liefern absolut messende Encoder eindeutige Positionsinformationen, die eine sofortige Bestimmung der Position ermöglicht. Dadurch entfällt die Notwendigkeit einer Referenzierung beim Einschalten, wodurch sowohl die Effizienz als auch die Sicherheit im Betrieb erhöht werden.
Auswahl des passenden Präzisionslineartischs und Controllers
Die Auswahl des richtigen Lineartischs ist entscheidend für eine optimale Leistung bei hochpräzisen Positionierungs-, Bewegungs- und Automatisierungsanwendungen. Faktoren wie Auflösung, Belastbarkeit, Führungsgenauigkeit und Wiederholgenauigkeit müssen berücksichtigt werden. Die V-827 Lineartischfamilie bietet eine besonders hohe geometrische Genauigkeit (Ebenheit, Geradheit, Neigen und Gieren) sowie eine sehr gute bidirektionale Wiederholgenauigkeit (150 nm) in einem kompakten Gehäuse. Mit ihren hochdynamischen Eigenschaften von 1 G Beschleunigung und 2 m/s Geschwindigkeit sind diese präzisen motorisierten Tische ideal für die Automatisierung hochgenauer Positionieraufgaben, wie sie für die Laserbearbeitung, die Inspektion und die Massenproduktion von Präzisionsgeräten erforderlich sind.
In Kombination mit den Controllern der A-8xx Serie von PI erreichen diese Tische eine beispiellose Bewegungsleistung. Die EtherCAT®-basierten A-8xx Controller bieten eine hohe Flexibilität und erleichtern die nahtlose Integration von EtherCAT®-kompatiblen Geräten anderer Hersteller. Hochentwickelte Algorithmen in den Controllern der A-8xx Serie, wie z. B. PILOT, ermöglichen eine höhere Dynamik bei reduzierten Motorströmen und erhöhen dadurch faktisch die Kraftkonstante des Motors.
Optionen und Zubehör
- Inkrementeller Encoder Sin/Cos, 1 Vpp oder absoluter Encoder mit BiSS-Ausgang
- Multiachs-Aufbauten und Kabelmanagement optional erhältlich
- Ein- oder mehrachsige ACS-basierte Controller und Servoantriebe, integriert oder verteilt
- Kabel kompatibel mit der A-8xx Reihe der ACS-Controller
Einsatzgebiete
Lasermaterialbearbeitung oder -ablation. Lasermikrobearbeitung, Patterning. Laserschneiden von Glas. Pick-and-Place. Automatisierte Präzisionsmontage. Röntgeninspektion und AOI (automatisierte optische Inspektion). Tomographie. Wafer-Dicing (Vereinzelung). Messtechnik. Allgemeine Automatisierung.
Spezifikationen
Spezifikationen
| Bewegen | V-827.0300A1 | V-827.0300A1SS | V-827.0300B1 | V-827.0300B1SS | V-827.0500A1 | V-827.0500A1SS | V-827.0500B1 | V-827.0500B1SS | V-827.0750A1 | V-827.0750A1SS | V-827.0750B1 | V-827.0750B1SS | V-827.1000A1 | V-827.1000A1SS | V-827.1000B1 | V-827.1000B1SS | Toleranz |
|---|---|---|---|---|---|---|---|---|---|---|---|---|---|---|---|---|---|
| Aktive Achsen | X | X | X | X | X | X | X | X | X | X | X | X | X | X | X | X | |
| Stellweg in X | 300 mm | 300 mm | 300 mm | 300 mm | 500 mm | 500 mm | 500 mm | 500 mm | 750 mm | 750 mm | 750 mm | 750 mm | 1000 mm | 1000 mm | 1000 mm | 1000 mm | |
| Beschleunigung in X, unbelastet | 10 m/s² | 10 m/s² | 10 m/s² | 10 m/s² | 10 m/s² | 10 m/s² | 10 m/s² | 10 m/s² | 10 m/s² | 10 m/s² | 10 m/s² | 10 m/s² | 10 m/s² | 10 m/s² | 10 m/s² | 10 m/s² | max. |
| Maximale Geschwindigkeit in X, unbelastet | 2000 mm/s | 2000 mm/s | 2000 mm/s | 2000 mm/s | 2000 mm/s | 2000 mm/s | 2000 mm/s | 2000 mm/s | 2000 mm/s | 2000 mm/s | 2000 mm/s | 2000 mm/s | 2000 mm/s | 2000 mm/s | 2000 mm/s | 2000 mm/s | |
| Geradheitsabweichung in Y (Geradheit) | ± 2 µm | ± 2 µm | ± 2 µm | ± 2 µm | ± 2 µm | ± 2 µm | ± 2 µm | ± 2 µm | ± 4 µm | ± 4 µm | ± 4 µm | ± 4 µm | ± 6 µm | ± 6 µm | ± 6 µm | ± 6 µm | typ. |
| Geradheitsabweichung in Z (Ebenheit) | ± 2 µm | ± 2 µm | ± 2 µm | ± 2 µm | ± 2 µm | ± 2 µm | ± 2 µm | ± 2 µm | ± 4 µm | ± 4 µm | ± 4 µm | ± 4 µm | ± 6 µm | ± 6 µm | ± 6 µm | ± 6 µm | typ. |
| Winkelabweichung um Y (Nicken) | ± 50 µrad | ± 50 µrad | ± 50 µrad | ± 50 µrad | ± 50 µrad | ± 50 µrad | ± 50 µrad | ± 50 µrad | ± 60 µrad | ± 60 µrad | ± 60 µrad | ± 60 µrad | ± 60 µrad | ± 60 µrad | ± 60 µrad | ± 60 µrad | typ. |
| Winkelabweichung um Z (Gieren) | ± 30 µrad | ± 30 µrad | ± 30 µrad | ± 30 µrad | ± 30 µrad | ± 30 µrad | ± 30 µrad | ± 30 µrad | ± 40 µrad | ± 40 µrad | ± 40 µrad | ± 40 µrad | ± 40 µrad | ± 40 µrad | ± 40 µrad | ± 40 µrad | typ. |
| Positionieren | V-827.0300A1 | V-827.0300A1SS | V-827.0300B1 | V-827.0300B1SS | V-827.0500A1 | V-827.0500A1SS | V-827.0500B1 | V-827.0500B1SS | V-827.0750A1 | V-827.0750A1SS | V-827.0750B1 | V-827.0750B1SS | V-827.1000A1 | V-827.1000A1SS | V-827.1000B1 | V-827.1000B1SS | Toleranz |
| Kleinste Schrittweite in X | 0,025 µm | 0,025 µm | 0,025 µm | 0,025 µm | 0,025 µm | 0,025 µm | 0,025 µm | 0,025 µm | 0,025 µm | 0,025 µm | 0,025 µm | 0,025 µm | 0,025 µm | 0,025 µm | 0,025 µm | 0,025 µm | typ. |
| Positioniergenauigkeit in X, kalibriert | ± 0,25 µm | ± 0,25 µm | ± 0,25 µm | ± 0,25 µm | ± 0,4 µm | ± 0,4 µm | ± 0,4 µm | ± 0,4 µm | ± 0,5 µm | ± 0,5 µm | ± 0,5 µm | ± 0,5 µm | ± 0,6 µm | ± 0,6 µm | ± 0,6 µm | ± 0,6 µm | typ. |
| Bidirektionale Wiederholgenauigkeit in X | 0,3 µm | 0,3 µm | 0,3 µm | 0,3 µm | 0,3 µm | 0,3 µm | 0,3 µm | 0,3 µm | 0,3 µm | 0,3 µm | 0,3 µm | 0,3 µm | 0,3 µm | 0,3 µm | 0,3 µm | 0,3 µm | typ. |
| Referenzschalter | Encoder-Index | Encoder-Index | — | — | Encoder-Index | Encoder-Index | — | — | Encoder-Index | Encoder-Index | — | — | Encoder-Index | Encoder-Index | — | — | |
| Integrierter Sensor | Inkrementeller Linearencoder | Inkrementeller Linearencoder | Absoluter Linearencoder | Absoluter Linearencoder | Inkrementeller Linearencoder | Inkrementeller Linearencoder | Absoluter Linearencoder | Absoluter Linearencoder | Inkrementeller Linearencoder | Inkrementeller Linearencoder | Absoluter Linearencoder | Absoluter Linearencoder | Inkrementeller Linearencoder | Inkrementeller Linearencoder | Absoluter Linearencoder | Absoluter Linearencoder | |
| Sensorsignal | Sin/Cos, 1 V Spitze-Spitze | Sin/Cos, 1 V Spitze-Spitze | BiSS-C, 32 Bit | BiSS-C, 32 Bit | Sin/Cos, 1 V Spitze-Spitze | Sin/Cos, 1 V Spitze-Spitze | BiSS-C, 32 Bit | BiSS-C, 32 Bit | Sin/Cos, 1 V Spitze-Spitze | Sin/Cos, 1 V Spitze-Spitze | BiSS-C, 32 Bit | BiSS-C, 32 Bit | Sin/Cos, 1 V Spitze-Spitze | Sin/Cos, 1 V Spitze-Spitze | BiSS-C, 32 Bit | BiSS-C, 32 Bit | |
| Sensorauflösung | 1 nm | 1 nm | 1 nm | 1 nm | 1 nm | 1 nm | 1 nm | 1 nm | 1 nm | 1 nm | 1 nm | 1 nm | 1 nm | 1 nm | 1 nm | 1 nm | |
| Antriebseigenschaften | V-827.0300A1 | V-827.0300A1SS | V-827.0300B1 | V-827.0300B1SS | V-827.0500A1 | V-827.0500A1SS | V-827.0500B1 | V-827.0500B1SS | V-827.0750A1 | V-827.0750A1SS | V-827.0750B1 | V-827.0750B1SS | V-827.1000A1 | V-827.1000A1SS | V-827.1000B1 | V-827.1000B1SS | Toleranz |
| Antriebstyp | Eisenloser 3-Phasen-Linearmotor | Eisenloser 3-Phasen-Linearmotor | Eisenloser 3-Phasen-Linearmotor | Eisenloser 3-Phasen-Linearmotor | Eisenloser 3-Phasen-Linearmotor | Eisenloser 3-Phasen-Linearmotor | Eisenloser 3-Phasen-Linearmotor | Eisenloser 3-Phasen-Linearmotor | Eisenloser 3-Phasen-Linearmotor | Eisenloser 3-Phasen-Linearmotor | Eisenloser 3-Phasen-Linearmotor | Eisenloser 3-Phasen-Linearmotor | Eisenloser 3-Phasen-Linearmotor | Eisenloser 3-Phasen-Linearmotor | Eisenloser 3-Phasen-Linearmotor | Eisenloser 3-Phasen-Linearmotor | |
| Nennspannung | 96 V | 96 V | 96 V | 96 V | 96 V | 96 V | 96 V | 96 V | 96 V | 96 V | 96 V | 96 V | 96 V | 96 V | 96 V | 96 V | |
| Nennstrom, effektiv | 7,6 A | 7,6 A | 7,6 A | 7,6 A | 7,6 A | 7,6 A | 7,6 A | 7,6 A | 7,6 A | 7,6 A | 7,6 A | 7,6 A | 7,6 A | 7,6 A | 7,6 A | 7,6 A | typ. |
| Spitzenstrom, effektiv | 26,2 A | 26,2 A | 26,2 A | 26,2 A | 26,2 A | 26,2 A | 26,2 A | 26,2 A | 26,2 A | 26,2 A | 26,2 A | 26,2 A | 26,2 A | 26,2 A | 26,2 A | 26,2 A | typ. |
| Antriebskraft in X | 210 N | 210 N | 210 N | 210 N | 210 N | 210 N | 210 N | 210 N | 210 N | 210 N | 210 N | 210 N | 210 N | 210 N | 210 N | 210 N | typ. |
| Spitzenkraft in X | 720 N | 720 N | 720 N | 720 N | 720 N | 720 N | 720 N | 720 N | 720 N | 720 N | 720 N | 720 N | 720 N | 720 N | 720 N | 720 N | |
| Kraftkonstante | 27,5 N/A | 27,5 N/A | 27,5 N/A | 27,5 N/A | 27,5 N/A | 27,5 N/A | 27,5 N/A | 27,5 N/A | 27,5 N/A | 27,5 N/A | 27,5 N/A | 27,5 N/A | 27,5 N/A | 27,5 N/A | 27,5 N/A | 27,5 N/A | |
| Widerstand Phase-Phase | 0,85 Ω | 0,85 Ω | 0,85 Ω | 0,85 Ω | 0,85 Ω | 0,85 Ω | 0,85 Ω | 0,85 Ω | 0,85 Ω | 0,85 Ω | 0,85 Ω | 0,85 Ω | 0,85 Ω | 0,85 Ω | 0,85 Ω | 0,85 Ω | typ. |
| Induktivität Phase-Phase | 0,7 mH | 0,7 mH | 0,7 mH | 0,7 mH | 0,7 mH | 0,7 mH | 0,7 mH | 0,7 mH | 0,7 mH | 0,7 mH | 0,7 mH | 0,7 mH | 0,7 mH | 0,7 mH | 0,7 mH | 0,7 mH | |
| Gegen-EMK Phase-Phase | 22,5 V·s/m | 22,5 V·s/m | 22,5 V·s/m | 22,5 V·s/m | 22,5 V·s/m | 22,5 V·s/m | 22,5 V·s/m | 22,5 V·s/m | 22,5 V·s/m | 22,5 V·s/m | 22,5 V·s/m | 22,5 V·s/m | 22,5 V·s/m | 22,5 V·s/m | 22,5 V·s/m | 22,5 V·s/m | max. |
| Polteilung N-N | 42 mm | 42 mm | 42 mm | 42 mm | 42 mm | 42 mm | 42 mm | 42 mm | 42 mm | 42 mm | 42 mm | 42 mm | 42 mm | 42 mm | 42 mm | 42 mm | |
| Mechanische Eigenschaften | V-827.0300A1 | V-827.0300A1SS | V-827.0300B1 | V-827.0300B1SS | V-827.0500A1 | V-827.0500A1SS | V-827.0500B1 | V-827.0500B1SS | V-827.0750A1 | V-827.0750A1SS | V-827.0750B1 | V-827.0750B1SS | V-827.1000A1 | V-827.1000A1SS | V-827.1000B1 | V-827.1000B1SS | Toleranz |
| Maximale Nutzlast, horizontale Ausrichtung | 150 kg | 150 kg | 150 kg | 150 kg | 150 kg | 150 kg | 150 kg | 150 kg | 150 kg | 150 kg | 150 kg | 150 kg | 150 kg | 150 kg | 150 kg | 150 kg | |
| Bewegte Masse in X, unbelastet | 5000 g | 5000 g | 5000 g | 5000 g | 5000 g | 5000 g | 5000 g | 5000 g | 5000 g | 5000 g | 5000 g | 5000 g | 5000 g | 5000 g | 5000 g | 5000 g | |
| Führung | Kugelumlaufführung | Kugelumlaufführung | Kugelumlaufführung | Kugelumlaufführung | Kugelumlaufführung | Kugelumlaufführung | Kugelumlaufführung | Kugelumlaufführung | Kugelumlaufführung | Kugelumlaufführung | Kugelumlaufführung | Kugelumlaufführung | Kugelumlaufführung | Kugelumlaufführung | Kugelumlaufführung | Kugelumlaufführung | |
| Gesamtmasse | 18000 g | 18000 g | 18000 g | 18000 g | 25000 g | 25000 g | 25000 g | 25000 g | 32000 g | 32000 g | 32000 g | 32000 g | 45000 g | 45000 g | 45000 g | 45000 g | |
| Material | Hartbeschichtetes Aluminium (Grundkörper) | Hartbeschichtetes Aluminium (Grundkörper) | Hartbeschichtetes Aluminium (Grundkörper) | Hartbeschichtetes Aluminium (Grundkörper) | Hartbeschichtetes Aluminium (Grundkörper) | Hartbeschichtetes Aluminium (Grundkörper) | Hartbeschichtetes Aluminium (Grundkörper) | Hartbeschichtetes Aluminium (Grundkörper) | Hartbeschichtetes Aluminium (Grundkörper) | Hartbeschichtetes Aluminium (Grundkörper) | Hartbeschichtetes Aluminium (Grundkörper) | Hartbeschichtetes Aluminium (Grundkörper) | Hartbeschichtetes Aluminium (Grundkörper) | Hartbeschichtetes Aluminium (Grundkörper) | Hartbeschichtetes Aluminium (Grundkörper) | Hartbeschichtetes Aluminium (Grundkörper) | |
| Abmessungen Bewegungsplattform | 270 x 270 mm | 270 x 270 mm | 270 x 270 mm | 270 x 270 mm | 270 x 270 mm | 270 x 270 mm | 270 x 270 mm | 270 x 270 mm | 270 x 270 mm | 270 x 270 mm | 270 x 270 mm | 270 x 270 mm | 270 x 270 mm | 270 x 270 mm | 270 x 270 mm | 270 x 270 mm | |
| Höhe | 100 mm | 100 mm | 100 mm | 100 mm | 100 mm | 100 mm | 100 mm | 100 mm | 100 mm | 100 mm | 100 mm | 100 mm | 100 mm | 100 mm | 100 mm | 100 mm | |
| Anschlüsse und Umgebung | V-827.0300A1 | V-827.0300A1SS | V-827.0300B1 | V-827.0300B1SS | V-827.0500A1 | V-827.0500A1SS | V-827.0500B1 | V-827.0500B1SS | V-827.0750A1 | V-827.0750A1SS | V-827.0750B1 | V-827.0750B1SS | V-827.1000A1 | V-827.1000A1SS | V-827.1000B1 | V-827.1000B1SS | Toleranz |
| Betriebstemperaturbereich | 5 bis 50 °C | 5 bis 50 °C | 5 bis 50 °C | 5 bis 50 °C | 5 bis 50 °C | 5 bis 50 °C | 5 bis 50 °C | 5 bis 50 °C | 5 bis 50 °C | 5 bis 50 °C | 5 bis 50 °C | 5 bis 50 °C | 5 bis 50 °C | 5 bis 50 °C | 5 bis 50 °C | 5 bis 50 °C | |
| Anschluss | D-Sub 9W4 (m) | D-Sub 9W4 (m) | D-Sub 9W4 (m) | D-Sub 9W4 (m) | D-Sub 9W4 (m) | D-Sub 9W4 (m) | D-Sub 9W4 (m) | D-Sub 9W4 (m) | D-Sub 9W4 (m) | D-Sub 9W4 (m) | D-Sub 9W4 (m) | D-Sub 9W4 (m) | D-Sub 9W4 (m) | D-Sub 9W4 (m) | D-Sub 9W4 (m) | D-Sub 9W4 (m) | |
| Sensoranschluss | D-Sub 15 (m) | D-Sub 15 (m) | D-Sub 15 (m) | D-Sub 15 (m) | D-Sub 15 (m) | D-Sub 15 (m) | D-Sub 15 (m) | D-Sub 15 (m) | D-Sub 15 (m) | D-Sub 15 (m) | D-Sub 15 (m) | D-Sub 15 (m) | D-Sub 15 (m) | D-Sub 15 (m) | D-Sub 15 (m) | D-Sub 15 (m) | |
| Empfohlene Controller/Treiber | A-82x, A-81x | A-82x, A-81x | A-82x, A-81x | A-82x, A-81x | A-82x, A-81x | A-82x, A-81x | A-82x, A-81x | A-82x, A-81x | A-82x, A-81x | A-82x, A-81x | A-82x, A-81x | A-82x, A-81x | A-82x, A-81x | A-82x, A-81x | A-82x, A-81x | A-82x, A-81x |
Hinweis zu Geschwindigkeit und Beschleunigung: Kann durch die Nutzlast, den Controller oder den Antrieb begrenzt werden.
Hinweis zu linearem und rotatorischem Übersprechen: Abhängig von der Qualität des Untergrunds, der Nutzlast, der Orientierung und Kräften, die von außen auf den Positionierer wirken. Bitte kontaktieren Sie PI für applikationsspezifische Parameter. Angegebene Werte sind statisch (keine Rotationsbewegung während der Messung) und ohne Last.
Hinweis zu Positioniergenauigkeit: Mit Führungsfehlerkompensation. Angegebene Werte basieren auf Controller-gesteuerter Fehlerkompensation. Der Positionierer muss mit einem Controller von PI geordert werden, um diese Werte zu erreichen. Genauigkeitswerte gehen von kurzfristiger Dauer aus und berücksichtigen die Langzeitfolgen der thermischen Drift auf den Positionierer nicht.
Technische Daten werden bei PI bei 22 ±3 °C spezifiziert. Die angegebenen Werte gelten im unbelasteten Zustand, wenn nicht anders angegeben. Teilweise sind Eigenschaften voneinander abhängig. Die Angabe "typ." kennzeichnet einen statistischen Mittelwert für eine Eigenschaft; sie gibt keinen garantierten Wert für jedes ausgelieferte Produkt an. Bei der Ausgangsprüfung eines Produkts werden nicht alle, sondern nur ausgewählte Eigenschaften geprüft. Beachten Sie, dass sich einige Produkteigenschaften mit zunehmender Betriebsdauer verschlechtern können.
Angebot / Bestellung
Fordern Sie ein unverbindliches Angebot über gewünschte Stückzahlen, Preise und Lieferzeiten an oder beschreiben Sie Ihre gewünschte Modifikation.
Hochlast-Präzisionslineartisch mit Direktantrieb; Eisenloser 3-Phasen-Linearmotor; 300 mm Stellweg; 150 kg Nutzlast; 2000 mm/s maximale Geschwindigkeit; Inkrementeller Linearencoder, 1 nm Sensorauflösung, Sin/Cos, 1 V Spitze-Spitze; Größe der Bewegungsplattform: 270 × 270 mm; Modell mit seitlicher Abdichtung
Hochlast-Präzisionslineartisch mit Direktantrieb; Eisenloser 3-Phasen-Linearmotor; 300 mm Stellweg; 150 kg Nutzlast; 2000 mm/s maximale Geschwindigkeit; Absoluter Linearencoder, 1 nm Sensorauflösung, BiSS-C, 32-Bit; Größe der Bewegungsplattform: 270 × 270 mm
Hochlast-Präzisionslineartisch mit Direktantrieb; Eisenloser 3-Phasen-Linearmotor; 300 mm Stellweg; 150 kg Nutzlast; 2000 mm/s maximale Geschwindigkeit; Absoluter Linearencoder, 1 nm Sensorauflösung, BiSS-C, 32-Bit; Größe der Bewegungsplattform: 270 × 270 mm; Modell mit seitlicher Abdichtung
Hochlast-Präzisionslineartisch mit Direktantrieb; Eisenloser 3-Phasen-Linearmotor; 500 mm Stellweg; 150 kg Nutzlast; 2000 mm/s maximale Geschwindigkeit; Inkrementeller Linearencoder, 1 nm Sensorauflösung, Sin/Cos, 1 V Spitze-Spitze; Größe der Bewegungsplattform: 270 × 270 mm
Hochlast-Präzisionslineartisch mit Direktantrieb; Eisenloser 3-Phasen-Linearmotor; 500 mm Stellweg; 150 kg Nutzlast; 2000 mm/s maximale Geschwindigkeit; Inkrementeller Linearencoder, 1 nm Sensorauflösung, Sin/Cos, 1 V Spitze-Spitze; Größe der Bewegungsplattform: 270 × 270 mm; Modell mit seitlicher Abdichtung
Hochlast-Präzisionslineartisch mit Direktantrieb; Eisenloser 3-Phasen-Linearmotor; 500 mm Stellweg; 150 kg Nutzlast; 2000 mm/s maximale Geschwindigkeit; Absoluter Linearencoder, 1 nm Sensorauflösung, BiSS-C, 32-Bit; Größe der Bewegungsplattform: 270 × 270 mm
Hochlast-Präzisionslineartisch mit Direktantrieb; Eisenloser 3-Phasen-Linearmotor; 500 mm Stellweg; 150 kg Nutzlast; 2000 mm/s maximale Geschwindigkeit; Absoluter Linearencoder, 1 nm Sensorauflösung, BiSS-C, 32-Bit; Größe der Bewegungsplattform: 270 × 270 mm; Modell mit seitlicher Abdichtung
Hochlast-Präzisionslineartisch mit Direktantrieb; Eisenloser 3-Phasen-Linearmotor; 750 mm Stellweg; 150 kg Nutzlast; 2000 mm/s maximale Geschwindigkeit; Inkrementeller Linearencoder, 1 nm Sensorauflösung, Sin/Cos, 1 V Spitze-Spitze; Größe der Bewegungsplattform: 270 × 270 mm
Hochlast-Präzisionslineartisch mit Direktantrieb; Eisenloser 3-Phasen-Linearmotor; 750 mm Stellweg; 150 kg Nutzlast; 2000 mm/s maximale Geschwindigkeit; Inkrementeller Linearencoder, 1 nm Sensorauflösung, Sin/Cos, 1 V Spitze-Spitze; Größe der Bewegungsplattform: 270 × 270 mm; Modell mit seitlicher Abdichtung
Hochlast-Präzisionslineartisch mit Direktantrieb; Eisenloser 3-Phasen-Linearmotor; 750 mm Stellweg; 150 kg Nutzlast; 2000 mm/s maximale Geschwindigkeit; Absoluter Linearencoder, 1 nm Sensorauflösung, BiSS-C, 32-Bit; Größe der Bewegungsplattform: 270 × 270 mm
Hochlast-Präzisionslineartisch mit Direktantrieb; Eisenloser 3-Phasen-Linearmotor; 750 mm Stellweg; 150 kg Nutzlast; 2000 mm/s maximale Geschwindigkeit; Absoluter Linearencoder, 1 nm Sensorauflösung, BiSS-C, 32-Bit; Größe der Bewegungsplattform: 270 × 270 mm; Modell mit seitlicher Abdichtung
Hochlast-Präzisionslineartisch mit Direktantrieb; Eisenloser 3-Phasen-Linearmotor; 1000 mm Stellweg; 150 kg Nutzlast; 2000 mm/s maximale Geschwindigkeit; Inkrementeller Linearencoder, 1 nm Sensorauflösung, Sin/Cos, 1 V Spitze-Spitze; Größe der Bewegungsplattform: 270 × 270 mm
Hochlast-Präzisionslineartisch mit Direktantrieb; Eisenloser 3-Phasen-Linearmotor; 1000 mm Stellweg; 150 kg Nutzlast; 2000 mm/s maximale Geschwindigkeit; Inkrementeller Linearencoder, 1 nm Sensorauflösung, Sin/Cos, 1 V Spitze-Spitze; Größe der Bewegungsplattform: 270 × 270 mm; Modell mit seitlicher Abdichtung
Hochlast-Präzisionslineartisch mit Direktantrieb; Eisenloser 3-Phasen-Linearmotor; 1000 mm Stellweg; 150 kg Nutzlast; 2000 mm/s maximale Geschwindigkeit; Absoluter Linearencoder, 1 nm Sensorauflösung, BiSS-C, 32-Bit; Größe der Bewegungsplattform: 270 × 270 mm
Hochlast-Präzisionslineartisch mit Direktantrieb; Eisenloser 3-Phasen-Linearmotor; 1000 mm Stellweg; 150 kg Nutzlast; 2000 mm/s maximale Geschwindigkeit; Absoluter Linearencoder, 1 nm Sensorauflösung, BiSS-C, 32-Bit; Größe der Bewegungsplattform: 270 × 270 mm; Modell mit seitlicher Abdichtung
Angebot anfordern
Fragen Sie den Fachmann!
Erhalten Sie innerhalb kürzester Zeit per E-Mail oder Telefon eine Rückmeldung zu Ihren Fragen von einem PI Vertriebsingenieur.







