F-131 Leistungsfähiges Faserjustage-System
Optimal für Anwendungen in der Photonik
- Lange Lebensdauer durch NanoCube®
- Sicherheit durch integrierte Sensorik
- Lange Stellwege bis 15 mm
- Preiswert
Schnelle und hochpräzise Antriebe
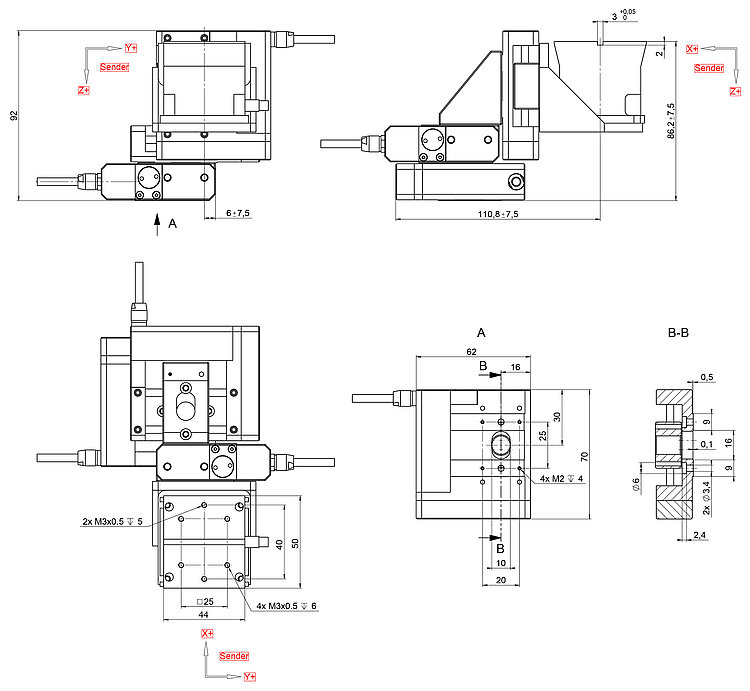
Die Basis des Faserjustage-Systems ist ein XYZ-Aufbau aus drei motorisierten Linearverstellern der M-111 Reihe für die Grobverstellung und einem P-611 NanoCube® Nanopositionierer. Die motorisierten Antriebe ermöglichen längere Stellwege, gleichzeitig sorgt der NanoCube® Nanopositionierer für schnelle Scanning-Bewegungen und präzise Positionierung. Festkörperführungen und vollkeramisch isolierte PICMA® Aktoren garantieren eine lange Lebensdauer. Da alle Antriebe über Positionssensoren verfügen, können z. B. Kollisionen mit einem teuren Silizium-Wafer zuverlässig verhindert werden.
Leistungsfähige Scan-Routinen
Für die Ansteuerung des P-611 NanoCube® Nanopositionierer ist die hochentwickelte Scan-Routine direkt im Controller integriert. Die Leistungsfähigkeit wird deutlich verbessert und die Integration erleichtert. Damit können alle Anwendungen, denen eine Analogsignal-Optimierung zu Grunde liegt, wie zum Beispiel im Bereich der Photonik, optimal bewältigt werden.
Komplettpaket
Das Faserjustage-System wird komplett mit den notwendigen Controllern C-884.4DC und E-727.AS, sowie mit einem umfangreichen Softwarepaket ausgeliefert, welches die grafische Bediensoftware PIMikroMove für die Inbetriebnahme und Bedienung sämtlicher PI Systeme enthält.
Programmier-Schnittstellen, die dem Anwender die Integration eines PI Controllers in seine eigenen Anwenderprogramme ermöglichen, sind ebenfalls in dem Softwarepaket enthalten. Die Ansteuerung des Positioniersystems wird so Teil des Anwenderprogramms. Schnittstellen stehen für alle gängigen Programmiersprachen einschließlich NI LabVIEW und MATLAB zur Verfügung.
Darüber hinaus besteht die Option, die Software C-990.FA1 zu erwerben. Sie bietet eine besonders komfortable Möglichkeit, das Scannen der Achsen einzurichten, die Scans durchzuführen und die Ergebnisse darzustellen.
Zusätzlicher, hochauflösender Analogeingang
Das optische Intensitätssignal wird den Controllern direkt über deren analoge Eingänge zur Verfügung gestellt. Der E-727.AS Controller, der den NanoCube® Nanopositionierer ansteuert, verfügt über einen extrem hochauflösenden und hochdynamischen Analogeingang. Das optische Signal kann dadurch besonders schnell und präzise erfasst und das Intensitätsmaximum automatisch gefunden werden.
Einsatzgebiete
Ausrichtung optischer Komponenten, Qualifizierung von optischen Bauteilen in der Siliziumphotonik
Spezifikationen
Spezifikationen
Bewegen und Positionieren | F-131.3SD1 | Einheit |
|---|---|---|
Anzahl aktiver Achsen | 6 | |
Grobpositionierung | ||
Aktive Achsen | X, Y, Z | |
Stellweg in X, Y, Z | 15, 15, 15 | mm |
Kleinste Schrittweite typ. | 0,05 | µm |
Rechnerische Auflösung | 0,0069 | µm |
Unidirektionale Wiederholgenauigkeit, typ. | 0,25 | µm |
Umkehrspiel X, Y, Z, typ. | 3 | µm |
Max. Geschwindigkeit | 1,5 | mm/s |
Sensortyp | Rotationsencoder | |
Führung | Kugelführung | |
Antriebsart | DC-Getriebemotor | |
Feinpositionierung | ||
Aktive Achsen | X, Y, Z | |
Stellweg in X, Y, Z, geregelt | 100 | µm |
Auflösung, ungeregelt, typ. | 0,2 | nm |
Auflösung, geregelt, typ. | 1 | nm |
Linearitätsabweichung, für gesamten Stellweg typ. | 0,1 | % |
Wiederholgenauigkeit (bidirektional) typ. | <10 | nm |
Sensortyp | DMS | |
Antriebsart | PICMA® |
Downloads
Datenblatt
Dokumentation
Benutzerhandbuch F131T0001
F-131.3SD1 X,Y,Z Alignment System
Benutzerhandbuch E727T0012
E-727.AS Digitaler Mehrkanal-Piezocontroller mit Flächenscan-Routinen für schnelles optisches Alignment in der Siliziumphotonik
Benutzerhandbuch PZ253
P-611 Nanopositioniersysteme mit DMS-Sensor / ohne Sensor
Benutzerhandbuch M110T0032
M-110.x1 / M-111.x1 / M-112.x1 Mikrostelltische
Benutzerhandbuch MS243
C-884.4DC und C-884.6DC Motion Controller für DC-Motoren und bürstenlose DC-Motoren, 4 oder 6 Achsen
3-D-Modelle
3D-Modell F-131.3SD1
Angebot / Bestellung
Fordern Sie ein unverbindliches Angebot über gewünschte Stückzahlen, Preise und Lieferzeiten an oder beschreiben Sie Ihre gewünschte Modifikation.
Zubehör
Angebot anfordern
Fragen Sie den Fachmann!
Erhalten Sie innerhalb kürzester Zeit per E-Mail oder Telefon eine Rückmeldung zu Ihren Fragen von einem PI Vertriebsingenieur.
Anwendungen

Prüfung, Aufbau- und Verbindungstechnik photonischer Bauelemente
Ausrichtung ist der wichtigste Kostenfaktor für Durchsatz und Produktionskosten bei Prüfung, Aufbau und Verbindung von photonischen Bauteilen. Maximale Leistung erfordert die optimale Kombination aus Genauigkeit, Geschwindigkeit und intelligenter Automatisierung.

Hexapoden in der Mikromontage
Mikromontage verlangt heute nach präzisen Positioniersystemen, die möglichst kompakt sein sollen, um sich gut in die Fertigungseinheiten zu integrieren.












